Communications Receivers.

Converters, Mixers, and Local oscillators.

A superheterodyne receiver depends on a converter or mixer and oscillator combination to operate properly. That is a converter is what makes it a heterodyne receiver. I don't know what makes it super. Heterodyning Is the process of converting one frequency to another. I think there really are as many circuits as there are engineers.

What Is Heterodyning and How Does It Work?

If two signals are combined in a tube, transistor, or diode, two new frequencies are produced which are the sum and difference of the two original frequencies. For example if a frequency of 7,230 kHz is combined with a frequency of 11,000 kHz the two new frequencies are 3,770 kHz and 18,230 kHz. The mathematics behind this are beyond the scope of this article but they can be understood with no knowledge of calculus. Only knowledge of algebra and trigonometry are required.

All 4 signal frequencies emerge from the device and it is up to us to select the one we want and ignore the rest. There are special tubes and some special integrated circuits that will cancel one or both of the original signals leaving only the sum and difference. In receiver circuits frequency selective filters can be used to select the desired frequency and filter out the rest. This simplifies the process of frequency conversion.

The Pentagrid Converter.

The tube that made the AA5 possible.

The All American Five might not have been possible without the tube known variously as the heptode (7 elements) or pentagrid (5 grids) converter. This tube permits the functions of oscillator and mixer to be combined in a single tube. This is not a dual tube such as the 12AU7 or the 6U8. It has only one cathode and one plate. The schematic symbol of the tube is shown below.

Figure 1

Five grids, count them. Seven elements, not counting the heater. The most well-known of the heptodes is the 6BE6 which has been used in many communications receivers. However National went with the 6BA7, not a typo, which has higher conversion gain and hence lower noise than the more common 6BE6.

The grids are used as follows.

  1. closest to the cathode is often called the oscillator grid or the mixer grid if a separate oscillator is used. The signal from a separate oscillator is injected onto this grid. If the tube is used as an oscillator, feedback from the cathode is injected here.
  2. This grid is sometimes called the oscillator plate. It is connected to B+ along with grid 4 and is bypassed to ground. Grids 1 and 2 will work together to behave like a triode.
  3. This is called the signal grid and is where the signal from the antenna or a previous stage is injected. Grid 3 has a remote cutoff characteristic which makes it practical for AGC to be applied.
  4. Grid 4 is the screen grid. It shields grid 3 from the plate to discourage oscillation. It is connected to B+ and is tied within the tube to grid 2.
  5. This is the suppressor grid and serves exactly the same function as the suppressor grid an any other tube that has one.

The Difference Between a Mixer and a Converter.

The difference is in where the oscillator is located. In a mixer the oscillator is in another tube or sometimes another section of the same tube such as in a 6U8.

A converter takes advantage of the ability of a heptode tube to work as its own oscillator. In the overwhelming majority of circuits the oscillator coil has a tap which is connected to the cathode and the top end is connected through an RC circuit to grid 1. The circuit diagram will be seen later on this page.

First Mixer in General Coverage or Ham Band Fixed IF Receiver.

Figure 2

The signal coming from the plate of the RF amplifier is fed to the signal grid of the first mixer. Because the oscillator driving the mixer grid is the one that is tuned by the main tuning control it must be very stable in frequency. For that reason it is in a tube of its own. Also there is no AGC applied to the mixer tube. AGC will change the plate current of the tube as signal strength changes which could cause the load on the oscillator to change. Changing load on an oscillator translates into frequency changes. To state the obvious, this is undesirable. So no AGC for the mixer.

In a receiver of this type the local oscillator usually operates above the incoming signal although this is largely a matter of convention. But there is a good reason. The variable capacitor section for the oscillator may be a bit smaller for the oscillator than for the antenna and RF sections. The elimination of two plates, one on the rotor and one on the stator, can reduce the price of the capacitor enough to make a difference in a mass produced receiver.

So for a receiver with a first IF of 3035 kHz, to receive a signal on 14225 the local oscillator must be tuned to 3035 + 14225 = 17260 kHz. The output of the mixer contains the following frequencies from highest to lowest. 31485, 17260, 14225, and 3035. A double tuned transformer will do a number on the higher frequencies leaving only the 3035 kHz signal to be copied. Note: on 160 and 80 meters the HQ170 converts directly to 455 kHz and the first mixer works as a straight through amplifier.

Moving deeper into the receiver the second mixer either passes the signal through or converts from 3035 to 455 kHz.

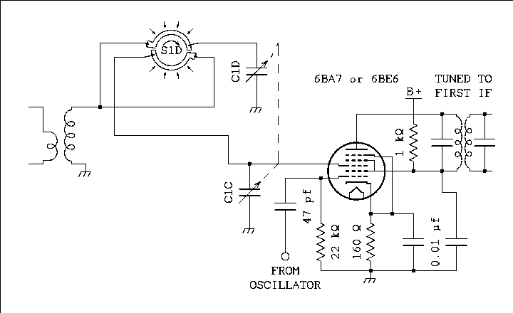
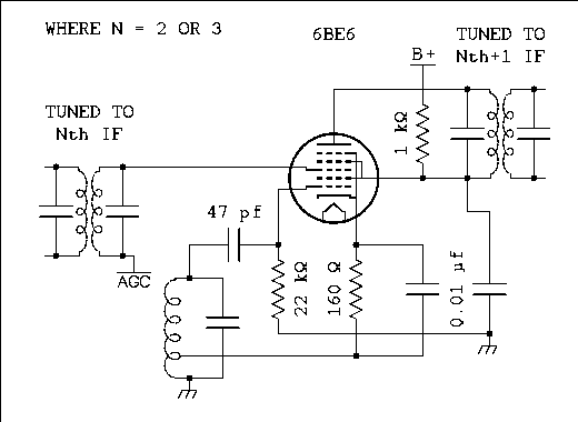
Figure 3

AGC is now permitted because the oscillator which does the conversion is crystal controlled. A 6BE6 is used here because the improved performance of the more expensive 6BA7 is no longer needed.

Actually the input to this mixer is two transformers in series. An extra wafer on the band switch shorts out the 3035 kHz transformer on 160 and 80 meters while turning off the crystal oscillator. The switch shorts out the 455 kHz transformer on all higher frequency bands and the 2580 kHz crystal oscillator is enabled.

Tunable IF Receivers.

In a tunable IF receiver the first if is actually a receiver. In the Drake 2B the receiver within a receiver tunes the 80 meter band plus an extra 100 kHz up to 4100 kHz. Other tunable IF receivers such as later models of Drake, Collins, and Heathkit used a tunable IF band that was not a ham band. In these receivers every ham band must be converted to the tunable IF band.

Figure 4

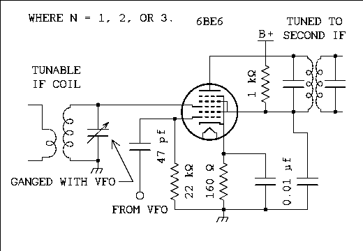
The first conversion oscillator is crystal controlled for maximum stability. This will allow AGC to be applied to the signal grid of the mixer tube. My personal recommendation is to use a 6BA7 for the first mixer. The band switch selects the proper crystal and the proper coils for the preselector. The operator sets the band switch and then roughly adjusts the preselector according to the markings on the front panel. Some very strong signals may be heard at this point. A little touching up of the preselector for maximum noise in the speaker will result in maximum sensitivity. When the 80 meter band is tuned the preselector must be frequently readjusted because that band is so wide on a percentage bases. The entire 80/75 meter CW and phone band typically covers 40% of the rotation of the preselector. The output transformer of the first mixer is the antenna coil of the receiver within a receiver and must be tuned along with the VFO or in other words ganged with the VFO.

Figure 5

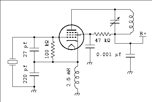
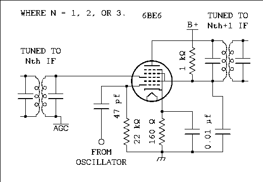
< The second converter is shown above. If it wasn't before, it will now be clear why the interstage coil must be ganged with the VFO tuning. The main tuning knob on the receiver adjusts the frequency of the tunable IF and the grid 3 coil is tuned to resonate at the proper frequency for reception. The crystal controlled converter has converted the ham band into the range of the tunable IF.

Figure 6

Figure 6 is of a converter. Note the similarities between this and Figure 3 which is a mixer circuit with an outboard oscillator not shown in the schematic. AGC is allowed in Figure 6 because the frequency of the oscillator is so low that any changes in frequency caused by the AGC voltage on the grid are so small as to be lost in the larger drift of the VFO. Let's say that a good VFO will drift about 100 Hz per hour. If the conversion oscillator in figure 6 is pulled by 10 Hz by AGC action the change will never be noticed.

Using other tubes as mixers.

There is no law that says you have to build a mixer using a pentagrid converter. An ordinary pentode or a triode can be used.

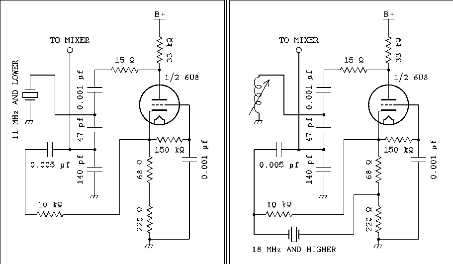
The drake 2B uses the pentode section of a 6U8 as the first mixer. Both signals are applied to the control grid of the tube. The plate coil in the 6BZ6 RF amplifier has been turned around and signal from the crystal oscillator which is the other half of the 6U8 is applied to the bottom of the secondary as shown in figure 7 below.

Figure 7

Drake also applies AGC to the grid which seems a little strange since the tube is a sharp cutoff pentode. The tube must also serve as a straight through linear amplifier on the 80 meter band when there is no signal from the oscillator. I suspect the voltage divider in the screen grid circuit is to improve linearity.

Collins takes a slightly different approach.

Figure 8

They use either a triode or a pentode and apply the local oscillator signal to the cathode. This applies from the first mixer through the product detector. Do I really need to say that the oscillator signal is coupled through a transformer which provides a path for the DC cathode current to ground? Well, I said it anyway. They also don't seem to hesitate to apply AGC voltage to the grids of these tubes even though the pentodes are sharp cutoff and it is presumed that the triodes are also. (Note: There are some tubes that are listed as semi remote cutoff triodes but these are dual triodes intended for use in cascode RF amplifiers in TV tuners. These might be a source of experimentation.)

The S line tunes such a small range on each band there is no need to gang tune the first IF with the VFO. The output of the first mixer feeds a 200 kHz wide band pass filter consisting of three resonant circuits loosely coupled together.

The ARRL handbook offers nothing more than a mixer in which both signals are capacitively coupled to the grid of a pentode followed by some very old circuits using tubes that were considered to be obsolete in 1962 when the particular issue was published.

Crystal Oscillators.

The quartz crystal has long been the standard of high stability for receiving and transmitting in the HF bands. [Today there are GPS disciplined ultra-high stability quartz crystal oscillators and some hams even own atomic clocks. They are not all that expensive when compared to the cost of a modern day synthesized transceiver but all that would seem out of place in a vacuum tube project.] Here are a few examples of crystal oscillators used by Drake, Collins, and the ARRL Handbook.

Figure 9

The circuit shown in Figure 9 above is of the crystal oscillator found in the Drake 2B. In the left hand circuit the 40 meter crystal is in the position shown. On higher frequency bands an adjustable inductor is substituted for the crystal, a different one for each band, and the crystals are switched in as shown in the right hand circuit. I have teased the circuit out of the band switching so you won't have to do it. The right hand circuit is similar to one of the ARRL handbook circuits. The slugs are user adjustable and a test point allows measurement of the DC grid voltage for proper tuning of the coils. The newer assigned bands can be accommodated by this vintage receiver.

Figure 10

Figure 10 shows how Collins did it. This is a very standard circuit that I was taught to call a Colpits crystal oscillator although the handbook credits it to Pierce. The only slightly unusual thing about it is that feedback is taken from the screen grid. If the tube were a triode the plate would substitute for the screen.

Figure 11

Figure 11 is the only one that the handbook yielded up. It is a variation on the Colpits in which feedback is taken from the cathode. Output could be magnetically coupled from the coil in the plate or capacitively coupled from the plate.

VFO (Variable Frequency Oscillator).

It's easy to build an RF oscillator. Just start out to build an RF amplifier. That is more joke than truth although sometimes it seems as if it happens that way. It's all part of the innate perversity of inanimate objects.

Although this one sounds like a joke it's much more truth than joke. It's easy to build an RF oscillator but it's hard to build a stable one. The VFO in the Drake 2B looks exactly like Figure 6. Schematics don't show such things as the quality of the variable capacitor and the material used in the coil form. Drake gives little information about temperature compensating capacitors.

Collins is well known among my generation for its permeability tuned VFO which can't be duplicated without a rather well equipped machine shop. I could give you the schematic from the 75S1 manual but I don't know what you would do with it.

Figure 12

Figure 12 shows the circuit of a Clap oscillator. You two in the back row there, stop giggling. And the rest of you, wipe off those silly grins. The inventor of the circuit happens to have the family name Clap. Are you going to hold that against him?

This is probably the most stable oscillator ever invented. C3 and C4 are very large compared to the capacitance of the tube. The handbook recommends values of 0.001 μf but the Johnson Viking VFO used 0.005 μf caps. (I'm sure this was the most stable preSSB VFO ever made. I used one with my AM kilowatt and I could talk to sidebanders and they would never know I was operating AM unless I told them.) These large values effectively swamp out one of the major causes of drift which is changes of tube capacitance. An inductor that would resonate at 1.8 MHz with these two 0.005 μf capacitors in series would have a value of 3.13 μH. Such a small inductor would have a very low Q at 1.8 MHz. As I remember the coil in the Viking VFO I would guesstimate its inductance to be about 40 μH. It was wound on a ceramic form and would have a Q in excess of 100 and probably closer to 150. To make that coil and those capacitors resonate at 1.8 MHz a small capacitance would have to be connected in series with the coil as shown. Actually the series resonant circuit consisting of L1 and C1 would have to be tuned just a shade high to produce an inductive impedance. The reactance of the two capacitors in series is 35.37 ohms. The reactance of the coil at 1.8 MHz is 452 ohms. The reactance of C1 would have to be 452 - 35.37 = 417 ohms. That works out to a capacitance of 212 pf.

The Johnson Viking VFO.

The Viking VFO had only two tubes, a 6AU6 and a 0B2. To make it work with my globe chief I had to build a small power supply for it. It operated in the 1.75 to 2 MHz range for 160, 80, and 40 meters. For higher bands it operated in the 7 to 7.5 MHz range. Although straight through operation was not recommended I couldn't get enough drive on 40 meters with the VFO band on 160 so I had to operate it on 40. I never had any trouble with oscillation. I'm trying to remember the physical configuration of the VFO coil and capacitor. It came as a kit so I did more than just open the case and look in. I remember the variable capacitor better than I do the coil. It had two stators like a differential capacitor with one common rotor. The large stator had as many plates as the rotor and I estimate its maximum capacitance at about 200 pf. The small stator was less than half the size of the large one so it should be less than 100 pf. Maybe it was 50 pf.

I'm a little more vague on the coil. I think the coil form was about 3/4 inch in diameter and 4 inches long. I don't remember clearly if it had just one coil or two. My calculations seem to indicate it would need to have two coils of different sizes. I have estimated the inductance of the 160 meter coil as 40 μH. A little playing with the inductance formula for a single layer coil came out pretty close. The 40 meter coil would be 10 μH based on a capacitor of 50 pf. I wish I still had that VFO or at least a manual for it.

Because the coil and variable capacitor still expand when warmed up by the tube there need to be some negative temperature coefficient capacitors in the circuit to compensate for temperature changes. The two 0.005 μf caps must be NPO (zero temperature coefficient) .

Conclusion.

I haven't really tried to cover every possible circuit. The subject of quartz crystals and oscillators alone would fill a textbook. What I have tried to do is to present circuits that have been proven to work either in commercial equipment or successful home brewed receivers. There is a lot of room for experimentation both in mixer and oscillator circuits.

May your amplifiers never oscillate and all your experiments work.

Introduction
Image Rejection, IF Bandwidth, and Number of Conversions
Block Diagram
Construction Tips
Power Supply
Audio Amplifier
RF Amplifier and Preselector
Converters, Mixers, and Local Oscillators. You are here.
IF Amplifiers and Band-pass Filters
Detectors
AGC (Automatic Gain Control), and S Meter (Signal Meter)


Home


Thank you for visiting my page at Angelfire.
Please come back and visit again!

This site begun March 14, 2001

This page last updated January 27, 2016.