Communications Receivers.

The Power Supply.

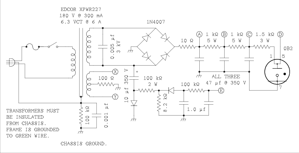
A vacuum tube receiver needs a power supply to deliver 6.3 volt usually AC for the tube heaters and 150 to 250 volts well filtered DC for the plates and screen grids of the tubes. If the power supply is not properly designed and performs badly the rest of the receiver will never work right. In the words of Mike (Mac) McCarty "The power supply is mama and if mama aint happy aint nobody happy".

So to keep everybody happy here is a power supply circuit that should power our dream receiver.

Modular Construction.

B+ Connections.

Point A is about 250 volts and supplies the plate and screen grid of the audio power amplifier tube and the plate supply of the first audio and phase inverter if one is used. Decoupling between the plate supply, screen, and first amplifier will be provided within the audio amplifier module.

Point C is filtered by two stages of RC filtering. It is approximately 150 volts and will supply the plate and screen voltage for all other tubes except the VFO.

Point D is 105 volts regulated by the 0B2 and supplies plate and screen for the VFO tube and any buffer amplifiers that may be necessary.

Point E is the approximately -40 volt negative bias supply which is required for the AGC circuit and receiver muting during transmitting.

Point B has been omitted in this version so that points C, D and E, will always be the same no matter which power supply circuit you are using.

Points X and Y are the 6.3 volt AC for the tube heaters. The center tap is grounded through a 100 ohm resistor to balance the voltage to ground and reduce hum. A resistor is used rather than a piece of wire to prevent damage to the transformer if one side of the heater transformer should accidently become shorted to ground.

Non Modular Construction.

If you are not going to take the modular approach there is no need to duplicate decoupling circuitry between the power supply and power amplifier sections.

Point A supplies the plate(s) of the output tube(s) to either the bottom of the output transformer primary or the center tap.

Point B, about 200 volts, supplies the screen grid(s) of the output tube(s), the first amplifier, and phase inverter if one is used.

Point C about 150 volts supplies all other amplifiers.

Point D is 105 volts regulated and supplies the VFO.

Points X and Y are the 6.3 volt AC for the tube heaters. The center tap is grounded through a 100 ohm resistor to balance the voltage to ground and reduce hum. A resistor is used rather than a piece of wire to prevent damage to the transformer if one side of the heater transformer should accidently become shorted to ground.

Safety Grounding.

Electrical safety has been taken to the extreme of forcing new construction to use spark detecting circuit breakers that will be tripped by a sparking thermostat in a hair dryer or an electric drill with a sparking commutator. I have to advise you to be safe so you can't say I didn't warn you. A ham station is one of the safest things around because it is connected to an earth ground that in most cases is better than the one the power company put in when the house was built. However that's not enough for some safety fanatics. So here is my advice and it's up to you to take it or leave it.

Insulate the power transformer from the chassis and connect it to the third wire ground which is usually a green wire in power cords with molded plugs or a green screw in a plug you attach to the cord yourself. If a fault develops in the power transformer the fault current will go back to the power ground as intended. The power on/off switch should be similarly isolated from chassis and connected to the power safety ground. No metal that is part of the switch should be located where the operator can come in contact with it.

The secondary is connected to the chassis which is the common return for the rest of the receiver. Just in case the receiver is operated away from the ham station ground there is a resistor capacitor parallel combination connected from the power safety ground to the chassis.

The reason the two grounds are not connected together is 60 Hz hum. When an independent ground is connected to the power ground, such as the TV cable or a ham station, relatively large current flows because there is a small potential difference between the two grounds. Although the voltage is small, so is the impedance so the current is relatively large. This will induce hum into everything including your transmitted signal. If your station happens to be located right next to the main electrical panel you may want to try using the power ground as your station ground. This may or may not work. Be prepared to sink your own ground if it does not.

I'm sure you are a sensible logical person. Use those abilities when designing your dream receiver. And above all have fun doing it.

Introduction
Image Rejection, IF Bandwidth, and Number of Conversions
Block Diagram
Construction Tips
Power Supply. You are here.
Audio Amplifier
RF Amplifier and Preselector
Converters, Mixers, and Local Oscillators
IF Amplifiers and Band-pass Filters
Detectors
AGC (Automatic Gain Control), and S Meter (Signal Meter)


Home


Thank you for visiting my page at Angelfire.
Please come back and visit again!

This site begun March 14, 2001

This page last updated January 27, 2016.