Communications Receivers.

RF Amplifier and Preselector.

The RF amplifier is an important part of any receiver. It can't be said that any part of the receiver is of less importance than any other part, except for the S meter, and some receivers operate just fine without one, an RF stage that is. However a quality receiver must have an RF stage to hear those weak DX stations on the high bands where man made and naturally occurring noise is small and the noise of the tubes must be minimized. Also the RF stage contains some tuned circuits that reduce images to a very small level and also help prevent or reduce overloading from strong signals on nearby frequencies.

On the construction tips page I promised you an RF probe circuit to help you make sure that the amplifier is working as intended. Here it is.

If you don't have anything else, you can use 1N4148 diodes but a germanium is much better. If you can get them use a replacement for a 1N270 or 1N914. If you can't get them try 1N34A. Do not use diodes intended for power rectification such as 1N4007. They have too much charge storage effect and won't work at the high frequencies involved in testing these circuits.

The first capacitor should have a voltage rating of 500 volts because it will regularly come into contact with B+. The circuit can be built on a small piece of perf board and inserted into a short length of metal tubing which you can find at the hardware store. How finished and professional it looks depends on your ingenuity. All that is required is that it works reliably and is easy enough to use that you will use it.

The DC output is approximately equal to the peak to peak value of the RF input voltage. To put it in equation form

VRFRMS = VDC / (2 sqrt 2)

This equation will become quite inaccurate at RMS voltages in the neighborhood of and below 0.5 volts.

A Real RF Amplifier.

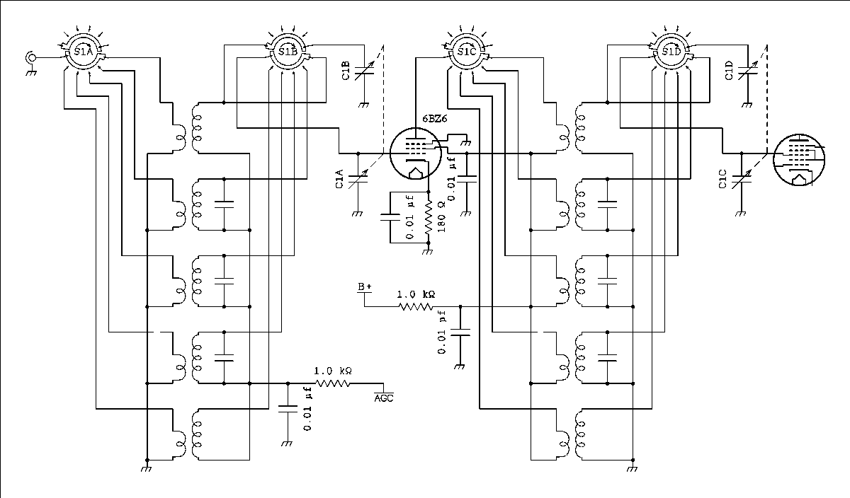
The circuit was lifted from the HQ170. It uses a 6BZ6 which is a semi remote cutoff pentode.

This tube was used in almost all tube HF ham receivers made in the 1950s and 60s. Actually I only know of three tubes with that cutoff characteristic. They are the already mentioned 6BZ6, the 6SG7 which is the old metal envelope octal based version, and the 12BL6 which is from the 12 volt car radio series. And while I am mentioning it you could build a good communications receiver using these tubes without the necessity for the lethal values of B+ required for conventional vacuum tubes.

The diagram is essentially the same for all receiver types. The interpretation is a little different. As noted above the diagram is the RF stage from a Hammarlund HQ170. This is a fixed IF, ham band only, multi conversion receiver. Although the HQ170 covers from 160 through 6 meters only 5 coils are shown, 80 through 10 meters. This decision was based on availability of switch diagrams in my schematic drawing program.

The coils should be slug tuned to permit alignment of the amplifier. Removing or adding turns can get tedious. If you can't find slug tuned coil forms for rolling your own you can alter the inductance by inserting a piece of ferrite rod into the coil and sliding it in or out. Once you find the correct position glue the ferrite in place with some kind of glue that is reversible. I think the glue that comes from a hot glue gun is such a glue. Water based silicon rubber is also reversible if you don't use too much of it. The slug is moved to calibrate the low frequency end of each band.

Each coil should have a small trimmer capacitor, no more than 30 pf, connected in parallel with it. This is for alignment of the high frequency end of each band.

Receivers of this type always had an antenna trimmer. If the antenna used does not have a 50 ohm nonreactive impedance it can alter the tuning of the first tuned circuit and the trimmer, not shown, is provided to correct for this effect.

On the 80 meter band an additional section of the tuning capacitor is switched in to give a wider tuning range. 80 meters has the widest tuning ratio of all the HF ham bands. This extra section is switched out on all other bands. All other bands except 10 meters have fixed capacitors across the coils to narrow the tuning range. The change provided by the variable capacitor is a smaller percentage change when combined with a fixed capacitor.

Manual RF Gain Control.

A manual RF gain control has been a part of every communications receiver I have ever seen or heard of. It over rides the AGC and reduces the gain of all the amplifiers in case of a very strong overloading signal or if the operator simply wants it that way. Classically this control was in the cathodes of all the amplifiers and reduced the gain by reducing the plate current in the same manner as the negative AGC applied to the grids. If you elect to use this method of gain control be sure to bypass and decouple the wiring. This is a common line that goes to all amplifier tubes and is a source through which signal from later stages can be coupled back to earlier stages causing birdies or worse, oscillation. In the SSB era the RF gain control acted in the AGC system to reduce the maximum gain while allowing a strong signal to activate the AGC if needed.

Preselector Frontend.

This diagram can also be the schematic of the frontend of a preselector tuned RF amplifier which is part of a tunable IF receiver. The tuning capacitor would most likely be a two ganged unit with no switching in and out of additional gangs of the capacitor. The fixed capacitors across the secondaries of some of the coils would most likely be omitted. A dual 365 pf capacitor from an AM broadcast receiver is a good candidate for this purpose. Both sections must be the same as opposed to some BC band variables which have one section smaller than the other.

The trimmer capacitors would only be needed on one of the sets of coils to correct small tracking errors at the high end of the tuning range. If the tracking won't come into alignment install a small fixed capacitor say 10 pf across the other coil and then see if it will come to a peak within the tuning range of the trimmer. This level of fine alignment should only be done after the mixer and crystal oscillator have been installed and the receiver is in its final geometry.

The design would be for the circuit to tune to the low end of 80 meters with the capacitor plates almost fully meshed. 40 meters would tune with the plates about half meshed, 20 meters at 1/4, 15 meters at 1/6, and 10 meters at 1/8. The inductance of the coils are in the same ratios. Coincidence? What are the ratios of the band lower end frequencies to the lower end of 80 meters? As the university textbooks always say, that's an exercise left to the reader.

If each coil's inductance was selected to tune at maximum capacitance of the variable capacitor the Q would become very low and the selectivity very poor on the high bands. All things being equal the Q of a coil is less at a given frequency as the inductance is made less by winding the coil with fewer turns.

An Alternate Tuning Method.

The Collins S-line receivers used slug-tuned coils and the slugs are run in and out of the coils as the preselector knob is turned. I think this would be very difficult for a home brewer to implement. I have seen the insides of a 75S1 and I can't think of any easy way to duplicate it. Fixed capacitors are switched in for lower bands and switched out for the higher bands. Because the S-line tunes in such small frequency bands, 200 kHz, and so many crystal sockets are provided, the designers felt it necessary to tune the plate circuit of the crystal oscillator along with the RF stage tuned circuits.

General Coverage.

The classic general coverage receivers all begin with the AM broadcast band from 540 to 1600 kHz. This is a tuning ratio of 2.96 to 1 which is about the limit for most variable capacitors. To tune this band with a single fixed inductor requires a capacitor tuning range of the ratio squared which is 8.78 to 1. So a capacitor with a maximum value of 365 pf must have a minimum value of 41.6 pf. Most capacitors of this type have a specified minimum capacitance of 30 pf. By the time you add tube and wiring capacitance the number could be met or even exceeded. Millions of AA5 radios were made that used this capacitor and covered the range successfully so it is clearly possible.

The other bands could be 1.6 to 4.5 MHz for a tuning ratio of 2.81 to 1, 4.5 to 12 MHz for a ratio of 2.67 to 1, and 12 to 30 for a ratio of 2.5 to 1. The problem with any general coverage receiver is you can't tune across your first IF. That means an IF of 455 kHz and a problem with image rejection at the top end of the highest band.

I know that the AM BC band has been extended at the high end but I can't remember if it was by 50 or 100 kHz. Let's assume the worst and say it now goes up to 1700 kHz. This increases the tuning ratio to 3.15 to 1. This increases the capacitance range to 9.91 to 1. This is not out of the realm of possibility. The next band could begin at 1800 kHz, the lower end of the 160 meter band, leaving a clear band for a first IF of 1750 kHz. This is how the Hallicrafters SX 100 delt with the problem.

Decisions, decisions, and so many choices. How to decide.

Precautions.

The one thing that RF amplifiers like to do that you don't want them to do is oscillate. You have to make sure that the coils and part of the band switch that are in the grid circuit of the RF amplifier tube can't "see" the coils and band switch section that are in the grid circuit of the mixer. I have even seen little metal plates that mount over the bottom of tube sockets to shield the grid pin from the plate pin and presumably be part of a larger shield that would isolate the entire grid circuitry from the plate circuitry. Wiring that runs to all the tubes has to be decoupled and bypassed. While filtering B+ and AGC don't forget about the heaters. Signal can be coupled on the heater wiring and cause oscillation. This can keep you stumped for days. Don't ask me how I know.

Testing.

Presumably you have built this circuit or something like it on the chassis of your receiver to be along with the power supply. You did build that power supply didn't you? Install a pot somewhere, maybe in the hole intended for the RF gain control. Wire the outside terminals from the negative bias supply to chassis ground. Connect the center terminal to the point labeled AGC in the diagram. Of course you have wired the heater, not shown, and the B+.

Insert a 6BZ6 into the socket and turn on the power. Now, if you have an oscilloscope connect its probe to the point where grid 3 of the heptode tube is shown connected. Be sure to use a times 10 probe. If you don't have a scope connect the RF probe you built and connect it to a DC voltmeter with a 1 , 2, or 3 volt range. If you observe a signal that's not good. Since I have given you just a little physical layout information I have no idea of how you did it. Check for obvious things such as forgotten bypass capacitors or unsoldered ground connections. Also make sure you haven't created any ground loops that are inducing output signal back into the input. Short the antenna connector and see if the oscillation goes away. If it does this may tell you that the oscillation is being caused by stray magnetic coupling between the antenna and RF coils. Improve the shielding between them or if you left it off in haste to make the first test, install it and try again.

Let's assume you have cured the oscillation problem or there was none to begin with. Connect your signal generator to the antenna jack and see if you can push a signal through the amplifier. Tune either the generator or the amplifier until you find something. If you calculated your inductance and capacitance values correctly the calibration shouldn't be very far off. Don't worry about aligning it at this time. The scope probe or your RF probe will throw off the alignment of the output circuit by quite a bit especially at the high end of each band. Try to measure the gain. If you have a signal generator with calibrated level output set it to some level and see if you are getting out more than you are putting in. If your generator is not calibrated try to measure the voltage across the generator's output with it connected to the amplifier. You should be getting anything from 10 to 30 dB of gain. If it is less than 0 dB you may have a problem.

Another way to test the amplifier is to wind a two turn link around one of the plate coils and connect it to the antenna connections of your existing receiver. Tune your receiver to that band and set the band switch on the amplifier to the same band. Tune the variable capacitor in the amplifier. You should hear a strong peak in the noise when you tune across the frequency to which your receiver is tuned. Connect an antenna to the input of the amplifier and listen to signals through it. You can make a rough alignment if you want to. Adjust the slug in the coil at the low end of the band and the trimmer capacitor at the high end of the band. This supposes that you have already installed a Vernier drive on the tuning capacitor and made a calibrated scale for it. Remove the link from the coil you just tested before putting one on the next coil. Test all bands of the RF amplifier in this way.

Conclusion.

I admit that I have not provided much information on how to wind the coils. I assume you know if this is going to be a preselector frontend or one that is ganged with the first local oscillator for a fixed IF receiver. First of all find the variable capacitor you are going to use. I don't mean look it up in a catalog or on line. I mean order it and hold it in your hand. If you have one of those digital capacitance meters, they are not very expensive, measure the maximum and minimum capacitance. If you are going to build a preselector use 95% of the maximum capacitance and calculate the inductance for 80 meters. Use half of the capacitance for 40 meters, 1/4 for 20 meters and so on. If you are building a general coverage receiver decide on where you want to break the spectrum into bands and calculate the inductance for each band to resonate with the maximum capacitance. If you are building a fixed IF ham band only receiver your job is not an easy one. It will pretty much depend on the variable capacitor you bought. You can always control the width of the band tuned by adding trimmer and padder capacitors but the padders will add one more wafer to the band switch for each tuned circuit. And don't forget about the local oscillator which must be made to track with the front end.

The primary of the antenna coil should be a few turns. Maybe 2 on the 10 meter band and ten times that number on the 80 meter band. The coil in the plate circuit should have maybe half the number of turns as the secondary winding for that band.

Good luck and if you decide on a receiver project let me know how it's going. Or better yet, join the fun with tubes email list and let us all know how it's going.

Introduction
Image Rejection, IF Bandwidth, and Number of Conversions
Block Diagram
Construction Tips
Power Supply
Audio Amplifier
RF Amplifier and Preselector. You are here.
Converters, Mixers, and Local Oscillators
IF Amplifiers and Band-pass Filters
Detectors
AGC (Automatic Gain Control), and S Meter (Signal Meter)


Home


Thank you for visiting my page at Angelfire.
Please come back and visit again!

This site begun March 14, 2001

This page last updated January 27, 2016.