HOME.


Designing and Building
Audio Amplifiers.

Learning LT Spice.

After putting it off for literally years I am finally making a determined effort to learn spice. Specifically, LT Spice because it is still free. It may well be the most complex, most difficult to learn, and most powerful circuit simulator around. As such it should be fairly accurate. Well, I am told that it depends on the models. Since we are having fun with tubes we need tube models for spice. I have been provided with a set of models that I am told are very good. Well why don't we see about that. I have spent hundreds of hours taking data on real circuits and posting that data on this website. Now I'm going to simulate these circuits to see how well the spice simulations match the real world data. At this writing I haven't done any simulations so I don't know how things will come out. But good, bad, or ugly, I will post them as they are without any fudging or excuses. Like this paragraph the new data will be in red.

Practical Phase Inverters,
The Heart of any Amplifier.

About This Page.

Once again I have redesigned this page. A beginning section which seems a bit off topic for phase inverters has been moved to a page of its own titled Considerations in Inverter and Driver Design.

What a Phase Inverter and Driver Must Do.

  1. Most obviously it must provide two signals of equal amplitude and opposite phase.
  2. It must deliver these signals at small and equal amounts of distortion.
  3. It must be capable of driving the grid resistors in the power stage.
  4. It must have sufficient gain to allow the application of at least 20 dB of negative feedback.
  5. It must have a wide enough bandwidth to allow Bode compensation to be applied without sacrificing the high frequency end.
  6. It must not go into overload before the output tubes and should have plenty of headroom left at the output saturation point.
  7. Finally it should have as few low frequency roll offs as practical. Zero would be ideal. (Not counting coupling to the power stage.)

I have spent many hours at the workbench trying to achieve these criteria. Many more hours were spent at the keyboard writing about my efforts to do so and how successful or unsuccessful I have been. On this page you will find only tried and true circuits.

Have a Heart.

Although some might say the output is the heart of the amplifier, a better analogy would be to say the output tubes are the lungs. That being the case the phase inverter and driver becomes the heart. Even if the output is clean as can be, a poorly designed phase inverter and driver circuit can ruin the sound. Let's see how the various classic circuits stack up.

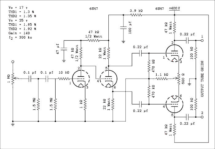
The Williamson Circuit.

The Williamson amplifier circuit was very popular through the 50s and 60s. It was developed in England and quickly adopted and adapted to American valves, er, tubes. The British version of the 6SN7 valve had slightly different characteristics than the American 6SN7 tube. A few value changes made it work as well as it had in England and the circuit was used in many commercially made amplifiers as well as home brewed projects.

The output stage usually employed tubes that were somewhat higher power than the operating point would require, such as 807s in a 25 watt amplifier. It was felt that this gave lower distortion than for a pair of tubes pushed to their limit. I have found this to be true.

The sections that made a Williamson amplifier, a Williamson amplifier, were the split load phase inverter and driver. The circuit is given below.

  • Vo = 17 V
  • THD1 = 0.816
  • THD2 = 0.575
  • Vo = 25 V
  • THD1 = 1.21
  • THD2 = 0.853
  • Gain = 134
  • f2 = 241 kc

Figure 1 Original Williamson Inverter/Driver.

For a verbal description click here.

The two RC networks at the input are to keep infrasonic frequencies from entering the amplifier. These inaudible signals, mostly from turntable rumble, eat up amplifier headroom and can lead to audible distortion.

The circuit will look familiar but different. The plate of the first amplifier is directly coupled to the grid of the split load phase inverter rather than through a capacitor. Although this saves one capacitor and two resistors, reducing component count is not the purpose of this modification. It is to eliminate one RC time constant from the signal path. The fewer there are the better global feedback will behave. In the circuits above the grid is already at a positive potential and of course so is the plate. Why not make them the same and eliminate the capacitor.

The phase splitter is followed by a push-pull triode amplifier. Those familiar with the Williamson circuit will see that I have added a modification to it. Actually I have modified someone else's modification. They had placed the balance control in the plate load of one of the triode amplifiers. A practical potentiometer has quite a lot of parasitic capacitance. Adding this extra capacitance in only one plate could cause imbalance at high frequencies even if balanced at low and mid. Moving the balance control to the cathode circuit permits use of a lower resistance pot which moves the roll off beyond the audible range. The pot in the cathode circuit introduces a small amount of degeneration and close to equal amounts of stray capacitance in both sides of the driver.

The performance is as shown in the diagram. The voltage gain is measured from input to one of the outputs. The justification for using 17 volts and 25 volts as the test levels is this. Driving a pair of 6L6s to 26 watts output requires 16 volts RMS per grid. A pair of 6550s driven to 55 watts requires 17 volts RMS per grid. A pair of 6CA7/EL34s requires 25 volts RMS per grid for 54 watts output.

Most of the distortion is taking place in the driver. With the output still set to 25 volts and measuring distortion at the output of the phase splitter it was 0.16% at the plate and 0.14% at the cathode.

Suppose you are going to build a Williamson amplifier using EL34s. The tube manual data for a 6CA7/EL34 gives 1.6% distortion at 54 watts output. Distortion does not add by simple addition but as the square root of the sum of the squares. Thus the overall distortion would be 1.9 squared + 1.6 squared equals 6.17 and the square root of that is 2.48%. 20 dB of global feedback would reduce that to a respectable 0.248%.

Now here's a real kicker! If you leave out the second 6SN7 and drive the output tubes right from the phase splitter the distortion figures are as follows.

For 17 volts, THD = 0.9% at both cathode and plate.

For 25 volts, THD = 1.3%.

With 100 k ohm resistors on the other side of the coupling caps instead of the 470 k the distortion is,

For 17 volts, THD = 0.86%.

For 25 volts, THD = 1.25%.

YOU CAN LEAVE OUT THE DRIVER AND GET LOWER DISTORTION. Of course there is not as much overall gain for global feedback. It may be necessary to add a stage before the 6SN7 to bring the gain up to a sufficient level. This stage should not contribute much distortion as it will be operating at a very low level.

The total distortion for the first part of a Williamson circuit and a pair of 6CA7/EL34s becomes 2.03%.

Redesigning the Williamson.

The above circuit is 50 years old if it's a day. I decided to try to reduce the distortion by using somewhat more modern tubes. The 6SN7 goes back to the world war II years.

I used a 12AX7 for the first amplifier. This tube performs best with a relatively high plate voltage while the direct coupling to the phase splitter wants the plate voltage to be somewhat low, ideally 1/4 of the B+ voltage.

For maximum output voltage swing the split load phase inverter needs 1/4 of Ebb (B+) across the cathode resistor, 1/2 of Ebb across the tube, and 1/4 of Ebb across the plate resistor. As the tube current decreases the cathode voltage goes down by 1/4 Ebb and the plate voltage goes up by 1/4 Ebb. As the tube current increases the cathode voltage goes up by 1/4 Ebb and the plate voltage goes down by 1/4 Ebb. They meet in the middle at 1/2 Ebb. This assumes an ideal amplifying device. Since tubes are far from ideal it is unrealistic to expect a peak-to-peak output voltage of 1/2 Ebb. The grid voltage of the inverter, and hence the cathode voltage should be somewhere in the neighborhood of 1/4 Ebb. If Ebb = 400 volts then the grid voltage of the inverter and the plate voltage of the amplifier should be about 100 volts. Let's examine how the distortion of a 12AX7 changes with the value of its plate voltage.

12AX7 Williamson First stage alone.

Vo = 10 v RMS. Ebb adjusted to achieve desired Eb.

Real Circuit. Spice Simulation.
Eb Distortion.
Rk = 4700
Rb = 240 k
Distortion.
Rk = 1000
Rb = 270 k
Distortion.
Rk = 1000
Rb = 100 k
Eb Distortion.
Rk = 4700
Rb = 240 k
Distortion.
Rk = 1000
Rb = 270 k
Distortion.
Rk = 1000
Rb = 100 k
80 2.9 2.55 6.0 80 1.61 0.779 1.58
100 1.75 1.38 2.80 100 1.29 0.743 1.12
120 1.2 0.86 1.5 120 1.07 0.593 1.27
140 1.05 -- 1.00 140 0.923 -- 1.07
160 0.96 -- -- 160 0.802 -- --
180 0.86 -- -- 180 0.708 -- --
200 0.78 -- -- 200 0.633 -- --

For the 270 k ohm plate load the reason I stopped taking data is because my power supply didn't go high enough. I think the Fluke must have been out of service and the Heathkit only goes up to 400 volts. To get the plate voltage of the tube up to 140 volts would have required a power supply of 413 volts. Until I discovered this by the simulation I was wondering why I stopped where I did. Now I know and so do you. For the 100 k ohm resistor their just didn't seem to be a reason to go any farther.

These results confirm what I had been told that the tube models are not very good for low plate voltages and low currents.

As the above makes clear a 12AX7 is not happy with a low plate voltage. We can cheat a little and push up the voltage to about 120 volts but power dissipation in the phase inverter's cathode and plate resistors limits just how far we can go with this.

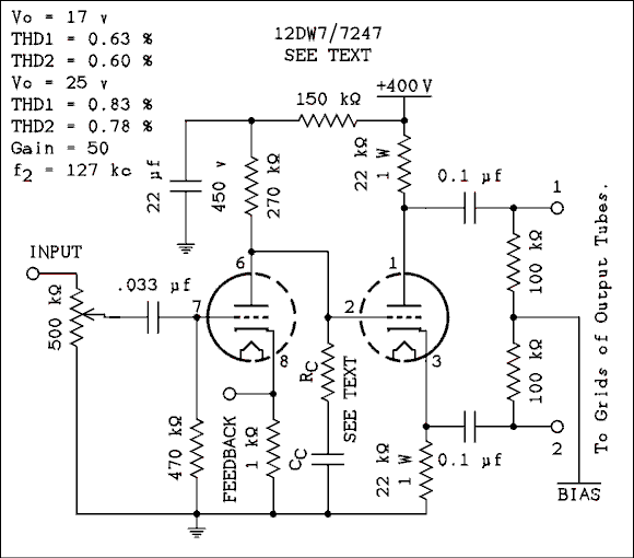
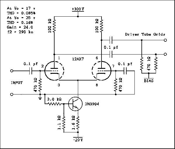
What the Heck is a 12DW7?

  • Vo = 17 V
  • THD1 = 0.933
  • THD2 = 0.200
  • Vo = 25 V
  • THD1 = 1.34
  • THD2 = 0.334
  • Gain = 135
  • f2 = 290 kc

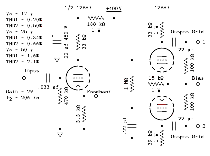
Figure 2 Improved Williamson Inverter/Driver Circuit.

For a verbal description click here.

It's a duo triode in which one is like a 12AX7 and the other is like a 12AU7. I am told it was designed for the jukebox industry which only used one amplifier and needed the tube for the amplifier and phase inverter. In fact the functional description in my Sylvania tube manual gives it as "Amplifier and phase inverter".

Since most of us are building stereo amplifiers we can use a 12AX7 for the amplifier tubes in both channels and a 12AU7 as the phase inverter in both channels. If you want to build monoblocks, you will just have to spring for the 12DW7/7247 which is available from AES.

The circuit.

It's almost identical to the older Williamson circuit. Self balancing cathode coupling has been sacrificed to allow cathode degeneration to reduce distortion. More cathode feedback has been introduced than would be allowed by the resistance necessary for the proper bias. High gain is not required in this stage. Most of the gain comes from the first 12AX7-like triode.

Cc and Rc are frequency compensating components. They need to be adjusted to match the output transformer which is being used. They prevent oscillation or ringing at high frequencies caused by phase shifts in the output transformer at high frequencies. Typical values are 15 k ohm and 82 pf. Start with these values, drive the amplifier with a square-wave and adjust the values up or down to minimize or eliminate ringing.

Like the old Williamson this new one can do without the 12BH7 driver. Rough measurements gave, at 17 volts the distortion directly from the split load phase inverter is 0.6% and at 25 volts it is 0.9%. Only slightly higher. The gain under these conditions is 52. These numbers make it worth a figure.

  • Vo = 17 V
  • THD1 = 0.613, * 0.893
  • THD2 = 0.613, * 0.893
  • Vo = 25 V
  • THD1 = 0703, * 1.07
  • THD2 = 0.703, * 1.07
  • Gain = 53.1, * 69.2
  • f2 = 296 kc, * 520 kc
Schematic diagram.

Figure 3 Improved Williamson Inverter Without the Driver Circuit.

For a verbal description click here.

* 1k resistor bypassed by 100 uf capacitor.

Here we see an undesirable effect of leaving off the cathode bypass capacitor which I don't think I have mentioned in all the writing I have done on the subject. The missing capacitor allows current feedback which increases the effective output resistance of the stage. That combines with stray capacitance to lower the upper frequency limit. I have observed this effect in real circuits. Above you can see that putting the capacitor back increased the bandwidth as well as slightly increasing the distortion. Negative feedback can still be introduced by connecting a 10 ohm resistor in series with the capacitor and applying the NFB at that point. Now we are getting somewhere. The gain is high enough to give a sensitivity of 3.18 volts for 26 watts from a pair of 6L6s with 20 dB of feedback, there is only one RC low frequency roll-off inside the feedback loop, and distortion is low enough to have little significance compared to the distortion in the output tubes. Although I haven't built an amplifier using this circuit I think I will sometime in the future.

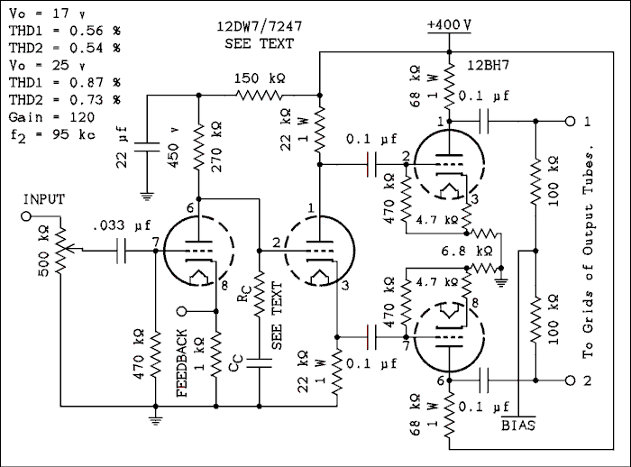
The Long Tail Pair.

A phase inverter circuit often used in high fi and guitar amplifiers in the 1950s and 1960s is the long tail pair. This is in current terminology a differential amplifier. The one shown below is a direct coupled version and is a variation of one used in a commercial amplifier that had cathode loaded output stages. It had to be capable of delivering 50 volts RMS per grid at a reasonable distortion level.

  • Vo = 17 V
  • THD1 = 0.168%, * 0.614%
  • THD2 = 0.463%, * 0.946%
  • Vo = 25 V
  • THD1 = 0.283%, * 0.901%
  • THD2 = 0.699%, * 1.40%
  • Vo = 50 V
  • THD1 = 1.28%, * 1.94%
  • THD2 = 1.72%, * 2.95%
  • Gain = 28.4, * 63.6
  • f2 = 324 kc, * 748 kc
Schematic diagram.

Figure 4 Direct Coupled Long Tail Pair Phase Inverter.

For a verbal description click here.

* Cathode resistor bypassed as above.

This is not a split load phase inverter but the original phase inverter which obtained the inversion by passing the signal through one more stage. This version overcomes the common mode rejection problem by applying feedback to a single ended stage before the inverter part of the circuit.

Note that the asymmetry of distortion has diminished from about 7 to 1 to about 2 to 1. In spite of the remaining asymmetry it was used by many amplifier manufacturers, particularly Eico, in some amplifiers which sounded very good. Perhaps unbalanced distortion is not as important as I believe it to be. However, I still am not comfortable with this condition.

The DC plate voltage on the first 12BH7 is applied directly to the grid of the upper triode in the LTP (long tail pair) and to the grid of the lower triode through a low pass filter consisting of the 1 Megohm resistor and 0.22 uf capacitor. This places both grids at the same DC potential while applying signal only to the grid of the upper triode. The 15 k ohm resistor in the cathodes sets the plate current to the correct value for proper operation.

The AC signal which is applied to the grid of the upper triode causes a variation of plate current as in a normal amplifier. This varying current, which is in phase with the grid voltage, flows through the cathode resistor as well as the plate resistor. The varying current in the cathode resistor causes a voltage variation which is in phase with the grid signal. This voltage is directly coupled to the cathode of the lower triode in the LTP. The grid of the lower LTP triode is grounded for AC through the 0.22 uf capacitor. This makes it a grounded grid amplifier.

In normal Class A operation the grid has a negative DC bias on it. In this case the grids are at about 90 volts while the cathodes are at about 100 volts. When the AC signal drives the cathode of the lower triode more positive the grid and cathode are becoming farther apart. This is an increase of the bias which results in a decrease of plate current. We see that the plate current in the lower triode is out of phase with the plate current of the upper triode. If they were exactly equal they would completely cancel and there would be no voltage variation at the cathode to change the bias on the lower triode and there would be no plate current variations. Oops? This contradiction means that the plate current variations in the lower triode are not as large as those in the upper triode. To have the same output voltage from both triodes in the LTP the load resistor of the lower triode must be slightly larger than the load resistor for the upper one.

Lets look at it from the standpoint of current. The upper tube is producing cathode current. Some of this alternating current flows to ground through the 15 k ohm resistor and the rest enters the cathode of the lower tube. If you write the equation IR + IV2 = IV1 you see that the currents in the two tubes are 180 degrees out of phase. If there were a device that had infinite impedance for AC while still passing DC the alternating currents in the two tubes would be equal and the load resistors could be made equal. The larger the common cathode resistor, the better the balance.

This version also contains two low frequency roll-offs. The two 0.22 uf caps looking into 100 k ohm resistors make up one and the other is the 1 Meg and 0.22 in the grid of the lower tube. As this network rolls off the same signal will begin to be applied to both grids. Although there will still be a considerable amount of in-phase signals applied to the two grids of the outputs, they will be cancelled in the output transformer. This causes a low frequency roll-off and the accompanying phase shift inside the feedback loop. It is possible to design a long tail pair that will do better than this.

LTP With Transistor Current Sink.

  • Vo = 17 V
  • THD1 = 0.0978
  • THD2 = 0.0977
  • Vo = 25 V
  • THD1 = 0.216
  • THD2 = 0.216
  • Gain = 29.9
  • f2 = 2.13 Mc
 Schematic diagram.

Figure 5 Long Tail Pair with Transistor Current Sink.

For a verbal description click here.

No, I haven't lost my mind. Anything I might say to defend my use of a transistor is going to sound like rationalization. It's there, learn to live with it. It makes a very constant current sink. This is the device mentioned above that has infinite AC impedance while passing DC current. It yields a circuit with a very high common mode rejection ratio, although not infinite, and low distortion.

Here is how it works. Lets say the collector current tries to increase. The emitter current will also try to increase which makes the drop across the 1.6 k ohm resistor increase. Because the base voltage is held very constant by the voltage divider of the 3 k and 1.1 k ohm resistors the bias on the base-emitter junction will be decreased. This will decrease the base current and cancel out most of the collector current increase. The collector current has to change by a small amount to make the base current change, but the change is very small. The collector current is 3 mA and most 3904s have a current gain of more than 100 so the base current is about, or less than, 30 microamps. The divider current is 4.88 mA. The base current is 0.615% of the divider current.

As you can see the distortion was very low, much lower than I had expected. Also the distortion at both outputs was very similar. When feedback was simulated the balance remained perfect. The distortion changed though. The plate on the left gave 0.09% while the right hand plate gave 0.175%. This low level of distortion means the distortion imbalance can be disregarded. The transistor can have an overload problem. My first design only used a 12 volt negative power supply and I had to re-engineer it for a -20 volt supply. If I were going to use this circuit I think I would go up to a -30 volt supply.

Now Let's Do It With a Tube.

  • Vo = 17 V
  • THD1 = 0.127
  • THD2 = 0.126
  • Vo = 25 V
  • THD1 = 0.183
  • THD2 = 0.183
  • Gain = 27.9
  • f2 = 2.0 Mc
 Schematic diagram.

Figure 6 Long Tail Pair with Pentode Current Sink.

For a verbal description click here.

Three points about spice. I don't have a model for the 6BH6 and so I had to use a 6AU6. In the real world the 6AU6 gave higher distortion when used as the current sink as compared to the 6BH6. Spice didn't like the plate of a pentode connected directly to two cathodes. It didn't complain when the sink was a transistor but who can tell. Connecting a 10 meg ohm resistor from the node where the two cathodes and plate come together cured the problem. Obviously no such precaution is necessary in the real world. The upper frequency -3 dB point is pretty far off. It just shows to go you that you can't put total faith in spice. It isn't always right.

I selected a pentode rather than a triode because a pentode by its nature is a current sink and the control grid will not have to do as much to make it into one. The 6BH6 was the best tube in this application. The resistor in the cathode works exactly like the resistor in the emitter circuit above to regulate the current and hold it constant. The -70 volt supply MUST be regulated with zener diodes for low noise and stable performance. I often use two or three diodes in series to make up the exact voltage I need for a particular purpose.

As you can see the distortion figures are much lower than would ever be needed. When feedback was simulated the left hand plate gave 0.15%, and the right hand plate 0.19% distortion. This looks like the one I would recommend and use myself.

It has one major drawback. It will not drive 100 k ohm grid resistors in the following stage. If fixed bias is to be used in the output tubes they must be driven by direct coupled cathode followers. That is an additional complication along with the negative regulated power supply. If one wants to build the highest quality amplifier with no compromises this circuit might be used along with regulated screen grid voltages as in the 6L6 monoblock amplifier. This phase inverter would, without a doubt, give a good account of itself in a cathode biased amplifier although the negative power supply would still be necessary for the negative voltage for the cathode of the 6BH6.

Traditionally Applied Feedback.

Negative feedback in audio amplifiers is all but universally applied to the cathode of the first stage after the last user adjusted control, usually the volume or channel balance control. The Williamson circuit is ready made for this connection and there is plenty of gain. The direct coupled long tail pair also has an available cathode for the application of feedback. The gain of 50 is a little on the marginal side but is still enough. However, the current sink long tail pair is a little short on gain.

Now We Need a Preamplifier.

If you run Figure 6 through the feedback program using 20 dB of feedback, 6L6 outputs, and an 8 ohm speaker, you find that it needs 6.685 volts of input to drive it to full power. That's a bit much and so it would be a good idea to use an amplifier outside the feedback loop to bring up the input. If you want 1 volt to drive to full power then you need a stage with a gain of 6.685. If you want to use the classic line level of 1 milliwatt in a 600 ohm load (0.7746 volts) You would need a gain of 8.63. Here is an amplifier stage that will give a fairly wide range of gain at
very low levels of distortion.

You may be wondering why I have gone for such low distortion while I didn't indicate it was that important above. This amplifier is NOT meant to be inside the global feedback loop. As such it needs to have an inherently low distortion level because nothing is going to improve it later.

Happy building and good luck. Keep watching, there will be more in the future for the builder or the curious experimenter.


Next; An Amplifier Test Bed.

Previous; Distortion in RC Amplifiers.

Home

Or use your "Back" button to return to where you were.


Thank you for visiting my page at Angelfire.
Please come back and visit again!

This site begun March 14, 2001

This page last updated Tuesday, July 09, 2019.