This project has been promised for more than a year. It has finely come into existence. The basic idea is this. To determine the best operating point for a particular combination of tubes and output transformer we need the following.
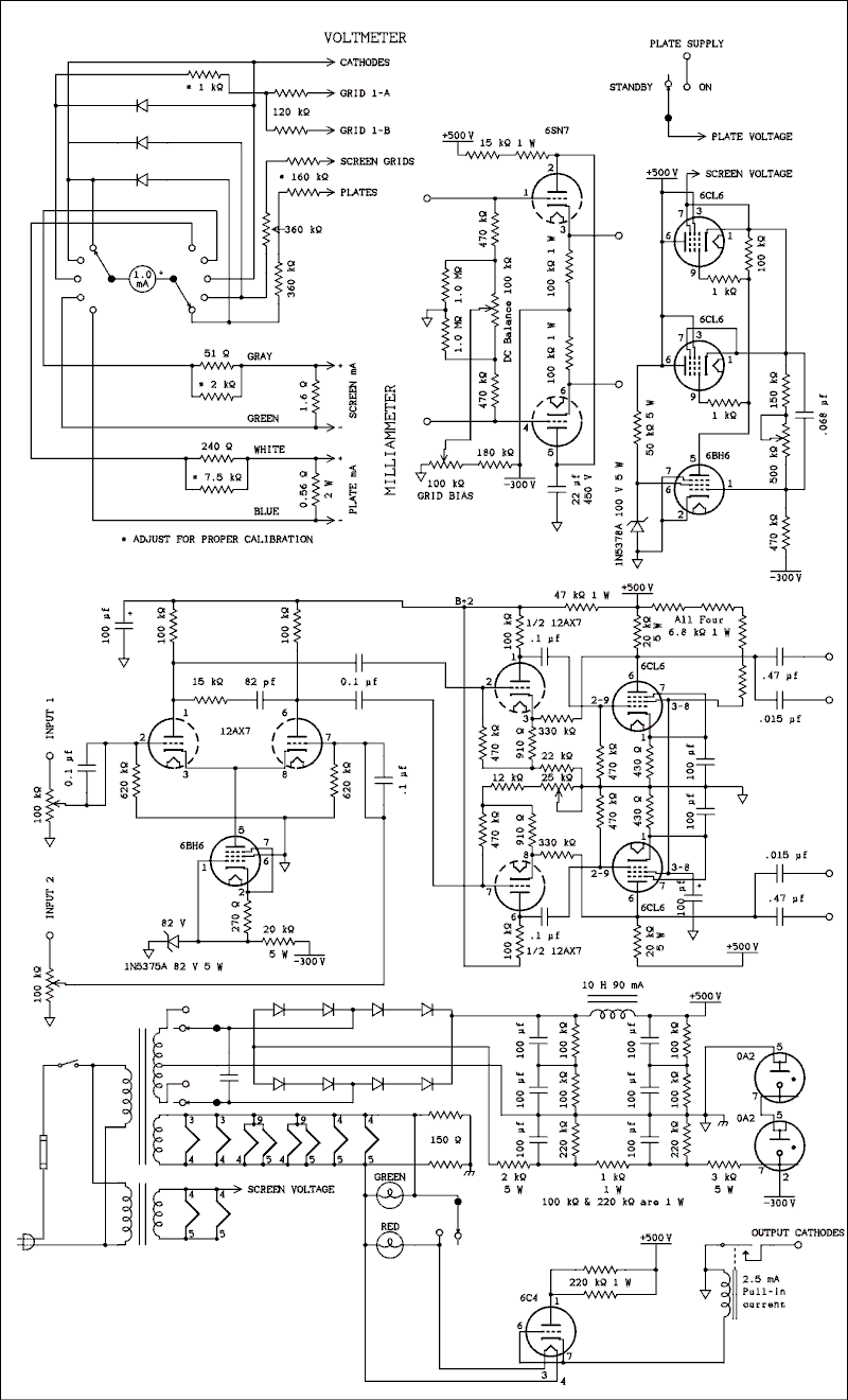
I don't expect that many, or any, of you will want to duplicate this project. It doesn't seem to be the thing that folks would be beating a path to my door to figure out how to build. I have used many parts that I had on hand and some are pretty much one of a kind. For example the top plate which is a sheet of 1/16 aluminum measuring 19-1/2 by 10-1/2 inches. You could use the bottom plate from a 10 by 17 inch chassis. With a little careful planning you could likely squeeze it into the smaller space. I will give some information so anyone who is interested can get started. Here is the schematic.
- An extremely low distortion inverter/driver so it will not effect the overall distortion level.
- The capability to independently adjust the grid bias, screen voltage, and plate voltage.
- Metering of grid, screen, and plate voltage, plus plate and screen current.
- One switch to turn all voltages, except heaters, on and off at the same time.
- Easy temporary mounting of the output transformer.
For a verbal description click here.
Mechanical Construction.
As mentioned earlier the top plate is a 19-1/2 by 10-1/2 by 1/16 inch aluminum sheet. I reinforced the edges with pieces of 1/8 by ¾ aluminum angle stock available at a hardware store.I live in a town that is still trying to shed it's small town image and become a city. Many things are still hard to find that those who live in large cities take for granted. If I can buy something in a local store here, you shouldn't have any trouble finding it there.You could always use a chassis bottom plate obtained from Antique Electronic Supply as your top plate. The front panel is a 5-1/4 inch high standard 19 inch rack panel I had on hand. The strip across the back that holds binding posts and input jacks is a piece cut off of a 19 inch rack panel many years ago. The power supply on the left side is built on a piece cut from a chassis bottom plate. The front panel was new, still in its original paper wrapping but I have had it for years. Almost everything else was recycled from earlier projects which were taken apart or never completed.Built-In Power Supply.
For ease of use the power for the low distortion driver, control grid bias, and screen grid bias, are derived from in internal power supply. The positive side is a rather conventional capacitor input C-L-C filter. Because the supply delivers about 600 volts under no load conditions each capacitor consists of two 100 microfarad 450 volt capacitors in series. The 100 k ohm 1 watt resistors ensure that the voltage will be equal across the two caps. The negative side of the supply features two 0A2, 150 volt gas discharge regulators in series to provide a stable source of negative 300 volts. The power supply should NEVER be operated with these tubes unplugged. If this were to be done the voltage across the capacitors in the negative side of the filter would be above their rated voltage. It is likely they would be damaged or worse explode.Heater voltage for all the permanent tubes is also provided. The two 6CL6s in the screen voltage regulator require their own heater transformer so the heaters can be kept at the same potential as the cathodes and avoid exceeding the maximum heater to cathode voltage.
The .002 uf 6kV capacitor is to suppress switching transients that may be generated when the STANDBY/ON switch is thrown. Although I couldn't find room to put it in the schematic, there is another one across the transformer as well as the one across the bridge.
Heater and plate voltages for the output tubes being tested are provided by an external power supply. I am using a Fluke model 407 DR.
Low Distortion Inverter/Driver.
The low distortion high output driver that you have seen before is part of the schematic diagram above. It came out almost as good as the breadboarded version. The distortion at 50 volts and below is .09% instead of .08. When the cathode follower is added the distortion goes up a bit to .2%. Distortion is lower at the level of drive for 6L6s or 6550s. It still goes up to 145 volts at 1% distortion. Tube manual values of distortion in power stages are around 2% for push-pull amplifiers and anywhere from 5 to 10% for single ended circuits. There shouldn't be enough distortion in the driver to mask the difference between various power amplifier configurations.The two inputs are so that negative feedback may be applied around the amplifier. The 18 k ohm resistor and 82 pf capacitor are to provide compensation for the output transformer inductance at high frequencies. These values may have to be changed for different transformers. The first time this was tried there was low frequency oscillation of the circuit. Addition of the 0.015 coupling capacitors cured it. Because this is a breadboard the 0.47 caps were left in place. The .1 mike caps in the inputs were also contributing to low frequency instability. Rather than removing them I placed jumpers across them. If I should ever need them again, all I need to do is unsolder the jumpers.
Control Grid and Screen Grid Voltages.
The screen grid voltage supply is a full blown closed-loop regulator circuit using a 6BH6 and two 6CL6s. The voltage can be adjusted from approximately 100 to 400 volts. It gets its reference from the negative 300 volt supply. If the negative part of the power supply should fail, both the control grid bias and the screen grid voltage will be removed preventing damage to the power tubes being tested.The control grid bias is derived from the negative 300 volts through a voltage divider and potentiometer. It is fed to the grids of a cathode follower. The grid circuit also contains a DC balance control for equalizing the plate currents of a push-pull amplifier.
The Metering Circuit.
The metering circuit is built around a 1 mA meter movement. I would have preferred to use a 100 or 50 microamp one but I didn't have one in my stash that would fit in the panel space available. There are three voltmeter positions, two 0 to 500 volt for plate and screen and a 0 to -60 for the grid bias. There are also two current ranges, 0 to 500 mA for plate current and 0 to 60 mA for screen current.The diodes are to prevent the voltage across an open position from rising to the possible maximum of 500 volts. When a position is selected the voltage drop across the meter is far below the forward breakdown of the diode so It has no effect on the meter accuracy. An additional reason for the diodes is so the load which the meter presents to whatever it is connected to will not change when a different meter switch position is selected.
You may be puzzled by the two inputs for the grid bias voltage. When a push-pull amplifier is being tested the two inputs are connected one to each grid. The meter then reads the average voltage of the two grids. This matters if the balance control needs to be set far to one side to achieve balanced plate currents. If only one voltage is to be measured both inputs should be connected to the same point. The polarity of the meter is automatically reversed for the negative bias reading.
The Standby/On Switch.
All DC voltages are switched on and off by a 4 pole 2 position switch labeled standby/on. One of the poles is used to turn a red light on and off to indicate that high voltage is present. Two of the poles open the connections between the ends of the transformer's high voltage winding and the inputs of the bridge rectifier. This cuts off both positive and negative voltage from the built-in power supply. The remaining pole is used to interrupt the path between the external high voltage input on the back, and the point where the output transformer B+ lead connects.This is to avoid repeating a recent incident in which I turned off the plate supply but inadvertently left the screen grid supply on. When this happens in a power pentode the screen current goes much higher than rating and the screen grids melt down. The results of this slip-up was to ruin a brand new pair of 6146s. There'll be no repeat of that with this breadboard.
A post construction feature which has been added is the delay relay. In practice when the high voltage switch was turned on the plate current of the output tubes kicked high often exceeding 500 mA. This is caused by the charging current of the coupling capacitors which cause the grid bias to go more positive than the normal value for a few seconds before it settles down. The delay relay grounds the cathodes of the output tubes approximately 8 seconds after the switch is thrown.
When the high voltage is turned on, heater voltage is applied to the 6C4. The steady state plate to cathode voltage of the tube is about 30 volts. The 110 k ohm resistor in the plate limits the current through the relay coil and tube to a safe value. I selected the tube out of 4 6C4s by plugging them cold into the tube tester and timing with a stopwatch which one arrived at the center of the yellow in the shortest time.
Temporary Mounting for Output Transformers.
On the right side of the unit are two horizontal strips of 1/8 by ¾ inch aluminum. There are holes in the vertical pieces (legs) so the top strip can be moved up and down in ½ inch increments. The many holes drilled in each strip were planned, along with the vertical spacing, to accommodate the Hammond line of output transformers although they should fit almost any output transformer mounting hole spacing.
Connecting the Parts.
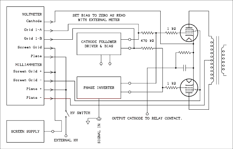
Here's how the various parts are connected for various jobs.
For a verbal description click here.
In the above diagram the AC signal and DC bias are buffered by the cathode followers. The followers are directly coupled to drive the output tubes. The bias and DC balance controls are in the grids of the followers. The signal comes in at the jack labeled SIGNAL IN and passes through the phase inverter and high voltage output stages. These have DC blocking capacitors in their outputs. Signal is coupled to the cathode follower inputs where the AC signal is mixed with the DC bias and balance voltages. The cathodes are directly coupled to the output tube grids. The 1 k resistor is a good idea to ensure that the output tubes will not oscillate.
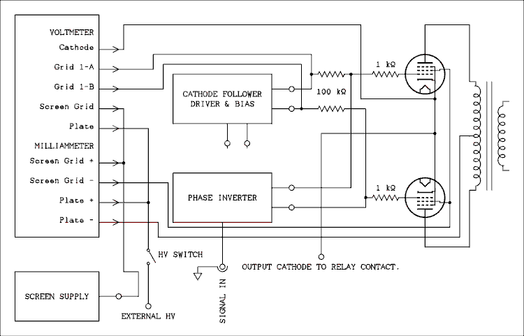
For a verbal description click here.
In this connection the cathode followers are not in the signal path. They are used only to provide bias and balancing voltages. The 100 k ohm resistors are not part of the permanent construction on the chassis but must be added as a part of the circuit being tested. The AC signal goes streight from the high voltage drivers to the grids of the output tubes. There are capacitors in the output circuit of the phase inverter so it is not necessary to add them to the circuit.
For a verbal description click here.
Finally, we have a cathode biased circuit. The meter will still indicate the bias voltage because of the way it has been connected. An external voltmeter must be used to adjust the bias control so the output of the cathode followers is zero. The DC balance control will still have some effect on the output amplifier. Alternatively the 470 k ohm resistors can be connected to ground instead of the cathode follower outputs. The grid 1-A and grid 1-B voltmeter terminals should also be connected to ground. If this is done the DC balance control will not have any effect on the circuit.If you plan to use a tube such as a 6AS7G/6080WA, (I do,) the range of the voltmeter on the bias setting will have to be extended. Connect a 180 k ohm in series with a 10 k ohm from ground to the two grid 1 terminals. This will convert the bias scale to 0 to -250 volts and can be read by reading the 0 to 500 scale and dividing the reading by 2.
Next: Experiments with a Triode Power Amplifier.Previous; Phase Inverter/Driver, the Heart of an Amplifier.
Or use your back button to return to where you were.
This page last updated January 20, 2006.