Learning LT Spice.
After putting it off for literally years I am finally making a determined effort to learn spice. Specifically, LT Spice because it is still free. It may well be the most complex, most difficult to learn, and most powerful circuit simulator around. As such it should be fairly accurate. Well, I am told that it depends on the models. Since we are having fun with tubes we need tube models for spice. I have been provided with a set of models that I am told are very good. Well why don't we see about that. I have spent hundreds of hours taking data on real circuits and posting that data on this website. Now I'm going to simulate these circuits to see how well the spice simulations match the real world data. At this writing I haven't done any simulations so I don't know how things will come out. But good, bad, or ugly, I will post them as they are without any fudging or excuses. Like this paragraph the new data will be in red.Distortion in Resistance
While designing the Amplifier Test Bed I observed some evidence that suggested that leaving the cathode bypass capacitor off did NOT improve the distortion figure of an RC amplifier. The actual reference is in Phase Inverters under All About Audio Amplifiers.
Coupled Gain Blocks.I have soldered up a circuit on one of my metal chassis breadboards and as I type these words I don't know what the outcome will be. Let's start with a 6SN7 circuit.
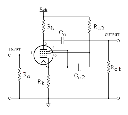
Triode Amplifier.
![]()
For a verbal description click here.
I have chosen a set of operating conditions from the resistance coupled amplifier chart in the back of my Sylvania tube manual. The values from the chart along with the measured values are summarized in the table below.
6SN7
Quantity
DescriptionSymbol (Units) From RC
ChartMeasured
With
Capacitor.Measured
Without
Capacitor
Same Input.Measured
Without
Capacitor
Same Output.Plate
Supply
Voltage.Ebb (Volts) 250 - - - Plate
Load
ResistorRb (k ohms) 47 - - - Following Stage
Grid ResistorRcf (k ohms) 100 - - - Cathode
ResistorRk (k ohms) 1.5 - - - Gain Av 14.8 15.7 8.8 8.7 Input
VoltageVin (Volts) 1.0 1.0 1.0 1.8 Output
Voltage.Vo (Volts) 14.8 15.7 8.8 15.7 Total
Harmonic
Distortion.THD (%) 1.4 1.75 0.56 0.98 Gain
LT Spice.Av - 14.57 8.47 8.48 Input
VoltageVin (Volts) - 1.0 1.0 1.719 Output
Voltage.Vo (Volts) - 14.57 8.47 14.57 THD
LT Spice.THD (%) - 2.12 0.743 1.28 After the bypass capacitor is removed the gain is reduced so there are two ways to make the test.
- Keep the input voltage the same as given in the chart,
- Keep the output voltage the same.
So far so good. Let's try another tube type.
6SL7
Quantity
DescriptionSymbol (Units) From RC
ChartMeasured
With
Capacitor.Measured
Without
Capacitor
Same Input.Measured
Without
Capacitor
Same Output.Plate
Supply
Voltage.Ebb (Volts) 250 - - - Plate
Load
ResistorRb (k ohms) 100 - - - Following Stage
Grid ResistorRcf (k ohms) 270 - - - Cathode
ResistorRk (k ohms) 1.8 - - - Gain Av 40 37 18 18 Input
VoltageVin (Volts) 0.1 0.1 0.1 0.203 Output
Voltage.Vo (Volts) 4.0 3.7 1.8 3.7 Total
Harmonic
Distortion.THD (%) 0.6 0.53 0.14 0.27 Gain
LT Spice.Av - 37.92 19.46 19.46 Input
VoltageVin (Volts) - 0.1 0.1 0.1949 Output
Voltage.Vo (Volts) - 3.792 1.946 3.792 THD
LT Spice.THD (%) - 0.402 0.146 0.221 What we see is that if the input is held constant, the distortion is very drastically decreased. If the output is held constant, the distortion is still reduced by a significant amount.
We also see that the effect works for low mu (amplification factor) triodes as well as high mu triodes. The effect should transfer as well to a 12AU7 or a 12AX7.
Pentode Amplifier.
The results previously found indicating there was no benefit from removing the cathode bypass capacitor came from a pentode tube. Here are new data for a 6AU6 that show there is a benefit.
For a verbal description click here.
I found to my shock that I had failed to state the component values used. The gain from my data is 225. In the RC table there are two colums that give gains of 250 and 205. The table values of distortion are 1.1 and 3.4 respectively. The spice simulation values for the table conditions are 240 and 194 with distortions of 1.58 and 2.42. The numbers seem to be closest for the values given in the list below.
- Rb = 270 kΩ
- Rc2 = 680 kΩ
- Rcf = 470 kΩ
- Rk = 1.0 kΩ
- Cc = 0.1 μf
- Ck = 100 μf
| Cathode Resistor Bypassed |
Screen Grid Bypassed To |
Vin | Vout | Gain | Distortion |
| Yes | Ground | 0.1 v | 22.5 v | 225 | 3.8 % |
| Yes | Ground | 0.0425 v | 9.6 v | 226 | 0.72 % |
| No | Cathode | 0.24 v | 22.5 v | 93.8 | 1.8 % |
| No | Cathode | 0.1 v | 9.6 v | 96 | 0.35 % |
| No | Ground | 0.32 v | 22.5 v | 70 | 4.7 % |
| No | Ground | 0.1 v | 7.35 v | 73.5 | 0.32 % |
| Cathode Resistor Bypassed |
Screen Grid Bypassed To |
Vin | Vout | Gain | Distortion |
| Yes | Ground | 0.1 v | 24.06 v | 240.5 | 1.580% |
| Yes | Ground | 41.13 mv | 10.11 v | 245.8 | 0.590 % |
| No | Cathode | 239.74 mv | 24.06 v | 100.4 | 0.660 % |
| No | Cathode | 0.1 v | 10.11 v | 101.1 | 0.264 % |
| No | Ground | 333.7 mv | 24.06 v | 72.1 | 2.58 % |
| No | Ground | 0.1 v | 7.341 v | 73.41 | 0.668 % |
Next; Phase Inverter/Driver, the Heart of an Amplifier.
Previous; A Low Distortion Gain Block.
Or use your "Back" button to return to where you were.
Thank you for visiting my page at Angelfire.
Please come back and visit again!This site begun March 14, 2001
This page last updated Sunday, June 30, 2019.