Fun With Transistors.
Base Detector.

I set out to make a base leak detector* but it didn't perform very well. I tried to make a collector detector+ and its performance surprised me almost to the point of disbelief.

*   A circuit analogous to the vacuum tube grid leak
    detector would logically be called a base leak detector.

+   A circuit analogous to the vacuum tube plate detector
    would logically be called a collector detector.

The chief problem is, it isn't really analogous to the plate detector. In both the tube and FET version (Drain Detector) the quiescent plate (drain) current is quite small. In this transistorized version the collector current is sufficient to pull Vce down to about 2/3 of Vcc.

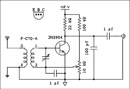
At first glance it's hard to see where the rectification is taking place. The voltage applied to the base, DC + RF, is relatively stiff compared to the base current. In a common emitter amplifier with these conditions there is a great deal of second order distortion of the input wave. Second order distortion produces a strong second harmonic but along with that there is also a strong DC component as the trigonometric identity for sine squared of X tells us. The detection has to be taking place in the base circuit. It is caused by the extreme curvature of the base-emitter I-V characteristic just after conduction begins. Here's the circuit.


 Schematic diagram.

For a verbal description click here.


Start out with the pot set at the center of rotation. Tune in a station and adjust the pot for best sound. Find a weak station and touch up the setting for best sensitivity.

This turned out to be a much more sensitive detector than I had ever thought. In the daytime the station who's towers I can see totally dominates, being at 930, it pretty much wipes out the whole band. At night it goes to low power and/or directional. It is actually weaker than the station on 1340 that is several miles away. That leaves the low end of the band to hear distant stations. At night WSM 650 in Nashville comes in clearly. Nashville is 55 miles south of here and I think the WSM transmitter site is several miles south of the city. Between WSM and the local on 930 I can hear faint stations trying to break through. They are probably WSB, WWL and the like.

There is some hum, quite a lot really, from the power supply on the breadboard. See the photo on the Drain Detector page. Operating the circuit from A 9 volt battery cleaned that up and made those weak stations more audible.

That's about all there is to say. Have fun with this surprising little circuit. I know I will.


Home


This page last updated August 4, 2006.