Chapter 8   Faults in Vacuum Tube Circuits.

8.1 Audio Amplifiers.
8.2 Radio Receivers.


Chapter 8.

Faults in Vacuum Tube Circuits.

A large segment of the electronics community considers vacuum tubes to be an obsolete and useless technology. Another large and growing segment considers them to be superior to transistors in many applications. To name just a few they are, musicians who play electric instruments, audiophiles, hams and SWLs, and hobbyist and experimenters.

Musicians and audiophiles prefer the sound of tubes over transistors. Hams and SWLs find that a tube receiver will outperform a transistor receiver of comparable complexity and price. Electronics hobbyists, especially the older ones, prefer the point to point wiring construction used in conjunction with tubes as opposed to the printed circuit boards of transistors.

Many items of tube equipment are more than 50 years old which qualifies them as antiques. If one of these items turns up on your service bench how it is treated depends on whether it has not been turned on for several decades or if it was in daily use and suddenly failed to operate. The latter case is covered in This chapter.

If an item is brought to your shop by a tearful owner who states that he or she used to listen to it at age six and asks you if you can make it work again even though it may have been stored in a damp basement or hot attic for the last 50 years you are definitely on the hot seat. Such an item requires special care. An entire chapter will be devoted to such items. There is bound to be some duplication between this chapter and the one concerning Antiques. However, this chapter is what it is.

For additional information on tube amplifier and radio circuits see The Fun with Tubes website. Also see Electronics for Non-Engineers particularly chapter 4A.

Back to Fun with Transistors.
Back to Fun with Tubes.
Back to Table of Contents.
Back to top.

8.1 Audio Amplifiers.

The largest segment of the tube culture consists of musicians and audiophiles. The amplifiers they use differ in a few details but are basically the same.

Power Supplies.

Tube aficionados disagree on whether it is best to use a tube as the rectifier or silicon diodes. Tube rectifiers have a large internal voltage drop and the drop changes with current being drawn. When the power output stage is operating in class AB the power supply voltage will fall when the amplifier is delivering large amounts of power. The term applied to this is sag. Many musicians find the sound produced by sag to be desirable.

Silicon rectifiers do produce a small amount of sag but it is very much less than that occurring with a vacuum rectifier. Some extremists will state they can tell the difference between the sound of an amplifier using a tube rectifier and silicon even at low power. Personally, I don't believe them.

Whichever type of rectifier it has the power supply should always be checked first.

Heater Wiring and Schematics.

Tube heaters and filaments must be connected to a source of power or the tube will just sit there and not do a thing. Draftsmen have three basic ways of showing these connections.

The most obvious is to draw the lines from the power source to the tube. This is more likely to be seen in circuit diagrams showing filament type tubes rather then indirectly heated cathode tubes.

Another way to indicate heater connections is shown in Figure 8.1. The letter X is used to indicate that the power source is indeed connected to the tube heater even though it is not shown with lines on the drawing.

Figure 8.1 Heater Connections Indicated By the Letter X.

For a verbal description click here.

The third way is to show the heaters separate from the tubes as shown in Figure 8.2. In this method it is easier to show the heater connections in a duo triode such as the 12AX7. The circuit on the left shows parallel connection while the one on the right shows series connection.

Figure 8.2 Heater Connections Indicated By Removing the Heater From the Tube Symbol.

For a verbal description click here.

Single Ended Amplifier.

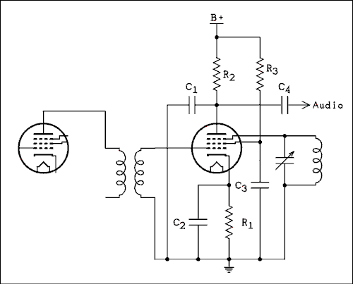
A single ended amplifier is about as simple as it gets. A typical example of a musical instrument amplifier is shown in Figure 8.3.

Figure 8.3 Single Ended Amplifier.

For a verbal description click here.

This would be a low power practice amplifier. V1 is a 12AX7 and V2 a 6V6. In another incarnation as a desk top amplifier for a portable CD player the V1A stage would be removed and the signal fed in at the top of the volume control. Another 6V6 would be added and the other half of the 12AX7 would be in the other channel.

A common fault in tube amplifiers is evidenced by the plate of the output tube, 6V6 in this case, glowing red hot. This is not a normal condition. There are two possible causes and they are both capacitors. If C8 shorts the grid bias on V2 will be reduced to zero and excessive plate current will flow. The other defect is for C6 to become leaky. This is a resistance in parallel with the capacitor and it doesn't take much leakage current to cause problems. A leakage current of 25 micro amps will approximately double the plate current of V2. This is an effective parallel resistance of 6 meg ohms.

If the amplifier is producing weak and distorted sound you may suspect a tube. Eliminate this fault by replacing both tubes with known good ones. If this fixes the problem go back to the old tubes one at a time to see which one is at fault.

If new tubes don't fix it look for a resistor that has increased in value or a leaky capacitor. These can usually be found by voltage measurements. Do not use a VOM for these measurements. The resistance of the VOM will severely load the high resistance voltage points. The plate voltages on those tubes with resistors in the plate circuit will be approximately from 1/2 to 3/4 of the voltage at the top end of the plate resistor. Grid voltages should always read zero or perhaps a few millivolts on the lowest range of a DMM.

Another fault that would silence the amplifier would be R5 or R9 open or C2 or C5 shorted. These will be evidenced by the voltage across either or both C2 and C5 being zero. If the voltages across C2 and C5 are zero the fault could be either C5 shorted or R9 open. An ohmmeter test with power off should find which is the fault.

If the voltage across C2 is zero this could be caused by C2 shorted or R5 open. The question can be resolved by the voltage across C5. If the voltage across C5 is higher than normal there is less current than normal flowing through R9. That points to R5 being open. If the voltage across C5 is lower than normal there is more current flowing through R9 than normal which points to C2 being shorted.

Unformed electrolytic capacitors are usually not found in new equipment. Faults unique to antique electronics will be covered in a chapter devoted to that sub class.

Negative Feedback. (NFB).

A musical instrument amplifier often does not employ negative feedback. NFB sharpens the overload corner so an amplifier without it will overload more gracefully than one that has it. Distortion which is anathema to audiophiles is often a desirable effect to a guitar player. But it needs to be a particular kind of distortion. Simple sharp clipping is usually undesirable.

If NFB were to be applied to this amplifier one side of the voice coil winding would be grounded and the other side connected through a resistor to the cathode of V1A. C4 would be removed or a 100 ohm resistor would be connected in series with it. The tone control circuit consisting of R8 and C7 would have to be removed. If the tone control were left in place the NFB would reduce its effect to the point of being almost unnoticeable.

Push-Pull Amplifiers.

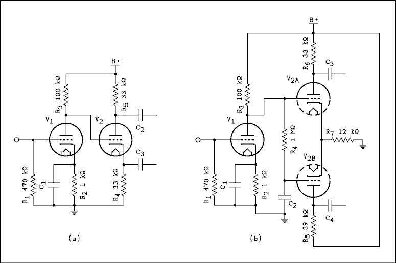
To make a push-pull power output amplifier work properly the two grids must be driven by signals that are 180 degrees out of phase and equal in amplitude. That is accomplished through a circuit known as a phase inverter. Examples of the two major types of inverters are shown in Figure 8.4.

Figure 8.4 (a) Split Load Phase Inverter, (b) Long Tail Pair Phase Inverter.

For a verbal description click here.

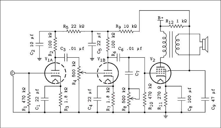
Circuit (a) is known as a split load phase inverter. As shown it is often made with a low μ duo triode such as a 6SN7. Another variation uses a high μ triode for V1 and a low μ triode for V2. Yet a third variation connects a capacitor between the plate of V1 and the grid of V2. The V2 stage is biased the same way as the modified cathode follower shown in Figure 4A.17(b). All but the last variation can be upset by a change in the power supply voltage. A fault elsewhere in the amplifier could be responsible for a power supply voltage change and mislead the repair technician.

If the power supply voltage is correct check DC voltages around the circuit. The voltage at the plate of V1, also grid of V2, should be approximately 1/4 to 1/3 of the B+ supply. The voltage drops across R4 and R5 should be equal with the remainder of the B+ voltage dropped across V2. The capacitor across R2 may be omitted to permit negative feedback to be applied.

The circuit shown in Figure 8.4(b) is known as a long tail pair. V1 is usually a high μ triode while V2 is a medium or low μ duo triode. Signal is coupled directly from the plate of V1 to the grid of V2A. The signal is inverted and appears at the plate of V2A. Some of the signal is coupled from the cathode of V2A to the Cathode of V2B and then to the plate of V2B. In this signal path V2A acts as a cathode follower while V2B acts as a grounded grid amplifier. Both configurations do not invert the signal. The signal appears at the plate of V2B without being inverted. Thus the two signals at the two plates of V2 are 180 degrees out of phase. The signal path through V2A and V2B has slightly less gain than the signal path through V2A alone. The increased value of the plate load resistor on V2B, R5, compensates for the difference in gain. R4 makes certain that the voltages at the two grids of V2 are at the same DC potential. C2 grounds the grid of the grounded grid amplifier V2B. A very slight leak in C2 will imbalance the circuit and increase the distortion.

The voltage at the plate of V1 should not be too much greater than 1/4 of B+. The voltage drops across R5 and R6 should not differ by anymore than 20%. If there is a large imbalance it is most likely caused by R4 or C2.

Figure 8.5 Complete Push-Pull Amplifier.

For a verbal description click here.

The figure above shows variation 3 of Figure 8.4(a). It also shows how NFB is applied to the circuit. The output transformer must be phased, correctly connected, to obtain negative feedback instead of positive. This amplifier suffers all the same failure modes as the single ended amplifier except there is more to go wrong. Push-pull amplifiers are found more often in audiophile equipment whereas single ended amplifiers are more likely to be found in musical instrument amplifiers. This rule is broken when the musician wants more power. Many instrument amplifiers such as those made by Fender do use negative feedback and push-pull outputs.

Back to Fun with Transistors.
Back to Fun with Tubes.
Back to Table of Contents.
Back to top.

8.2 Radio Receivers.

The All American Five.

The All American Five represents a triumph of the bottom line over quality and safety. It was the radio that the Atwater-Kent company went out of business rather then make. Every feature had one purpose, to reduce the cost of manufacture. After World War II there were millions sold under hundreds of brand names from Admiral to Zenith.

It is called the All American Five because all brands were made in America. This was long before the mass exodus of the electronics industry. The five comes from the fact that it used 5 tubes. There were variations using 4 tubes which didn't perform very well and 6 tubes which costs more. The average person who didn't stay up late to see how many distant stations they could hear (known as D X ing) didn't care about the improvements provided by 6 tubes. Consequently the All American Five became a post war standard which did not fade away until replaced by the All Japanese Six, the six transistor radio made in Japan.

The most prominent feature of the AA5 was that it had no power transformer. The result was that the circuit common was connected to one side of the power line. Because there was no polarized plug there was a 50 - 50 chance that the radio's chassis would be connected to the hot side of the power line. Very late models from the sixties were carefully designed not to have any metal parts on the outside even going so far as to recess screws in deep holes. In the 40s and 50s there was no such concern on the part of manufacturers. It was common to see chassis mounting screws exposed on the bottom of the plastic case. These radios could be, and sometimes were, lethal. All it would take was for an unwary person to complete the circuit between a metal part on the radio to a kitchen sink. I once owned one that was in a metal case. My friends and I called these radios "suicide boxes".

Because these radios were made literally by the millions there are still many of them around and in working order. The odds are better than even that one which has been in regular use by a nostalgic owner will be brought to your service shop.

Figure 8.6 A Typical All American Five Radio.

For a verbal description click here.

These radios came in two main varieties, the octal tube versions built mostly between 1946 and 1950, and the 7 pin miniature tube type built between 1950 and fading out in the late 1960s. I have seen a few hybrid radios that must have been made in the transition period and the designers used whatever tubes were priced the lowest by the tube manufacturer.

The tube line up was as follows.


Function Octal tube. 7 pin mini tube.
Converter 12SA7 12BE6
IF Amplifier 12SK7 12BA6
Detector and First Audio 12SQ7 12AV6
Audio Power Output 50L6 50C5
Rectifier 35Z5 35W4


Radios of this type constitute a real danger to you and your test equipment. You don't want to join the "great balls of fire" club by burning off the ground lead of your oscilloscope probe or worse.

The safest way to work on a radio of this type is to use an isolation transformer. You need at least 36 watts to be on the safe side. You could gin up an isolation transformer out of two 6.3 volt 6 amp filament transformers connected back to back, that is the two filament windings connected together and the two 120 volt windings used as the primary and secondary of the isolation transformer. You could also use a pair of 12.6 volt 3 amp transformers or a couple of 25.2 volt 1.5 amp transformers. Larger current rating wouldn't hurt, smaller is not recommended.

If you just can't arrange an isolation transformer refer ahead to Chapter 9 where you will learn how to rewire the radio with a polarized plug or GFI to make it safer to work on.

If you are determined to live dangerously and there is nothing I can say to dissuade you here is some advice that will help you work a little more safely. Plug the radio into an outlet strip that has a switch. Temporarily solder a jumper wire across the radio's on/off switch so it can't be accidently turned off. Measure the AC voltage between the cathode of the 12SQ7 or 12AV6 and AC power ground. If it is 120 volts reverse the plug and don't change it while working on the radio. Use the switch on the power strip to turn the radio on and off while making tests.

Troubleshooting.

The most likely symptom is a loud hum which comes up as the tubes warm up. The loudness is not or very slightly affected by the volume control. Sometimes you can actually tune in a station and hear it through the hum. This is caused by the electrolytic capacitor in the power supply being dried out. It can't be reformed or recovered in any way. It must be replaced. The circuit above shows a duo 40 microfarad 150 volt capacitor. In most radios these will be a bit smaller. I have seen ones as small as 20 - 20. They may be 20 - 30, 20 - 40, 30 - 40, or 30 - 30. If you can't find the exact replacement use something that is close. You can go up in value but you should never go down. Same goes for voltage.

None of the tubes light up and there is no sound. All of the tube heaters are in series. One opens up and they all go out. Pull the tubes and perform resistance measurements on the heaters. They should range from roughly 20 to 85 ohms. Replace the burned out tube.

Tubes light up but there is no sound. It's time to do a little disturbance testing and half splitting. Turn the volume control to about 2/3 rotation. Touch a screwdriver tip to the center terminal of the three on the side of the volume control. Touch a finger to the metal shaft of the screwdriver. You may or may not hear a loud hum. You have just half split the radio. A hum means the audio section is fine and the trouble is in the Converter, IF, or detector. No hum means trouble in the audio section.

If you've got hum touch the screwdriver blade to the grid pin of the IF amplifier. No need to touch the screwdriver shaft. If you hear static the IF amplifier is good and the problem is most likely that the oscillator is not running. Use a high resistance DC voltmeter to measure the voltage at grid 1 of the converter tube. You should get a voltage ranging from -2 to -20. It will vary slightly as you tune across the band. In an AA5 sitting on my bench I read approximately -10. If you have an authentic VTVM it will measure this voltage without any major errors. A DMM may or may not work. One way to ensure that it will is to wrap one lead of a 1 meg ohm resistor around the probe or clamp it in the alligator clip. Use the other lead as the probe to touch the terminal. The reading will be about 10% low but you aren't worried about accuracy, you just want to know if the voltage is present.

If there is no static when touching or scratching on the IF amplifier grid terminal, or the oscillator is not running, check DC voltages on the IF and converter tubes. A zero plate voltage might well be caused by an open IF coil. Zero plate and screen voltages will likely point to a shorted bypass capacitor.

If you have the equipment you may find signal injection or signal tracing to be more fun. To do signal injection make absolutely sure the signal generator has a DC blocking capacitor in its output. If it does not, modify the equipment or use one externally held in an alligator clip test lead.

Set the generator for audio output and touch the lead to the plate of the output tube. Turn the amplitude up to full. You should hear a weak tone in the speaker. Move the probe to the grid of the output tube. If the output tube is functioning properly you'll get a blast of sound. Reduce the amplitude to a normal level and move the probe to the grid of the first audio tube. You'll get another blast. Turn it down again and move to the top of the volume control.

Now change the generator to modulated RF and tune it to the frequency of the IF in the receiver you are working on. 455 kHz in the case of an AA5. Touch the probe to the plate connection of the two diodes in the detector. Some AA5s use only one of the diodes for audio detection. You should hear the modulated tone on the RF generator. Touch the probe to the plate of the IF amplifier. You should still hear the tone at about the same strength. Now move to the grid of the IF amplifier. The tone should grow much louder and require you to reduce the output. Rock the frequency of the generator a little to be sure you are tuned in exactly on the IF. An older set may have drifted a little off frequency or been miss-aligned by a previous owner or technician. Move the probe to the plate of the converter tube. There should be no significant change in the amplitude of the tone. Now move the probe to grid 3 of the converter tube. Although the tuned circuit is off from the frequency you are injecting you should still hear something just by brute force injection. You would hear this tone even if the oscillator is not running.

Now tune the generator to the band that the receiver is tuned to. Tune the generator around to see if you can find it. If not, the oscillator is likely not running.

There can be a number of reasons for a non running oscillator. The oscillator coil could be open. The 22 k ohm resistor, or its equivalent in your receiver, could be open. The 220 pf capacitor, or its equivalent in your receiver, could be either open or shorted. The tuning capacitor could be damaged and the plates may be touching shorting it out.

Other Types of Radio Receivers.

Not all tube radios that still work are AA5s. There are console radios that use a conventional transformer power supply. All the tube numbers begin with a 6 and all are in parallel across the 6.3 volt transformer winding. The rectifier is sure to be a tube maybe a 5Y3 or if the audio section produces some power a 5U4. If the radio has shortwave bands, and most tube consoles did, clean the contacts on the band switch. Switches that don't make reliable contact are a major cause of malfunctions in such radios. The main feature that distinguishes these radios from an AA5, other than the power supply, is an RF stage before the converter.

There are also many receivers that were intended for use by hams and serious SWLs (Shortwave Listeners). These receivers were made by National, Hallicrafters, Hammarlund and others. The more deluxe ones of these had a first If somewhere above the AM broadcast band and a second IF below it. These are called double conversion receivers. The very top of the line receivers made in the 1950s were triple conversion.

No matter how complex they may be the basic principles are the same as those of the AA5. Conversion to an Intermediate Frequency (IF), amplification, and detection.

Alignment.

Aligning the IF amplifier in an AA5 is about as straight forward as it gets. Set a signal generator to 455 kHz and turn on modulation. Connect the generator's output to grid 3 of the converter tube. Connect a VTVM set to AC to the plate of the output tube.

WARNING!!! There is a high DC potential at this point. The classic VTVM included a DC blocking capacitor to allow this measurement to be made safely. A DMM or Transistorized analog meter might have a low voltage capacitor or might not have one at all. If this is the case connect the meter across the speaker terminals.

Some top of the line radios from the 30s made by Zenith and others used stagger tuned IF transformers. If you try the procedure below you will really mess them up. Get hold of a service manual for such radios. It will have alignment instructions.

If you have an AA5 on your bench go ahead with this procedure. Set the volume to a comfortable listening level and adjust the range of the meter to get a good reading. Gently turn the trimmers or slugs in the IF cans. Adjust all for maximum reading.

For Antenna and oscillator tracking alignment the loop antenna can easily be thrown out of resonance by direct connection of a signal generator to the antenna circuit. You may be tempted to use the external antenna connection, usually just a wire sticking out of the back of the radio, as a connection point for your signal generator. DON'T DO IT!

Make a transmitting loop antenna by driving a few small nails into a piece of plywood. Make the shape circular or oval which ever strikes your fancy. Wind several turns, say 4 or 5, around the nails. Place the board so the transmitting loop is parallel to the loop in the radio and at least a foot away from it. Connect the output of your signal generator to the transmitting loop and turn up the amplitude until you can find the signal on the dial of the radio. Note: If you have a good ear you can use a local station for this part of the alignment.

Tune to the high end of the band and adjust the oscillator trimmer so the dial is in calibration. Adjust the antenna trimmer for strongest signal.

If the oscillator coil has no adjustment slug the alignment is complete. If it does, continue.

Now tune to the low end. It is difficult although not completely impossible to do this part of the alignment with a station instead of a signal generator. Set the generator's frequency to about 600 kHz or a nearby spot which is clear of a local station. Turn the radio's tuning knob to bring in the signal generator. There is no way to adjust the inductance of the loop antenna. Read the voltmeter and turn the slug in the oscillator coil until the signal is off tuned. Turn the tuning knob on the radio to bring the signal back in. Read the meter again. If it is less you turned the slug the wrong way. Turn it the other way and tune the signal again Keep doing this until you get the highest signal possible. This is known as rocking the oscillator. If it is something you do frequently you will develop a rhythm in which you are almost turning the slug and tuning knob in unison.

Go back to the high end and if necessary touch up the oscillator trimmer for dial calibration and antenna trimmer for strongest signal. A small table radio such as an AA5 usually does not need repeated iterations of this procedure. Put it back in the case and send it home.

Shortwave and Communications Receivers.

The short wave bands on an AM radio may require more attention. You should not attempt alignment of these bands without an accurately calibrated signal generator. A service manual is always a good idea but if you don't have one you can likely figure out which adjustment goes with which band if no other way than by trial and error. If the latter is necessary be sure to mark the adjustments so you won't get confused and turn an adjustment on a band which has previously been aligned.

Start at the high end. Choose a frequency that is near but not at the high end of the band. Something that is about 20 degrees of rotation of the variable capacitor from the top. Adjust the oscillator trimmer for proper calibration and the antenna trimmer and if the radio has an RF stage the RF amplifier plate trimmer for maximum signal.

Now go to the low end but not the bottom. Once again about 20 degrees off the low end. Adjust the slug in the oscillator coil for proper calibration and the antenna and RF coil slugs for strongest signal.

Now go back to the same frequency you used at the high end and repeat the dial calibration and strongest signal adjustments. Back to the low end and repeat. Go back and forth until the adjustments stop needing to be changed.

Never, never, never, never, attempt alignment of a communications grade receiver without a service manual or a lot of experience. Of course, if you have a lot of experience you will be writing your own book instead of reading mine.

Car Radios.

Car radios are only slightly different from other AM radios. Four major differences are; Car radios are with few exceptions tuned by variable inductors rather than variable capacitors, the intermediate frequency is 262.5 kHz, the B+ is derived from a vibrator power supply, and the radio will always have an RF amplifier stage.

The hardest part of repairing car radios is getting them out of the car and then back in after repair is complete. A typical transistor bench power supply may not have enough current capability to power a tube car radio. If all else fails you may have to take the battery out of the car and bring it into your shop. If you do, BE WARE OF SHORT CIRCUITS! A car battery can deliver enough current to heat a test lead instantly red hot and set the insulation ablaze. In-line fuse holders are available from electronics suppliers and you should by all means get one and fuse the battery. You could use a smaller battery such as one for a motorcycle or riding lawnmower. Even these should be fused.

If you frequently work on car radios I would recommend the construction of a battery eliminator as they were called in the day. Use one or more filament transformers, a bridge rectifier, a BIG filter capacitor, and a Variac.

In some cases the speaker is mounted in another part of the car, such as in the dash above the radio and was not removed with it. But any small speaker can be substituted for troubleshooting purposes.

One complaint may be that there is excessive ignition noise and generator hash in the radio. This problem is very difficult to troubleshoot because it can't be tested outside of the car. Power is fed into the radio through feed-through capacitors which in car radio parlance are known as spark plates. A spark plate is a square of metal which is connected to the hot power lead and insulated from the radio chassis with a sheet of mica. There is little to go wrong with such a device except corrosion at the point where the power lead connects to the plate. Here we have a wide open opportunity for finger pointing. The radio repair man will say the fault is in the car while the mechanic will insist that the radio is at fault.

I have no direct experience with functioning car radios either in or out of the car, except for listening. If there are any experienced troubleshooters out there who would like to write a section on this subject be sure to get in touch with me. There's no pay, just credit.

The Vibrator and Buffer Capacitor.

The problem you are most likely to encounter is trouble in the vibrator power supply. The problem may be the vibrator itself or the buffer capacitor which is connected across the secondary of the transformer.

There are two main types of vibrator circuits used, Figure 8.7(a) is an external rectifier type and figure 8.7(b) is a synchronous rectifier type.

Figure 8.7 (a) Uses a Rectifier Tube, (b) Uses Extra Contacts to Accomplish Rectification.

For a verbal description click here.

Note: * Some cars in the tube era used positive ground instead of negative ground. OEM radios were properly designed for the make and model of car they were intended to fit. Some aftermarket radios were universal while others were not. This would be a problem for the troubleshooter only if someone has tried to fit an aftermarket or wrong model into a vintage car. Such an event is unlikely for a vintage car restorer. More on battery polarity later. End of note.

A vibrator is nothing more than a fast relay. You can wire any small DC relay so its coil is energized through a normally closed contact. As soon as you apply the power the relay armature will change states opening the normally closed contact and interrupting the current to the coil. The contact will close reenergizing the coil and causing the contact to open again. This is an electromechanical oscillator. With most relays it will only operate at about 10 cycles per second. A car radio vibrator has been designed so the armature has a mechanical resonance at approximately 100 Hz where it operates.

The vibrator could be arranged to just turn the 6 or 12 volts of the car's electrical system on and off to form a square wave but it would have a DC component of ½ the supply voltage. This DC component would saturate the core of the transformer making it necessary to design the transformer with a larger core cross section. Rather than do that the transformer primary has a center tap which prevents a DC magnetic field from appearing in the core. The positive, or negative, of the car battery is applied through a filter consisting of an inductor and capacitor to the center-tap of the primary. The purpose of this filter is to keep vibrator hash out of the heaters of the tubes and causing interference. The vibrator contacts alternately connect the top and bottom ends of the primary to ground.

You will note that the vibrator coil is connected to the bottom of the primary which does not allow the current through the bottom half to drop completely to zero. Perhaps the primary has been wound to allow for this or maybe it just doesn't make any real difference.

Note: The circuit above shows the vibrator coil being energized from one of the contacts that also serves to switch the transformer. Some vibrators have been designed to use a separate contact for the coil which keeps coil current from flowing in the transformer. This connection is made inside the vibrator can and is invisible to the repair technician. Research has shown that a majority of radios were designed as shown above.

This continuous switching causes an alternating magnetic field to be induced in the core of the transformer which causes an alternating voltage across the secondary. The secondary has more turns than the primary so the voltage is stepped up. The capacitor which is shown connected across the secondary combines with its inductance to form a resonant circuit at the frequency of the vibrator. This attenuates the higher harmonics of the square-wave and makes it closer to a sine-wave. This gives higher peaks and hence more B+ and makes the vibrator work more smoothly.

Back in the day this was called a buffer capacitor and was a frequent cause of trouble. In fact it failed more often than the vibrator. This capacitor carries a considerable alternating current which common radio capacitors are not normally called upon to do. Replacement with an X or Y rated capacitor might be a good idea if space permits.

If the vibrator is bad you are not up the creek although vibrators have not been made for several decades. A Google search will turn up many DIY vibrator circuits as well as companies making silicon replacements. I have not included any links here because like bananas they have a way of going bad over time.

As shown in Figure 8.7(a) the rectifier tube is a 0Z4. This is a gas filled cold cathode type which is no longer available. I am told there are occasionally some on eBay but one can never tell if tubes from that source are good or not. I recommend removing the tube and soldering silicon diodes to the socket terminals. In a number of other places I have strongly recommended against this practice but the 0Z4 is an exception. Unlike a vacuum diode its forward voltage drop is a nearly constant 14 volts. The slight increase in B+ voltage resulting from silicon replacements is not significant enough to cause trouble.

If the radio is from a 6 volt car you might be tempted to replace the 0Z4 with a 6AX5 and extend the heater wiring to the tube. The two plates and cathode use the same pins in both tubes. The heater current for the 6AX5 is 1.2 amps which will add this much current to the total radio current draw. Also the voltage drop across a vacuum diode is much greater than that across the gas filled diode it replaced. The B+ will be much lower which may adversely affect the performance of the radio. There is doubt in some circles that the 6AX5 would stand up to the vibration experienced by tubes in a car radio. Silicon diodes are the best replacement. If you don't want to solder them in you can destroy a bad octal tube and mount the diodes in the empty socket.

This circuit will deliver a positive B+ regardless of the polarity of the DC input voltage. As long as the designer didn't use the car battery voltage for bias somewhere such a radio should be universal with respect to positive or negative ground.

Synchronous Rectifier.

The circuit of Figure 8.7(b) is of a synchronous rectifier vibrator. Another set of contacts on the vibrator switches the secondary to the reservoir capacitor eliminating the need for any sort of electronic rectifier. The timing of the second set of contacts has been adjusted in the design so switching takes place when the current is zero. The advantage of this circuit is that there is one less component to fail and the disadvantage is that there are 3 more contacts in the vibrator to fail. The synchronous vibrator was also more costly to manufacture offsetting the cost of the rectifier tube.

The most important difference between this circuit and the external rectifier circuit is that the "B+" will have the same polarity as the car battery. If this circuit were to be used in a positive ground car either the primary or secondary leads of the transformer would have to be reversed. But not both. As this would not be considered by the manufacturer as a field adjustment the radio would be made for either positive ground or negative ground and substitution would not be possible. It is conceivable that a service switch could be added to the design which would reverse the leads of the transformer primary. But there is another set of contacts to shake loose and cause trouble.

The construction techniques used in a car radio are meant to withstand the heavy vibration that a radio in a car is likely to encounter. You will find things like hold down straps and springs, loops in wires that may seem unnecessary, and devices meant to hold the tubes in their sockets. The loops in wires are to prevent tension in wires that cause them to break under vibration and temperature extremes. DO NOT REMOVE ANY OF THESE SPECIAL FEATURES.

Other than that a car radio is pretty much a standard radio. The same troubleshooting techniques and failures as an AA5 apply.

One thing that might be overlooked is the antenna trimmer. It is a screwdriver adjustment which is accessible from the outside and is usually located next to the antenna jack. To properly adjust it extend the antenna to full height and tune in a weak station near the center of the band. If no suitable station can be found power line noise can be used. Adjust the trimmer for maximum volume. Remember to use a plastic alignment tool rather than a metal screwdriver. The AGC in car radios is designed to work very well making it impossible to hear any change on a strong station when adjusting the trimmer.

Hybrid Car Radios.

My web research resulted in radios for hybrid cars rather than hybrid radios for cars. Why can't Google give you exactly what you want instead of exactly what you ask for.

A hybrid car radio is one that uses both tubes and transistors. In most examples found the pleural use of tubes was correct but the pleural for transistors was not. Hybrid car radios used 4 tubes and one transistor.

Hybrid radios for cars were produced in a very narrow time window. Research on the web resulted in spotty information at best but it appears that the first radios that used space charge tubes were produced in 1958 and the last model year to use tubes in car radios was 1962.

Space charge tubes have a very special design that permits them to operate with plate voltages as low as 12 volts. Such tubes were designed to function in a radio as the RF amplifier, Converter, IF amplifier, Detector, and First audio amplifier. In the early days of the transistor age these are the functions which transistors did rather poorly as evidenced by the performance of table and portable transistor radios from those years. Customers' expectations for the performance of car radios were, and still are, much higher than for home radios. A car radio which would not easily bring in out of town stations during the day and distant stations at night would not be accepted.

The only thing that these 12 volt tubes could not do was deliver audio power measured in watts, as opposed to milliwatts. On the other hand audio power in the single digit watts range was about the only thing that transistors of the day could do well. So the logical answer was to combine 12 volt tubes with an audio power transistor and that was exactly what was done.

The high impedance of the post detection triode was stepped down by a transformer to the low impedance of the power transistor's base. Another larger transformer matched the collector of the transistor to the speaker and they had a working radio that didn't need a vibrator to operate.

In my web research I saw someone in a forum suggest that switching transistors took the place of the mechanical vibrator in tube car radios. I have doubts that this was ever done outside of the R and D lab.

If one of these vibrator-less hybrid radios lands on your bench the output transistor is most likely to be at fault. These were PNP germanium transistors which did not stand up well to high temperatures. The only radio of this type I have had my hands on was missing its speaker and output transformer so I junked it out. The transistor did not have a very effective heatsink. Germanium transistors are still available but they cost an arm and a leg. Substitution of a silicon transistor is possible but some reengineering will be necessary. Since both input and output are transformer coupled a change from PNP to NPN would be feasible.

FM did not appear in car radios until FM stations started playing pop and country music which was sometime in the mid 60s. By then transistors had completely supplanted tubes in most all radios including those for cars.

FM Receivers and Tuners.

Alignment of an FM receiver will be discussed after some circuit information. There are only two differences between an FM receiver and an AM receiver. The frequency range and the type of detector. The receiver tunes a range of 88 to 108 MHz and the IF is 10.7 MHz. The IF bandwidth is about 200 kHz as opposed to 15 kHz for an AM broadcast band radio. The higher frequencies make the coils much smaller but the basic principles are the same. The FM detector is another story.

FM Detectors.

There are three main types of FM detectors. The Foster-Seeley Discriminator, the Ratio detector, and the Quadrature detector. Of these the first is almost never used because it has poor AM rejection and must be preceded by very hard limiters.

The ratio detector has very good AM rejection and low distortion. It was used in most high fidelity tuners and receivers in the tube era.

The Quadrature detector was developed by RCA in an attempt to get around the patents of Edwin Armstrong. The detector was used in almost all TV sets both color and monochrome. Because of the very poor sound reproduction of tube based TV sets I had never thought of this detector as high fidelity. When I had the pleasure of working on a Citation tuner I found to my surprise that it used a Quadrature detector. If the Citation used it, it must have been a pretty good detector.

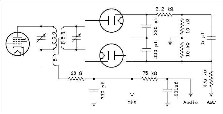
The Ratio Detector.

Below is the circuit of the Ratio detector used in the Stromberg-Carlson model SR-402 AM FM tuner. For a detailed discussion of the operation of the ratio detector
click here. Use your back button to return here.

Figure 8.8 A Typical Ratio Detector.

For a verbal description click here.

This was a pre multiplex stereo model however it was on the horizon. There was an extra jack on the back which was labeled detector that mirrored the main audio output. Modifying it to bring pre de-emphasis signal to this jack was very simple.

There are no large currents or voltages in this circuit which reduces the probability of component failure. Resistors and capacitors can simply fail from old age. The most likely one to fail from this cause is the 5 μf capacitor which is a low voltage electrolytic. This capacitor in conjunction with the 2.2 k ohm resistor set the AM rejection. If the electrolytic should dry out and its value be reduced the AM rejection of the receiver will be considerably poorer than when the set was new. Do not assume that if 5 μf is good that 10 μf is better. The impedance and time constant of the circuit consisting of the 2.2 k ohm resistor and 5 μf capacitor in conjunction with the Q of the transformer secondary set the best value of AM rejection. Changing the value of the capacitor will reduce the AM rejection of the detector. In this particular case the substitution of a 4.7 μf capacitor would probably be acceptable especially since 5 μf capacitors are no longer made.

Note: In diagrams of the Ratio Detector you are likely to find in other textbooks the 2.2 k ohm resistor will be split between the top and bottom of the circuit. S-B designers are taking the AGC voltage from the bottom end of the 5 μf cap. My best guess is that if there were a resistor between the diode and this cap there would be an additional RC time constant in the AGC which might render it unstable.

The two 10 k ohm resistors are listed as 5% on the diagram. If one of them were to increase in value, a common result of old age, this would cause you to alter the tuning of the secondary of the discriminator transformer in an attempt to balance the circuit at center tuning. The effect of this would be to decrease the dynamic range of the detector possibly introducing a considerable amount of distortion.

The Quadrature detector.

The circuit for this detector is somewhat simpler because a special discriminator transformer is not required.

Figure 8.9 A Quadrature detector.

For a verbal description click here.

As mentioned earlier this circuit is found as the detector in the Citation tuner. This detector has no output for AFC or AGC. I had no diagram of the Citation. All I did was to restring the dial cord and touch up the detector coil a bit. I don't recall if it had an AFC switch. Perhaps its designers had temperature compensated the oscillator well enough that none was required.

The internal structure of the tube used in the detector such as a 6BN6 is such that grid 3 has a negative resistance characteristic. This makes the combination of grid 3 and the tuned circuit oscillate at the resonate frequency of the LC tank circuit. When a signal is present at grid 1 of the tube the oscillator is locked to the incoming frequency. If the tank circuit is tuned to the incoming frequency the relative phase of the signal and the oscillator will be 90 degrees, hence the name of the detector.

As the frequency of the incoming signal changes the relative phase of the signal and the oscillator varies. Alterations of the phase will cause the average plate current of the tube to vary. C1 filters out the RF variations at the plate and in conjunction with the parallel combination of R2 and the plate resistance of the tube adds de-emphasis.

Both C2 and C3 must be large enough to present a low reactance to audio frequencies as well as RF. When this circuit fails, round up the usual suspects, shorted capacitors and open resistors.

FM Receiver Alignment.

Before attempting alignment of the IF strip be sure it needs it. If you remove the tubes for testing be sure to mark them so you can get them back in the same sockets. Small differences in tube capacitances can significantly throw off the alignment of the IF section.

Repeat after me.

NEVER ATTEMPT TO ALIGN THE IF SECTION OF AN FM RECEIVER OR TUNER!

"Never attempt to align the if section of an fm receiver or tuner."

I CAN'T HEAR YOU!

"Never Attempt To Align The If Section Of An Fm Receiver Or Tuner."

I STILL CAN'T HEAR YOU!

"NEVER ATTEMPT TO ALIGN THE IF SECTION OF AN FM RECEIVER OR TUNER!"

YOU ARE GETTING CLOSE, TRY IT AGAIN!

NEVER ATTEMPT TO ALIGN THE IF SECTION OF AN FM RECEIVER OR TUNER!

OK. Now remember that.

Although the drill sergeant would never put up with you asking why, I will. The why is that the IF tuned circuits are stagger tuned. That means that each one is tuned to a slightly different frequency. The purpose is to obtain a wide band response with a flat top. The Citation tuner went one step further and designed an IF amplifier that was phase linear. That is, the phase shift across the bandwidth of the IF was a straight line. They used a very high priced swept frequency instrument to align the IF tuned circuits at the factory. The high priced instrument is still available, but apparently there is no one left who remembers how to perform the alignment. My advice is "don't try it." That said, if you have a sweep frequency generator and a scope and know how to use them and the IF is so badly out of alignment that the receiver does not function then you have nothing to lose.

Other brands of FM tuners weren't so sophisticated so if you have experience in aligning stagger tuned IF strips and it is clear that the IF needs alignment then go ahead. But if you make it worse, don't blame me.

Front End Alignment.

Adjust the oscillator trimmer for best calibration at the center of the band. Adjust the RF and antenna trimmers for strongest signal as indicated on the signal strength meter, maximum AGC voltage, or maximum reading at one end or the other of the equivalent of the 5 μf cap in the ratio detector.

If the frequency calibration is way off at the ends of the band you may have to get into coil adjustment. Some tuners do have slug tuned coils. If so follow the alignment instructions for the short wave bands above.

If you aren't so lucky you will find the coils to be air wound coils. Turn spacing may look a little irregular as the factory alignment consisted of altering the turn spacing of the coil. This is how inductance is changed. Follow the alignment instructions for the short wave bands above but squeeze or stretch the coils to alter their inductance.

Detector Alignment.

Unless the tuner on your bench has been in the hands of someone who tightened up all the loose screws the IF and detector really won't need much if any alignment. In every old tuner I have seen the detector was slightly misaligned. You shouldn't need to turn the alignment slug more than 1/2 turn and more likely it will require less than a quarter turn.

The evidence for a misaligned detector is found by tuning across a strong local station which has only very weak signals nearby. When the detector is properly aligned you will observe three distinct listening peaks, not peaks on any meter. As you approach the signal you will begin to hear audio and it may not be distorted but it may be mixed with a little noise. The tuning meter will read quite low. As the tuning meter rises the sound will grow quite distorted. As you continue tuning the distortion will clear and the tuning meter will be at its peak. The stereo light will most likely come on. As you continue to tune the sound will once again grow distorted, the tuning meter will drop, and the stereo light will go out. The distortion will clear but the audio will be a bit noisy, and the tuning meter will read quite low.

A misaligned detector will give you two peaks and it may be ambiguous as to which one is the right one. Make small changes in the discriminator transformer or quadrature coil and tune across the station until you observe the signature of a properly aligned detector described above. If a symmetrical triple peak can't be obtained it may indicate trouble in the detector, or an IF that is seriously out of alignment.

Never adjust the detector for maximum noise when tuned off a station. You will adjust the detector so it won't detect FM at all but might detect AM if the limiters aren't too hard.

Stereo Demultiplexing.

The tube version of the stereo demultiplexer could be much more complex than the IC version. The stereo decoder in the Heathkit AR-15 outdid the tube version because it was pre IC. It worked well but had a temperature drift problem.

For a discussion of the theory of operation of FM stereo click here. Use your back button to return here.

Schematic diagram.

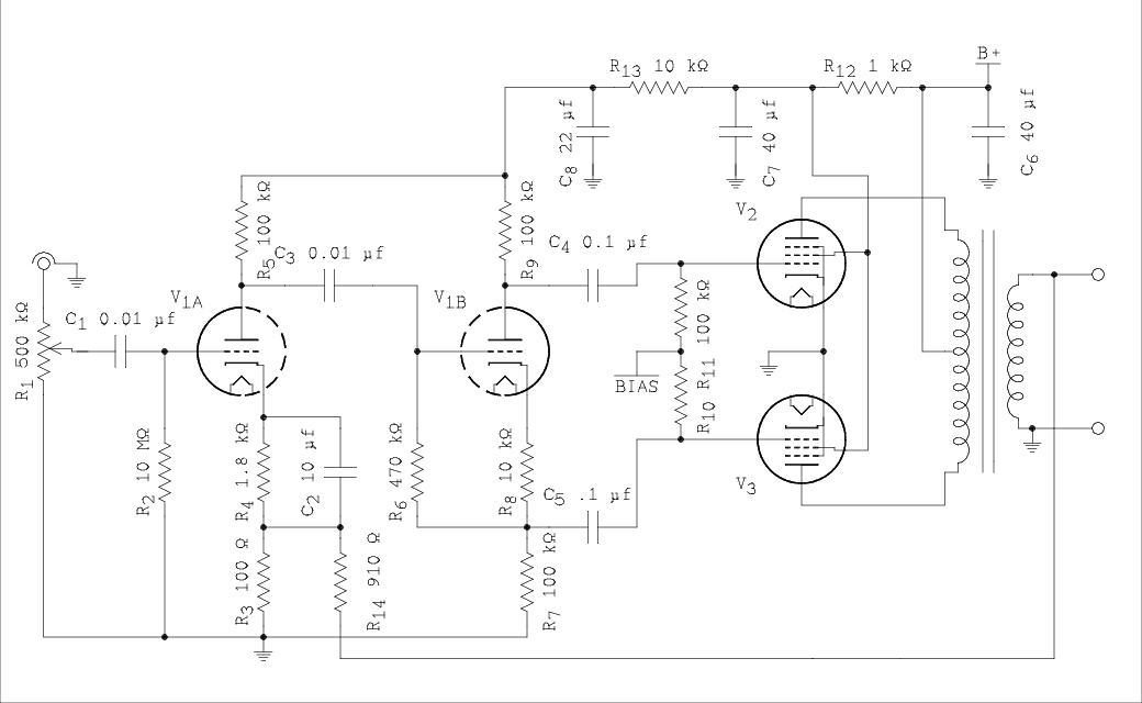
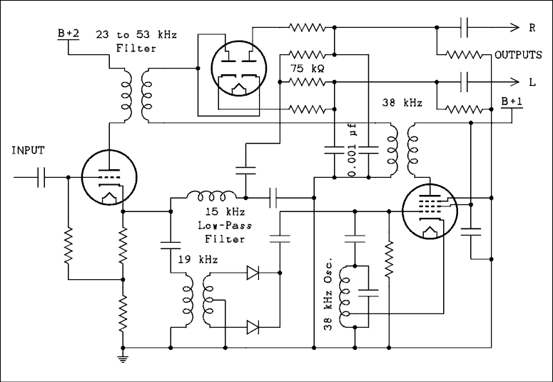
Figure 8.10 Tube Stereo Demultiplexer.

For a verbal description click here.

A typical tube type stereo demultiplexer is shown in figure 8.10 above. The input stage is a hybrid cathode follower and common cathode which provides signal to all three parts of the circuit. You will note the absents of component values. When you are working on a tuner its schematic diagram will give you the values.

Unlike the IC version the stages of the tube version are incapable of selecting the proper signal and ignoring the rest. The sum signal is separated from the others by being passed through a low pass filter which has a bandwidth of 15 kHz. This filter consists of the inductor and capacitor to ground. There is DC from the cathode follower present at the output of the filter which would upset the operation of the two detector diodes. The signal is coupled by a capacitor to the de-emphasis network where the difference signal is added and subtracted.

The 19 kHz pilot tone is taken off the cathode of the cathode follower by a capacitor which forms a series resonant circuit with the primary inductance of the 19 kHz transformer. The secondary circuit appears to be a full-wave center-tapped rectifier. That is exactly what it is however there is no filter capacitor. The circuit doubles the 19 kHz pilot to a frequency of 38 kHz. The output of the frequency doubler is fed into the grid of the 38 kHz oscillator which is a Hartley circuit. The oscillator is synchronized with the doubled pilot by a phenomenon known as injection locking. When the free-running frequency of the oscillator is close to the injected frequency the oscillator will fall into step with the injected signal. Adjusting the slug in the oscillator coil will set the phase of the oscillator with respect to the 19 kHz pilot. Proper phase is important to proper stereo signal decoding.

The wide band filter transformer in the plate of the cathode follower pulls off the difference signal. It is applied to the anode of one diode and the cathode of the other to give L - R and -L + R signals. The 38 kHz transformer in the plate circuit of the oscillator couples carrier to the suppressed carrier double sideband difference signal for proper detection by the diode detectors. The L - R signal should be the one taken off the cathode of the diode but there is an inversion from the input triode which switches the signals around reversing left and right channels.

The two capacitors block the DC from the two detectors from upsetting the bias on the next stages and the two resistors provide DC return to ground for the detectors.

As with the IC demultiplexer you can use an oscilloscope in X-Y mode to tell if the signal at the output jacks is really stereo or just two identical monaural signals. If there is no stereo or the separation is very poor a slight adjustment of the oscillator slug will bring it back. This adjustment is particularly sensitive to temperature and should only be done after a thorough warm-up. The 19 kHz transformer and the 38 kHz transformer in the plate of the oscillator will also effect the phase of the injected carrier. These transformers should be adjusted for maximum signal and the oscillator used for phase adjustment. The 23 to 53 kHz filter requires a very special sweep and marker generator for alignment. I don't think any ever existed outside of the J W Miller factory. There were very few of these coil sets made because designers came up with a less complex circuit that didn't require so many coils. If one of these goes bad your chances of ever finding a replacement are slim and none. If you are absolutely positively certain that the filter can needs alignment you might as well give it a try.

About that simpler circuit. I have it in one of my old notebooks. They are in storage until I finish building book cases to hold them. When the cases are finished and the books come out of storage I will post that simpler circuit.

Well, my books are back and I found the circuit. There are two unidentified coils and an unidentified transformer. Not only that there are several resistors and capacitors which have no value specified. That's nobody's fault but mine. I drew the diagram from a verbal description and I guess I just forgot to write them down. I hope you weren't waiting for the circuit. I'll have to see what I can brew up with some tubes and RF chokes. Oh no! Another addition to my to do list.

Back to Fun with Transistors.
Back to Fun with Tubes.
Back to Table of Contents.
Back to top.