Low Resistance Adapter
For DMMs

Deciding how much current you can draw from that unmarked power transformer depends on knowing the resistance of the windings. These values can be as low as 0.1 ohm. Here is a meter to measure them.

On these pages you'll find tube circuits you can build but before you start building circuits you need a tube power supply. You'll need 6.3 volts at several amps, usually AC although there may be times when you need DC, and low ripple DC anywhere from 150 to 500 volts at 100 milliamperes or so. Even if you're a most avid experimenter I'll bet you don't have anything like that on your workbench. You could probably supply 6.3 volts DC but that's about it. So let's build one.

Hold on just a minute. If you're a junk collector you may have some old tube power transformers but most of them are not marked. You can find out the voltages by hooking them up to the line and measuring the voltages that come out. BE CAREFUL. These voltages are lethal and even if you survive they are very painful. Knowing the voltages is not enough. Each secondary winding has its own maximum current specification. If even one of these is exceeded by a significant percentage the whole transformer will be rendered useless by a burnout. Knowing the resistance of each winding can help us to estimate the maximum current with enough accuracy to make an otherwise useless transformer useful.

This page is indexed so you can jump directly to what you're interested in. If you already know the theory or would rather not deal with it you can skip to any other part of the article.

Measuring Resistance
The Four Wire System for low resistances
Circuit Description
Construction
Calibration
Operation
Constructing the Special Test Clips
Home

Measuring Resistance

There are two basic methods of measuring resistance. One is to apply a known voltage to the unknown and measure the current. The other is to apply a known current and measure the voltage.

Applying a voltage and measuring the current is the method used by almost all analog meters. The equation is

R = V/I

The X = 1/Y equation is very non linear which accounts for the scales which are compressed at one end. If this method were used on a digital meter it would have to contain a microprocessor to make the calculation of resistance based on the current.

Applying a current and measuring the voltage is the method used by digital meters and only one model of analog meter I have seen. The equation is

R = V I

This gives a linear scale on an analog meter and requires only placement of the decimal point on either analog or digital meters for proper readings. In the days before transistors the problem was the current source. It's easy with transistors but not practical with tubes.

The Four Wire System for low resistances.

When the resistances to be measured are very low, say 0.1 ohms, analog meters are useless because the reading becomes indistinguishable from zero. A four and a half digit DMM may have 1/100 ohm resolution but the resistance of the connecting leads, the contact resistance where the leads plug into the meter and where the leads clip to the unknown is significant compared to the unknown. Not only that but this contact resistance is quite variable so you can't connect the leads together and subtract that reading from the unknown reading. The solution is the four wire measurement system.

 Schematic diagram.

For a verbal description click here.

The circuit of a four wire system is shown in the figure. The horizontal resistors represent the parasitic resistances. In the inner loop (the one containing the current source) the current source maintains a constant current regardless of how much resistance is in the loop. (Within practical limits). Because the voltmeter is connected to the unknown through its own leads it measures only the voltage across the unknown. The voltmeter has its own parasitic resistances but because the input resistance of the voltmeter is high these small series resistances have no significant effect on the reading. This measurement method is used when ever the impedance of a circuit is very low. I have devised a way to do it with two clips. The construction of the test leads is given at the end of this article.

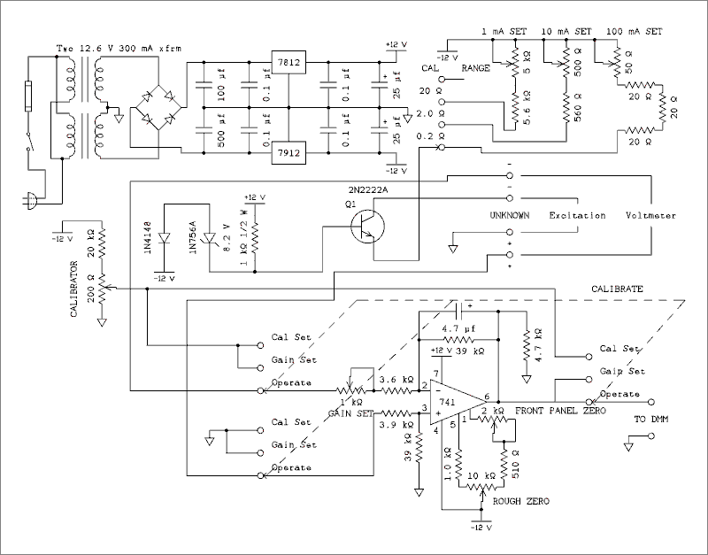
Circuit Description

 Schematic diagram.

For a verbal description click here.

The power supply uses two 12.6 v 300 mA transformers because I had them on hand. I would recommend a 24 VCT or 25.2 VCT 1A transformer. If you can find a 200 mA unit by all means use it, it should be much smaller. The bridge rectifier provides approximately plus and minus 18 volts. The different sized filter capacitors are because the current demand from the +12 volt supply is approximately 25 mA while the demand from the -12 volt supply can be as high as 125 mA. The two fixed voltage regulators provide the necessary 12 volt supplies. The 4 0.1 microfarad capacitors are absolutely necessary and they have to be placed physically close to the regulators. If you have no experience with these little guys you don't know that they would rather oscillate at about 1 Mhz than not. The two 25 microfarad capacitors serve to remove any remaining noise from the output of the power supply.

The current source for exciting the unknown is provided by an NPN transistor. The only requirements are that it has a current gain (beta) of 100 or more and a collector to emitter leakage current with base open (Iceo) of 10 microamperes or less. Since originally writing this someone who built this project has informed me that a 2N2222A will work. This transistor has the leads in a different order so you must rearrange the connections on the board or cross two leads on the 2N2222A. The transistor I used doesn't even have printing on it. I assume I got it in a grab bag of transistors some years ago. These often have transistors which have been rejected because of low breakdown voltage. This transistor operates with about 4 volts between emitter and collector. Use whatever you can find just be sure it meets the specifications for beta and ICEO stated above. The zener diode provides a constant voltage to the base and the conventional diode is for temperature compensation. The resistance placed in the emitter circuit sets the collector current and because the voltage at the base is large compared to changes in the base to emitter voltage the current is almost constant regardless of the collector voltage. The range switch selects the value of resistance in the emitter of the current source and therefore how much current flows through the unknown. The open position is to allow the op amp (voltmeter) to be zeroed.

The 741 has a gain of 10 which is trimmable. When used with a 200 millivolt DMM the full scale voltage across the unknown is 20 mV. The op amp is also equipped with a coarse zero adjust which is screwdriver adjustable and a fine zero adjust which is a front panel control.

The CALIBRATE switch permits the gain of the op amp to be set to precisely 10.00. The combination of the 20 k ohm resistor and the 200 ohm trimmer is the calibrator. when the CALIBRATE switch is set to the CAL SET position the output of the calibrator is connected to the amplifier input (for proper loading) and also to the "DMM" terminals. The calibrator may be adjusted to exactly 100 mV. When the CALIBRATE switch is set to the GAIN SET position the calibrator output remains connected to the amplifier input but the output of the amplifier is connected to the TO DMM terminals. You may then set the DMM reading to 1.000 volts and be sure that the amplifier gain is exactly 10. Of course this all depends on the accuracy of your DMM. When the CALIBRATE switch is set to the OPERATE position the amplifier input is connected to the VOLTMETER terminals of the UNKNOWN binding posts. The amplifier output is connected to the TO DMM terminals.

Next Page

Home

Thank you for visiting my page at Angelfire.
Please come back and visit again!

This site begun March 14, 2001

This page last updated January 7, 2004.