Low Resistance Adapter
For DMMs.

Construction.

The instrument was built on a prototyping board and housed in an 8-3/4 x 4-3/8 x 2-3/8 plastic box with an aluminum cover. The proto board has a pattern similar to the breadboarding sockets which have been used for years. I believe this to be more practical for the home builder than making one's own custom PC boards.

These boards are no longer available from Global Specialties. However they can be found at JAMECO Electronics.

Photo of Global Specialties proto board.

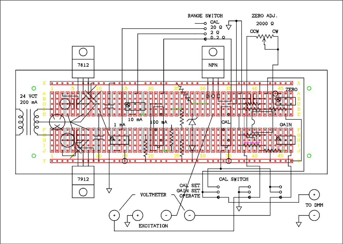
In order to do a neat job on these proto boards you MUST plan the layout in advance of heating up the soldering iron. The layout is shown in the figure.

Preplanned layout of proto board.

Here's a note to my blind friends. I will email you a verbal description of this board layout if you believe you can use it. If you have worked out a method of construction involving integrated circuits I suggest you stick to what you know. By the way, I'd like to hear from you about your experiences building this project.

The components and symbols shown outside of the board outline are mounted on the aluminum front panel. The wires are indicated mostly by black lines. the one starting at H 41 which is colored magenta is just to make it easier to see. At C 28 you will see a green line continuing from the end of a resistor. This indicates you are to bend the resistor lead over on the copper side of the board and bring it up through hole C 31. Cut off the excess lead and solder at both holes. It doesn't matter that the bare lead is touching foils in between, they aren't connected to anything.

The recommended hookup wire is the wire inside of a 50 pair telephone cable. If you don't have any, wire-wrap wire will do. Install the connecting wires first (except those indicated by green lines). in many cases the lines are shown running between the holes. This was done to make the drawing easier to read. This is only necessary if there are leads in the holes. For example the wire running from hole A 3 to B 6 is shown routed between the holes. However there are no connecting wires to these holes. This wire will need to be positioned slightly outward toward the edge of the board to stay out of the way of the nearby vertically mounted capacitor. On the other hand the wire which runs between holes I 6 and Y 10 must pass between the leads of the negative regulator and one of the bypass capacitors.

The connection just to the right of the bridge rectifier is a single point ground. Find a piece of solid bare wire of the heaviest gage which will fit through the holes in the board. form it into a shallow U and put the ends through holes E 4 and F 5. DO NOT form the wire to fit flat against the board. Press the wire down (without bending it down against the board) and solder on the copper side and cut off excess lead length. The small telephone wire can be looped around the large wire and soldered in place.

The bridge rectifier requires special care. If you have or can get one which has the two AC input leads adjacent on one side and the + and - leads adjacent on the other side you will not have to cross two leads as I did. Obviously, if you have to cross the leads, you will need to put insulating sleeving on them. READ ON, THIS IS VARY IMPORTANT IF YOU DON'T WANT TO DAMAGE THE PC BOARD. Put sleeving over the other two leads so the bridge sits level. Push the bridge rectifier down as firmly as you can and solder all four leads. If you leave a component above the board unsupported except for the solder and copper if you accidentally push down on the component, on the component side, the copper foil will be pulled away from the board on the foil side. The foil to board bond is none too strong and it is weakened by the heat of soldering. Always arrange things so something else takes the force instead of the copper foil.

The current source for exciting the unknown is provided by an NPN transistor. The only requirements are that it has a current gain (beta) of 100 or more and a collector to emitter leakage current with base open (Iceo) of 10 microamperes or less. Since originally writing this someone who built this project has informed me that a 2N2222A will work. This transistor has the leads in a different order so you must rearrange the connections on the board or cross two leads on the 2N2222A. The transistor I used doesn't even have printing on it. I assume I got it in a grab bag of transistors some years ago. These often have transistors which have been rejected because of low breakdown voltage. This transistor operates with about 4 volts between emitter and collector. Use whatever you can find just be sure it meets the specifications for beta and ICEO stated above.

The circles with lines running from them are vertically mounted resistors. For example the component at location Y 15 is a resistor with one lead bent back on the resistor. The lead which comes straight out of the resistor goes into hole Y 15 and the bent over lead goes into hole J 15. This is the 5.6 k ohm resistor for the 1 mA current source.

The negative regulator and the constant current transistor require a minimal heatsink. I used two small pieces of 1/8" aluminum. They are actually scraps left over from other projects (I never throw anything away). A picture is worth 1000 words. The heatsinks are mounted to the board with 2 - 56 machine screws and nuts to keep stress from being put on the foils of the board. If you use a 2N2222A it needs to be held in contact with the heatsink. A layer of silicon grease or white heatsinking compound should be placed between the transistor and heatsink. Do not assume that the grease will "glue" the transistor to the sink. Tie it down with a piece of light gauge wire.

Photo of nearly finished board with heatsinks next to it.

The positive regulator is passing so little current that it doesn't need any heatsink.

Previous Page

Next Page

Home

Thank you for visiting my page at Angelfire.
Please come back and visit again!

This site begun March 14, 2001

This page last updated May 21, 2006.