A Dedicated Amplifier for
the Early Koss Headphones.

I heard my first set of Koss headphones in a music store in the summer of 1962. They would still play records for you back then. I started dropping strong hints that I would like Santa Claus to bring me a pair for Christmas. The old guy in the red suit, or maybe it was my mother, came through.

I believe this was the first model that Koss ever sold. The statement "Patent pending" is inscribed on the headband. Here is what they look like now.


 Photo showing the headphones.


The foam rubber is hard and somewhat stained. Remember they were bought in December of 1962. They also saw a lot of use. You can't see it in this picture but the fiberglass headband is broken completely in half and the only thing holding the two halves together is the foam rubber. The steel rods which hold the ear pieces do not run all the way through the headband.

The impedance of these phones is 4 ohms as compared with 100 ohms for modern ones. For those who may be questioning my memory I did recheck the resistance and it reads 3 ohms on a Simpson 260 VOM. AC impedance is somewhat higher than DC resistance. Koss used actual small speakers for the drivers as verified by the photo below.


 Headphones with ear pad pulled back and small speaker showing inside.


Here you see a rather conventional looking speaker. The break in the headband is also visible. The rings that are visible are meant to allow the diaphragm to effectively shed the outer parts at high frequencies and reproduce the highs better.

As I accidentally learned back then if you really turn up the volume you can hear them from across the room. I made the mistake of doing this a couple of times. No one was wearing them. This would likely do damage if allowed to continue for some time but I discovered my mistake rather quickly and turned the volume down and switched the speakers back on. The sound was not too far from an all Japanese 6 radio which shows that they were indeed rather conventional speakers. What made them sound so good when being worn was the fact that they were being operated at a very low level and the coupling between the speaker diaphragm and the ear drum was very tight. I should note that by today's standards they would not be said to deliver good sound but when the year is1963 and you have the only pair of phones in town there is nothing to compare them to. The fantastic stereo effect as compared to speakers wowed everybody and caused them to overlook any shortcomings in frequency response.

Headphones were something brand new and few commercial amplifiers had jacks to plug them into. By then I was building my own equipment so naturally it had no jack until I installed it. As soon as the ceremonial Christmas gift unwrapping was finished I retired to my workshop to install said jack. I was in for quite a surprise.

As already mentioned the impedance of these phones was 4 ohms so I hooked up to the 4 ohm tap on the output transformer and installed a switch to turn off the speakers. I found that to get normal level in the phones I had to just barely crack the volume control open. The hum and noise level in the amplifier which was quite inaudible when using speakers, was really annoying. The phones were about 35 dB more sensitive than speakers and a signal to noise ratio that was 60 dB on speakers was 25 dB on phones. Not good. What to do.

It had to wait until the next day when Clearwater Electronics reopened and I could go and buy some 3.9 ohm resistors to make two pi pad attenuators. Although that solution was not entirely satisfactory I used it through 63 and the first half of 64 and the sound never failed to wow my friends. They had never heard headphones before.

The Original Dedicated Amplifier

By the beginning of summer vacation in 64 I had enough electrical engineering courses under my belt that I could actually design an amplifier rather than just putting the parts together to see what worked. I set out to design a low level amplifier that was suitable for use with headphones.

The result is shown in the photos below.


 Photo showing the amplifier and its separate power supply.


 Photo showing the under side of the amplifier chassis.


Someone had given me a two tube stereo phonograph and I recycled the two output transformers. The stereo used two 50EH5 tubes and so the transformers had a primary impedance of 3000 ohms. Looking through my tube manual I found a 12AV7 had the highest transconductance of the twin triodes. That was what I needed to drive that low impedance.

I breadboarded up a circuit to give it a listen. I assumed the small output transformers would give better performance than normal because I was operating them at such a low power. The transformers did give a pretty good account of themselves but they needed a little help in the form of some bass boost. Looks like it's time to show the schematic diagram.


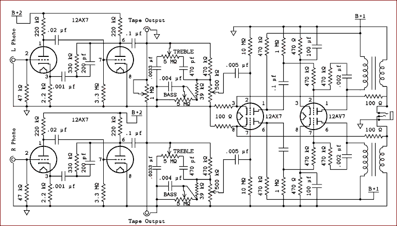
 Schematic of the Headphone amplifier.

For a verbal description click here.


 Schematic diagram.

For a verbal description click here.


The series RC, 470 k ohm and .002 microfarad, from the plate of the 12AV7 to its grid give considerable bass boost, in fact too much. The overall feedback from the output transformer secondary to the cathode of the 12AX7 just after the volume control moderates the boost enough to give it a good sound. The small output transformers weren't the only part of the system that needed help. Those early headphones needed some boost on the low end and this amplifier was especially designed for use with those phones.

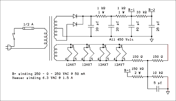
I haven't been completely honest as to what parts are in what chassis. You can see the can capacitor in the pictures and so you know that some of the filtering is actually in the amplifier chassis. In the power supply schematic the two 20 microfarad caps and one of the 1 k ohm resistors are in the power supply chassis. If you look closely at the under side photo you can see the 150 k ohm 2 watt resistor.

The voltage divider across the B+ places the heaters more positive than the most positive cathode. This is an old tube design trick I had forgotten. The heater and cathode can act as a diode and because the heater is at a higher temperature it wants to be the cathode. The current flowing from the heater to the cathode can induce hum into the amplifier particularly where the cathode is not grounded for signal frequencies. Placing the heaters more positive reverse biases this parasitic diode and reduces the hum.

The 25 microfarad cap on B+2 is made up of the parallel combination of a 10 microfarad in the can and a 15 microfarad tubular which you can also see in the photo.

This power supply is another relic of my DeVry tech course. It originally used a 5Y3 rectifier tube which I have replaced with solid states soldered under the chassis. I have used this power supply in many different projects so a lot has been added and then disconnected. The 7 pin socket is for a VR tube. The Sinch Jones socket was for something I don't remember. I don't think I have the mating plug but to take it out would leave a hole so it stays.

From 64 to now.

I only used this amplifier for three years. In 1967 I bought and put together a Heathkit AR15. Like everyone else of that era I transferred my love to transistors and walked away as tubes shed tears behind me. However I couldn't bring myself to throw away my home made audio equipment because I had invested so much personal capitol in it. Several years ago I came to my senses and threw over transistors and returned to tubes. It is often said that tubes are more forgiving than transistors. She forgave me and took me back. My keeping the old tube gear played a major roll in our reconciliation.

During the period of separation this headphone amp and my other tube stuff went into storage. After I bought a house that meant the attic. I brought all of it down after retiring with the intention of using it again. It was March of 2004 when I finally got around to the headphone amp. I found that one of the output transformers had an open primary. The amp worked fine the last time I used it so the transformer went bad just sitting there. The temperature extremes were probably the culprit.

If you look at the pictures you may wonder why I placed the grommets where I did. The placement was right for the old transformers in which the wires came out the sides because the coils were rotated 90 degrees from the ones in the replacements.

OOPS!

I had the amplifier but I couldn't find the Koss phones. Here is what I wrote about what I did.

The original headphones were falling apart. I wish I had kept them anyway but I'm afraid I didn't. I don't remember throwing them away. Maybe they will turn up the next time I go looking for something in the attic. Those original Koss phones used 4 ohm speakers. Somewhere along the line a 100 ohm standard was adopted and that's what the impedance of all my pairs of modern phones is. The usual way of driving phones is to put a large value resistor in series with them. I have thought that driving them from a voltage source rather than a current source would give some damping and improve the sound. My tests with this amplifier have not confirmed that hypothesis. I have to turn the volume up all the way to get a normal listening level. On the basis of that I decided to design a new amplifier using all of the accumulated knowledge I now have at my disposal.

At the time I designed the original amp I wanted to eliminate the output transformer but the 4 ohm impedance of the phones of that day made that impractical even though the required power was well below 1 milliwatt. The problem was the unavailability of high capacitance low voltage capacitors. If I had to do it over again and start from scratch I would use a 6L6 in a cathode follower connection to drive each phone.

Now with 100 ohm phones the required peak current is less than 1.5 milliamps which makes a low power cathode follower driver well within the realm of possibility. Headphones use a common ground which precludes the use of a bridge amplifier. So It looks like single ended cathode followers with feedback to keep distortion from getting out of hand.

I had wanted to hear the sound of the original phones and amp but without the phones that was impossible. My decision to build a new amplifier meant either finding a new chassis or reusing the old one. I opted for using the original and took everything apart except the phono preamps. Well, you know where this is going. You have already seen pictures of the Koss phones so you know that after I took the amp apart I found them. They were stuffed behind my workbench. Oh, well.

Epilog.

After I designed, built, and tested the amplifier for 100 ohm phones I disassembled it and reconstructed the original circuit using modern capacitors and resistors. I was pleasantly surprised. Headphone outputs these days have a large resister, sometimes as high as 500 ohms, in series with the output. When the old 4 ohm phones are plugged into these drivers they don't come off sounding very good. I have always thought, and now I am sure, that Koss designed its first generation phones to be driven from a low impedance source. That's exactly what this amplifier is. The lows were much tighter and the highs were very crisp. I commented near the beginning of this article that these old phones sounded offal. They did when driven by a circuit they were never designed for. When driven as intended they are quite satisfactory.

You may be wondering what I've been listening to. Well, obviously I haven't been listening to CDs. There's no CD player input on this amp. I've been playing vinyl. The Kingston Trio, The Chad Mitchell Trio, Peter Paul and Mary, Dave Brubeck, and more. Somehow the CD reissues just don't sound right.

The amplifier circuit for modern phones didn't work so well. It needs more tubes and I don't have enough room on this chassis to expand it. That's why I decided to rebuild the original one and save the improved amplifier for another day.

The Modern Amplifier.

So What Do I Do Now?

I designed, built, and tested the modern amplifier and was disappointed in the sound. I can do much better than that. The phono preamps are definitely a weak link. They aren't nearly as good as the
Harman Kardon circuit. The same can be said for the tone controls. In addition to that the post volume control part of the circuit needs to have one more common cathode stage so feedback can be taken back to the cathode of the tube rather than the grid.

I'm going to build that better amplifier and post it here when it is finished. It may have as many as 6 or 7 tubes so I'm not going to try to build it on this chassis. I am going to rebuild the original amplifier to be used with the original Koss phones for the sentimental value it has for me.

There isn't much more I can say. Have fun.


A heart in love with the beauty
of glowing tubes never grows old.


Home


This page last updated April 17, 2004.