Amplifier Compensation.

Prevent Oscillation and overshoot in Negative Feedback Loops.

Newly added material is in red text.

Adding negative feedback to an amplifier, especially a vacuum tube amp is not as easy as it may seem. What is there to it? Just connect a resistor from the secondary of the output transformer back to the cathode of the pre phase inverter tube. Right?

Not so fast. Of course you have to get the phasing of the transformer right so the feedback will be negative instead of positive. But there is a little bit more than that. If you don't compensate the amplifier correctly it will oscillate anyway. What is worse the oscillation will be above the range of human and probably even dog hearing. If you connect it to a pair of 2,000 dollar speaker systems with this condition, there goes 4,000 bucks. Ultrasonic, not supersonic, oscillation will burn up the super tweeters and crossover networks in short order and may even do damage to the mid range and woofer. That's a chance you don't want to take.

This article will explain how to test and modify an amplifier using only an oscilloscope, a function generator, and a calculator. No calculus is required but the procedure takes time and care to get the measurements correct. In other words this procedure is not for the faint of heart. Formulas will be presented without derivation however I recommend further study in "Electronics for Non-Engineers" which is linked from this page.

A Different Way of Looking at Negative Feedback.

The way in which the feedback equation is derived in electronics textbooks is to assume a general case in which the feedback can be either negative or positive depending on the sign of the gain. If the gain has a negative sign the feedback will be negative. If the gain has a positive sign the feedback will be positive.

Control systems engineers on the other hand assume that the purpose of the feedback is to control something and therefore it MUST be negative. If you attempt to find supplementary information in an electronics text you are likely to find more confusion than help. If seeking supplemental studies find a book on analog control systems if you can in this age that is totally enamored of digital technology.

Control systems are usually found in factories, ships, and aircraft, and incorporate electro/mechanical transducers such as motors and position sensors. This is not a tutorial in such systems. It will be limited exclusively to vacuum tube audio amplifiers. The methods could also be applied to transistor audio amplifiers but you, the reader must make the transference yourself.

The feedback equation is,

A' = A/(1+AB).

Where A' is the closed loop gain, A is the open loop gain, and B is the fraction of the output that is fed back to the input. These terms "open loop gain" and "closed loop gain" should be familiar to the reader. If not you should review the subject in Electronics for Non-Engineers. Use your back button to return here. Concentrate on the noninverting amplifier because that is exclusively what you will find in vacuum tube amplifiers. Inverting amplifiers are sometimes used in transistorized amplifiers but as stated above they will not be covered here.

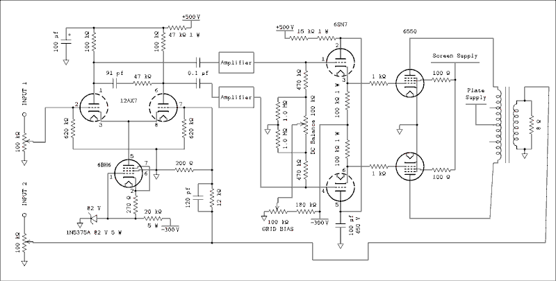
A noninverting amplifier needs a noninverting input and an inverting input. In the circuit below the audio signal comes from the volume pot and goes into the grid of the 12AX7, this is the noninverting input. The point labeled "Inject signal here" goes through a resistor to the cathode of the 12AX7. The cathode is the inverting input.

We will not be using the concept of either open loop gain or closed loop gain here. We will deal with loop gain. The loop gain is how control systems engineers treat a feedback system. This is the gain that is measured by opening up the loop, injecting a signal at the proper point to allow signal to pass through the amplifier, and measuring the output at the point where the loop was broken. Theoretically the amplifier could be broken at any point but there are practical limits. The most practical point to do this is where the output transformer secondary connects to the feedback resistor as shown in the schematic below. To perform such an experiment on a real amplifier any and all compensating components must be removed from the amplifier. Hence you see the capacitor which was in parallel with the feedback resistor has been removed.

Figure 1 Schematic of Hypothetical Amplifier Showing Loop which has been Opened For Testing.

As you can see with injection at the break in the loop the signal first passes through the resistive voltage divider which has attenuation of B. Then it passes through the amplifier which has the gain of A. When attenuation and gain are expressed as the ratio of output to input they multiply when cascaded. Thus the overall gain is the attenuation times the gain which is BA or AB because multiplication is commutative. Now if we take our feedback equation and solve it for AB we get

A'(1+AB) = A

1+AB = A/A'

AB = A/A'-1

As you can see the value of AB does not depend on the value of open loop gain but the ratio of open loop to closed loop gain. Suppose we want to apply 20 dB of feedback to our amplifier. That means that when feedback is connected the overall gain is reduced by 20 dB which is a factor of 10. So if the value of A is ten times the value of A' The value of AB is 10 - 1 = 9. It doesn't matter if the open loop gain is 100 or 100,000 if we apply 20 dB of feedback the value of AB is always going to be 9.

Why Must We Compensate an Amplifier When Negative Feedback is Used?

No amplifier stage has infinite bandwidth. The early stages in an amplifier use resistors in the plate circuit. There is always stray capacitance to the chassis and the resistor and capacitor combine to form a low-pass filter. Below I am going to refer you to part of my textbook. The discussion of low-pass filters will illustrate using a series RC circuit. However, the plate circuit of a tube has a resistor, the load resistor, and a capacitor, the stray capacitance, effectively in parallel. Not to worry. Using something called Thevenin's theorem it can be shown that the two become equivalent. Study sections 2.5, 2.6, and 2.7. After you finish, use the back button on your browser to return here. Now here is the link.

And then there is that output transformer. It has inductance and capacitance between turns. Together they form a resonant circuit. Transformer designers place this resonance out of the audible band but it can't be eliminated. It sits up there at ultrasonic frequencies and can flip the phase by 180 degrees over a small range of frequencies. The loop gain must be well below unity at this resonant frequency.

Now that you have a good understanding of RC filters we can discuss filter roll-off and phase shift which was not discussed in the referenced material.

Amplitude Change and Phase.

When the amplitude of an amplifier is not changing with frequency, flat frequency response, the phase shift is 180 degrees.

We are going to assume that the feedback is always negative since we are trying to build amplifiers not oscillators. A mid band phase shift of 180 degrees will always be assumed. When we get into real world testing of an amplifier the circuit of Figure 1 will be employed.

If the amplifier's frequency response is changing by 6 dB per octave which is the same as 20 dB per decade, the phase shift is 90 degrees. Since 20 dB represents a factor of 10 in voltage change the response is changing by a factor of 10 for every factor of 10 change in frequency. If the amplitude is decreasing by a factor of 10 for every factor of 10 increase in frequency the response curve is said to have a slope of minus one. If the gain is increasing with an increase in frequency the response curve is said to have a slope of plus one. If the gain is decreasing by a factor of 100 for every factor of 10 change in frequency the response curve is said to have a slope of minus two.

Upper end compensation is the hardest to get right and is also easier to measure than the low end. Other than the paragraph below I will have little to say about low end compensation. Therefore the following discussion will be mainly concerned with negative slopes.

As a rule low end stability can usually be achieved by setting the breakpoint of all but one of the RC coupling networks at or below 1 Hz. The remaining one should have a breakpoint that is above the low frequency limit of the output transformer. For example if you are using a Hammond output transformer which has a low frequency limit of 30 Hz you should set the breakpoint at 50 or 60 Hz. If you set this breakpoint too low the amplifier may not oscillate but there will be a strong low frequency peak in the range of approximately 10 to 20 Hz. If this peak is found reduce the value of the coupling capacitor to set the breakpoint high enough to give a smooth low end response.

Quick. What is the rate of change for a slope of -3? If you said 1000 decrease in gain for a frequency increase of 10 you are right. If you said something else you were wrong.

Now here's the part that messes up negative feedback. When the gain versus frequency plot has a slope of -1 the phase is 90 degrees. When the slope is -2 the phase is zero degrees and the feedback is positive as explained above.

The phase shift doesn't jump from 90 to zero degrees anymore than the slope jumps from zero to -1 as shown by the graphs in section 2.7 of "Electronics for Non-Engineers". There is a point on the curve where the gain is 3dB down from the flat portion. As described in the book this point is known as the cutoff frequency. Another part of this phenomenon is that the phase shift is 45 degrees at the cutoff or corner frequency. Looking again at Figure 2.6 if we extend the straight line portions of the curve they will intersect at 1 kHz which is the cutoff frequency. This gives us a kind of graphical shorthand in which we need to draw only the straight lines as shown in the reference. It's time for a little more study off this page. Study this and use your back button to return here.

Bode, pronounced bodey, plots are that graphical shorthand referred to above. When the Bode plot is flat the phase shift is 180 degrees. When it breaks from 0 slope to -1 the phase shift at that frequency is 135 degrees. As the frequency moves far from the break point the phase shift becomes 90 degrees. When the slope breaks from -1 to -2 the phase shift is 45 degrees. Far beyond the second break point the phase becomes zero degrees. And if the slope breaks from -2 to -3 the phase shift at that frequency is -45 degrees. Far beyond that point it becomes -90 degrees.

Finding the Breakpoints in a Real Amplifier.

If we plot the response curve of a real amplifier using dB of gain on the vertical axis and making the horizontal axis logarithmic in frequency we should get some nice straight lines that can easily be converted to Bode plots. Yeh, in a pigs eye. In the real world it just doesn't work out that way. A break from -1 to -2 can make the center of the -1 slope hard to find. Even knowing the slopes as they would appear on the graph and trying to fit them to the curve is problematical. Small errors in the instrumentation and drifting gain in the amplifier with time are just some of the causes of our inability to make useful Bode plots from a frequency response curve.

I'll bet you thought that the gain of an amplifier was constant and stable. Think again. Tube and transistor parameters change with temperature and as the amplifier warms up the open loop gain can change by as much as 20%. If the frequency response was plotted by a computer driven automated system and the plot only took a few seconds the gain change is no problem. But for those of us who are slogging through the mud, taking readings, and writing them down on paper, the passage of time from start to finish can introduce some fairly large errors.

The trick is not to measure the gain but the phase. The only points of interest are the break points and they are demarked by specific values of phase shift. Let us begin with a paper example.

Example 1.

Construction of an amplifier has just been completed and it sounds pretty good when tested open loop. But when the NFB (negative feedback) is connected observations with an oscilloscope reveal that it is oscillating at an ultrasonic frequency. Good thing we were testing it with a resistive dummy load instead of a speaker. After opening the loop the following data are collected from the amplifier.

Loop gain (AB) = 9,

135 degree phase shift at 45 kHz,

45 degree phase shift at 150 kHz.

-45 degree phase shift at 250 kHz.

From this data we construct the following Bode diagram.

Figure 2 Bode Diagram Showing Lag Compensation.

Here is a table that will be helpful in plotting and reading the graphs that will follow on this page. It is a list of the frequencies and their intermediate values. The red numbers are the tick marks on the horizontal axis that are numbered. The blue numbers are the tick marks in between the numbers. The black numbers are values that are half way between the tick marks. At the bottom of this page you will find a link from which you can download a GIF file of the graph so you can print it out and plot your own Bode diagrams.


100

150

224

335

501

750

106

158

237

355

531

794

112

168

251

376

562

841

119

178

266

398

596

891

126

188

282

422

631

944

133

200

299

447

668

1,000

141

211

316

473

708

1,060

 

A gain of 9 is 19 dB so that's where the graph begins. There may be some low frequency roll-off but we are not concerned with it at this time. At 45 kHz the line breaks to a slope of -1, at 150 kHz and 8.5 dB it breaks to a slope of -2, and at 250 kHz and -0.5 dB it breaks to a slope of -3.

True there is no actual mark at 45 kHz but the one at 44.7 kHz is close enough. In fact I defy you to tell the difference on a graph printed on an 8 and 1/2 by 11 inch sheet of paper. The 250 kHz point uses the 251 mark on the graph and the same applies.

Our first step is to apply "lag compensation" to replace some of the flat part of the plot with a slope of -1 to move the -1 to -2 breakpoint to lower gain. To do this we must move the first corner frequency down from its present location of 45 kHz. We could move it to 20 kHz but that will only move the second breakpoint down by slightly more than 6 dB. A slope of -1 is -6 dB per octave. If we move the first breakpoint down to 15 kHz for a 3 to 1 ratio the second breakpoint will be moved down by 9.5 dB.

We want to insert an RC network into the amplifier that will break to a -1 slope at 15 kHz and then break back to a zero slope (flat) at 45 kHz. Because this network introduces a slope of -1 it also causes the phase to lag. That is why it is called lag compensation. Let's do it and then figure out what we have done. The RC network has the response shown by the blue line in figure 2.

Gains expressed in dB add so we add the plot of the red line to the blue line in figure 1 to obtain the green line plot. The second breakpoint is still at 150 kHz but it has moved down from 8.5 to -1 dB. The amplifier may or may not oscillate but it is likely to show quite a bit of ringing when tested with a square wave. Note: The next example will involve a real amplifier so the square wave test can be done and the results shown. The fact that the second breakpoint on the green line and the third breakpoint on the red line are almost, but not exactly, in horizontal alignment is not an error. Horizontal alignment has no significance. It is just an accident of the numbers.

Control engineers talk about phase margin and gain margin. Phase margin is how far the phase is from zero degrees when the gain crosses through unity, (0 dB). The gain margin is the value of the gain where the phase crosses through zero degrees.

The phase margin can only be estimated because the frequencies of the second and third breakpoints are so close together that both breakpoints contribute to the phase shift at unity gain. The phase margin is undoubtedly less than 45 degrees which is not good. The zero phase point occurs about half way between the second and third breakpoints which is at -5.5 dB and this is the gain margin.

At this point in our studies these are relatively meaningless numbers. A phase margin of 90 degrees is alright because IC op amps operate just fine with that phase margin without any measurable overshoot. After some experience we will get a feeling for the good, the bad, and the ugly.

With a phase margin of less than 45 degrees and a gain margin of 5.5 dB I'm not feeling good about this amplifier. Let's work on it some more. Next we will apply lead compensation. We will connect a capacitor across the feedback resistor which I'm sure you have seen in many amplifier designs. But did you know how to calculate its value? This capacitor will cause the gain to rise and the phase to lead. That is why it is called lead compensation. What we want to do is to start out at low frequencies with a flat response and have it break upwards on a slope of +1 at the same frequency where the gain, green line in Figure 2, breaks from -1 to -2. The green line in Figure 2 has become the red line in Figure 3.

Figure 3 Bode Diagram Showing lead Compensation.

The blue line shows the lead compensation. The red line is mostly hidden behind the green line which is the result of adding the red line to the blue line. First let's calculate the new phase margin. The gain goes from 19 dB to -5.5 dB while the phase is going from 135 to 45 degrees. That works out to 3.67 degrees per dB. So as the gain changes from 19 to zero dB the phase changes by 3.67 degrees / dB x 19 dB = 70 degrees. Remember that the phase started at 135 degrees at the first breakpoint. 135 - 70 = 65 degrees. The gain margin is impossible to calculate based on the given data because we don't know the third breakpoint. In a real amplifier it could be found.

Reality check: In a real amplifier the zero degree phase shift point can always be found with an oscilloscope and an audio oscillator. The gain margin can be found directly without any calculation. Phase margin could also be measured but some angles are difficult to measure with an oscilloscope especially near 90 degrees.

Let's calculate the value of the missing capacitor in Figure 1.

C = 1/(2 Pi f R) = 1/(2 Pi 150 kHz 3300 ohms) = 322 picofarads. Use a 330 pf and be happy.

Example 2, the Newcomb D10.

Photo of Newcomb D10.

For those who haven't looked at the photos of my first high fi and stereo the very first pieces of "high fi" gear I owned were a VM record changer, That's why high fi is in quotes, A Newcomb D10 amplifier, and a small Jensen speaker system. The changer and speaker are stored in the attic and probably no longer functional. But the amplifier just keeps on tickin'. She's on her third line cord and fourth filter capacitor. The old girl just won't give up. A partial schematic with a modification is shown below.

Figure 4 Schematic of Newcomb D10 Showing Loop which has been Opened For Testing.

The lead compensation capacitor has been removed from the feedback resistor. The resistor itself has been changed from 3.3 k ohm to 470 ohm to bring the feedback up to 20 dB. The amount of feedback in the original design was barely 8 dB. There was no lag compensation. The resistor and invisible capacitor have been added to show where it will be placed when installed.

For this project I got my old analog scope out of storage and applied contact cleaner to its switches. Intermittent switches were the reason it went into storage in the first place. I got it out because the digital scope does a terrible job in XY mode.

Figure 5 Photograph of Oscilloscope Screen showing 45 degree phase shift.

A little known fact is that there is a fairly direct way of measuring the phase difference between two signals using lissajou figures. The full vertical span of the figure divided by the distance along the center line of the figure gives the sine of the angle between the two signals. It also works for the horizontal dimensions. The figure doesn't even have to be square, you can stretch it out to make the center line crossing easier to read. In the figure above the phase is as close to 45 degrees as I could reliably get. I measured the resistor, 1485 ohms, and capacitor, 100.7 nanofarads, and calculated the cutoff frequency, 1064 Hz, and set the audio generator to that frequency by a frequency counter. The sine of 45 degrees is 0.7071. The vertical extent is 6 cm and 6 x 0.7071 = 4.242. You can't really read a scope to 4 significant digits but you can come pretty close to 3 with care.

Note: It isn't easy to take a clear picture of a scope screen. You can't just hold a camera in front of a scope and snap the shutter. You must turn the intensity very low which always gives a sharper trace. Turn it so low you can hardly see it. Focus the trace the best you can. The scale illumination should be about the same as the trace. You can either turn out all the room lights or build a shroud for the scope as I did. It can be done with simple hand tools and doesn't take very long. You have to make it to fit your camera and scope. The edge of the shroud hangs on a groove along the top of the screen frame. The camera mounts to the shroud with a ¼ x 20 screw into the tripod mounting hole. The above picture was taken in a brightly lit room. I use the self timer to trigger the shutter to avoid any possible movement of the camera.

Put the oscillator signal on the Y axis and the output of the amplifier on the X. The best way to make the Y axis connection is with a T connector and coaxial cables. The X connection should be done with a times 10 probe. Do not clip the probe ground to the load resistor. Make the connection inside the amplifier to the point where the output transformer leads are soldered to terminals. Failure to do this will introduce some unwanted negative feedback caused by the ground loop that produces a voltage drop across the resistance of the leads between the amplifier and load resistor.

Set the vertical extent of the figure to 6 cm. If your generator has a flat output this will not need much tinkering with. Don't forget you can use the vernier on your scope to make the distances what ever you want. Expand the X extent to almost fill the screen horizontally. This will need to be changed as the amplifier rolls off. Set the X input to ground and position the vertical line exactly on the center line of the screen graduations. Check this periodically. Set the X input to AC. DO NOT USE THE DC SETTING! There may be some DC on the signal from the cathode of the input tube. It can throw off the reading. You can alter the vertical position control without introducing an error. Adjust the frequency until the distance along the vertical center line is 4.25 cm. Check to see that the total vertical extent is still 6 cm and readjust it if necessary. Then adjust for 4.25 cm again. A satisfactory outcome depends on the accuracy of these readings. If you don't have a digital readout on your generator connect an external frequency counter.

AB = 19 dB, (19.3 dB)*

Here are the data for the D10.

First breakpoint 135 degrees, 9,500 Hz, (9,240 Hz)*
Gain = (17.1 dB).
Corner frequency (-3 dB)
Gain = (16.3 at 11,000 Hz)*. Something is wrong here. #

90 degrees at 32,500 Hz, (32,600 Hz)*
Gain = (11.3 dB)*.

Second breakpoint 45 degrees, 53,200 Hz, (5,393 Hz)*.
Gain = (8.9 dB)*

Zero degrees phase 78,100 Hz, (78,100 Hz)*
Gain = (1.7 dB)*.

Third breakpoint -45 degrees, 159 kHz. Hard to read because of noise from the amplifier.
Can't find on 3570.

* Values in parentheses were measured with an HP 3570A Network Analyzer. This instrument works with a companion frequency synthesizer which connects to the analyzer. There is a signal output which is a repeat of the synthesizer and is fed to the input of the amplifier under test and an input which receives the output from the amplifier. The analyzer has digital readouts of the amplitude in dB and the phase angle in degrees. There are analog outputs for an X-Y plotter but these have not been implemented as yet.

# Try as I might I could not get the phase angle of 45 degrees to match up with the -3 dB amplitude frequencies. The HP 3570A is 38 years old and is no doubt in need of calibration. Maybe some day I will take on that task but not today.

With the unity gain point measured and marked by the vertical line on the Bode diagram the gain margin is 3 dB and the phase margin is approximately 19 degrees. Not so good.

Figure 6 Bode Diagram of D10 Also Showing Lag Compensation.

Let's see what a little lag compensation will do. The question is how much to use. The response is already 3 dB down at 9.5 kHz and it is natural to not want to give up any more. But we have too to make the amplifier stable. Remember that 20 dB of feedback will increase the upper frequency by a factor of 10 but as it stands the loop gain is down to 12 dB at 20 kHz and if we use a one octave lag network the loop gain will be down to 6 dB at 20 kHz. There isn't much point in using a lag network that spans less than one octave but we don't want to use one that spans more than that. So, one octave it is, starting at 4750 and ending at 9500 Hz as shown by the blue line in Figure 6.

Add the blue line to the red line to give the green line. The phase margin is now an estimated 53 degrees and the gain margin is approximately 9 dB. We won't know for sure until the network is installed and the characteristic measured.

Converting the lag network frequencies to R and C values.

Before we can begin to design the RC lag network we need to know the Thevenin's resistance at the plate of the first 12AX7. We can calculate it,

Rth = rp Rb/(rp + Rb) = 80 k x 270 k / (80 k + 270 k) = 61.7 k ohms.

And again we could measure it. The only additional equipment you need is some kind of variable resistor. A decade resistance box is handy because it contains its own readout. A simple potentiometer will do. Connect the pot or resistance box with a capacitor in series to avoid upsetting the operating point of the tube. Use a 0.47 or larger but not an electrolytic capacitor. Set the frequency to about 1 kHz and read the amplifier's output voltage without the variable resistor connected. Then connect it and adjust it for half of the output voltage you had before. If you used a pot carefully disconnect it and measure it's resistance with an ohm meter preferably a digital one.

The result is 46 k ohms. Better to measure. The value of the resistor in the lag network is directly related to the Thevenin resistance of the stage and the frequency span of the network. It is,

Rlag = Rth / (f2/f1 - 1) = 46 k / (9500/4750 - 1) = 46 k ohms.

We'll use a 47 k ohm. The value of the capacitor is,

Clag = 1/(2 Pi f2 Rlag) = 1/(2 Pi 9500 47 k) = 356 pf.

Unfortunately that's almost half way between 330 and 390 pf. To make things worse my stock of 330 pf caps are all low in value while the 390 pf caps are all high. Sometimes you win and sometimes you lose. I found a 378 pf cap which I used.

Figure 7 Bode Diagram of D10 With Lead Compensation.

You may be wondering why the lead compensation line flattens out. The feedback network is a voltage divider which is composed of Rf = 470 ohms and Rk = 100 ohms. That works out to,

B = Rk/(Rf + Rk) = 100/(100 + 470) = 0.175.

The capacitor across Rf makes the attenuation of the B network start to roll upward starting at 53.1 kHz but can it keep increasing indefinitely? No. A network consisting of only resistors and capacitors, cannot increase the amplitude of a signal. In other words the output can't exceed the input. The greatest output possible is equal to the input. So a point is reached where the output can't increase with frequency and the output goes flat.

True, the blue line is shown as starting at unity gain and going up from there but the line indicates changes we are making to the system. Connecting a capacitor across Rf has no effect at low frequencies so the change is zero. As frequency increases the loop gain begins to change in the positive direction hence the line goes up above unity gain.

Clead = 1 / (2 pi f Rf) = 1 / (2 pi 53.1 kHz 470 ohms) = 0.00638 uf.
Use a 0.0068 uf capacitor.

Now we close up the feedback loop to see what we have.

Figure 8.1 Square Wave Response of D10 With Loop Closed.

The upper -3 dB point is about 45 kHz but there is far too much ringing on the square wave test. Enough with this amplifier. Obviously it won't support 20 dB of feedback.

When testing with the network analyzer I found an output transformer resonance that I had missed using the scope. A resonance betrays itself by a reversal in the change of phase. As frequency increases the phase always moves in the negative direction. At about 125 kHz the phase started changing in the positive direction indicating a resonance. I might have seen this if I had switched over to dual trace mode but that takes constant fiddling with the sweep speed. Let that be a lesson unto you. Lissajou figures give no sense of direction of phase change.

Example 2.5 A Second Look at the D-10.

Figure 8.2 Bode Diagram of D10 Taken with Syscomp Network Analyzer.

The date at this writing is January 21, 2014. The Syscomp soft oscilloscope and network analyzer is a new acquisition. Agreement between it and the earlier methods is within expectations. No doubt some readers will say that it isn't very accurate but it seems to be within the reading accuracy of the graphs.

It should be remembered that tube parameters are not controlled to within 5 percent and often go outside of 10 percent. Changes in gain will not change the break frequencies but will change the requirements for compensation. The plate resistance is a major part of the resistance at the plate of the 12AX7. If the plate resistance changes a different value of lag capacitor must be used.

The tricks played by the output transformer can clearly be seen in the phase diagram starting at about 150 kHz and above 200 kHz in the amplitude plot.

Now that I have a new tool that makes data collection much quicker and easier lets see what can be done with the old D-10. Example 3 below was just too easy. The reason for preferring the Hammond output transformers even with their limited low end is clear.

Back calculation from the feedback network of 470 ohm and 100 ohm and the loop gain AB value of 9 gives an amplifier open-loop gain of 51.3. Let's try reducing the amount of feedback by 6 dB to 14. 14 dB of gain reduction gives a closed loop gain of 10.23. The AB value for this is 4 and the new value of B is given by,

B = (A - A') / (AA') = (51.3 - 10.23) / (51.3 x 10.23) = 0.07825.

The cathode resistor in the D-10 is 100 ohms which fixes the feedback resistor at 1.2 k ohms by my electronics calculator suite.

I tried a different method of finding the Thevenin resistance at the plate connection of the 12AX7. I adjusted the frequency to near 1 kHz and found the exact frequency where the phase shift was 180 degrees. Then I connected a decade capacitance box, an old Heathkit, across the 270 k ohm plate resistor and adjusted it for a phase shift of 135 degrees. The calculated reactance of the capacitance of the box at this frequency is 46.8 k ohms which is also the Thevenin resistance. This is in very close agreement with the value obtained by the earlier method. Use which ever one you are best equipped for.

Figure 8.3 Plot With feedback resistor set for 14 dB of Feedback and Original Lag Network.

The amplitude clearly undergoes a change in slope at around 55 kHz while the phase plot seems to cross 45 degrees at 60 kHz. Lets see what size capacitor we need.

C = 1/(2 pi 55 kHz 1.2 k ohms) = 2.4 x 10-9 farads = 0.0024 uf.

Let's use a 0.0027 uf. The first 0.0027 I picked out of the drawer measured 2.54 nf and that's plenty close enough. The loop was closed up but to the 8 ohm tap rather than the 16. My measurements were all taken to this tap so it makes the most sense to use it for the feedback. Below are the frequency and square wave responses. All measurements were taken at a power level of 1 watt.

Figure 8.4 Plot of Closed Loop Frequency Response.

Figure 8.5 Response to a 1 kHz Square-Wave.

Closed loop frequency response is,

Less than 10 Hz to 22.9 kHz, -3dB from mid band.

Total harmonic distortion is: 0.145% at 1 kHz.

Not Bad.

So I have set up a little background music system using the Newcomb. I have attached it to a not quite so old Realistic Nova 7 speaker system. The signal source is an MP3 player. The little player is about as long as the 12AX7 in the amp is high. The player is thinner than the tube. As I type this the song that is playing from my mix tape is "Music to Watch Girls By". When it ended next on the tape was "Don't be Cruel". This unusual mix of technologies sounds pretty good at least for background music. Oh yes, The mix tape was originally a reel to reel tape. There were actually 13 of them all 3600 feet recorded at 3-3/4 IPS. You may wonder about the speed but they were recorded on an Akai model GX77 which has response to 30 kHz, tested by me, at 7-1/2 IPS. I still have the reel tapes and the Akai still works but the convenience of miniature electronics is seductive.

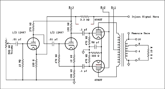
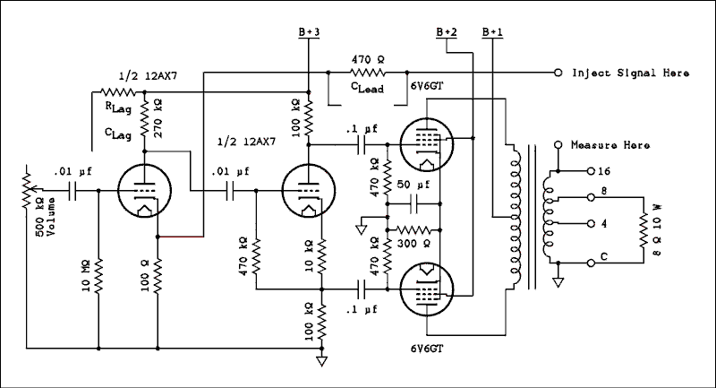
Example 3, The Amplifier Test Bed.

Photo of Amplifier Test Bed Sitting on my Bench.

I lifted the amplifier test bed out of its specially designed workbench drawer and placed it on top of the bench. The last circuit I had on it was a pair of 6550s with a Hammond 1650K output transformer. That seems like a good amplifier for our next example.

Here is the schematic diagram of the test circuit.

Figure 9 Circuit of Test Amplifier.

The level control on INPUT 2 was set to maximum and signal fed to this input. The level control on INPUT 1 was set to zero to effectively ground the grid of the left hand triode. Not every detail of the circuit is shown to keep the diagram from becoming too complicated. For details of metering, power supply, and the blocks labeled "Amplifier", the reader is referred to An Amplifier Test Bed.

Voltage divider.

The first step is to calculate the value of the voltage divider B to give a loop gain of 9. Measuring the open loop gain was complicated by gain drift. As discussed earlier, gain drift is caused by changes in tube parameters as they warm up and random variations with the passage of time. Signal was injected at INPUT 1, the level control set at maximum, and the output was measured across the 8 ohm load. I measured gain values ranging from 530 to 570 and the average of several measurements resulted in 550. We want to apply 20 dB of feedback so the loop gain has to be 9.

AB = Loop gain

550 B = 9

B = 9 / 550 = 0.01636363637. Round it off to 0.01637.

I used the voltage divider part of the electronics calculator suite and selected a close match of 12 k ohms for R1 and 200 ohms for R2 as shown in Figure 9 above.

Frequency (Hz) Phase (Degrees) Loop Gain (dB)
2.00 k 180 18.7
37.7 k 135 19.7
70.0 k 90 18.0
115 k 45 12.4
215 k 0 1.2

From this data we construct the Bode diagram, red line in the figure below. Note: The breakpoints in the Bode plot are at phase angles of 135 and 45 degrees. The other angles were recorded just for the Halibut.

Figure 10 Bode Diagram For Lag Compensation.

The reader who is awake will notice that the dB readings in the table don't exactly match the points in the graph. The gain of this circuit is quite high and it is spread out over a larger area than would be true if it were built in a permanent form. I suspect there are parasitic feedback loops that would be very difficult or impossible to account for. At this point I didn't think things would work out. But, spoiler alert, they did. Recording the gain or attenuation figures is pointless because the Bode diagram is always constructed with slopes of 0, -1, -2, etc, regardless of measured gain. The values were given here in the name of honesty. I didn't fudge the figures. They are what they are.

Next step is to decide on how much lag compensation to use. This is often a matter of guesswork and on occasions it has to be repeated if results aren't what is desired. I decided on a new first breakpoint of 15 kHz. So the blue line indicates a flat response out to 15 kHz, a slope of -1 from there to 37 kHz and flat on out to 1 MHz. When the blue line is added to the red line, the green line results.

Next step is to find the values of Rlag and Clag. They are a series RC connected between the two plates of the long tail pair. Before we can begin to calculate their values we must know the impedance at this point in the circuit. We could calculate it. It is,

Rth = 2 rp Rb /(rp + Rb) = 2 80 k ohms 100 k ohms / (80 k ohms + 100 k ohms) = 88.89 k ohms.

Let's measure it with a decade resistance box in series with a DC blocking capacitor.

Measured Rth = 71 k ohms.

Well, that's better agreement than we got the last time. We will use the measured value.

Rlag = Rth / (f2/f1 - 1) = 71 k / (37 kHz/15 kHz - 1) = 48.4 k ohms.

Use 47 k ohms.

Clag = 1 / (2 Pi f2 Rlag) = 1 / (2 Pi 37 kHz x 47 k ohms) = 91 pf.

Figure 11 Schematic Showing Lag Network.

Optional Step, Measuring the Results.

Frequency (Hz) Phase (Degrees) Loop Gain (dB)
18.5 k 135 15.5
62.0 k 90 10.8
115.8 k 45 3.8
320 k 0 -14.4

The first breakpoint came out at 18.5 kHz instead of the planned 15 k but, damn the torpedoes, full speed ahead. Now we take the green line from Figure 10 and make it the red line in Figure 12.

Figure 12 Bode Diagram For Lead Compensation.

Lead compensation was added by connecting a capacitor in parallel with the feedback resistor. We want the lead network to break upward at the same frequency as the second downward breakpoint in the loop gain response.

Clead = 1/(2 pi 115 kHz x 12 k ohms) = 115 pf. Use a 120 pf.

Note that the frequency used to calculate the capacitor is the same in both tables and is only slightly changed by the lag network. Now the lead capacitor is installed and loop closed up as shown in Figure 13.

Figure 13 Schematic Showing Lead Network.

Upper -3 dB point 115 kHz phase = -68.5 degrees.
Lower -3 dB point could not be found but plate current became excessive at 13.3 Hz.

The proof of the amplifier is in the square wave response.

Figure 14 Scope Photo of Square Wave Response.

Step-by-step Amplifier Compensation.

  1. Open the negative feedback loop and remove all compensating capacitors.

  2. Configure the amplifier as shown in figure 4.

  3. Decide how much feedback, in dB, you want to apply to the amplifier.

  4. Calculate loop gain AB from, AB = 10^(dB/20) - 1. Note: You may have to change this if the amplifier will not tolerate the amount of feedback you set in step 3.

  5. Connect a proper load resistor, not a speaker, to the amplifier output.

  6. Turn on the amplifier and allow it to warm up for about half an hour.

  7. Measure the loop gain at 1 kHz and if it isn't the value calculated in step 4, recalculate the value of the feedback resistor to make it right.

  8. Here I am assuming you have a dual trace scope which can be switched over to X-Y mode. To avoid burning the screen do not change the mode to X-Y until you have signals applied to both traces.

  9. Connect the probe on the trace which is the X input to the output of the amplifier. Do this internal to the amplifier where the leads from the output transformer secondary are soldered to terminals.

  10. Connect the probe from the Y input to the input but connect the ground on this probe to the same point as the X probe.

  11. Connect the audio signal generator to the input but connect the generator ground to the grounded end of the cathode resistor or an equivalent point if a different feedback connection is used, for example, a long tail pair. This may create a ground loop if both instruments have grounded line cords. If so, use a 3 to 2 adapter on one of the instruments to break the loop.

  12. With the scope still in X-T mode turn on the signal generator and get good traces on both channels. Set the amplifier's output to about 1/10 of it's maximum power.

  13. Change the scope to X-Y mode. You should see a line sloping up to the left. It may be a very narrow ellipse.

  14. Adjust the input attenuators and verniers to give a pattern that is 6 cm high and as wide as the screen will allow.

  15. Set the input of the X channel to ground and adjust the positioning control to place the vertical line exactly on the center line of the screen. Recheck this from time to time. Set the X input to AC coupling

  16. increase the frequency of the generator until the ellipse is 6 cm high and its extent along the center line is 4.25 cm. Refer to figure 5 and the explanation that goes with it. The ellipse should be leaning to the left. This is the first breakpoint which has an angle of 135 degrees. Write down the frequency.

  17. Continue increasing the frequency until the ellipse is leaning to the right and 45 degrees is indicated. Write down this frequency.

  18. It is unlikely that you will be able to find the -45 degree point. If you can, write down the frequency.

  19. If you choose to buy graph paper you need paper with a 3 cycle semi-log scale. If you have downloaded my blank graph you can either, load it into a graphics program and draw the lines electronically, or print it out and draw the lines the old fashioned way. Either way, construct the Bode diagram as done in the examples above.

  20. Now decide how low the frequency of the first breakpoint can be. Ideally it should be 20 kHz but this is seldom achievable. If you are over 65 and you are the only one who listens to the amplifier, the frequency can be as low as 12 kHz. You might even want to test your hearing before making this decision. You can place the first breakpoint below the ideal frequency because when negative feedback is connected the frequency will be increased. For example, if 20 dB of NFB is applied the open loop breakpoint will be moved up by a factor of 10. You could bring the breakpoint down to 2 kHz and allow the NFB to bring it up to 20 kHz. I don't recommend such a drastic measure.

  21. If the first breakpoint is well above 20 kHz as in example 3 you are in good shape. If it is well below 20 kHz as in example 2 you have no choice but to lower it further. This is a judgment call and you are the only one who can make it. I don't recommend lowering it any less than a factor of 2, one octave.

  22. Calculate or measure the impedance, Rth, at the plate of the amplifier before the phase inverter or between the plates of the long tail pair if a circuit like that in example 3 is used. If the LTP has unequal plate resistors and there is an amplifier before it put the lag network in the plate of that amplifier. Measurement is recommended if at all possible.

  23. Draw the lag compensation line on the Bode diagram and mark f1 and f2 as in figure 6. Calculate the lag network values as follows.
    Rlag = Rth / (f2 / f1 - 1) and
    Clag = 1/(2 Pi f2 Rlag)

  24. Add the two lines together to get the equivalent of the green line in figure 2, 6, or 10.

  25. You can start from a new graph or add lines to the current one. I changed graphs to keep the diagrams as easy to read as possible.

  26. Add the lead compensation line as in figures 3, 7, or 12. The lead line should break upward at the frequency of the second breakpoint in the original plot. Call this f3.

  27. Calculate Clead from, Clead = 1/(2 Pi f3 Rf), where Rf is the feedback resistor.

  28. Close up the feedback loop and test the amplifier with a square wave of 1 to 3 kHz. If it isn't to your liking remove the lead capacitor and the lag network and go back to step 3 and change the amount of NFB you want to apply to the amplifier, or to step 20 and lower the first breakpoint as determined by the lag network.

  29. Good luck.

  30. May your spirits never lag and pessimism never lead.

Click here to download a zip file containing a GIF of blank graph for Bode plots and an XLS file of the interpolation chart for the graph.


Home