Four Tube Superhet Radio

Like the three tube superhet this is a radio you well may want to build in some permanent form. I have heard tell of people building radios like this one on a nicely finished wooden chassis in a clear plastic case so everything is visible.

Performance wise this is superior to an All American Five. Those who have grown accustomed to the poor performance of AM transistor radios will be surprised and delighted. At night I can hear stations from all over the eastern half of the United States. If I wanted to stay up after midnight I could likely go pretty far west but I'm getting a little old for those late hours. I built this one on the latest incarnation of my breadboard and I really don't want to take it apart.

As far as sensitivity goes this radio isn't really that much better than the 3 tube circuit. If you build the 3 tuber with the miniature series (6BE6, 6BA6 and 6AV6) and you use a long antenna (20 feet or more) you will be able to hear any station that is stronger than your local noise level. This radio stands out in two areas; image rejection, and AGC action.

If you don't remember what image frequencies are go to the article on the Simple Superhet. You may want to review the section on mixers before moving down to the "Image Frequencies" heading.

When you are tuning around on the AM band occasionally you will hear a whistle which descends in pitch and then rises again as you continue to tune across it. That's the image of a station making difference frequencies with the main frequency. This can be particularly annoying if you have strong local stations at the high end of the band. This circuit will greatly reduce these image frequencies.

The RF amplifier stage makes the AGC (automatic gain control) work much better. You won't have to tune with the other hand on the volume control.

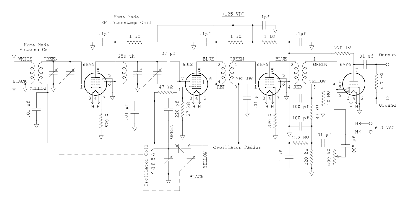
Well, here's the circuit diagram.


 Schematic diagram

For a verbal description click here.


The theory of operation has already been covered either in the Simple Superhet or the All American Five. Building this radio is really not hard especially if you have been working along through the circuits in the order I have presented them.

The Variable Capacitor.

The variable capacitor is one I happened to have on hand but there is one like it listed in the Antique Electronics Supply catalog and on their web site. It is a 3 section 30 to 470 picofarad per section. This is not the best for the AM band but it's all I have. The ideal capacitor would have one section smaller than the other two. If you have or can get one by all means get it and use it.

The Trimmer Capacitors.

Some variable capacitors have what look like screws on the side; one for each section. People who are not knowledgeable about electronics will sometimes tighten up these screws because they in fact are loose. These screws are small adjustable capacitors. As the screws are tightened the metal plates, which are separated by the insulating mica, are pressed closer together thus increasing the capacitance. These are shown in the schematic diagram as variable capacitors in parallel with the sections of the main tuning capacitor. If you have one of those tuning capacitors with one small section and it has three trimmer capacitors on it you can skip the rest of this section and the entire section on the padder capacitor.

If you are still reading you have a tuning capacitor like the one I have. Mine has only one trimmer built in and it is on the center section. If yours has three trimmers you will need one less external trimmer than I did. Use the front section (closest to where the shaft comes out) as the oscillator tuner. Loosen this screw until the trimmer has expanded as much as it will. If you need to add one or two trimmers use 7 to 45 or 10 to 50 picofarad or something reasonably close.

On the schematic you will notice that in the oscillator the trimmer is across the coil. You will have to use an external (to the tuning capacitor) trimmer. Use a 10 to 100 picofarad unit here.

The Padder Capacitor.

The padder capacitor has a maximum value of 500 pf. This is a compression mica type. Ceramic trimmers don't come in values that large.

The Coils.

The antenna coil is the same one used in all the radio circuits. For some reason I couldn't keep the circuit from oscillating using the RF interstage coil we used in the TRF radio. I have reduced it to just one coil, 66 turns of the number 26 (green) wire on a 2 inch mailing tube.

The oscillator coil is a bit different because of the trimmer and padder used for alignment. It is now 40 turns total instead of the original 45. You can wind a new one from scratch or take turns off of the one you already made.

Alignment.

To properly align this radio you really need a frequency counter. There not that expensive any more so if you don't have one and you want to play with radios you really ought to get one. When you first turn on the power you should be able to hear your local stations even before alignment.

IF Alignment.

Remove the RF amplifier (6BA6 from its socket. If you have a signal generator connect its output to pin 1 of the 6BE6, this will "kill" the local oscillator. Use your frequency counter to set the generator to 455.0 kc.

If you don't have a signal generator set the tuning capacitor to maximum (fully meshed) and connect your frequency counter to pin 5 of the 6BE6 through a DC blocking capacitor (.001 microfarad). Be sure the power is turned off. Temporarily solder a wire across the padder capacitor to short it out. Temporarily solder a 820 pf capacitor in parallel with the oscillator coil. Turn the power back on. Adjust the tuning capacitor until the frequency counter reads 455.0 kc.

Disconnect the frequency counter. Connect a DC voltmeter to the AGC point (junction of the 2.2 Megohm resistor and 0.1 microfarad capacitor.

If you have a signal generator, and are using it, adjust its output level until you get about 5 volts on the voltmeter. Use a plastic alignment tool to adjust the slugs or screws in the two IF transformers for a maximum reading on the voltmeter.

Turn off the power. Unsolder the wire from the padder and the 820 pf capacitor from the coil. Reconnect the frequency counter to pin 5 of the 6BE6. If you used a signal generator disconnect it.

Turn the power back on. Set the tuning capacitor to fully meshed. adjust the padder capacitor for a frequency reading of 990 kc (455 + 535 5 kc safety margin).

Set the tuning capacitor to fully unmeshed and adjust the trimmer for a frequency reading of 2160 kc (1705 + 455). I think it was some time in the 1970s that the FCC extended the top of the AM band from 1600 to 1700 kc.

Adjusting the trimmer changes the proper setting for the padder and adjusting the padder changes the proper setting for the trimmer. In other words they interact. You have to go back and forth adjusting first one and then the other. Eventually it will converge. Don't waste a lot of time trying to get it absolutely perfect. A 5 kc margin means you can miss it by 2 or 3 kc and never know the difference.

RF Alignment.

Replace the RF amplifier tube in its socket. When the antenna is connected you should hear noise (from fluorescent lights and power line insulators arking or leaking). At night you should hear wall to wall stations. tune near the high frequency end of the band and adjust the trimmers on the antenna and RF amplifier plate for maximum noise. If the receiver seems to go dead near the low end try placing some ferrite slugs in the antenna and RF coils. They don't have to be held in the center. If the coils are horizontal you can just set the ferrite inside the coil form. As you move the ferrite into the coil listen to see if the level increases or decreases. If it decreases you will need to take turns off of that coil. If it increases find the optimum point and then adjust the other coil in the same way. Return to the high end and adjust the trimmers again. Go back and forth until neither one needs any further adjusting. Tape the ferrite in place with scotch or electrical tape. Happy DXing.

Well, that's about it. Any questions?

I'd like to know if anyone is actually building these radios. If you are, drop me an email to let me know.


This page last updated May 8, 2003.


Home