Multi Tube Radios.

Simple Superhet

The previous radio receivers have brought us up to about 1925. The principle of heterodyning had been developed by Edwin Armstrong in the 19 teens and an early version was offered to the public as early as 1919 but it really didn't catch on in the consumer market until the late 1920s.

The Principle of Heterodyning

Heterodyning is more commonly known as "mixing", "conversion" or "modulation". OK; but what is it? If you combine two frequencies in a device known as a "mixer", "converter" or "modulator" you get two new frequencies. These new frequencies are the sum and difference of the two original frequencies. For example if you combine 5 Mc and 6 Mc in a mixer you get the two original frequencies and in addition you get 1 Mc and 11 Mc. If you combine 650 kc and 1105 kc you get 455 kc, 650 kc, 1105 kc and 1755 kc.

In my retro mood I have returned to using cycles per second instead of hertz. The change from cycles to hertz took place in 1965 and was widely resented among practicing radio engineers. Common usage was to drop the "per second" and say "cycles", "kilocycles" or "megacycles". Saying "cycles" when "cycles per second" was meant may not have been technically correct but the "per second" was understood by all who heard or read it. Some stuffed shirts didn't like that and changed it to hertz. The "technically correct" movement of the 1960s was not unlike the "politically correct" movement of the 1990s. In addition I think they were secretly hoping that after they were dead someone would name a unit of measurement after them.

There are some types of mixers in which the original signals are canceled out and ONLY the sum and difference frequencies appear in the output. These devices are called "doubly balanced mixers" or DBMs for short. We will likely get to them in time. But for now we will be talking about and building mixers in which the original two signals appear in the output along with the sum and difference frequencies.

So What is a Mixer?

Well, it's any nonlinear device. A nonlinear device is anything that has a graph that isn't a straight line. A diode, either vacuum or semiconductor makes an excellent mixer. A tube or transistor which is being driven into overload is another excellent mixer. The balanced variety consists of combinations of diodes and transformers, or transistors (usually in an integrated circuit). There was even a special tube developed in the 1960s that was a balanced mixer.

The Superhet Receiver

In connection with the TRF receiver I mentioned that tracking of the tuned circuits was a problem. Our little radio didn't do badly at all. Modern tubes and brand new coils were the main reasons. The coils we are winding on cardboard mailing tubes likely won't be nearly as good in five years after the paper (that's all cardboard is made of after all) begins to deteriorate. Materials of the 1930s that would have lasted long enough to use in a consumer product didn't give a very high Q (measure of selectivity). Our two tube, two tuned circuit radio probably performed about as well as a four tube, four tuned circuit radio of the late twenties.

The major problem with TRF receivers is changing selectivity as you tune across the band. You may not have noticed it but the stations at the high end (near 1600 kc) tuned more broadly than the stations at the low end (near 540 kc). If there were two stations close together in frequency at the high end you may have had trouble separating them. This would not have been a problem at the low end.

The reason for this is that selectivity (or bandwidth) is a constant percentage of the center frequency. Suppose the Q of a tuned circuit is 40. At a frequency of 600 kc the bandwidth is 15 kc. That's about right for AM reception. On the other hand the bandwidth at 1500 kc is 37.5 kc. There is no way around this. We would have to repeal some of the laws of electricity and magnetism to keep this bandwidth change from happening.

If we could find a way to change the frequency of any given station to some predetermined frequency we could build a set of tuned circuits and amplifier stages that would always have the proper bandwidth and we wouldn't have to worry about tracking because the frequency of the circuits will never be changed. Calling up the station and asking them to change frequency doesn't seem to be a practical solution. We need some way to change the frequency after the station's signal enters our radio.

Are you ahead of me? Yes. The mixer is it. The frequency we generate to combine with the incoming station is produced within our own circuitry so it is local. It is called the "local oscillator". Let's say we have constructed a fixed tuned amplifier at a frequency of 455 kc. (That's the almost universally used frequency for this amplifier. Car radios usually use 262 kc. I don't know why.) So if we want to listen to a station on 780 kc we must tune our local oscillator to 780 kc + 455 kc = 1235 kc. The 1235 kc local oscillator combines with the incoming station at 780 to produce two new frequencies at 455 kc and 2015 kc. The tuned circuits select the frequency at 455 kc and reject all others. The frequency of 455 kc is in-between the station's frequency and the audio frequencies so it is called the "Intermediate Frequency" or just IF for short.

To say "the IF frequency" is to be redundant along with PIN number, IBM machine, SAT test, SEC conference, HIV virus, and thousands of others you can hear all the time even on network radio and TV.

Image Frequencies

Suppose you live in Cincinnati so you have a strong local station on 1530 kc. (It used to be WCKY; I don't know if it has changed. I haven't heard it in a long time because it skips over me here in BG KY.)   Well, suppose you would like to listen to an out of town station which is operating on 620 kc. You tune your local oscillator to 620 + 455 = 1075 kc. What do you hear? Well, WCKY on 1530 is also there and combines with your local oscillator on 1075 to produce a difference frequency of 1530 - 1075 = 455 kc. OOPS!     That's the main drawback to a Superhet receiver. It receives two frequencies simultaneously at the same time. It's up to the antenna coil which is tuned to 620 kc to reject the strong signal on 1530 so you can listen to the station you want to hear. A really good AM radio will have an amplifier stage before the mixer, called the "RF Amplifier" or "RF Stage" with two tuned circuits to make sure you are only listening to one station at a time.

The Simple Radio

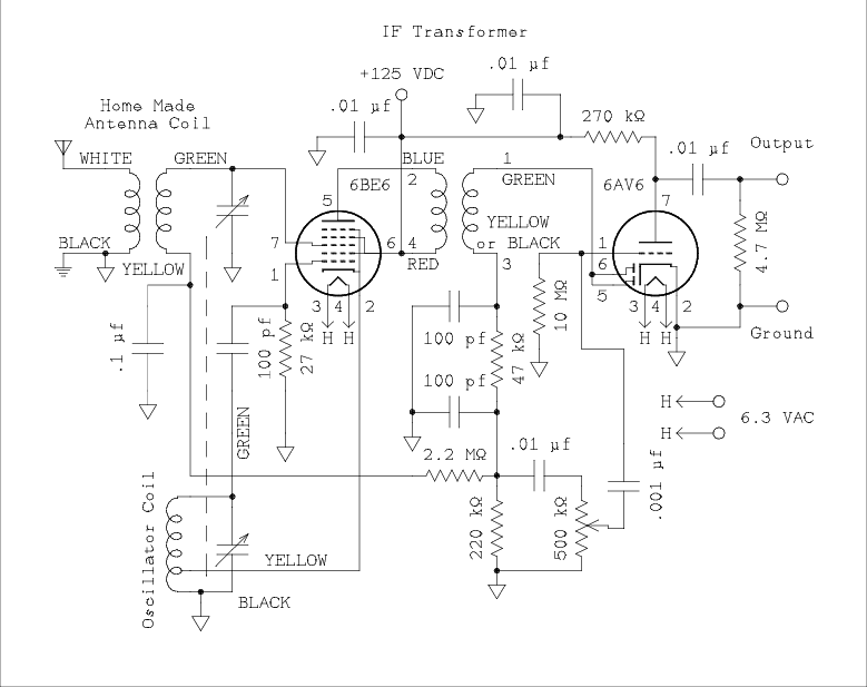
When I was much younger I actually owned a radio which might be called an All American Four. One tube was a 35Z5 rectifier to change the AC line voltage to DC, another was the 50L6 audio power output. That left only two tubes for the actual radio circuit. They were a 12SA7 converter and 12SQ7 detector and audio amplifier. The radio we are going to build uses the miniature version of these tubes 6BE6 converter and 6AV6 detector and audio amp. If you should want to use the octal versions 6SA7 and 6SQ7 there is no reason why not to do it. Just remember the pin numbers are different. The 6BE6/6SA7 converter has 5 grids making it a heptode or 7 element tube. Grids 2 and 4 are tied together inside the tube and grid 5 is tied to the cathode. That's how they can make it work in a 7 pin tube. (They need 2 pins for the heater leaving only 5 for the other elements of the tube.)

Look at the schematic diagram below.

 Schematic diagram

For a verbal description click here.

The cathode and the first two grids work like a triode tube and are the local oscillator. The circuit is called a Hartley oscillator because it uses a tapped inductor. The cathode goes to the tap and the first grid, called the oscillator grid, receives signal which is coupled from the top of the oscillator coil. The cathode current flows through a few turns at the ground, or low, end of the coil. The magnetic field induces voltage in the rest of the coil. The coil is tuned by one section of the variable capacitor and the alternating voltage which appears across the coil has the frequency to which the coil is tuned. The voltage which is applied to the grid is enough to drive the cathode current of the tube from saturation to cutoff. The pulses of cathode current flow through the lower turns of the coil and maintain the oscillation. When the alternating voltage at the top end of the coil swings positive the grid is driven slightly positive and begins to conduct current like a diode. (The grid is attracting electrons to its self and therefor acts like the plate of a diode.) The capacitor charges up so the most positive voltage at the grid is just barely positive and most of the time the grid voltage is negative. A DC meter connected to the grid with proper isolation so it won't short out the AC, will indicate the average voltage which may be anywhere from -5 to -40 volts. So the cathode current is flowing in short pulses at the oscillator frequency. Since the cathode is the only source of electrons in the tube the plate current is also flowing in short pulses with little or no current in-between pulses.

Grid 2 is connected to B+ and acts like a plate but it is a leaky plate. Electrons pass on through it to go on and be effected by the remaining 3 grids. Grid 3 is where the station's signal comes in. Because the oscillator signal is over driving the tube the sum and difference frequencies appear. Grid 4 is connected to B+ and so accelerates the electrons on there way to the plate.

Sometimes the impact of electrons on the plate causes electrons already there to be knocked loose. This is called secondary emission. If grid 5, called the suppressor grid, were not present these secondary electrons would go to the screen grid, grid 4, and take away from the plate current. There are times in the AC cycle when the plate voltage is actually less than the screen voltage. The suppressor grid, which is tied to the cathode, is negative enough to cause the secondary electrons to go back to the plate because they have no where else to go. The wires of grid 5 are widely spaced so it has little effect on the high velocity electrons on their way to the plate.

The tuned circuit in the plate of the 6BE6 is tuned to 455 kc and is the primary of the only IF transformer in the radio. The secondary is also tuned to 455 kc and the two circuits are coupled just enough so the two tuned circuits work together properly. (If they were too closely coupled the tuned transformer would have two humps with a notch in the middle. For some special applications this is required but not for this one.)   In more elaborate radios the secondary of the IF transformer would feed another amplifier with another IF transformer in its plate circuit. This is a simple radio so the signal goes to the detector.

Just like the crystal set the signal is detected by a diode rectifier. If you haven't read "AMPLITUDE MODULATION, How it Works" maybe it's time to do so. The cathode of the 6AV6 is grounded which causes the rectified signal to appear at the bottom end of the IF transformer secondary winding. The two 100 pf capacitors and the 47 k ohm resistor filter out the 455 kc frequency while allowing the audio frequencies to pass unaffected. The audio is coupled through the .01 microfarad capacitor to the volume control. The 2.2 megohm resistor and .1 microfarad capacitor remove the audio frequencies and pass the DC through the secondary of the antenna coil and then to the signal grid of the 6BE6. This is for AGC (automatic gain control) or AVC (automatic volume control), it is known by both names. A strong local station will develop a substantial negative voltage which when applied to the signal grid of the converter tube will reduce its gain preventing overload.

After the audio signal leaves the volume control it is coupled to the grid of the triode section of the 6AV6 through a .001 microfarad capacitor. The triode employs grid leak bias. Because the grid wires are in the way some electrons randomly run into them. This gives the grid a negative charge. If a large resistor, 10 megohms, is placed in the grid this charge will leak off slowly enough to maintain about -1 volt on the grid. The triode section amplifies the audio signal and gives this little circuit a surprising amount of sensitivity.

Construction

Before you can build this radio you need to wind the antenna coil. and the oscillator coil. That done you need a different variable capacitor than the one we have been using. One of the rotor sections is smaller than the other one. You can get these out of old All American Five radios or from suppliers of old radio parts. such as Antique Electronic Supply. A photo of one is shown below.

 Photo, variable capacitor mounted on breadboard.  One section is larger than the other.

You also need an IF transformer. It's not practical to wind your own. Try the same sources as for the variable capacitor. There are two different styles, the small one was used with miniature tubes and the larger kind was used with octal tubes. There is nothing in the transformer its self that made it work with one kind of tube or the other, it's just a matter of physical size. A photograph is shown below. The larger kind have wires coming out which have the colors red, blue, green and yellow. The small kind have small pins or lugs to solder wires to and there are usually numbers embossed into the plastic next to each pin. Pin 1 is equivalent to the Yellow wire, pin 3 to the Green wire, (no I didn't get that wrong) pin 2 to the Blue wire and pin 4 to the Red wire.

 Photo, two I F transformers.  Large has wire leads and mounting studs.  Small has solder lugs and sprint clip mounting.

Within each type there is a distinction. This is between input or interstage and output. The input or interstage type are designed to work between the plate of a tube and the grid of the next tube in line. The output kind are designed to work between the plate of a tube and a diode detector. For this radio circuit you want the latter kind.

If you are getting them out of a junked radio look at the tube line up. Usually there are three tubes and two IF transformers in a line or some times an L shape. For the large tubes the line up is like this. 12SA7, INPUT IF TRANSFORMER, 12SK7, OUTPUT IF TRANSFORMER and finely 12SQ7. For the smaller tubes the line up is, 12BE6, INPUT IF TRANSFORMER, 12BA6, OUTPUT IF TRANSFORMER and finely 12AV6. Label each transformer and make a sketch of what pins or wires from the transformer go to what tubes. Use a tube manual to figure out which tube pins are the plate and which are the grid. The output IF transformer will connect to at least one and usually both of the diode plates in the 12SQ7 or 12AV6. For now don't worry about where the other two leads or pins go, just remove the IF cans -- as they are often called.

In the case of the large kind cut the wires as far from the IF transformer as possible to leave as much wire as you can with the transformer. The small kind have no wires of their own so cut the wires as close as possible to the pins. The small cans are held in place by a brass looking spring clip. To remove the can, turn the chassis upside down and use some blunt instrument to press down on one side of the spring to release it from the hole in the IF can on the other side of the chassis. Use a very small screwdriver to pry the clip away from the can and release pressure on the other side. Do the same on the other side of the clip. The IF can should come out of the chassis easily. The larger IF cans are held in place by two nuts which are accessible from the bottom of the chassis.

All of that said it doesn't seem to make a whole lot of difference whether you use an input or an output transformer. So if you can't find an output IF transformer or you don't know which kind you have go ahead and use what you have. Just don't get them out of a car radio because they won't work with the oscillator coil and variable capacitor described in this article.

Alignment

After assembling the radio you need to align or adjust the frequencies of the tuned circuits. A signal generator would help but if you don't have one don't despair. If you have wired everything correctly and all of the components are good you should be able to hear at least one station. Tune in the station and adjust the slugs in the IF can for loudest sound. The proper alignment tool would be desirable but if you don't have one you can use an ordinary screwdriver. (Note: Some IF cans have hex {six sided} holes for turning the slugs. If you have this type you MUST obtain the proper alignment tool. If you have the slotted kind and are using a metal screwdriver use it gently. The material of the slugs is extremely brittle and once you break a little piece off more will follow and the transformer will be permanently ruined.

If you do have a signal generator set it's frequency to 455 kc and feed it in at grid 3 of the 6BE6. Adjust the slugs in the IF can for maximum signal. Disconnect the signal generator.

If you have a frequency counter connect it to the cathode of the 6BE6 and turn the variable capacitor over its range. The oscillator frequency should cover a minimum of 990 to 2060 kc. It will likely cover more than that and that's alright up to a point. If the high end is somewhere around 2400 kc, tighten up the trimmer on the oscillator section. An upper frequency limit of 2100 kc is quite acceptable.

Now we come to the alignment of the antenna coil. If we had attempted this with the TRF we could have gotten better performance out of it. To do this you need a piece of ferrite rod. This is the black material that antennas in transistor radios are wound around. If you don't want to destroy an existing antenna you can buy ferrite rods from Antique Electronic Supply. You only need a piece less than an inch long. Ferrite is a very hard material. If you clamp a rod in your vise and start using a hacksaw on it after a minute or two you will find the saw blade doesn't have any teeth left and there will just be a little scratch on the ferrite. You need the scratch but find something that will scratch it without being destroyed. Clamp the rod in the vise with the scratch just showing and whack the side of the rod with something, maybe a hammer? Like glass or a diamond it may or may not break on the scratch. But unless it shatters into a thousand pieces you will have a little piece of ferrite.

If you don't have stations scattered all over the band where you live you will need some kind of signal or noise generator. Try turning on a fluorescent light. They often radiate a uniform noise over the AM band. Tune in a station, your signal generator or the noise of a fluorescent light between 1400 and 1600 kc and adjust the trimmer on the large capacitor section for loudest sound. Tune in a station, your signal generator or the noise of a fluorescent light between 540 and 650 kc. Take the piece of ferrite in one hand and hold it inside the antenna coil. There are no high voltages on this coil so there is no danger associated with this activity. As you move the ferrite in and out of the coil you are changing the amount of inductance of the coil and altering it's resonant frequency. You should be able to find a position where the sound is loudest. Position the coil so it is horizontal and lay the ferrite on the inside of the mailing tube. nudge it slightly back and forth until you find the best point. Now return to the high end (1400 to 1600 kc) and readjust the trimmer. Go back to the low end (540 to 650 kc) and move the ferrite around for loudest sound. Repeat until you are no longer making changes in the adjustments. Use Vinyl electrical tape (or any kind of tape) to secure the ferrite in place inside the antenna coil. Your radio is now aligned.

The radio I built surprised even me. Around midnight, stations were wall to wall. The tuning is a little broad because only one IF transformer is being used. The AGC is not very effective, it's main purpose is to keep very strong local stations from overloading it and it does work well for that. I can see the towers of one of our two local stations from my shop window but even it doesn't overload.

I'd like to know if anyone is actually building these radios. If you are, drop me an email to let me know.


This page last updated March 6, 2003.


Home