m
Chapter 4 Construction.
4.1 Die Cast Aluminum Box Preparation.
4.2 Circuit Board Preparation.
4.3 Module Construction.
4.3.1 Low Frequency Generator (LF Gen) Board. 4.4 Testing, Adjusting, and Troubleshooting, the Modules.
4.3.1.1 IC socket. 4.3.2 High Frequency Generator (HF Gen) Board
4.3.1.2 Copper Ground Wire.
4.3.1.3 Grounding Columns.
4.3.1.4 Jumpers.
4.3.1.5 Horizontal Resistors.
4.3.1.6 Vertical Resistors.
4.3.1.7 Capacitors.
4.3.1.8 Semiconductor Devices.
4.3.1.9 External Connecting Wires.
4.3.1.10 Regulator IC Protection Diodes.
4.3.1.11 Drilling Wire Escape Holes in the Box.
4.3.2.1 IC Sockets. 4.3.3 Input Buffer and High Pass Filter Board.
4.3.2.2 Copper Grounding Wire.
4.3.2.3 Grounding Columns.
4.3.2.4 Jumpers, Filter Section.
4.3.2.5 Horizontal Resistors, Filter Section.
4.3.2.6 Vertical Resistors, Filter Section.
4.3.2.7 Capacitors, Filter Section.
4.3.2.8 Semiconductor Devices, Filter Section.
4.3.2.9 Jumpers, Oscillator Section.
4.3.2.10 Horizontal Resistors, Oscillator Section. 4.3.2.11 Vertical Resistors, Oscillator Section.
4.3.2.12 Capacitors, Oscillator Section.
4.3.2.13 Semiconductor Devices and Trim Pots, Oscillator Section.
4.3.2.14 Capacitors on Foil Side of Board.
4.3.2.15 External Connecting Wires.
4.3.2.16 Drilling the Adjustment Screw Access Holes.
4.3.3.1 IC Sockets. 4.3.3.2 Grounding Wire. 4.3.4 Linear Rectifier and Low Pass Filter.
4.3.3.3 Column Grounding Wires.
4.3.3.4 Jumper Wires.
4.3.3.5 Resistors.
4.3.3.6 Capacitors on Component Side of Board.
4.3.3.7 Capacitors on Foil Side of Board.
4.3.3.8 Semiconductor Devices.
4.3.3.9 Trimming Potentiometer.
4.3.3.10 External Connecting Wires.
4.3.4.1 IC Sockets. 4.3.5 Linear Mixer and Output Buffer.
4.3.4.2 Grounding Wire and Column Grounds.
4.3.4.3 Jumper Wires.
4.3.4.4 Resistors.
4.3.4.5 A Pair of Diodes.
4.3.4.6 Capacitors on Component Side of Board.
4.3.4.7 Capacitors on Foil Side of Board.
4.3.4.8 Remaining capacitors on component side of board.
4.3.4.9 Semiconductor Devices and Potentiometer.
4.3.4.10 External Connecting Wires.
4.3.5.1 The Leftover Box.
4.3.5.2 Board Preparation.
4.3.5.3 IC Sockets.
4.3.5.4 Grounding Wires and Capacitors on Foil Side of Board.
4.3.5.5 Jumpers.
4.3.5.6 Resistors.
4.3.5.7 Capacitors.
4.3.5.8 Semiconductor Devices.
4.3.5.9 External Connecting Wires.
4.4.1 Low Frequency Generator. 4.5 Chassis Assembly.
4.4.1.1 Setting Up the Test. 4.4.2 High Frequency Generator.
4.4.1.2 Voltage and Current Measurements.
4.4.1.3 Filter Frequency Response.
4.4.1.4 Troubleshooting.
4.4.2.1 Setting Up the Test. 4.4.3 Input Buffer and High Pass Filter.
4.4.2.2 Voltage and Current Measurements.
4.4.2.3 Filter Frequency Response.
4.4.2.4 Troubleshooting.
4.4.3.1 Setting Up the Test. 4.4.4 Linear Rectifier and Low Pass Filter.
4.4.3.2 Voltage and Current Measurements.
4.4.3.3 Filter Frequency Response.
4.4.3.4 Troubleshooting.
4.4.4.1 Setting Up the Test. 4.4.5 Linear Mixer and Output Buffer.
4.4.4.2 Voltage and Current Measurements.
4.4.4.3 Filter Frequency Response.
4.4.4.4 Troubleshooting.
4.4.5.1 Setting Up the Test.
4.4.5.2 Voltage and Current Measurements.
4.4.5.3 Troubleshooting.
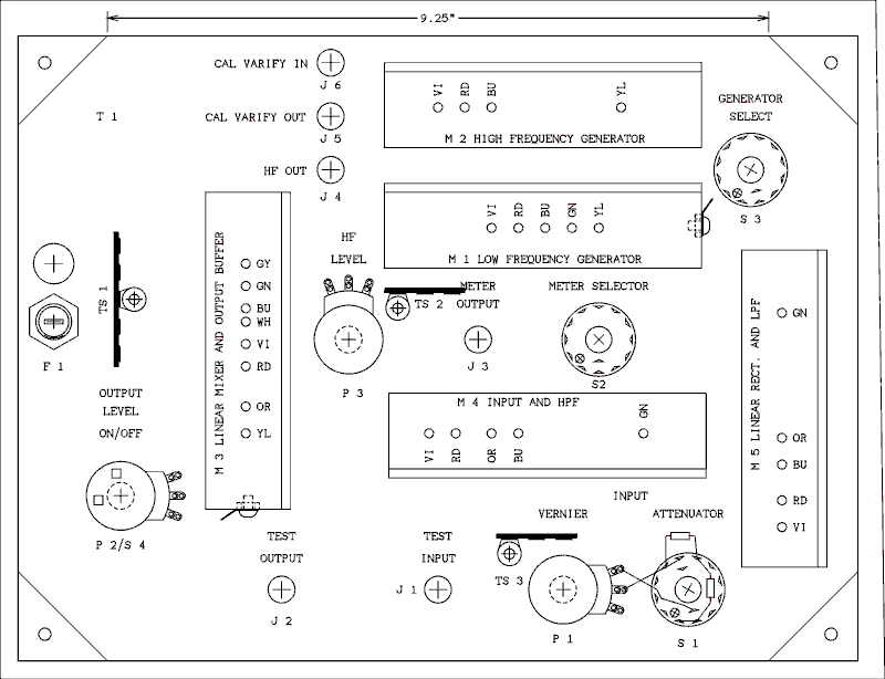
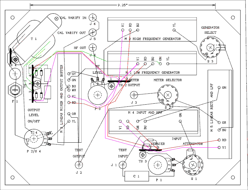
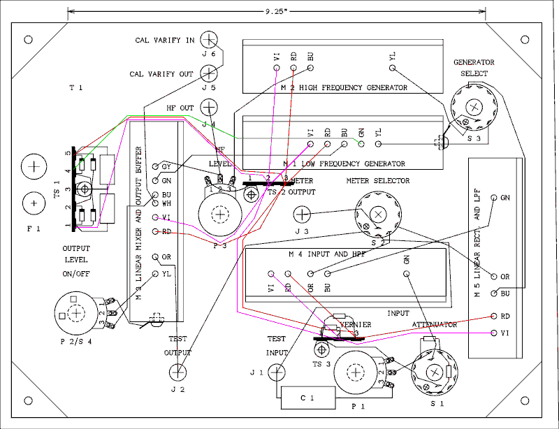
4.5.1 Preparing the Panel/Chassis. 4.6 Electrically Bonding the Two Panels.
4.5.1.1 Drilling the Panel. 4.5.2 Preparing the Switches..
4.5.1.2 Front Panel Label.
4.5.3 Parts Mounting.
4.5.3.1 Mounting the Switches. 4.5.4 Chassis Wiring Part 1.
4.5.3.2 Mounting the Potentiometers.
4.5.3.3 Mounting the BNC Connectors.
4.5.4.1 Power Supply Rectifier and Filter. 4.5.5 Chassis Wiring Part 2, Module Installation.
4.5.6 Power Transformer and 120 Volt Primary Wiring.
4.5.6.1a If Both Leads Are Solid Black. 4.5.7 Photograph of Finished Project.
4.5.6.1b If One Lead is Solid Black and the Other One is Black With a Colored Stripe.
4.5.6.2 Line Cord Installation.
4.7 The Smoke Test.
Chapter 4 Construction.
Here are the step by step assembly instructions written in my best imitation of a Heathkit manual. You will find plenty of photographs along with the instructions so you can see exactly how it is supposed to look. I have done my best to eliminate mistakes. If you find any don't hesitate to let me know. May your soldering iron always be hot and your beer always be cold.Back to Fun With Tubes.
Back to Fun With Transistors.
Back to Table of Contents.
Back to Top.4.1 Die Cast Aluminum Box Preparation.
Below are the drilling templates for the boxes. Scale them to size using your favorite graphics program and print them out. They all have an exact 4 inch dimension to permit accurate scaling. They will be fastened to the outside bottom of the boxes. When the paper is pressed onto the bottom the border should be about half way around the round over between side and bottom.
Place a length of double stick tape on the side of each box. Make it almost as long as the box.
Cut out the templates and fasten them to the sides of each box. Line up the edge of the template with the open edge of the box. Lay the boxes down on the open side and mount two more pieces of double stick tape to the bottom of each box. Carefully smooth the paper down against the bottom of each box. The paper should be smooth with no wrinkles or folds. On the boxes that will contain the LF Generator and Mixer & Output Buffer install a piece of double stick tape on the end of the box where the paper sticks out beyond the bottom. Smooth the paper around the bend and to the end of the box.
If you have a drill press with a laser guide go ahead and drill the holes as instructed below. If your drill press doesn't have a laser guide or you will be using a hand drill use a center punch to mark the holes at the exact center of each cross mark. I find it helpful to hold a 1/16" drill bit in my hand and place the tip in the punch mark. Then rotate the bit while applying a little downward force to slightly enlarge the dimple in the metal. The aluminum these boxes are made of is soft enough to make this possible.
Drill the holes marked in green with a 9/64 bit.
Drill the holes marked in black with a 7/64 inch bit.
Don't forget to drill 9/64" holes at the indicated location in the ends of the LF Gen and Mixer boxes.
Remove the drilling template from each box but mark the boxes in some way according to the name on the template.
Back to Fun With Tubes.
Back to Fun With Transistors.
Back to Table of Contents.
Back to Top.4.2 Circuit Board Preparation.
Look at the copper side of the circuit board. You will see letters near each end designating The rows of holes. There are numbers between the continuous bus and the main part of the board designating the columns of holes. If you don't have access to a band saw use a hacksaw. Clamp the boards to a workbench or something equally immovable. I strongly recommend against the dining room table. Clamp the board flat as shown. If you try to cut it with the board vertical you will have lots of trouble. A hacksaw doesn't work well on thin material.
If you have access to a band saw use the miter gauge to guide the board through the cut.
Cut one of the boards along column 17 right through the center of the holes. Use a permanent marker to label the short piece "LF GEN". label the long end "HF GEN".
Cut one of the other boards between columns 35 and 36 between the columns of holes. Label the large part "Det Input & HPF". Save the small part for later use.
Cut another board between columns 32 and 33 between the holes. Label the large section "Det Rect & LPF". Save the small off-cut for later use.
These offcuts will become the "Linear Mixer and Output Buffer".
In the steps below you can identify the predrilled mounting holes in the circuit board by their distance from the end of the board. They are farther from the end than the holes you will drill.
Temporarily mount the circuit board to the inside bottom of the box, foil side toward the bottom of the box, using the two holes that are farther from the end of the box than the others, with two 6-32 pan head screws and nuts. You will have to drill out the mounting holes in the board to fit number 6 screws. If errors in drilling the holes prevents the holes in the board from matching with the holes in the box, enlarge the holes in the board and the box by equal amounts until the screws will go through.
Install the nuts on the screws, align the edges of the board with the sides of the box, and tighten the nuts.
Turn the box over and use a block of wood to support the circuit board from underneath. Failure to do this will result in a broken circuit board.
Insert the drill bit through the other two 9/64 holes in turn and drill through the circuit board.
Remove the circuit board from the box.
Cut threads in the 7/64 inch holes with the 6-32 tap you bought.
How to avoid a broken tap.
Taps are more often broken by bending than by too much twisting force. The aluminum is soft enough and thin enough that tapping is easy. Support the tap handle by making a circle of your thumb and forefinger. Keep the tap straight while cutting the threads and unthreading the tap from the hole and you won't have to make another trip to the hardware store to buy a replacement tap.All you machinist out there, don't bother sending me emails telling me that a 7/64 inch drill is not the right one for a 6-32 tap. I know that. Numbered drill sets don't grow on trees, nor does the money to buy them. These screws don't have to hold up 200 pounds. They just have to hold the little boxes in place inside an aluminum chassis. I couldn't strip out the threads using a hand screwdriver.Mount two #6 solder lugs to the outside ends of the "LF GEN" and "Mixer and Output" boxes. Use a 6-32 x 1/4" screw and 6-32 nut to mount the solder lugs. Insert the screw from the outside and thread the nut onto the screw on the inside.
In the case of the LF Gen box point the lug toward the open top of the box. Use a nut driver to tighten the nut on the inside of the box while holding the lug in position on the outside.
In the case of the Mixer & Output point the lug toward the bottom of the box. Use a nut driver to tighten the nut on the inside of the box while holding the lug in position on the outside.
Insert four 6-32 x 3/4 inch pan head screws through the four 9/64 holes in the box from the outside and hold them in place.
Drop a number 6 lock washer over each screw.
Thread a nut onto the screw. Tighten it only finger tight.
After you have done this for all four screws try to fit the circuit board over the screws.
If you forget which way the board is supposed to go in the box use the orientation that gives the best centering of the board in the box.
It may be hard to tell which way the board is supposed to go in the case of the LF Gen and Mixer & Output.
For the LF Gen board the predrilled holes go toward the end with the solder lug.
In the case of the Mixer and Output board you will be instructed later how to assemble the two small pieces of circuit board into a single unit and how to install it.
Sight where the screw ends fall relative to the holes. If one or two are just a little off loosen the nuts and see if you can get things to align.
If you can't, enlarge the holes in the circuit board to 3/16.
If the board now fits continue with the remaining boards. If it doesn't, don't buy a lottery ticket today. You may have to start with a new box and drill the holes all over again.
Remove the board and tighten the nuts. Make sure the board still fits.
Install another nut on each screw and tighten it down.
Install an insulating washer on each screw. True, there is no need for an insulating washer at the end of the board where there are no conducting foils near the holes. The washers are needed to keep both ends of the board equidistant from the bottom of the box.
Hold a 1/4" drill bit in your hand and position the tip in the hole that passes through foils on the board from the foil side. There are two such holes. Rotate the bit and cut away a small amount of material. The purpose of this is to cut the foil slightly back from the inside of the hole so the foils can't short out to the screw. It won't take much cutting to accomplish this.
Reinstall the board foil side down and use 4 more nuts to hold it in place. Tighten them just enough to keep them from working loose during handling.
<

Photo Showing Construction of Modules.
At the top you see the two 6-32 tapped holes that will serve to mount the boxes to the chassis. This is the box for the mixer and output buffer which has only two mounting screws for the PC board. Next you see the 4 3/4 inch screws that hold the PC board in place inside the box along with the 4 tapped holes that will not be used. The original plan was to mount the boxes flat but it was decided to mount the boxes on their narrow sides instead. Next shows the inside of the box showing the flat washer and two nuts. The lock washer is not visible. The unpopulated PC board is next with the four nuts which hold it in place. At the bottom is a module with the unpopulated board mounted in the box. To the right you see one of the box covers.
Back to Fun With Tubes.
Back to Fun With Transistors.
Back to Table of Contents.
Back to Top.4.3 Module Construction.
Layout drawings and schematic diagrams are provided for each circuit board. detailed instructions and progress photos will be provided. Some additional help will be given for the second board because there are some new procedures in this board. Refer to the board layout at the top of each module's section and the photo accompanying the list or table of instructions.Back to Fun With Tubes.
Back to Fun With Transistors.
Back to Table of Contents.
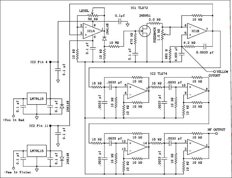
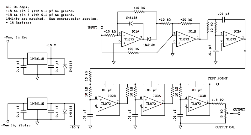
Back to Top.4.3.1 Low Frequency Generator (LF Gen) Board.
Notes on the PC board layout diagrams.
- Connecting wires and capacitors illustrated by green lines are on the foil side of the board.
- Blue lines are meant only to highlight the connection to make the diagram easier to read. They do not denote wire color or placement on the other side of the board.
Board Layout of Low Frequency Generator. Shown from component side.
Remove the board from the aluminum box. It is suggested that you thread the mounting nuts on the screws. This will keep the insulating washers as well as the mounting nuts from becoming lost.
Green indicates that the wiring is on the foil side of the board. The original version of the prototyping board was silk screened on the component side with the letters and numbers to guide the builder. This latest version did not use silk screening no doubt to reduce cost. The characters are etched on the foil side but the person who laid out the board forgot to account for the fact that the board had been turned over. Hence when The numbers and letters are shown from the component side the order of the row letters is upside down.
Back to Fun With Tubes.
Back to Fun With Transistors.
Back to Table of Contents.
Back to Top.4.3.1.1 IC socket.
Install the 8 pin IC socket with pins 1 and 8 to the right and in column 9 as shown in Figure 2. Stretch a piece of vinyl tape across the board to hold the socket in place while you solder the pins. Turn the board over and solder all 8 pins to the foils. Remove the tape.Back to Fun With Tubes.
Back to Fun With Transistors.
Back to Table of Contents.
Back to Top.4.3.1.2 Copper Ground Wire.
Cut a length of number 14 solid copper wire about 2 inches longer than the board. Remove the insulation if there is any. If the wire has any bends in it straighten them out by clamping the wire in a vice. Lay the wire on the foil side of the board between the pins of the IC socket as shown in the figure below. Bend the ends of the wire toward the component side while keeping the wire in place. Bend the ends of the wire completely over as shown in the second picture. Use pliers to crimp the wire tightly over the edge of the board. Cut off the ends leaving enough to hold the wire firmly in place. Crimp the ends again to be sure they are holding tightly. The small wires that go across the large wire will not be sufficient to hold it in place. Any force that is applied to the large wire will pull the foils away from the board sub straight. The adhesive that holds the foils in place is not very strong and is weakened by soldering. The large wire must hold itself in place to avoid damaging the board.
Back to Fun With Tubes.
Back to Fun With Transistors.
Back to Table of Contents.
Back to Top.4.3.1.3 Grounding Columns.
Tip.
Place the side of your soldering iron in contact with the large wire instead of just the tip. You need as much contact area as possible and it needs to be on a part of the iron tip that has a relatively large cross sectional area. Do not move so far up the tip that you are no longer using the plated portion.Remove about 2 inches of insulation from a length of number 22 hookup wire and cut the bare section from the roll. Bend the bare wire into a U shape and insert the ends into holes 4F and 4E from the foil side. Pull on the ends on the component side to pull the wire tight over the ground wire. Bend the ends outward toward the edges of the board to hold the wire in place while you solder it. Solder the small wire to the foils at holes 4F and 4E then solder the small wire to the large wire. Use a flush trim wire cutter to cut off the ends of the small wire on the component side of the board.
In a similar manner install pieces of bare wire at columns 5 and 10.
Prepare another length of bare wire as above. Insert one end into hole 14F and the other into hole 13E and pull the wire tight. Solder the small wire to the foils at holes 14F and 13E then solder the small wire to the big wire.
Back to Fun With Tubes.
Back to Fun With Transistors.
Back to Table of Contents.
Back to Top.4.3.1.4 Jumpers.
* The lengths given in the "Insulation Length" column are NOT the overall length of the wire. They are the length of the insulation. Using the holes in the board as a ruler start to strip off a little more insulation than is indicated in the length column. Do not pull the insulation off of the end of the wire. Measure exactly and cut the insulation to the specified length. Cut off one or two inches more wire than the length of the insulation. Remove the extra insulation. Center the measured insulation on the wire and form it into the shape indicated in the drawing and photograph. Insert the ends into the proper holes and solder them to the foils. Cut off the excess wire.
Install 8 jumper wires as follows. Color Insulation
Length.Holes Green * 0.31" 1E - 2F Violet * 0.22" 6J - 7Y Violet * 0.22" 11Y - 12J Red * 0.20" 9X - 9A Red * 0.22" 11X - 12A Yellow * 0.10" 8H - 9H Yellow * 0.10" 7D - 8D Yellow * 0.30" 8B - 11B ![]()
Back to Fun With Tubes.
Back to Fun With Transistors.
Back to Table of Contents.
Back to Top.4.3.1.5 Horizontal Resistors.
Bend the leads of an 82 k ohm 1/4 watt resistor (Gray Red Orange) for a spacing of 0.4 inches. It helps if you have a lead former as recommended. Insert the leads into holes 2A and 6A and solder them on the foil side. Cut off excess lead length.Tip.
When you take the tip of your soldering iron away from a joint a small peak of solder is left behind. You can get rid of this by sliding the iron tip up the resistor or capacitor lead before breaking contact. The solder peak will now be on the lead which will be cut off and thrown away.
Install 3 Resistors as follows. Value Color Code Holes. 82 k Gray Red Orange 2A - 6A 82 k Gray Red Orange 7I - 11I 82 k Gray Red Orange 11D - 11F ![]()
Back to Fun With Tubes.
Back to Fun With Transistors.
Back to Table of Contents.
Back to Top.4.3.1.6 Vertical Resistors.
Locate a 15 k ohm (brown green orange) 1/4 watt resistor and bend one lead into a U so it is parallel with the other lead. Both leads are now pointing in the same direction. Insert the leads into holes 1G and 2G. Turn the board over and bend the long lead down flat against the board to hold the resistor against the component side of the board. Make sure the resistor is perpendicular to the board. Solder the short lead and cut it off. Bend the long lead back upright and solder it. Cut off excess lead.
Install two resistors as follows. Value Color Code Holes. 15 k Brown Green Orange 1G - 2G 82 k Gray Red Orange 1C - 2C ![]()
Back to Fun With Tubes.
Back to Fun With Transistors.
Back to Table of Contents.
Back to Top.4.3.1.7 Capacitors.
Form the leads of the capacitor
at holes 2B - 7B to fit.Install nine 0.1 uf caps (blue) as follows. Install four 0.033 uf caps (yellow) as follows. Holes Holes 2J - 4J 2B - 7B 2I - 4I 4D - 6D 2H - 4H 5H - 7H 5G - 6G 9G - 11G 9D - 10D 12I - 14I 13G - 14G 13D - 14D 12B - 13B ![]()
Back to Fun With Tubes.
Back to Fun With Transistors.
Back to Table of Contents.
Back to Top.4.3.1.8 Semiconductor Devices.
Install a 79L15 three terminal negative voltage regulator with the flat side away from the center of the board as shown in the photo. Insert the leads into holes 12H, 13H, and 14H in order and position the bottom of the regulator about 1/4 inch above the board. Solder the leads to the foil and cut off excess lead length.
In like manner install a 78L15 positive voltage regulator at holes 12C, 13C, and 14C. Be sure to position the flat side as shown.
Locate a TL072 or LF353N duo op amp and position it over the socket with pins 1 and 8 in column 9. Guide the pins into the socket holes and gently push it down to be flat against the socket.
Back to Fun With Tubes.
Back to Fun With Transistors.
Back to Table of Contents.
Back to Top.4.3.1.9 External Connecting Wires.
These are the wires that will make connection from this board to other components in the analyzer. When a wire which has only one end soldered to a foil on the board is flexed the foil can be pulled away from the board. Such damage can be too severe to be repaired making it necessary to start over. I have in deed been there and done that.In the photo below you see the solution I have arrived at to solve this problem. Both ends of the hold down wires are soldered into unused holes in the power supply (-15 and +15) traces. Installing the hold down wires is a balancing act between two kinds of disaster. If the hold down wire is too loose the connecting wire can put force on the foil where it is soldered and break the foil. If the hold down wire is too tight the heat of soldering can cause a short which will render the board inoperable and likely damage some components.
In deed it did. In the first module I tested the hold down wire shorted to the wire it was holding down and burned out a regulator and op amp. The solution is to use heat shrink sleeving over both the hold down and conducting wires. This production change was put into effect after the four main modules were completed. Here are the instructions for installing a connecting wire and its hold down wire. In every case I used a contrasting color of sleeving to clearly show what I have done. You can use any color sleeving you want.
The sleeving used is 1/16 inch (1.5 mm) heat shrink. Prepare 9 inch lengths of the following wire colors. Red, Yellow, Green, Blue, and Violet. Strip 1/2 inch of insulation from each end of each wire.
Prepare 2 inch lengths of the same five colors. Strip off enough insulation from each end to leave a length of insulation equal to the number of holes spanned by the hold down plus 0.05 inch. For example the yellow, green, and red wires will have 0.25" of insulation while the blue and violet hold downs will have 0.15" of insulation. The holes in the board are spaced at 0.1" so you can use the holes as your ruler.
You will find that when you try to strip insulation leaving a small amount on the wire that the whole piece of insulation will come off. Cut off the correct length of the empty insulation and slip it back over the wire.
On one end of the long violet wire use needle nose pliers to bend the bear portion at one end at right angles to the wire. Cut off a piece of the heat shrink that is 1-1/4" long. Slip the sleeving over the violet wire from the other end.
Prepare another length of sleeving that is 0.05" longer than the distance spanned by the hold down wire. The hold down wire for the violet wire spans 0.1 inches (one hole spacing) so make it 0.15 inches. In the case of the red wire which is next to be installed the hold down wire spans two hole spaces which is 0.2". Make this length of sleeving 0.25" long. Slip the 0.15" length of sleeving over the violet hold down wire.
Insert the end of the long violet wire into hole 13J. Position the wire flat against the board and bend the bare end on the other side back in the same direction as the other end to hold it in place. DO NOT solder the wire to the foil at this time.
Bend the short length of violet wire into a U shape and insert the ends through holes 13Y and 14Y. Adjust the sleeving to completely cover the insulation and position it so the hairpin of wire can pull the long wire firmly down against the board. Turn the board over and use needle nose pliers to pull on both wires until the hold down wire has pulled the connecting wire firmly against the board. There will be some spring back when you release the wires. Pull on the wires one at a time and simultaneously bend them outwards until the connecting wire is held in firm contact with the board.
Solder the hold down wire to the foils and cut off excess lead length. Allow the length of the long wire on the outside of the hold down to lever the other end firmly against the board. Lift the wire from hole 13J so it is perpendicular to the board. Solder this wire and cut off excess length.
Use this procedure to install each wire in the table below. In the case of the yellow, blue, and red wires use enough sleeving to cover the wire for a length of 1 inch beyond the edge of the board when the wires are positioned as shown. This will be a very long piece for the yellow wire.
This was a late change which is not shown in the pictures.
Install 5 wires and hold downs as follows Color Description Holes Hold Down Violet -Vee 13J 13Y - 14Y Red +Vcc 14E 8Y - 10Y Blue Output 9J 4Y - 5Y Green 60 Hz Input 1J 1Y - 3Y Yellow LF Cutoff 1A 1X - 3X ![]()
Another Retrofit.
While troubleshooting my own modules I found that in some of them the positive voltage regulator would not come up when the power was turned on. While making tests the power would come on and everything seemed normal. But if I turned off the power supply and turned it back on the positive power rail voltage would be missing in action. I noted that the rail was about 0.8 volts negative. I don't know if this is a bug or a feature in the 78L15 and 78L12 design. When in this mode the regulator only draws a small amount of current, less than 2 mA.This phenomenon appears to be caused by the op amps. These ICs have no actual ground point. For best operation the inputs are held half way between the two rails but the current flowing into or out of the inputs is only a few pico amps. Thus the op amps represent a resistor connected between the positive and negative rails. It appears that the negative voltage regulator comes up a little faster than the positive one and it is able to pull the positive regulator's output a little negative and it latches in that condition and cannot recover by itself. The solution is to connect the cathode of a diode to the positive rail and it's anode to ground. Just to be sure that the same thing can't happen to the negative regulator another diode is connected between negative rail and ground with the cathode going to ground.
Back to Fun With Tubes.
Back to Fun With Transistors.
Back to Table of Contents.
Back to Top.4.3.1.10 Regulator IC Protection Diodes.
Connect two 1N4148 diodes as follows and as shown in the photo below. D1, Cathode to positive supply, row X, anode to ground wire. D2, anode to negative supply, Row Y, cathode to ground wire.
In this module there is a definite shortage of holes in the negative power supply rail. There are two holes on the far right but if diodes are soldered into these holes they will interfere with the mounting hardware. There also appear to be two more holes but an inspection of the picture reveals that there are wires just on the other side of the board and the diode lead could penetrate the insulation creating a short circuit. Form the anode lead of this diode and melt a small amount of fresh solder on the lead. Then heat the solder holding the other leads and while the solder is still liquid immerse the lead into the liquid and apply a little additional heat to be sure that the lead is above the melting point of solder. Hold the diode very still while the solder cools.
Back to Fun With Tubes.
Back to Fun With Transistors.
Back to Table of Contents.
Back to Top.4.3.1.11 Drilling Wire Escape Holes in the Box.
In the next steps you will drill holes in the side of the aluminum box to permit connecting wires to exit.Spin all four nuts down against the insulating washers. This should leave a short length of the screw protruding. On the side of the board away from where the wires come off drop the holes over the two screws on that side of the box. Allow the wires to rest on the edge of the box as shown in the photo below.
The solder lug you installed on this box was a post completion change. If it were visible in the above picture it would be on the lower left end of the box. If the solder lug is on the other end, remove the board, turn the box around, and replace the board on the screws. When you have the board positioned correctly pick up the board and box and while holding the board in place turn the box as shown in the photo below.
Use an ordinary pencil to mark the approximate locations of the wires that come off the board. Remove the circuit board.
Use one of the boards which is not yet populated but is mounted in its box and measure the distance from the top edge of the box to the top of the circuit board. Subtract 1/16 inch from this measurement. Draw a line on the outside of the box you are working on that is this measurement down from the edge and parallel to it. Use a combination square to extend the wire marks down to the horizontal line you just drew. Tighten the 4 nuts so the vibration of drilling won't cause them to come off. Drill 1/8 inch holes at each point, one for each wire. In the case of this module there are 5 wires.
Remove the board mounting nuts from the screws and feed the wires from the board through the holes each one through its correct hole, move the board into position, and drop it over all four screws. Replace and tighten all but the upper left mounting nut.
Leave off the upper left nut. Locate a number 6 solder lug. Pass a short length of bare wire through the lower hole as shown in the photo above. Leave the other end of the wire long so you can control it while soldering. Solder the wire to the lug. Drop the lug over the mounting screw and install the nut over it but do not tighten it yet. Align the wire so it crosses the large grounding wire and push the small wire down against the large wire. Solder the connection. Cut off the excess small wire and tighten the nut on the solder lug.
Install the cover on the box using the four screws supplied with the box. Boxes I ordered several months apart have different thread screws. Do not mix up the screws from different boxes just in case this happens to you. Do not tighten any of the screws at this time.
This completes assembly of the Low Frequency Generator. Set it aside. It will be tested later.
Back to Fun With Tubes.
Back to Fun With Transistors.
Back to Table of Contents.
Back to Top.4.3.2 High Frequency Generator (HF Gen) Board
Sorry guys but there has been another post production change. This is in fact the third build of the high frequency generator. Build one was never posted on line. Build two had some noise and while the average amplifier would have IM distortion of such a level as to swamp out the noise I wanted the ability to make an accurate measurement on the above average amplifier. The 0.3% setting on the distortion reference produced a jumping meter pointer and an inconclusive reading. The modified schematic and board layouts are based on extensive testing on the breadboard and it should be possible to obtain a residual reading of 0.02% with an almost steady pointer rather than the residual reading of the pointer jumping between 0.06% and 0.09%.I have changed the parts list and the instructions. The pictures presented a dilemma. If I build the entire board again from scratch I can just take all new pictures. I have decided I really don't want to make the filter again because I have already built it twice. With two to choose from one of them should work just fine. So I will use up some solder wick by removing the parts of the oscillator that are to be changed, and that is most of them, and rebuild only that part of the board. I will reuse the old pictures with the oscillator cropped out to guide you in building the filter and then take new pictures as I rebuild the oscillator.
Notes on the PC board layout diagrams.
- Connecting wires and capacitors illustrated by green lines are on the foil side of the board.
- Blue lines are meant only to highlight the connection to make the diagram easier to read. They do not denote wire color or placement on the other side of the board.
- Do not take everything literally. For example the capacitor which connects between holes 34I and 37I does not need to be offset as shown. This has been done so the capacitor symbol will not be so close to the lead from the nearby resistor as to confuse the drawing.
- The capacitor that connects between holes 39J and 42J does need to be slightly offset and elevated above the board so the "HF OUTPUT wire can be inserted into hole 41J. This will be done after the capacitor has been installed.
Photographs will continue to be supplied at each step of board population.
Back to Fun With Tubes.
Back to Fun With Transistors.
Back to Table of Contents.
Back to Top.4.3.2.1 IC Sockets.
Install a 14 pin IC socket with pins 1 and 14 to the right and in column 41.
Install an 8 pin IC socket with pins 1 and 8 to the left and in column 27 as shown.This is where I made a great discovery. After decades of installing IC sockets in printed circuit boards it occurred to me to hold the socket in place with vinyl tape instead of my finger. The tape is white because it came from a package of various colors I found on the bargain table at Ace.Here is what it looks like.
Back to Fun With Tubes.
Back to Fun With Transistors.
Back to Table of Contents.
Back to Top.4.3.2.2 Copper Grounding Wire.
As you did for the LF Generator board install a length of number 14 bear copper wire between rows E and F. Form the wire to be as straight as possible. Center the wire and crimp the ends securely onto the ends of the board. Trim off the ends on the component side and crimp the ends again.Back to Fun With Tubes.
Back to Fun With Transistors.
Back to Table of Contents.
Back to Top.4.3.2.3 Grounding Columns.
Some of these are different from the last board so don't go thinking you know it all. Form a 2 inch length of number 22 bare wire into a U shape and insert it into holes 20E and 20F. Pull it tight over the large wire and solder the small wire to the large wire.Solder the small wire to the foil at holes 20E and 20F.
Use flush cut wire cutters to cut off the wire on the component side of the board.
In the next steps as you install each wire make sure that the large wire is in the center between rows E and F. If it is not push it to the center before soldering. In a similar manner as in the step above install column grounding wires at columns 31, 33, and 43.
Prepare another bare wire but insert it into holes 46F and 47E. As before pull it tight, solder all connections, and cut off excess lead length on the component side of the board.
Half Column Grounding.
Now here are the ones that are different. Read the whole step before doing anything. Cut another length of bare wire and insert it into holes 23E and 23F. Solder the small wire to the large wire and solder at hole 23F ONLY.
DO NOT SOLDER THE WIRE AT HOLE 23E.
Cut the small wire that goes to hole 23E, pull it out and throw it away.Cut another length of bare wire and insert it into holes 25E and 25F. Solder the small wire to the large wire and solder at hole 25E ONLY.
DO NOT SOLDER THE WIRE AT HOLE 25F.
Cut the small wire that goes to hole 25F, pull it out and throw it away.Preventing a Potential Problem.
Although I have been instructing you to cut off the grounding wires with a flush cut cutter I doubt seriously if you have one. Up until now it didn't make any real difference. Now it does. As you can see from the layout drawing a resistor must go across a hole where a grounding wire sticks out of the board. When a wire is cut by a standard pair of diagonal cutters the cut end is shaped like a chisel. Modern carbon film resistors have a very thin layer of protective paint on top of the resistance element. If a resistor were to be pushed down onto the end of a grounding wire the chisel end could break through the paint and short part of the resistance element to ground. One possible cure might seem to be to stand the resistor above the board a bit. However if at some time in the future something or someone pushes down on the resistor it could break the foil away from the board and also cause damage to the resistor. I urge you to remove the part of the wire that extends above the board.Remember the small file I recommended in the list of tools? After cutting the wire as short as you can with diagonal cutters use the file to remove the excess wire. Copper is soft and it shouldn't take a lot of effort. Do not press down too hard lest you push the foil away from the board. The wires where resistors go across them are critical but you might as well file them all down.
Back to Fun With Tubes.
Back to Fun With Transistors.
Back to Table of Contents.
Back to Top.4.3.2.4 Jumpers, Filter Section.
"Oh! Do I have to wire the filter and oscillator sections separately?" No, you can do the jumpers on the filter section and then jump down, pun intended, to the jumpers in the oscillator section. Then do horizontal resistors in both etc. etc. This may increase the probability that you will make a mistake or it may not. I reused the second build of this board and reused the pictures so I wouldn't have to build the filter for yet a third time. That's the way it is and you are free to work down the page in order or jump back and forth. It's up to you. But if you make a mistake don't blame me.* The lengths given in the "Insulation Length" column are NOT the overall length of the wire. They are the length of the insulation. Using the holes in the board as a ruler start to strip off a little more insulation than is indicated in the length column. Do not pull the insulation off of the end of the wire. Measure exactly and cut the insulation to the specified length. Cut off one or two inches more wire than the length of the insulation. Remove the extra insulation. Center the measured insulation on the wire and form it into the shape indicated in the drawing and photograph. Insert the ends into the proper holes and solder them to the foils. Cut off the excess wire.
Install 7 jumper wires as follows. Color Insulation
LengthHoles Red * 0.20 38Y - 38J Red * 0.20 45Y - 45J Blue * 0.65 32D - 35G Blue * 0.65 41D - 44G Violet * 0.20 38A - 38X Violet * 0.20 45A - 45X Blue * 0.95 35A - 44A ![]()
Back to Fun With Tubes.
Back to Fun With Transistors.
Back to Table of Contents.
Back to Top.4.3.2.5 Horizontal Resistors, Filter Section.
* Position as Shown in the photo.
Install 4 resistors as follows. Value Color Code Holes 10 k Brown Black Orange 33G - 37G 10 k Brown Black Orange 39G - 43G 10 k Brown Black Orange 33D - 37D 10 k Brown Black Orange 39D - 43D ![]()
Back to Fun With Tubes.
Back to Fun With Transistors.
Back to Table of Contents.
Back to Top.4.3.2.6 Vertical Resistors, Filter Section.
* Slip a 9/16 inch length of yellow insulation stripped from a piece of hookup wire over one lead of a 10 k ohm resistor. Form this lead into a slight arch and install the resistor in the board as indicated in the table. Similarly install 3 more 10 k ohm resistors with insulation on one lead.
Install 16 resistors as follows. Value Color Code Holes 10 k Brown Black Orange 32F - 34F 10 k Brown Black Orange 32E - 34E 10 k Brown Black Orange 42F - 44F 10 k Brown Black Orange 42E - 44E 10 k Brown Black Orange 35J - 36J 10 k Brown Black Orange 35B - 36B 10 k Brown Black Orange 40I - 41I 10 k Brown Black Orange 40A - 41A 10 k Brown Black Orange 34H - 35H 10 k Brown Black Orange 34C - 35C 10 k Brown Black Orange 41H - 42H 10 k Brown Black Orange 41C - 42C * 10 k Brown Black Orange 33H - 36H * 10 k Brown Black Orange 33C - 36C * 10 k Brown Black Orange 40H - 43H * 10 k Brown Black Orange 40C - 43C ![]()
Back to Fun With Tubes.
Back to Fun With Transistors.
Back to Table of Contents.
Back to Top.4.3.2.7 Capacitors, Filter Section.
* Do not offset this capacitor from the row. If there is a wire already soldered underneath the location leave the cap a little high to clear the wire. Otherwise push it down against the board. Form the leads to fit the holes. The fit may be a little tight for some of these.# Leave this capacitor above the board far enough to permit the output wire to be inserted into hole 41J.
Install 12 capacitors as follows. Value Type Holes 0.0033 uf Monolithic * 34I - 37I 0.0033 uf Monolithic 33I - 34J 0.0033 uf Monolithic * 34A - 37A 0.0033 uf Monolithic 33A - 34B 0.0033 uf Monolithic # 39J - 42J 0.0033 uf Monolithic 42I - 43J 0.0033 uf Monolithic * 39B - 42B 0.0033 uf Monolithic 42A - 43B 0.1 uf Monolithic 45I - 46I 0.1 uf Monolithic 46G - 47G 0.1 uf Monolithic 45B - 47B 0.1 uf Monolithic 46D - 47D ![]()
Back to Fun With Tubes.
Back to Fun With Transistors.
Back to Table of Contents.
Back to Top.4.3.2.8 Semiconductor Devices, Filter Section.
* Be sure pins 1 and 14 go into column 41.$ Pins 1 and 8 go in column 27.
# Flat side toward center of board.
Install 3 ICs as shown. Number Description Holes * TL074 Quad Op amp In socket as shown # 78L15 Pos Volt Reg IC 45H 46H 47H # 79L15 Neg Volt Reg IC 45C 46C 47C ![]()
Mount two 1N4148 diodes in the next two steps as follows.
Grip the cathode lead (end with the band) of a 1n4148 in your needle nose pliers with the jaws very close to but not touching the diode body. On the other side of the pliers bend the lead around into a U shape as you did for vertical resistors. The diode body is made of glass and can be broken by the force of bending the lead. Insert the anode lead into hole 33J and the cathode lead into hole 33Y. Position the anode end of the diode body approximately 1/4 inch above the board. Solder both leads to the foils and cut off excess lead length.
Grip the anode lead (end without the band) of a second 1N4148 in your needle nose pliers with the jaws very close to but not touching the diode body. On the other side of the pliers bend the lead around into a U shape as you did for vertical resistors. Insert the cathode lead into hole 43A and the anode lead into hole 43X. Position the cathode end of the diode body approximately 1/4 inch above the board. Solder both leads to the foils and cut off excess lead length.
Back to Fun With Tubes.
Back to Fun With Transistors.
Back to Table of Contents.
Back to Top.4.3.2.9 Jumpers, Oscillator Section.
* The lengths given in the "Insulation Length" column are NOT the overall length of the wire. They are the length of the insulation. Using the holes in the board as a ruler start to strip off a little more insulation than is indicated in the length column. Do not pull the insulation off of the end of the wire. Measure exactly and cut the insulation to the specified length. Cut off one or two inches more wire than the length of the insulation. Remove the extra insulation. Center the measured insulation on the wire and form it into the shape indicated in the drawing and photograph. Insert the ends into the proper holes and solder them to the foils. Cut off the excess wire.WARNING!
The crossing where the blue wire comes to hole 28G and the green wire comes to hole 29G is a potential short point. The green wire is not positioned exactly right in the picture below. It needs to be closer to hole 26H so it will clear the corner of the trim pot but not so close as to be in contact with the resistor lead going to hole 26H. Also hole needs to be clear so the capacitor lead which will be inserted from the foil side will not melt through the insulation and cause a short to Vcc. It might be best to allow the green wire to run on top of the blue wire for a short distance.
Install 15 jumper wires as follows. Color Insulation
LengthHoles Blue * 0.10 26B - 27B Blue * 0.45 28H - 32G Blue * 0.65 29D - 32G Green * 0.95 21G - 23B Green * 0.1 24I - 25I Green * 0.42 25H - 29G Red * 0.20 27Y - 27J Violet * 0.20 30A - 31X ![]()
Back to Fun With Tubes.
Back to Fun With Transistors.
Back to Table of Contents.
Back to Top.4.3.2.10 Horizontal Resistors, Oscillator Section.
* Use your lead former to bend the leads of a 2.0 k ohm resistor to a spacing of 0.75 inches. Bend the leads as shown in the photograph and insert them into holes 22I and 29I. This is to leave room for the capacitor to be installed later. The resistor is repeated in the table below to avoid skipping any resistors.
Install 3 resistors as follows. Value Color Code Holes 470 k Yellow Violet Yellow 21D - 21F * 2.0 k Red Black Red * 22I - 29
Bend a small crinkle in
the lead so it won't short
to the lead of a 10 k ohm
resistor to be installed in
a later step.6.2 k Blue Red Red 26H - 30H ![]()
Back to Fun With Tubes.
Back to Fun With Transistors.
Back to Table of Contents.
Back to Top.4.3.2.11 Vertical Resistors, Oscillator Section.
Install 8 resistors as follows. Value Color Code Holes 10 k Brown Black Orange 28J - 29J 680 Blue Gray Brown 30G - 31G 10 Meg Brown Black Blue 23A - 24A 10 k Brown Black Orange 24B - 25B 10 k Brown Black Orange 25A - 28A ![]()
Back to Fun With Tubes.
Back to Fun With Transistors.
Back to Table of Contents.
Back to Top.4.3.2.12 Capacitors, Oscillator Section.
* Do not offset this capacitor. It is shown that way to make the diagram easier to read.
Install 3 capacitors as follows. Value Type Holes 0.1 uf Monolithic 21C - 22D * 0.0033 uf Monolithic 26I - 28I 0.033 uf Monolithic 30I - 31H ![]()
Back to Fun With Tubes.
Back to Fun With Transistors.
Back to Table of Contents.
Back to Top.4.3.2.13 Semiconductor Devices and Trim Pots, Oscillator Section.
* Pins 1 and 8 go in column 27.# Flat side toward center of board.
$ Adjustment screw on left.
@ Adjustment screw on right.
^ Grip the anode lead (end without the band) of a 1N4148 in your needle nose pliers with the jaws very close to but not touching the diode body. On the other side of the pliers bend the lead around into a U shape as you did for vertical resistors. Insert the cathode lead into hole 26E and the anode lead into hole 24E. Position the cathode end of the diode body approximately 1/4 inch above the board. Solder both leads to the foils and cut off excess lead length.
Locate the 50 k ohm and 1 k ohm trimming potentiometers and measure the resistance of each between the center pin and the one farthest from the adjustment screw. Preset the 50 k ohm to approximately 15 k ohms and the 1 k ohm to 585 ohms.
Install the pots as described in the table below. If you use the exact part I did and you mount it with the adjustment screw as shown a clockwise rotation of the screw will cause an increase of the oscillator amplitude.
Install one IC, one Transistor, and two trim pots as shown. Number/Value Description Holes # 2N5951 FET 21H 22H 23H * TL072 Duo Op amp In socket as shown ^ 1N4148 Diode Anode in 24E
Cathode in 26E1 k ohm Trimming Pot 23G 24F 25G
Screw on right.50 k ohm Trimming Pot 26C 27D 28C
Screw on left.![]()
Install the 1 k ohm trimming pot at holes 23G, 24F, and 25G. If you use the exact part I did and you mount it with the adjustment screw on the right a clockwise rotation of the screw will cause an increase of the oscillator amplitude.
Back to Fun With Tubes.
Back to Fun With Transistors.
Back to Table of Contents.
Back to Top.4.3.2.14 Capacitors on Foil Side of Board.
Form the leads of the capacitor so one goes off to the side In line with the other lead and the other goes down perpendicular To the plane formed by the leads before they were bent. Insert the perpendicular lead through the designated hole And lay the other lead across the grounding wire. Solder the Lead to the foil first while holding the capacitor in place by The other lead. Cut off the other lead just a little passed the Grounding wire and solder the lead to the large wire. Position the capacitor near the surface of the board as shown.
Install 4 caps on foil side of board as follows. Value Description Hole 0.1 uf Monolithic Capacitor 27G 0.1 uf Monolithic Capacitor 30D 0.1 uf Monolithic Capacitor 38G 0.1 uf Monolithic Capacitor 38D a ![]()
Back to Fun With Tubes.
Back to Fun With Transistors.
Back to Table of Contents.
Back to Top.4.3.2.15 External Connecting Wires.
Install wires as you did on the Low Frequency board. Let the wires extend approximately 6 inches past the edge of the board.For the violet wire use enough sleeving to cover the wire out to 1 inch beyond the edge of the board when positioned as shown. All wires are covered with sleeving to a length sufficient to extend through the holes in the aluminum box. This is a late change which is shown only in the pictures of this board which was itself a late change.
Install Wires and Hold Downs. Color Description Hole Hold Down Yellow HF Cut-off 30J 29Y - 31Y Blue HF Output 41J 41Y - 43Y Red +Vcc 47J 46Y - 47Y Violet -Vee 46A 46X - 47X ![]()
As you did with the Low Frequency Generator module lay the board in the box and mark the locations of the wires. Drill the holes for the wires to pass through. Feed the wires through the holes, tilt the board so the wires won't be bent by an extreme amount. Secure the board in the box with 4 nuts.
Leave off the lower right nut. Locate a number 6 solder lug. Pass a short length of bare wire through the lower hole as shown in the photo above. Leave the other end of the wire long so you can control it while soldering. Solder the wire to the lug. Drop the lug over the mounting screw and install the nut over it but do not tighten it yet. Align the wire so it crosses the large grounding wire and push the small wire down against the large wire. Solder the connection. Cut off the excess small wire and tighten the nut on the solder lug. Back to Fun With Tubes.
Back to Fun With Transistors.
Back to Table of Contents.
Back to Top.4.3.2.16 Drilling the Adjustment Screw Access Holes.
Measure the distance from the farthest two edges of the box to the center of the adjustment screw on the 50 k ohm trimming pot. Measure off these same distances on the outside of the box cover. Drill a 1/4 inch hole at this location. Mark this hole "LEVEL ADJ."The longer distance is used because the ruler must be tilted slightly to accurately find the center of the screw. If the dimension is longer the error introduced by tilting will be smaller. In a similar manner measure the distance from the farthest two edges of the box to the center of the adjustment screw on the 1 k ohm trimming pot. Measure off these same distances on the outside of the box cover. Drill a 1/4 inch hole at this location. Mark this hole "FEEDBACK ADJ."
Temporarily mount the lid to the box. This completes assembly of the High Frequency Generator Module. Set it aside. It will be tested later.
Back to Fun With Tubes.
Back to Fun With Transistors.
Back to Table of Contents.
Back to Top.4.3.3 Input Buffer and High Pass Filter Board.
Back to Fun With Tubes.
Back to Fun With Transistors.
Back to Table of Contents.
Back to Top.4.3.3.1 IC Sockets. Install an 8 pin DIP IC socket with pins 1 and 8 in column 7 as shown.
Install a 14 pin DIP IC socket with pins 1 and 14 in column 14 as shown.
Back to Fun With Tubes.
Back to Fun With Transistors.
Back to Table of Contents.
Back to Top.4.3.3.2 Grounding Wire.
Install the grounding wire between rows E and F as you have done on the first two boards.Back to Fun With Tubes.
Back to Fun With Transistors.
Back to Table of Contents.
Back to Top.4.3.3.3 Column Grounding Wires.
Install grounding jumpers from the foil side of the board as you did before. Prepare five lengths of bare number 22 hookup wire as follows. Strip about 2 inches of insulation from a length of wire and cut it free from the roll. Bend it into the shape of a U and install it in the indicated holes. Solder the small wire to the large one first and then solder the small wire to the foils.
Holes 2E to 3F. Be careful not to transpose these two connections as you insert the wires from the opposite side of the board.
Holes 13E to 13F.
Holes 21E to 21F.
Holes 30E to 31F.
Install the remaining wire into holes 28E and 28F. Solder to the large wire and hole 28E only. Cut off and discard the end of the wire going to 28F.
Back to Fun With Tubes.
Back to Fun With Transistors.
Back to Table of Contents.
Back to Top.4.3.3.4 Jumper Wires.
Note. READ THIS! PAY ATTENTION TO THIS! REMEMBER THIS! DON'T FORGET THIS!
The large yellow capacitor has been removed from this module design. The pictures don't reflect this change until the one under the heading "External Connecting Wires". The green wire that is shown connecting from 1J to 5J has been eliminated. A new wire has been added that connects from hole 1E to 2H. The table has been changed to reflect these changes. Refer to the board layout drawing above. It has also been changed.* The lengths given in the "Insulation Length" column are NOT the overall length of the wire. They are the length of the insulation. Using the holes in the board as a ruler start to strip off a little more insulation than is indicated in the length column. Do not pull the insulation off of the end of the wire. Measure exactly and cut the insulation to the specified length. Cut off one or two inches more wire than the length of the insulation. Remove the extra insulation. Center the measured insulation on the wire and form it into the shape indicated in the drawing and photograph. Insert the ends into the proper holes and solder them to the foils. Cut off the excess wire.
Install 19 jumper wires as described above. Color Insulation
LengthHoles Violet * 0.2" 4Y - 4J Violet * 0.2" 17Y - 17J Violet * 0.2" 28Y - 29J Red * 0.2" 6A - 7X Red * 0.2" 17A - 17X Red * 0.2" 28X - 29A Green * 0.525" 1E - 2H Green * 0.3" 2I - 5I Yellow * 0.2" 6G - 8G Blue * 0.3" 5C - 8C Blue * 0.2" 8A - 10A Blue * 0.56" 10F - 14D Blue * 0.56" 20G - 24E Yellow * 0.44" 12G - 16H Yellow * 0.44" 12D - 16C Yellow * 0.44" 18H - 22G Yellow * 0.44" 18C - 22D Blue * 1.05" 14I - 24H Blue * 0.55" 20A - 25C ![]()
Back to Fun With Tubes.
Back to Fun With Transistors.
Back to Table of Contents.
Back to Top.4.3.3.5 Resistors.
The 1 megohm resistor in the picture has been changed to 10 megohms.
Horizontal Resistors. Value Color Code Holes 10 Meg Brown Black Blue 2D - 2F 10 k Brown Black Orange 8D - 8F Vertical Resistors. Value Color Code Holes 10 k Brown Black Orange 3H - 6H 10 k Brown Black Orange 13G - 15G 10 k Brown Black Orange 19G - 21G 10 k Brown Black Orange 13D - 15D 10 k Brown Black Orange 19D - 21D 10 k Brown Black Orange 11H - 14H 10 k Brown Black Orange 20H - 23H 10 k Brown Black Orange 11C - 14C 10 k Brown Black Orange 20C - 23C 10 k Brown Black Orange 12J - 13J 10 k Brown Black Orange 14J - 15J 10 k Brown Black Orange 19J - 20J 10 k Brown Black Orange 21J - 22J 10 k Brown Black Orange 12A - 13A 10 k Brown Black Orange 14A - 15A 10 k Brown Black Orange 19B - 20B 10 k Brown Black Orange 21A - 22A 6.2 K Blue Red Red 25B - 26B ![]()
Back to Fun With Tubes.
Back to Fun With Transistors.
Back to Table of Contents.
Back to Top.4.3.3.6 Capacitors on Component Side of Board.
Due to a design change the large yellow tubular 0.1 uf 630 V capacitor has been removed from this board.
Install 12 capacitors as follows. Value Type Holes 0.022 uf 5% Monolithic 10B - 11A 0.022 uf 5% Monolithic 10I - 11J 0.022 uf 5% Monolithic 11D - 12E 0.022 uf 5% Monolithic 11G - 12F 0.022 uf 5% Monolithic 22E - 23D 0.022 uf 5% Monolithic 22F - 23G 0.022 uf 5% Monolithic 23A - 24B 0.022 uf 5% Monolithic 23I - 24J 0.1 uf Monolithic 29I - 31I 0.1 uf Monolithic 30G - 31G 0.1 uf Monolithic 30D - 31D 0.1 uf Monolithic 29B - 30B ![]()
Back to Fun With Tubes.
Back to Fun With Transistors.
Back to Table of Contents.
Back to Top.4.3.3.7 Capacitors on Foil Side of Board.
Install 4 capacitors between the indicated hole and the grounding wire on the foil side of the board as follows.
Install 4 Capacitors as follows. Value Type Hole 0.1 uf Monolithic 4G 0.1 uf Monolithic 6D 0.1 uf Monolithic 17G 0.1 uf Monolithic 17D ![]()
Back to Fun With Tubes.
Back to Fun With Transistors.
Back to Table of Contents.
Back to Top.4.3.3.8 Semiconductor Devices.
On the foil side of the board connect two 1N4148 diodes as follows and as shown in the photo below. D1, Cathode to positive supply, row X, anode to ground wire. D2, anode to negative supply, Row Y, cathode to ground wire.
Note: Refer to the photo in the "External Connecting Wires" section below.
On the component side of the board install a TLO71 / LF356 in the 8 pin IC socket with pins 1 and 8 in column 7 as shown.
Install a TLO74 / LF347 in the 14 pin IC socket. Position pins 1 and 14 in column 14 as shown.
Install a 79L15 into holes 29I, 30I, and 31I with the flat side away from the center of the board as shown. Solder the leads and cut off excess lead length.
In like manner install a 78L15 into holes 29C, 30C, and 31C with the flat side away from the center of the board.
Back to Fun With Tubes.
Back to Fun With Transistors.
Back to Table of Contents.
Back to Top.4.3.3.9 Trimming Potentiometer.
Install a 5 k ohm trimming pot in holes 26D, 27C, and 28D as shown. If you use the same make and model pot as I used and install it in the same orientation, a clockwise rotation of the screw will cause an increase in signal level.Back to Fun With Tubes.
Back to Fun With Transistors.
Back to Table of Contents.
Back to Top.4.3.3.10 External Connecting Wires.
Install wires as you have done on previous boards. Let the wires extend approximately 6 inches past the edge of the board. Use enough sleeving to extend one inch past the edge of the board. Do this even for the violet wire. This was a late change which is not shown in the picture.
Install wires as follows. Color Description Hole Hold Down Violet -Vee 30J 29Y - 31Y Red +Vcc 31A 29X - 31X Orange Cal Out 27A 26X - 27X Blue HPF Output 25A 23X - 25X Green Input 1A 1X - 2X ![]()
The photo above is of the final version of the board.
As you did with the Low Frequency Generator and high frequency generator modules lay the board in the box and mark the locations of the wires. Drill the holes for the wires to pass through. Feed the wires through the holes, tilt the board so the wires won't be bent by an extreme amount. Secure the board in the box with 4 nuts.
Leave off the lower left nut. Locate a number 6 solder lug. Pass a short length of bare wire through the lower hole as shown in the photo above. Leave the other end of the wire long so you can control it while soldering. Solder the wire to the lug. Drop the lug over the mounting screw and install the nut over it but do not tighten it yet. Align the wire so it crosses the large grounding wire and push the small wire down against the large wire. Solder the connection. Cut off the excess small wire and tighten the nut on the solder lug.
Measure the distance from the farthest two edges of the box to the adjustment screw of the trimming pot. Measure off these same distances on the outside of the box cover. Drill a 1/4 inch hole at this location. The longer distance is used because the ruler must be tilted slightly to accurately find the center of the screw. If the dimension is longer the error introduced by tilting will be smaller.
Temporarily mount the lid to the box. This completes assembly of the Input and High Pass Filter Module. Set it aside. It will be tested later.
Back to Fun With Tubes.
Back to Fun With Transistors.
Back to Table of Contents.
Back to Top.4.3.4 Linear Rectifier and Low Pass Filter.
Back to Fun With Tubes.
Back to Fun With Transistors.
Back to Table of Contents.
Back to Top.4.3.4.1 IC Sockets.
Install 8 pin DIP IC sockets at the following locations as shown in the board layout diagram above. All are oriented with pins 1 and 8 to the right. Use a piece of electrical tape to hold the sockets to the board while soldering. Solder all pins and remove the tape.IC socket with pins 1 and 8 in column 5.
IC socket with pins 1 and 8 in column 14.
IC socket with pins 1 and 8 in column 21.
Back to Fun With Tubes.
Back to Fun With Transistors.
Back to Table of Contents.
Back to Top.4.3.4.2 Grounding Wire and Column Grounds.
As you have done before install a length of number 14 bare copper wire down the middle of the board and on the foil side.Install two vertical column grounding wires in columns 10 (10E to 10F) and 17 (17E to 17F). Solder the small wire to the large wire then solder the small wire to the foils on both sides of the large wire. Cut off excess length on the component side.
Solder two diagonal grounding wires as follows. One to holes 2D and 3G. After soldering the small wire to the large wire push the small wire in from the component side to make an arch. This is necessary to avoid a short circuit between the IC socket pins and the ground wire. Install the other diagonal ground wire to holes 27E and 28F. Cut off excess lead length on the component side.
Install a one sided grounding wire from the large grounding wire to hole 24E. Solder and cut off excess lead on the component side and next to the large grounding wire.
Back to Fun With Tubes.
Back to Fun With Transistors.
Back to Table of Contents.
Back to Top.4.3.4.3 Jumper Wires.
* The lengths given in the "Insulation Length" column are NOT the overall length of the wire. They are the length of the insulation. Using the holes in the board as a ruler start to strip off a little more insulation than is indicated in the length column. Do not pull the insulation off of the end of the wire. Measure exactly and cut the insulation to the specified length. Cut off one or two inches more wire than the length of the insulation. Remove the extra insulation. Center the measured insulation on the wire and form it into the shape indicated in the drawing and photograph. Insert the ends into the proper holes and solder them to the foils. Cut off the excess wire.
Install 17 jumper wires as described above. Color Insulation
LengthHoles Violet * 0.2" 2Y - 2J Violet * 0.2" 11Y - 11J Violet * 0.2" 17Y - 18J Violet * 0.2" 26Y - 26J Red * 0.2" 5A - 5X Red * 0.2" 14A - 14X Red * 0.2" 21A - 21X Red * 0.2" 26A - 26X Yellow * 0.1" 13H - 14H Yellow * 0.1" 12D - 13D Yellow * 0.1" 20G - 21G Yellow * 0.3" 1H - 4H Yellow * 0.3" 4G - 7G Blue * 0.1" 19D - 20D Blue * 0.1" 21H - 22H Blue * 0.825" 8E - 14G Blue * 0.64" 15F - 19C ![]()
Back to Fun With Tubes.
Back to Fun With Transistors.
Back to Table of Contents.
Back to Top.4.3.4.4 Resistors.
* 1% resistors. The resistors seen in the photographs don't look like 1% resistors. That's because they aren't. I selected values that fell within 1% from my stock of 5% resistors. In researching parts I found that 1% resistors aren't much more expensive than 5% so I specified 1 percenters. If you have a large stock of resistors and an accurate way of measuring resistance than you can do what I did and save a few pennies.
Horizontal Resistors. Install 5 resistors as follows. Value Color Code Holes 20 k 1% Red Black Black Red 1E - 1G 10 k 1% Brown Black Black Red 3C - 7C - 8F 10 k 1% Brown Black Black Red 7D - 7F 10 k Brown Black Orange 5H - 9H 1.8 k Black Gray Red 22G - 22E Vertical Resistors. Install 9 resistors as follows. Value Color Code Holes 20 k 1% Red Black Black Black Red 4I - 5I 10 k 1% Brown Black Black Red 1B - 3B 10 k Brown Black Orange 9G - 12G 10 k Brown Black Orange 9C - 11C 10 k Brown Black Orange 8B - 9B 10 k Brown Black Orange 16G - 19G 10 k Brown Black Orange 15H - 16H 10 k Brown Black Orange 16C - 18C 10 k Brown Black Orange 13B - 16B ![]()
Back to Fun With Tubes.
Back to Fun With Transistors.
Back to Table of Contents.
Back to Top.4.3.4.5 A Pair of Diodes.
Form the leads of two 1N4148 diodes into the shape shown in the photo below.
Install the diodes on the circuit board as follows. Refer to the photo below.
Diode with wider space between leads. Cathode (banded end) to hole 4B. Other end to hole 7B. Push the bent part of each lead down against the board and solder on the foil side. Cut off excess lead length.
Diode with narrower space between leads. Cathode (banded end) to hole 3A. Other end to hole 4A. Push the bent part of each lead down against the board and solder on the foil side. Cut off excess lead length.
Inspect the diodes carefully to be sure that the leads are not touching any other leads or the resistor's bodies.
Back to Fun With Tubes.
Back to Fun With Transistors.
Back to Table of Contents.
Back to Top.4.3.4.6 Capacitors on Component Side of Board.
Install 8 capacitors as follows. Value Type Holes 0.010 uf 5% Monolithic Ceramic 10D - 11D 0.010 uf 5% Monolithic Ceramic 9A - 12A 0.010 uf 5% Monolithic Ceramic 17B - 18B 0.010 uf 5% Monolithic 16A - 19A 0.1 uf Monolithic 26I - 28I 0.1 uf Monolithic 27G - 28G 0.1 uf Monolithic 27D - 28D 0.1 uf Monolithic 26B - 27B ![]()
The remaining four capacitors will be installed later. They interfere with the installation of the foil side capacitors.
Back to Fun With Tubes.
Back to Fun With Transistors.
Back to Table of Contents.
Back to Top.4.3.4.7 Capacitors on Foil Side of Board.
Install these capacitors on the foil side of the board between the grounding wire and the indicated hole. Solder the connections and cut off the capacitor lead on the component side of the board.
Install 6 caps on foil side as shown. Value Type Hole 0.1 uf Monolithic 2G 0.1 uf Monolithic 5D 0.1 uf Monolithic 11G 0.1 uf Monolithic 14D 0.1 uf Monolithic 18G 0.1 uf Monolithic 21D ![]()
Back to Fun With Tubes.
Back to Fun With Transistors.
Back to Table of Contents.
Back to Top.4.3.4.8 Remaining capacitors on component side of board.
Install 4 capacitors on component side of board. Value Type Holes 0.010 uf 5% Monolithic 10H - 12H 0.010 uf 5% Monolithic 9I - 13I 0.010 uf 5% Monolithic 17H - 19H 0.010 uf 5% Monolithic 16I - 20I ![]()
Back to Fun With Tubes.
Back to Fun With Transistors.
Back to Table of Contents.
Back to Top.4.3.4.9 Semiconductor Devices and Potentiometer.
On the foil side of the board connect two 1N4148 diodes as follows and as shown in the photo below. D3, Cathode to positive supply, row X, anode to ground wire. D4, anode to negative supply, Row Y, cathode to ground wire.
Install 3 TL072 / LF353N op amp ICs in the three sockets with pins 1 and 8 to the right as shown below. Be sure all the pins go into the socket without crumpling.
Install a 79L15 negative voltage regulator into holes 26H, 27H, and 28H with the flat side away from the center of the board as shown.
Install a 78L15 positive voltage regulator IC into holes 26C, 27C, and 28C with the flat side away from the center of the board as shown.
Install a 5 k ohm trimming potentiometer at holes 22C, 23B, and 24C as shown.
Back to Fun With Tubes.
Back to Fun With Transistors.
Back to Table of Contents.
Back to Top.4.3.4.10 External Connecting Wires.
Install wires as you have done on previous boards. Let the wires extend approximately 6 inches past the edge of the board. Use enough sleeving to extend 1 inch beyond the edge of the board. Do this for all wires including the blue and violet wires. This was a late change which is not shown in the picture.
Install 5 wires as follows. Color Description Hole Hold Down Violet -Vee 27J 27Y - 28Y Red +Vcc 28A 27X - 28X Orange Cal Out 23A 22X - 23X Blue HPF Output 22J 22Y - 23Y Green Input 1A 1X - 2X ![]()
As you have done with other modules lay the board in the box and mark the locations of the wires. Drill the holes for the wires to pass through. Feed the wires through the holes, tilt the board so the wires won't be bent by an extreme amount. Drop it in place and secure the board in the box with 4 nuts.
Leave off the lower left nut. Locate a number 6 solder lug. Pass a short length of bare wire through the lower hole as shown in the photo above. Leave the other end of the wire long so you can control it while soldering. Solder the wire to the lug. Drop the lug over the mounting screw and install the nut over it but do not tighten it yet. Align the wire so it crosses the large grounding wire and push the small wire down against the large wire. Solder the connection. Cut off the excess small wire and tighten the nut on the solder lug.
Measure the distance from the farthest two edges of the box to the adjustment screw of the trimming pot. Measure off these same distances on the outside of the box cover. Drill a 1/4 inch hole at this location. The longer distance is used because the ruler must be tilted slightly to accurately find the center of the screw. If the dimension is longer the error introduced by tilting will be smaller.
Temporarily mount the lid to the box. This completes assembly of the Rectifier and Low Pass Filter Module. Set it aside. It will be tested later.
Back to Fun With Tubes.
Back to Fun With Transistors.
Back to Table of Contents.
Back to Top.4.3.5 Linear Mixer and Output Buffer.
Back to Fun With Tubes.
Back to Fun With Transistors.
Back to Table of Contents.
Back to Top.4.3.5.1 The Leftover Box.
There is one box remaining. It has two 9/64" holes in the bottom, 1 9/64 hole in the end, and two 7/64 holes in the side that were tapped using a 6-32 tap. If you did not prepare this box along with the others, do it now.Back to Fun With Tubes.
Back to Fun With Transistors.
Back to Table of Contents.
Back to Top.4.3.5.2 Board Preparation.
You will now use the two offcuts* from the "Input and HPF" and "Rectifier and LPF" boards.* The term "offcut" is used by woodworkers to give a name to the piece that has been cut off to make the piece that is wanted. Sometimes they are useful, sometimes not. In this case they are useful. I sincerely hope you didn't throw them away.
- One is slightly larger than the other. On the largest one mark a vertical line that passes through the centers of the two mounting holes.
- Mark two horizontal lines that pass through the centers of the holes in rows E and F.
- Turn the smallest one around so the mounting holes are on opposite ends.
- With the largest piece on the left lap it over the smallest piece and line up the mounting holes.
- Insert two 4-40 x 1/4 inch screws through the mounting holes in both boards and secure them with #4 lock washers and 4-40 hex nuts.
- Line up the edges of the two boards with a straight edge or by setting them on a flat surface. Tighten the hardware.
- Install a 1/16" bit in your drill press and drill two holes through both boards where the pencil lines cross as shown in the picture below.
- As you can see I missed the mark a bit. Surely you can do better. I will show you how to compensate if this should happen to you.
- Remove the 1/16" bit from the drill and insert it through one of the holes. This will act as a pin to hold the two boards in alignment during the following steps.
- Remove the 4-40 hardware nearest the hole with the drill bit stuck in it.
- Install a 9/64" bit in your drill. Carefully drill out the mounting hole.
- Install a 6-32 x 1/4" screw, #6 lock washer, and 6-32 nut in this mounting hole. Tighten the hardware.
- Move the 1/16" drill bit to the other hole.
- As you did above, remove the 4-40 hardware from the mounting hole, drill out the hole to 9/64" and replace with 6-32 hardware.
- Remove the 1/16" bit from the board and return it to your bit storage container.
Although the mounting hardware is temporary it will remain in place throughout the construction of the board.
The two offcuts are from the high number end of the boards they were cut from. There are duplicate numbers on the two pieces of board. Hole reference numbers will have the suffix L for left and R for right. For example hole 41JL will be 41J on the left hand piece. Hole 41AR will be hole 41A on the right hand piece.
Back to Fun With Tubes.
Back to Fun With Transistors.
Back to Table of Contents.
Back to Top.4.3.5.3 IC Sockets.
Mount an 8 pin DIP socket with pins 1 and 8 in column 37L as shown. Pins 1 and 8 should be to the left end of the socket.Mount a 14 pin DIP IC socket with pins 1 and 14 in column 39R. Pins 1 and 14 should be on the right end of the socket.
Back to Fun With Tubes.
Back to Fun With Transistors.
Back to Table of Contents.
Back to Top.4.3.5.4 Grounding Wires and Capacitors on Foil Side of Board.
Grounding Wires. Part. Ground to Hole. Wire 35EL & 35FL Wire 39DL Wire 44EL Wire 47EL & 46FL Wire 38ER & 38FR Note: The wire
from 41DR to 41GR is
not connected to ground.0.1 uf Capacitors. Part. Ground to Hole. Cap 38GL Cap 40DL Cap 42DR Cap 42GR ![]()
Install a length of yellow wire which has an insulation length of 0.55" on the foil side of the board. Install this wire between holes 41DR and 41HR. Solder the connections and cut off excess lead length on the component side of the board. File down the ends as resistors will be installed over the top of these wire ends.
Back to Fun With Tubes.
Back to Fun With Transistors.
Back to Table of Contents.
Back to Top.4.3.5.5 Jumpers.
Jumper Wires. Color Insulation
LengthHoles Red 0.2" 38YL - 38JL Red 0.2" 44YL - 45JL Red 0.8" 47YL - 47XR Red 0.2" 43XR - 42AR Violet 0.2" 40XL - 40AL Violet 0.2" 44XL - 45AL Violet 0.8" 47XL - 47YR Violet 0.2" 43YR - 42JR Blue 0.3" 39GL - 42GL Blue 0.3" 42EL - 42FL Yellow 0.2" 43BR - 41BR Yellow 0.2" 43IR - 41IR Orange 0.3" 46ER - 46FR Orange 0.1" 45BR - 44BR Orange 0.1" 40BR - 39BR Orange 0.1" 45IR - 44IR Orange 0.1" 40IR - 39IR ![]()
Back to Fun With Tubes.
Back to Fun With Transistors.
Back to Table of Contents.
Back to Top.4.3.5.6 Resistors.
* indicates a 1% resistor.
Horizontal Resistors. Value Color Code Holes *10 k Brown Black Black Red 38BL - 42BL *10 k Brown Black Black Red 34BL - 38BL 560 Green Blue Brown 46CR - 40CR 560 Green Blue Brown 46HR - 40HR 5.6 k Green Blue Red 43GR - 38GR Vertical Resistors. Value Color Code Holes *10 k Brown Black Black Red 36AL - 38AL 2.4 k Red Yellow Red 34BL - 35BL 560 Green Blue Brown 43DL - 44DL 560 Green Blue Brown 46DR - 45DR 560 Green Blue Brown 46GR - 45GR ![]()
Back to Fun With Tubes.
Back to Fun With Transistors.
Back to Table of Contents.
Back to Top.4.3.5.7 Capacitors.
Capacitors. Value Holes 0.1 uf 45IL - 46IL 0.1 uf 46GL - 47GL 0.1 uf 46DL - 47DL 0.1 uf 45BL - 47BL ![]()
Back to Fun With Tubes.
Back to Fun With Transistors.
Back to Table of Contents.
Back to Top.4.3.5.8 Semiconductor Devices.
Install 4 ICs and 2 diodes as follows. Install a TL071/LF356 with pins 1 and 8 in column 37L as shown. Install a TL074/LF347 with pins 1 and 14 in column 39R as shown. Install a 78L15 in holes 45HL, 46HL, and 47HL, as shown. Be sure to face the flat side towards the center of the board. Solder the leads to the foil. Install a 79L15 in holes 45CL, 46CL, and 47CL, as shown. Be sure to face the flat side towards the center of the board. Solder the leads to the foil. Install a diode on the component side of the board with the cathode in hole 38XR and the anode in 38CR. Install another diode cathode in hole 38HR and anode in 38YR. ![]()
Back to Fun With Tubes.
Back to Fun With Transistors.
Back to Table of Contents.
Back to Top.4.3.5.9 External Connecting Wires.
Let the wires extend approximately 6 inches beyond the edge of the board. Use enough sleeving so each wire will be covered to a length of 1 inch beyond the edge of the board. This is a late change not shown in the picture.
Install 8 wires as follows. Color Description Hole Hold Down Gray HF Input 34AL 34Xl - 35XL Green LF Input 36BL 37XL - 38XL Blue Mixer Out 42AL Shared W Next White Cal Input 43AL 41XL - 43XL Violet -Vee 46AL 45XL - 46XL Red +Vcc 47JL 45YL - 46YL Orange Buffer Out 46JR 46YR - 45YR Yellow Buffer In 41JR 41YR - 40YR ![]()
The asymmetry which can be seen in the above photo was caused by a mistake in the layout diagram. The mistake has been fixed so the diagram shown is correct. I make mistakes so you don't have to.
Temporarily mount the lid to the box. This completes assembly of the Mixer and Output Buffer Module. Set it aside. It will be tested later.
Back to Fun With Tubes.
Back to Fun With Transistors.
Back to Table of Contents.
Back to Top.4.4 Testing, Adjusting, and Troubleshooting, the Modules.
In order to test the modules you must have a ripple free source of plus and minus 18 volts. Plus and minus 20 volts with 2 volts peak to peak ripple is acceptable but 1 volt P-P would be better. In addition you need 12.6 volts AC 60 Hz to test the low frequency generator. To test the filters and rectifier you need a low distortion sine wave generator or function generator.Back to Fun With Tubes.
Back to Fun With Transistors.
Back to Table of Contents.
Back to Top.4.4.1 Low Frequency Generator.
Board Layout of Low Frequency Generator. Shown from component side.
The schematic and board layout are repeated here for your convenience.
Back to Fun With Tubes.
Back to Fun With Transistors.
Back to Table of Contents.
Back to Top.4.4.1.1 Setting Up the Test.
- Remove the cover from the box.
- Set up your dual voltage power supply as follows.
- Set the current limit low (to 25 mA if it is calibrated).
- Set both positive and negative voltage to 18 volts.
- Connect the common to the aluminum box with a clip lead.
- Connect the positive to the red wire.
- Connect the negative to the violet wire.
- Make sure the yellow and blue wires are not touching any metallic object.
- Connect the green wire to a source of 12.6 volts 60 Hz.
- Check for output on the blue wire, preferably with an oscilloscope. It should be a little less than 4 volts P-P.
- If you are getting undistorted output, touch the end of the yellow wire to the aluminum box.
- The output should go to zero when the yellow wire is grounded.
- If you are not getting output at this time proceed to the troubleshooting section then come back and perform this and the rest of the tests below.
Back to Fun With Tubes.
Back to Fun With Transistors.
Back to Table of Contents.
Back to Top.4.4.1.2 Voltage and Current Measurements.
Here are some voltage measurements made on a working unit to help with troubleshooting. Do not take them too literally. For example if you are using a DMM and a voltage which is indicated as zero shows a few millivolts there is nothing wrong. However if it reads 10 volts there is a problem. Also the voltages that are indicated as +15 and -15 may read as, for example, 14.94 or 15.03. But if they read, for example, 18 or 5 you have some trouble to shoot. The AC readings are dependent on the particular transformer you have and the line voltage in your shop. They may be a little off but they should be consistently high or low.Current draw: Positive, 7.38 mA. Negative 6.64 mA.
Output Voltage: 1.35 V. Make a note of the voltage you measured on your unit. You will need this information for testing the Mixer and Output Buffer.
THD: 0.081%.
Voltage measurements Measurement Point IC Pin 1 IC Pin 2 IC Pin 3 IC Pin 4 IC Pin 5 IC Pin 6 IC Pin 7 IC Pin 8 TP1 DC Voltage 0 0 0 -15 0 0 0 +15 0 AC Voltage 1.35 1.35 1.35 0 2.85 2.85 2.85 0 6.04 Back to Fun With Tubes.
Back to Fun With Transistors.
Back to Table of Contents.
Back to Top.4.4.1.3 Filter Frequency Response.
You need to confirm that the low pass filter is working properly. Connect your function generator to the green wire (input) in place of the transformer connection. Most F. G. s will not go up to 12.6 volts. Mine will only output 7.07 volts RMS. To give a convenient number to divide by I set it to 5 volts. Your gain figures may vary a little but the relative values should be close.
Filter Frequency Response Frequency (Hz) Output for
5 volts InAttenuation Attenuation (dB) 30 td align="center">2.0 V0.40 -7.96 60 0.50 V 0.10 -20.0 120 4.80 mV 9.6 m -40.4 180 8.70 mV 1.74 m -55.2 240 2.35 mV 0.47 m -66.6 300 0.82 mV 0.164 m -75.7 If all measurements are in general agreement with mine then install the cover on the box and move on to the next module.
Back to Fun With Tubes.
Back to Fun With Transistors.
Back to Table of Contents.
Back to Top.4.4.1.4 Troubleshooting.
If you still have trouble the chart below may be of some help.
Troubleshooting Suggestions. Trouble. Possible Cause(s). Suggested remedy, +15 or -15 high (farther from zero). Shorted regulator IC.
Short between Red or Violet wire and it's hold down wire.Remove IC and replace.
Remove and replace connecting wire and hold down.+15 or -15 low (closer to zero) Short between blue output wire and hold down.
Defective op amp IC.
Shorted or incorrectly installed diode.Remove and replace blue wire and hold down.
Replace op amp IC.
Correct or replace diode.-15 line at zero Solder bridge between IC pin 5 and adjacent ground. Cleanup with solder wick. Positive 15 volts on TP1. Short between yellow LF Cutoff wire and its hold down. Replace both yellow connecting wire and
hold down wire. Use sleeving on both.Zero DC on TP1 but no AC. Voltmeter not set to AC.
Yellow wire is touching the box or other grounded object.Set meter to AC.
Move end of yellow wire away from grounded objects.Output, pin 1 or 7 of op amp near +15 or -15 V. Solder bridge between pins 2 and 3 or 5 and 6. Cleanup with solder wick. AC on IC pins 5, 6, 7, and 3 but none on 1 and 2. Solder bridge between pin 1 of IC and adjacent ground. Cleanup with solder wick.
Back to Fun With Tubes.
Back to Fun With Transistors.
Back to Table of Contents.
Back to Top.4.4.2 High Frequency Generator.
Board Layout of High Frequency Generator.
The schematic diagram and board layout are repeated here for your convenience.
Back to Fun With Tubes.
Back to Fun With Transistors.
Back to Table of Contents.
Back to Top.4.4.2.1 Setting Up the Test.
- Remove the box cover.
- Set up your dual voltage power supply as follows.
- Set the current limit low (to 25 mA if it is calibrated).
- Set the voltage to 18 volts.
- Connect the common to the aluminum box with a clip lead.
- Connect the positive to the red wire.
- Connect the negative to the violet wire.
- Make sure the yellow and blue wires are not touching any metallic object.
- Check for output on the blue wire, preferably with an oscilloscope.
- If there is no output do not start cranking the screws. Because you preset the trimmer pots there should be output.
- Turn the screw of each pot one turn clockwise. If you don't get output turn the two screws back to their original positions.
- Jump to the troubleshooting section.
- If you are getting undistorted output, touch the end of the yellow wire to the aluminum box.
- The output should go to zero when the yellow wire is grounded.
- If you are getting undistorted output start turning the Feedback trimmer counter clockwise until the oscillator stops completely.
- Slowly turn the screw clockwise. The oscillator will begin a sequence of starting and stopping.
- Continue turning the screw until this behavior stops and the oscillator is running steadily.
- Mark this point either physically or mentally so you can count turns from this point.
- Continue turning the screw while counting turns and fractions of turns. At some point the amplitude of the oscillator will suddenly increase probably going off scale on your scope. Stop at this point.
- Repeat the above 5 steps at least twice until you are sure you know where the starting point is and how many turns it takes to go to high amplitude.
- Set the feedback trimmer half way between these two points.
- Adjust the Level trimmer for 5.65 volts peak to peak or 2 volts RMS.
- If you had to change the Level trimmer by a large amount go back and check the adjustment of the Feedback trimmer.
- If you are not getting output at this time proceed to the troubleshooting section then come back and perform this and the rest of the tests below.
If in the above checks you don't get the expected results measure the voltages and compare them to the measured values in the Voltage Measurements chart below. Then look to the Troubleshooting chart below that.
Back to Fun With Tubes.
Back to Fun With Transistors.
Back to Table of Contents.
Back to Top.4.4.2.2 Voltage and Current Measurements.
Here are some voltage measurements made on a working unit to help with troubleshooting. Do not take them too literally. For example if you are using a DMM and a voltage which is indicated as zero shows a few millivolts there is nothing wrong. However if it reads 10 volts there is a problem. Also the voltages that are indicated as +15 and -15 may read as, for example, 14.94 or 15.03. But if they read, for example, 18 or 5 you have some trouble to shoot.Current draw: Positive, 15.44 mA. Negative 14.83 mA.
Output Voltage: 2 VRMS.
THD: 0.83%.
Below are the DC and AC voltage measurements.
* Approximate value depending on characteristics of the particular FET you have. (Your mileage will definitely vary.).
Voltage Measurements Measurement Point Q1 G Q1 D Q1 S DC Voltage Can't measure 0 0 AC Voltage * 0.4 v P-P * 200 mvP-P 0 Measurement Point IC1 pin 1 IC1 pin 2 IC1 pin 3 IC1 pin 4 IC1 pin 5 IC1 pin 6 IC1 pin 7 IC1 pin 8 DC Voltage 0 0 0 -15 0 0 0 +15 AC Voltage * 8.5 2 2 0 * 95 mV * 95 mV 2 0 Measurement Point IC2 Pin 1 IC2 Pin 2 IC2 Pin 3 IC2 Pin 4 IC2 Pin 5 IC2 Pin 6 IC2 Pin 7 DC Voltage 0 0 0 +15 0 0 0 AC Voltage 2 1 1 0 1 1 2 Measurement Point IC2 Pin 8 IC2 Pin 9 IC2 Pin 10 IC2 Pin 11 IC2 Pin 12 IC2 Pin 13 IC2 Pin 14 DC Voltage 0 0 0 -15 0 0 0 AC Voltage 2 1 1 0 1 1 2 Back to Fun With Tubes.
Back to Fun With Transistors.
Back to Table of Contents.
Back to Top.4.4.2.3 Filter Frequency Response.
Perform this procedure only if all tests have come out positive. We haven't yet confirmed that the band pass filter is working properly. Connect your function generator to the yellow wire and ground. To give a convenient number to divide by I set its output to 0.1 volt. Your gain figures may vary a little but the relative values should be close.
Filter Frequency Response Frequency (Hz) Output for
0.1 volt InGain Gain (dB) 3500 0.38 V 3.8 11.6 7000 1.60 V 16 24.1 14000 0.42 V 4.2 12.5 21000 0.096 V 0.96 -0.35 28000 0.031 V 0.31 -10.2 If all measurements are in general agreement with mine then install the cover on the box and move on to the next module.
Back to Fun With Tubes.
Back to Fun With Transistors.
Back to Table of Contents.
Back to Top.4.4.2.4 Troubleshooting.
If you still have trouble the chart below may be of some help.
General Troubleshooting. Trouble. Possible Cause(s). Suggested remedy, +15 or -15 high (farther from zero). Shorted regulator IC.
Short between Red or Violet wire and it's hold down wire.Remove IC and replace.
Remove and replace connecting wire and hold down.+15 or -15 low (closer to zero) Short between blue output wire and hold down.
Defective op amp IC.
Diode shorted or incorrectly installed.Remove and replace blue wire and hold down.
Replace op amp IC.
Correct or replace diode.Troubleshooting the band pass filter. Trouble. Possible Cause(s). Suggested remedy, Output, pins 1, 7, 8, or 14, of IC2 near +15 or -15 V. Solder bridge between pins 2 and 3, 5 and 6, 9 and 10, or 12 and 13. Cleanup with solder wick. Filter response curve is not close to given values. Solder bridges or unsoldered connections almost anywhere in the filter circuit. Clean up with solder wick or solder connections. Troubleshooting the Oscillator. DC Problems. Trouble. Possible Cause(s). Suggested remedy, Pin 1 or 7 of IC1 at positive or negative 15. Solder bridge between pins 2 and 3 or 6 and 5 respectively. Clean up with solder wick. Troubleshooting the Oscillator. AC Problems. Test to Perform. Result. Likely Cause. Feed a 7 kHz 0.1 V signal between the yellow wire and ground.
(a) & (b) Check for sine wave on IC1 pins 1 and 7.
(c) Check for output on blue wire.
(d) Try adjusting Trimming Pot.(a) Output on pin 7 but none on pin 1.
(b) No output on pin 7.
(b) Voltage on pin 7 is 0.1 v.
(c) Good sine wave on pins 7 and 1 but no output on blue wire.
(d) No output on pin 7 for any setting of trimming pot.(a) Wiring error on jumper between pins 7 and 3.
(b) Solder bridge between columns 30 and 31.
(b) Solder bridge between columns 28 and 29.
Or short between blue and green wires.
(c) Troubleshoot filter circuit.
(d) FET bad or installed backward.
Back to Fun With Tubes.
Back to Fun With Transistors.
Back to Table of Contents.
Back to Top.4.4.3 Input Buffer and High Pass Filter.
The schematic diagram and board layout are repeated here for your convenience.
Back to Fun With Tubes.
Back to Fun With Transistors.
Back to Table of Contents.
Back to Top.4.4.3.1 Setting Up the Test.
- Set up your dual voltage power supply as follows.
- Set the current limit low (to 25 mA if it is calibrated).
- Set the voltage to 18 volts.
- Connect the common to the aluminum box with a clip lead.
- Connect the positive to the red wire.
- Connect the negative to the violet wire.
- Make sure the yellow and blue wires are not touching any metallic object.
- Set your function generator to 7.0 kHz and 0.10 volts RMS output.
- Connect its output to the green wire and ground, the box.
- If you are not getting output at this time proceed to the troubleshooting section then come back and perform this and the rest of the tests below.
Back to Fun With Tubes.
Back to Fun With Transistors.
Back to Table of Contents.
Back to Top.4.4.3.2 Voltage and Current Measurements.
Here are some voltage measurements made on a working unit to help with troubleshooting. Do not take them too literally. For example if you are using a DMM and a voltage which is indicated as zero shows a few millivolts there is nothing wrong. However if it reads 10 volts there is a problem. Also the voltages that are indicated as +15 and -15 may read as, for example, 14.94 or 15.03. But if they read, for example, 18 or 5 you have some trouble to shoot.Current draw: Positive, 17.5 mA. Negative, 16.3 mA
Voltage measurements Input voltage =0.10 volts RMS at 7.0 kHz. Measurement Point IC1 Pin 1 IC1 Pin 2 IC1 Pin 3 IC1 Pin 4 IC1 Pin 5 IC1 Pin 6 IC1 Pin 7 IC1 Pin 8 DC Voltage NC 0 0 -15 NC 0 +15 NC AC Voltage NC 0.1 0.1 0 NC 0.2 0 NC Measurement Point IC2 Pin 1 IC2 Pin 2 IC2 Pin 3 IC2 Pin 4 IC2 Pin 5 IC2 Pin 6 IC2 Pin 7 DC Voltage 0 0 0 +15 0 0 0 AC Voltage 0.4 0.2 0.2 0 1.6 1.6 3.2 Measurement Point IC2 Pin 8 IC2 Pin 9 IC2 Pin 10 IC2 Pin 11 IC2 Pin 12 IC2 Pin 13 IC2 Pin 14 DC Voltage 0 0 0 -15 0 0 0 AC Voltage 1.6 0.8 0.8 0 0.4 0.4 0.8 Back to Fun With Tubes.
Back to Fun With Transistors.
Back to Table of Contents.
Back to Top.4.4.3.3 Filter Frequency Response.
Filter Frequency Response Input voltage = 0.10 volts at each frequency. Freq. (Hz) Vout (V) Gain/Loss dB Gain/Loss Remarks 7.0 k 3.2 32 30.1 1.1 k 5.1 51 34.2 Peak 776 3.2 32 30.1 709 2.25 22.5 27.0 616 1.00 10 20.0 537 0.32 3.2 10.1 457 0.10 1.0 0.0 400 32m 0.32 -9.9 347 10m 0.10 -20.0 - 3.05m - -30.3* Noise Floor * Relative to 0.10 volts input. If all measurements are in general agreement with mine then install the cover on the box and move on to the next module.
Back to Fun With Tubes.
Back to Fun With Transistors.
Back to Table of Contents.
Back to Top.4.4.3.4 Troubleshooting.
General Troubleshooting. Trouble. Possible Cause(s). Suggested remedy, +15 or -15 high (farther from zero). Shorted regulator IC.
Short between Red or Violet wire and it's hold down wire.Remove IC and replace.
Remove and replace connecting wire and hold down.+15 or -15 low (closer to zero) Short between blue output wire and hold down.
Defective op amp IC.
Diode incorrectly installed. Diode shorted.Remove and replace blue wire and hold down.
Replace op amp IC.
Correct or replace diode.Troubleshooting the high pass filter. Trouble. Possible Cause(s). Suggested remedy, output of IC1, pin 6, close to +/- 15 V.
Outputs of IC2, pins 1, 7, 8, or 14, near +/- 15 V.Solder bridge between pins 2 and 3 of IC1.
Bridge on IC2 pins 2 and 3, 5 and 6, 9 and 10, or 12 and 13.Cleanup with solder wick. Filter response curve is not close to given values. Solder bridges or unsoldered connections almost anywhere in the filter circuit. Clean up with solder wick or solder connections.
Back to Fun With Tubes.
Back to Fun With Transistors.
Back to Table of Contents.
Back to Top.4.4.4 Linear Rectifier and Low Pass Filter.
The schematic diagram and board layout are repeated here for your convenience.
Back to Fun With Tubes.
Back to Fun With Transistors.
Back to Table of Contents.
Back to Top.4.4.4.1 Setting Up the Test.
- Set up your dual voltage power supply as follows.
- Set the current limit low (to 25 mA if it is calibrated).
- Set the voltage to 18 volts.
- Connect the common to the aluminum box with a clip lead.
- Connect the positive to the red wire.
- Connect the negative to the violet wire.
- Make sure the yellow and blue wires are not touching any metallic object.
- Set your function generator to 60 Hz and 10 volts P-P output.
- Connect its output to the green wire and ground, the box.
- The output should be about 4 volts peak to peak but when DC coupling is selected the whole wave should be positive. The least positive peaks should be about 1 volt and the most positive should be about 5 volts. The frequency should be 120 Hz. The lower peaks which you would expect to be sharp points coming all the way to zero from the rectifier output will be rounded and at 1 volt due to the low pass filter.
- If you are not getting output at this time proceed to the troubleshooting section then come back and perform this and the rest of the tests below.
Note: The familiar full wave rectified wave will be found at pin 1 of IC1. In spite of my best efforts at matching resistors and diodes the amplitudes of the two peaks did not come out the same. This will be averaged out by the filter and should not affect the accuracy of the instrument.
Back to Fun With Tubes.
Back to Fun With Transistors.
Back to Table of Contents.
Back to Top.4.4.4.2 Voltage and Current Measurements.
Here are some voltage measurements made on a working unit to help with troubleshooting. Do not take them too literally. For example if you are using a DMM and a voltage which is indicated as zero shows a few millivolts there is nothing wrong. However if it reads 10 volts there is a problem. Also the voltages that are indicated as +15 and -15 may read as, for example, 14.94 or 15.03. But if they read, for example, 18 or 5 you have some trouble to shoot.Current draw: Positive, 15.7 mA. Negative, 14.6 mA
Voltage measurements Input voltage =10 volts P-P at 60 Hz. Measurement Point IC1 Pin 1 IC1 Pin 2 IC1 Pin 3 IC1 Pin 4 IC1 Pin 5 IC1 Pin 6 IC1 Pin 7 IC1 Pin 8 DC Voltage 3.17 0 0 -15 0 0 -1.69 +15 AC Voltage 1.44 0 0 0 0 0 2.43 0 Measurement Point IC2 Pin 1 IC2 Pin 2 IC2 Pin 3 IC2 Pin 4 IC2 Pin 5 IC2 Pin 6 IC2 Pin 7 IC2 Pin 8 DC Voltage +3.17 +3.17 +3.16 -15 +3.16 +3.17 +3.17 +15 AC Voltage 1.40 1.40 1.40 0 1.36 1.36 1.36/ 0 Measurement Point IC3 Pin 1 IC3 Pin 2 IC3 Pin 3 IC3 Pin 4 IC3 Pin 5 IC3 Pin 6 IC3 Pin 7 IC3 Pin 8 DC Voltage +3.17 +3.17 +3.16 -15 +3.16 +3.17 +3.17 +15 AC Voltage 1.29 1.29 1.29 0 1.32 1.33 1.33 0 Back to Fun With Tubes.
Back to Fun With Transistors.
Back to Table of Contents.
Back to Top.4.4.4.3 Filter Frequency Response.
Note: The full wave rectifier has the effect of doubling the input frequency. However, the values in the frequency column are those to which the function generator was set for the measurement.
Filter Frequency Response Input voltage = 5.0 volts at each frequency. Freq. (Hz) Freq. at
Filter InputVout (V) Gain/Loss dB Gain/Loss Remarks 10 20 2.10 0.42 -7.5 20 40 2.10 0.42 -7.5 30 60 2.09 0.418 -7.6 60 120 2.05 0.410 -7.7 90 180 1.97 0.394 -8.1 120 240 1.90 0.380 -8.4 226 452 1.49 0.298 -10.5 448 896 0.667 0.133 -17.5 699 1398 0.211 42.2m -27.5 946 1892 66.7m 13.3m -37.5 1263/td> 2526 21.0m 4.22m -47.5 1671 3542 6.67m 1.33m -57.5 2136 4272 2.11m 0.422m -67.5 2650 5300 0.667m 0.133m -77.5 3250 6500 0.211m 42.2u -87.5 - - 0.112m 22.3u -93.0* Noise Floor * Relative to 5 volts input at 10 Hz. If all measurements are in general agreement with mine then install the cover on the box and move on to the next module.
Back to Fun With Tubes.
Back to Fun With Transistors.
Back to Table of Contents.
Back to Top.4.4.4.4 Troubleshooting.
General Troubleshooting. Trouble. Possible Cause(s). Suggested remedy, +15 or -15 high (farther from zero). Shorted regulator IC.
Short between Red or Violet wire and it's hold down wire.Remove IC and replace.
Remove and replace connecting wire and hold down.+15 or -15 low (closer to zero) Short between blue output wire and hold down.
Defective op amp IC.
Diode incorrectly installed. Diode shorted.Remove and replace blue wire and hold down.
Replace op amp IC.
Correct or replace diode.Troubleshooting the low pass filter. Trouble. Possible Cause(s). Suggested remedy, output of any op amp, close to +/- 15 V. Solder bridge shorting inverting
input to noninverting input.Cleanup with solder wick. Filter response curve is not close to given values. Solder bridges or unsoldered connections almost anywhere in the filter circuit. Clean up with solder wick or solder connections.
Back to Fun With Tubes.
Back to Fun With Transistors.
Back to Table of Contents.
Back to Top.4.4.5 Linear Mixer and Output Buffer.
The schematic diagram and board layout are repeated here for your convenience.
Back to Fun With Tubes.
Back to Fun With Transistors.
Back to Table of Contents.
Back to Top.4.4.5.1 Setting Up the Test.
- Set up your dual voltage power supply as follows.
- Set the current limit low (to 25 mA if it is calibrated).
- Set the voltage to 18 volts.
- Connect the common to the aluminum box with a clip lead.
- Connect the positive to the red wire.
- Connect the negative to the violet wire.
- Make sure that all other wires are not touching any metallic object or each other
- Refer back to the notes you made while testing the Low Frequency Generator. Multiply the AC voltage you measured at pin 1 of the IC by 1.25 and set the output of your function generator to this voltage.
- For the tests below I will set my function generator's output voltage to 1.7 volts. What's a few hundredths of a volt between friends?
- Set the frequency to 60 Hz.
- Connect its output ground to the box and the hot lead to both the green and yellow wires.
- Measure the output separately on the blue and orange wires. These two measurements should be within 1/100 volt of the input voltage.
- If you are not getting output on either wire proceed to the troubleshooting section then come back and perform this and the rest of the tests below.
Back to Fun With Tubes.
Back to Fun With Transistors.
Back to Table of Contents.
Back to Top.4.4.5.2 Voltage and Current Measurements.
Here are some voltage measurements made on a working unit to help with troubleshooting. Do not take them too literally. For example if you are using a DMM and a voltage which is indicated as zero shows a few millivolts there is nothing wrong. However if it reads 10 volts there is a problem. Also the voltages that are indicated as +15 and -15 may read as, for example, 14.94 or 15.03. But if they read, for example, 18 or 5 you have some trouble to shoot.DC Current draw: Positive, 16.6 mA. Negative, 16.2 mA
Measure the voltage on the orange wire output. It should be equal to the input, in my case 1.70 volts. Connect a 620 ohm resistor from the orange wire to ground. In my case the output dropped to 1.39 volts. You should observe the same percentage drop.
With the 620 ohm resistor connected the DC current drawn from each power supply increased by approximately 0.1 mA. A 600 ohm load is the lowest you are likely to encounter in the real world.
Disconnect the hot FG lead from the green and yellow wires and connect it to the gray wire.
Set the frequency of your function generator to 7 kHz.
Set the output voltage to 5.0 volts. The output on the blue wire should be within 1% of this value.
Connect the FG's output and voltmeter to the white wire. If the voltage has changed, and it will, readjust it to be 5.0 volts.
Measure the output voltage at the blue wire. It should be 0.50 volts. In simpler terms the gain from the gray wire to the blue wire should be 10 times the gain from the white wire to the blue wire. This 10 to 1 ratio is vital to the calibration of the instrument. If it is off even by a little the instrument will give incorrect readings by that same percentage.
A chart is not necessary for voltage measurements. IC pins that have DC values will have zero AC. Pins that have AC will have 0 DC.
You should measure +15 volts DC on pin 7 of IC1 and pin 4 of IC2.
You should measure -15 volts DC on pin 4 of IC1 and pin 11 of IC2. Don't get them mixed up.
On all remaining pins of IC2 you will measure an AC voltage equal to the input voltage on the yellow wire.
On IC1 you will have zero AC and DC on pins 2 and 3. Pin 6 will have an AC voltage equal to the input voltage. You may find some stray voltage on the remaining 3 pins but this is not important.
If all measurements are in general agreement with mine then install the cover on the box and move on to the chassis assembly.
Back to Fun With Tubes.
Back to Fun With Transistors.
Back to Table of Contents.
Back to Top.4.4.5.3 Troubleshooting.
If pin 6 of IC1 has a positive or negative voltage look for a short between pins 2 and 3.If any of the outputs of IC2 exhibits a voltage several volts positive or negative look for shorts between the inverting and noninverting inputs of the particular amplifier.
Congratulations!
You now have 5 working modules.
Back to Fun With Tubes.
Back to Fun With Transistors.
Back to Table of Contents.
Back to Top.4.5 Chassis Assembly.
There is no difference between the panel and the chassis. All components are mounted on the front panel which makes for a compact assembly which is easy to work on.Back to Fun With Tubes.
Back to Fun With Transistors.
Back to Table of Contents.
Back to Top.4.5.1 Preparing the Panel/Chassis.
I am assuming you have the Hammond walnut chassis and have ordered an extra aluminum panel. Select either one to be the front panel. It is suggested you keep the wooden frame in the protective cardboard it was shipped in until the last stage of assembly.Back to Fun With Tubes.
Back to Fun With Transistors.
Back to Table of Contents.
Back to Top.4.5.1.1 Drilling the Panel.
Here is the drilling template for the control panel/chassis. You must obtain a printout of the drawing to the exact scale as indicated by the 9.25 inch dimension at the top of the drawing. I did it with my MaxCAD drawing program and a trick I built into the print routine. Although the panel is a little larger than a standard 8-1/2 by 11 inch piece of paper my printer prints close enough to the edge of the paper for all vital information to be printed. I think that most modern printers will print right up to the edge of the paper. You can use the paint program which is supplied with Windows to crop the drawing and adjust its scale. If you are unable to accomplish this you can always take the file to a print center and have them scale and print it on an oversized piece of paper. You will have to do the same thing with the panel label so you might as well take it along. The panel label should be printed on photo grade paper but the drilling template can be on ordinary paper.
Assuming you have the drilling template scaled and printed out, lay it on the panel. In the drawing as it shows up on your computer screen the heavy outer boarder is the boarder of the drawing. The inner rectangle represents the outer edges of the panel. Neither will be printed on the drawing unless it has been printed on oversize paper. If it is on oversized paper line up the edges and fasten the paper to the panel with double stick tape, (tape with stickum on both sides). If standard size paper has been used you will have to align the paper by the dimensions given on the left side and bottom of the drawing. It will help if you set something heavy on the paper such as the power transformer turned upside down. When the paper is positioned properly lift one edge and place a strip of double stick tape on the panel and lower the paper so it will stick. After confirming that the paper is positioned correctly remove the transformer and stick down the other edge.
Before marking any holes check the power transformer you have, to make sure its holes line up with those marked on the template. If they don't make your own marks rather than using the marks on the printed paper.
Now use a center punch and a hammer to mark the exact location of each hole's center point as indicated by the two crossed lines. I like to enlarge the marks by holding a 1/16 inch bit in my fingers and rotating it while holding it in the small indentation made by the punch. Note: This would not be possible in steel but is easy in the soft aluminum this panel is made of.
Now drill all the holes with a 1/8 inch bit. This will provide a starter hole for the larger bits such as 3/8 and 1/2 inches. The strain relief you have may require a hole larger than 1/2 inch. If so the most economical solution is to buy a tapered reamer that goes up to 3/4 inches. You will use this tool in future projects. If you buy a larger bit you may only use it once. Drill all holes out to their indicated size. The size for the index hole for the switch at "X10 X1 HI Z" will have fallen off the edge of letter size paper. It is 1/8" the same as the other two switches.
The index holes for the switches MUST be drilled because the index pin must be inserted in a hole to keep the switch from moving during use. The metal nuts cannot be tightened on the plastic threads tight enough, (without stripping the plastic bushing), to keep the switches from turning. The 3/8 and 1/8 inch holes must be placed with precision so the switches will fit into both holes. If you miss, some work with a small round file will be required.
Leave the drilling guide paper attached to the panel to remind you of which is the outside and which is the inside. Turn the panel over so the inside is up. Sand off the paint down to bare aluminum. I hope you have or can borrow a power sander. Now remove the drilling guide paper from the panel.
Try each switch into its location. If any won't fit file a little on the index hole until it will. Do not install the switches at this time.
Temporarily mount the "Linear Mixer and Output Buffer" module to the aluminum side of the panel in the location shown in the diagram below. Use 6-32 x 1/4 screws. Although other components such as switches and controls are shown in the diagram they should not be mounted at this time.
If one of the holes does not quite line up use the round file on the holes in the panel until it does.
Use an ordinary pencil to draw the outline of the module box on the panel. This will give you a reference for routing wires later.
In a similar manner temporarily mount each of the remaining 4 modules one at a time. File the mounting holes if necessary and draw the outline of each module. Be sure to orient each module as shown in the diagram above. Set all 5 modules aside, they will be mounted later.
Back to Fun With Tubes.
Back to Fun With Transistors.
Back to Table of Contents.
Back to Top.4.5.1.2 Front Panel Label.
Above is the panel label. The first step is to get it scaled to the correct size. Do not waste expensive photo grade paper at this time. Print out the image on plain paper. Lay the drilled out panel on a light box painted side up. Lay the panel label on top of it and line up the holes. What's that? You don't have a light box? Well, try this, set the panel on two strips of wood with a white piece of paper on the table underneath. Arrange a desk lamp to shine under the panel and illuminate the paper. If you slightly darken the room you should be able to see the light shining through the holes and the paper. Adjust the scaling until the marked holes match the drilled holes in the panel. Depending on how your printer and graphics program work together you may have to crop the drawing to make the printer give it the proper scale. That is how mine works. Another goal is to make the paper fit entirely inside the panel dimensions when the holes are aligned. This will almost certainly require a lot of trial and error. When you have everything right print out the panel label on photo grade paper.
If you had your images printed out at a copy center and the holes don't line up perfectly it is too late to do anything about it. Adjust the paper for best compromise. The three switches are most important so try to get them as close as possible.
In the next step you will glue the panel label to the panel. In the past I have used rubber cement for this but have found that it doesn't pass the test of time. For this project I am trying "Alleene's TACKY GLUE". Although it is not easily reversible once dry it is forgiving enough to allow positioning the label before it tacks up.Lift the paper panel label from the panel and run a bead of glue around the edges of the panel just inside where the paper was. Run several more beads of glue between the holes. Don't get so close to the holes that the glue will squeeze out through them. Place the panel label on the panel and line it up as before. Smooth it down flat and place it label side down on a very smooth flat surface with a layer of waxed paper between the label and the surface. I used my newly constructed workbench which has a plastic laminate top. If any glue has begun to squeeze out of any of the holes wipe it up but be careful not to slide the panel on the table's surface. Place another layer of waxed paper over the panel and place several heavy books on top of it. Leave it to dry overnight.
Use and X-acto knife equipped with a long triangular blade to cut through the paper at each hole. Cut from the paper side and make a cut only on the down stroke which will push the paper against the panel. Do not cut from the other side or make a cut which will lift the paper from contact with the panel. Start with the larger holes. You will quickly get the hang of it. DO NOT CUT OUT THE 1/8 INCH HOLES THAT ARE FOR THE SWITCH INDEX PINS. Cut through the paper at all other holes including the panel mounting holes that are in each corner of the panel.
Back to Fun With Tubes.
Back to Fun With Transistors.
Back to Table of Contents.
Back to Top.4.5.2 Preparing the Switches..
Before mounting the switches the stops must be set for the proper number of positions. Remove the nut and lock washer from each switch. Do not remove the stop collar or allow it to drop to the floor as you remove the lock washer. The picture below shows how to set the stop collar for 3 positions. There are numbers molded into the switch body. Set the stop collars on the two pole switch and one of the single pole switches for 3 positions. Remember when counting switch positions the one you start on is one. It goes, "one - click - two - click - three".Set the remaining single pole switch for 4 positions.
Set the switches with the shafts upright so the stop collars will not fall off.
Back to Fun With Tubes.
Back to Fun With Transistors.
Back to Table of Contents.
Back to Top.4.5.3 Parts Mounting.
As you perform the following steps keep in mind that the printed paper panel label is not nearly as robust as a painted and etched one. You may want to send the diagram off to a custom panel maker to obtain such a panel. I may do the same someday.
Back to Fun With Tubes.
Back to Fun With Transistors.
Back to Table of Contents.
Back to Top.4.5.3.1 Mounting the Switches.
In the following three steps when mounting switches do not use the lock washers provided with the switches. They may cause the paper to crinkle as you tighten them. Instead substitute 3/8 inch flat washers. These are extra flat washers that were supplied with the potentiometers.Locate the two pole switch. This is the one with two solder lugs inside the ring of lugs around the outside of the switch. Insert the switch from the back through the hole at S 1. Insert the index pin into its hole and drop a flat washer over the shaft from the front. Install the nut that was supplied with the switch. The nut has a rough and a smooth side. Install it with the smooth side against the flat washer. BE CAREFUL! Once you cross thread a nut in plastic it is very difficult to get it to start right. Patients and gentleness are strongly recommended. Do not tighten the nut as firmly as you are accustomed to with all metal switches. Note: The outside dimension of the nut is not an imperial size. A 9/16 inch Xcelite nut driver will grip it well enough to get it as tight as you need.
In like manner install the single pole 4 position switch at S 2. Remember to use flat washers between the nut and the panel instead of the lock washers that were supplied with the switches. Some of the legends in the drawing above do not exactly match the legends on the panel label.
Mount the 3 position single pole switch at S 3. The photos will show a control grounding lug used for connection to chassis ground. A late change required the ground connection to be made through a solder lug mounted on the end of the LF GEN module. Use a flat washer and the nut supplied with the switch on the label side of the panel.
Back to Fun With Tubes.
Back to Fun With Transistors.
Back to Table of Contents.
Back to Top.4.5.3.2 Mounting the Potentiometers.
There are several options for mounting the three potentiometers which are called controls here. The part of the control known as the bushing is that part which is threaded and passes through the hole in the panel and a nut is turned onto the outer end to hold the control in place. If the bushing is long pushing it through the panel and screwing a nut on the end will result in the large part of the bushing sticking out in front of the panel and when the knob is installed there will be an unsightly gap between the knob and the panel. A good way to overcome this is to place a second nut on the bushing before pushing it through the panel hole. Another nut is placed on the outside of the panel to hold the control in place. The inner nut is adjusted so the end of the bushing only protrudes a little beyond the outer nut. It is usually a good idea to install a lockwasher between the inner nut and inside face of the panel to help ensure that the entire control won't turn in the panel hole. In this project it is also a good idea to install a flat washer between the paper panel label and the outer nut. This is to keep the label from becoming crinkled as the nut is tightened. So the order of things from the control outward is; nut, lockwasher, panel, flat washer, nut.The complication is that the bushing may be too short to hold all of that. If so the inner nut may be left off and a thick lockwasher may be put in its place. (Yes, there are thin lockwashers and thick lockwashers). If the outer nut still can't be started, substitute a thin lockwasher for the thick one. The older controls which have been part of my stock for many years have long bushings that need the inner nut. One control I had to buy new, needed no lockwasher behind the panel. I cannot predict what you may already have in your possession or what you may get when you buy new controls.
If you buy controls from Circuit Specialists each one will come with two flat washers and a nut installed on the bushing. They will also have locating pins that will fit into the holes that are indicated for drilling in the panel.
Install a 50 k ohm control with switch at P 2/S 4 as described above. Push it through the hole from the back. Then install a flat washer and a nut. If the nut has a rough side and a smooth side place the smooth side next to the flat washer. Position the control lugs as shown, Fit the locating pin into the hole and tighten the nut.
As you did above install a 1 Meg ohm control at the P 1 hole. Remember to use a flat washer between the panel and front nut and place the smooth side of the nut next to the flat washer. Position the lugs of the pot towards the switch as shown.
In like manner install a 10 k ohm control at hole P 3. Position the lugs as shown.
Install a knob on each shaft of each switch and control. The skirt of the knob should be approximately 1/8 to 1/16 inch from the panel. If it is farther away remove the control or switch and saw off a small portion of the shaft until the knob fits properly. Do not attempt to saw off the ends of the shafts with the switch or control in place on the panel. There is a real possibility of damaging the fragile paper panel label. Instead locate a piece of scrap sheet aluminum and drill a 3/8 inch hole in it. Mount the switch or control through the hole. In the case of the switch install a nut on the switch bushing so the index pin will not interfere with mounting the switch. Clamp the piece of aluminum in your vice and then saw off the end of the shaft.
Back to Fun With Tubes.
Back to Fun With Transistors.
Back to Table of Contents.
Back to Top.4.5.3.3 Mounting the BNC Connectors.
My lab is based on BNC connectors and that is what I use on all my equipment. Even for those which have binding posts I use BNC adapters for most of them. If you would rather use some other kind of connector, much of what follows will not apply to your instrument.The single hole BNC female connectors have a threaded bushing that fits into a 3/8 inch hole. There is a flat side on the threaded bushing that is meant to fit into a hole made by a D hole punch. I don't have such a punch and I doubt if you do. So the connectors will go into a normal round hole.
Mount 6 BNC female connectors at locations J 1 through J6. It might be helpful to lock the connector into a male connector to help hold it still while the nut is tightened on the other side of the panel.
The remaining parts will be mounted in later steps.
Back to Fun With Tubes.
Back to Fun With Transistors.
Back to Table of Contents.
Back to Top.4.5.4 Chassis Wiring Part 1.
In the following steps the soldering convention from many years ago will be used. When a wire is inserted into a lug the letters (NS) mean do not solder the connection, (No Solder). When the connection is to be soldered the letter S will be followed by a number indicating the number of wires in the lug. For example (S3), means solder the connection and there are 3 wires in the lug. If the number of wires in the lug does not match the number an error is indicated and it should be found and corrected before proceeding. Note: Many people believe that this convention was invented by the Heath company. If they did they didn't copyright it because other kit manufacturers of the period used it. I have direct knowledge that it was used by Eico and WRL (World Radio Laboratories) Maker of the Globe Scout, Globe Chief and many other transmitters.Make mechanically secure connections. Form a hook in the end of the lead and use your needle nose pliers to squeeze it closed around one side of the lug. Do not attempt to wrap the wire entirely around the lug.
Back to Fun With Tubes.
Back to Fun With Transistors.
Back to Table of Contents.
Back to Top.4.5.4.1 Power Supply Rectifier and Filter.
All components will be installed on TS 1.Connect the cathode lead of a 1N4007 diode to TS 1 lug 5 (NS) and the anode end to lug 4 (NS). Adjust the lead length so the diode is close to the terminal strip as shown in the drawing.
Connect the cathode lead of another 1N4007 diode to TS 1 lug 2 (NS) and the anode end to lug 1 (NS). Adjust the lead length so the diode is close to the terminal strip as shown in the drawing.
Note: In the next two steps if the diodes you have, came from the supplier in strips of paper do not remove the diodes from the paper by cutting off the lead. You need one of the leads to be full length.
Cut a 7/8 inch length of the smallest sleeving you have. Install this over the anode lead of another 1N4007. Insert the cathode lead into lug 5 (NS) and the anode lead into lug 2 (NS). Shorten the cathode lead a little so the diode stands out past the other diode. Do not make any sharp corner bends in the anode lead.
Note: In case you are wondering, lugs 2 and 4 will get one more lead each while lugs 1 and 5 will get two more leads each. It may be helpful if you push the leads down as far as possible to keep a portion of the lugs open for future leads.
Connect the negative end of a 470 uf 25 V electrolytic capacitor to lug 3 (NS) and the positive end to lug 5 (NS). The capacitors I have on hand are longer than those indicated in the drawing. Bring the wire from lug 3 straight out from the lug and let the positive end of the capacitor extend past lug 5. Refer to the photograph below.
Connect the positive lead of another 470 uf 25 V electrolytic capacitor to lug 3 (NS) and the negative end to lug 1 (NS). Position the capacitor as shown in the photograph.
Note: If the capacitors you have are shorter than mine, count yourself lucky.
Cut a 6-1/2 inch length of red insulated wire and strip 1/4 inch of insulation from each end. Connect one end of this wire to TS 1 lug 5 (S4). Push the wire down against the panel near TS 1, rout it around the outlines for M 3 and M 1, and connect the other end to TS 2 lug 3 (NS).
Cut a 7-3/4 length of violet wire and strip 1/4 inch of insulation from each end. Connect one end to TS 1 lug 1 (S4). Push the wire down against the panel near TS 1 and route it around the outlines of M 3 and M 1, and connect the other end to TS 2 lug 2 (NS).
Connect a 6-1/4 inch length of violet wire from TS 2 lug 2 (NS) to TS 3 lug 2 (NS). Route this wire down against the panel and around the outline of M 4.
Connect a 6-3/4 inch length of red wire from TS 2 lug 3 (NS) to TS 3 lug 3 (NS). Route this wire along the same general path as the violet wire in the previous step.
The wiring diagram is repeated here to save wear and tare on your mouse wheel.
Connect one lead of a 10 k ohm 1/4 watt resistor (brown black orange) to TS 3 lug 1 (NS) and the other lead to lug 2 (NS) Position the resistor as shown.
Connect one lead of another 10 k ohm 1/4 watt resistor to TS 3 lug 1 (NS) and the other lead to TS 3 lug 3 (NS). Position this resistor farther from the terminal strip than the resistor installed above. p> Connect a 1-1/4 inch length of white wire from J 6 (S1) to J5 (NS). Insert the end of the wire into the end of the small tube parallel to the axis of the connector and fill the tube with solder. Do not use the hole in the side of the tube. Route this wire directly rather than as shown in the diagram. It was drawn for clarity rather than accuracy.
Connect a 2-1/2 inch length of gray wire from J 4 (S1) to P 3 lug 2 (NS). Route this wire down along the panel.
Connect a 2 inch length of black wire from P 3 lug 1 (S1) to TS 2 lug 1 (S1). Route this wire behind but not touching lugs 2 and 3 of P 3.
Connect a 2-1/2 inch length of orange wire from J 3 (S1) to S 2 lug A (S1). The lug numbers and letters are molded into the plastic switch. Route this wire between but not touching lugs 10 and 11 and right across to J 3 in midair.
Connect a 7-3/4 inch length of orange wire from S 2 lug 1 (S1) to J 2 (NS). Route this wire down against the panel and around the outline of M 4. You will find it helpful to use a bit of Scotch tape to fasten the wire to the panel near J 2 because there is nothing to hold the wire in J 2 until it is soldered.
Connect a 7-3/4 inch length of green wire from S2 lug 2 (S1) to J 1 (NS).
Connect a 2 inch length of black wire from TS 3 lug 1 (S3) to P 1 lug 1 (NS). Rout this wire down next to the panel.
Connect another 2 inch length of black wire from S 1 lug A (S1) to P 1 lug 1 (S2). Route the wire between lugs 10 and 11 of the switch and directly to lug 1 of the control.
Connect one lead of a 0.022 uf 630 volt capacitor to lug 3 of P1 (S1) and the other lead to J 1 (S1) Shorten up the leads as necessary. Be sure that neither lead touches the chassis or the metal shell of the control.
In a step when a lead passes through a lug and goes on to another lug the lead that passes through the lug counts as two wires in the soldering instructions.
Pass one lead of a 10 k ohm 5% resistor (brown black orange gold) through lug 2 of S 1 (S2) to lug 1 of S 1 (S1). Adjust the lead length before soldering.
Connect the other resistor lead to lug 7 of S1 (NS).
Prepare a 1-1/2 inch length of green wire as follows. Strip 1/4 inch of insulation from one end and 1/2 inch from the other end.
Insert the long bare end through lug 9 of S 1 (NS) to lug 8 (S1). Connect the short end to lug 2 of P 1 (S1).
Connect one lead of a 91 k ohm 5% resistor (white brown orange gold) to lug 7 of S 1 (S2) and the other lead to lug 9 (S3). Shorten up the leads so the resistor is a short distance from the outside of the switch as shown.
Back to Fun With Tubes.
Back to Fun With Transistors.
Back to Table of Contents.
Back to Top.4.5.5 Chassis Wiring Part 2, Module Installation.
Install modules M 2 High Frequency Generator and M 1 Low Frequency Generator at the indicated positions using two 6-32 x 1/4 screws in each module.
In all cases the wires from the modules are to be routed by the shortest possible path. In the drawing the wires are shown avoiding crossing color labels and running parallel to other wires for long distances. So the rule is rout the wires by the shortest distance not as shown in the drawing.
Install the necessary length of black wire from lug A of S 3 (S1) to the solder lug mounted on the end of M1 (S1). Route the wire between lugs 11 and 12 as shown.
Connect the violet wire from M 1 Low Frequency Generator to TS 2 lug 2 (NS). Route this wire along the shortest path across the top of the module, down its side and across to the lug. Cut off excess length and strip 1/4 inch of insulation from the end of the wire.
In the same way route the red wire from M 1 down along the side of the module to TS 2 lug 3 (NS).
I have gone back and changed the instructions for each module suggesting longer wires than originally done. The increased length may make it unnecessary to splice on additional wire length.It is possible, even likely, that some of the remaining wires from the remaining modules will be too short. Additional wire length will have to be spliced onto the original wire. Here is the recommended way. Determine the path the wire is supposed to take. If the wire ends on or near a point where a bend is necessary cut the wire off. Adjust it so the splice will be on a straight run. Locate a length of wire that is the same color as that to be spliced to. Strip 1/4 inch of insulation from each end to be spliced together. Bend a small hook in each end and hook them together. Use your needle nose pliers to squeeze the ends together to make the splice as small in diameter as possible. Hold the ends so the splice is in a straight line. Solder the splice using a minimum amount of solder. A bulging drop of solder can prevent the sleeving from slipping over the splice. Cut a 1 inch length of small heat shrink sleeving. Starting at the far end slip the sleeving over the wire and cover the splice with it. Shrink the sleeving using the heat from your soldering iron. You do not have to touch the sleeving with the iron, hold it about 1/8 inch away from the sleeving and it will shrink. Use the hottest part of your iron which is the barrel just above the tip. It is assumed you will have to do this many times but these instructions will be given only once.
Connect the end of the violet wire from module M 2 High Frequency Generator to TS 2 lug 2 (NS).
Connect the end of the red wire from module M 2 High Frequency Generator to TS 2 lug 3 (NS).
Route the green wire from module M1 behind the blue wire, along behind where the other wires emerge, down the end of the module, around the outline for module M 3 and to lug 4 of TS 1 (NS). I routed the wire under C 2 and the diode lead but you may do an end run around TS 1 and approach lug 4 from the other side if you wish.
Connect the yellow wire from M 2 to S 3 lug 1 (S1). Route this wire by the shortest distance possible.
Connect the Yellow wire from M1 to S 3 lug 3 (S1). Route this wire by the shortest distance possible.
Route the blue wire from M 2 to the edge of the module and diagonally down the side between the two modules until it reaches the panel at the end of the modules. Route the wire along the panel to lug 3 of P 3 (S1).
The blue wire from M 1 will be connected later.
Mount module M 3 as shown using two 6-32 x 1/4 screws.
Connect the necessary length of black wire between P2 lug 1 (S1) and the solder lug mounted on the end of module M3 (S1).
Route the violet wire from M 3 down the side of the module to the panel, around P 3 to lug 2 of TS 2 (S5).
Route the red wire along the same path as the violet wire above and connect it to lug 3 of TS 2 (S5).
Route the orange wire to the end of the module and down to the panel. Connect it to J 2 (S2). As it turns out there is not enough room for two wires in the BNC connector. Form a loop in the end of the second wire and place it around the lug.
Route the yellow wire from M 3 to the edge and down to the panel. Connect the end to lug 2 of P 2/S 4 (S1).
Route the blue wire from M 3 not as shown but to the left to the nearest edge, then diagonally down the side of the module and under the lugs of P 2/S 4. Connect the wire to terminal 3 of the control (S1).
Route the gray wire from M 3 as shown down the side of the module, along the panel to lug 2 of P 3 (S2).
Route the white wire from M 3 to the end of the module then down to the panel and to J 5 (S2). Make a loop in the end of the second wire and place it around the lug as you did for J 2.
Splice the green wire from M 3 to the blue wire from M 1. Make the splice happen in midair between the modules. Heat shrink sleeving is not recommended. Access to this circuit point needs to be available when troubleshooting becomes necessary someday. This connection can't possibly come into contact with any other parts and the voltage on it is far from lethal.
Mount module M 5 Linear Rectifier and LPF at the location shown. Use two 6-32 x 1/4 machine screws.
Connect the end of the violet wire from M 5 to TS 3 lug 2 (NS). Route this wire down the side of the module and along the panel as shown.
Connect the end of the red wire from M 5 to TS 3 lug 3 (NS). Route this wire similarly to the violet wire above.
Route the orange wire from M5 to the nearest edge, diagonally down the side of the module, across the panel to lug 4 of switch S 2 (S1).
The blue wire from M5 serves no function necessary to the circuit. It was added as a possible aid to any troubleshooting. It cannot be left to just flop around lest it short out and cause the instrument to stop working. It has a rather large signal on it so it should not be near any leads that carry low level signals. Thus it has been routed on the outside of everything and to an unused lug on S 3.
Route the blue wire from M5 to the right diagonally down the side of M5 and towards the back. Make sure it does not obstruct the adjustment hole. Run it along the panel until it reaches switch S 3. Connect it to lug 8 (S1).
Mount module M 4 Input and HPF with two 6-32 x 1/4 machine screws as shown. Be careful not to pinch any wires between the module and panel.
Connect the orange wire from M 4 to switch S 2 lug 3 (S1). If the truth were known the switch was in a hole that was too deep for me to solder in. I set the module on the outline and cut the wire to length. Then I laid the module flat side down and oriented it to give easy access to the switch for soldering. The orange wire was soldered to the switch lug and then the module was mounted to the panel. But nobody knows this. I won't tell if you won't.
Connect the violet wire from M4 to TS 3 lug 2 (S4).
Connect the red wire from M 4 to TS 3 lug 3 (S4).
Connect the green wire from M 4 to switch S1 lug C (S1). Do not route this wire against the module or panel. Run it directly on a diagonal.
Splice the blue wire from M 4 to the green wire from M5. Route the blue wire on top of M 4 for some distance. Make the splice happen in midair. Do not use heat shrink sleeving on the splice. Access to this circuit point may be needed for troubleshooting.
This completes installation and wiring of the modules.
Back to Fun With Tubes.
Back to Fun With Transistors.
Back to Table of Contents.
Back to Top.4.5.6 Power Transformer and 120 Volt Primary Wiring.
Mount the power transformer and one lug terminal strip TS 4 as shown using two 6-32 x 3/8 machine screws, two 6-32 nuts, and 3 #6 lockwashers. On the transformer mounting tab on the other side from the terminal strip use one lockwasher under the nut as you are accustomed to. On the other end push the screw through the hole in the panel and the mounting tab. While holding the screw in place drop a lockwasher over the screw then place the mounting foot of the terminal strip over the screw, then another lockwasher then the nut. Tighten all hardware.
Note: All transformers use stranded wire for their leads. In some transformers when you strip the insulation off the end of the wire you find that the strands have been lightly tinned (coated with solder) and stay together. In others the leads do not stay neatly twisted together but just fly away. If you have fly away leads you must coat them with solder or you will not be successful in inserting them into a solder lug. Twist the fine strands tightly together and melt a small amount of solder on them to hold them together.
Note: Your transformer may have red leads or some other color rather than green. The primary leads should be black. There should be 3 secondary leads. Two of them should be of the same color usually a single color. The third one should be two colors striped.
Connect either green lead from the transformer to lug 4 of TS 1 (S4). After cutting the lead to length strip about 1/4 inch of insulation off the end. If the fine wires do not stay together twist them with your fingers and then melt a small amount of solder on them to hold the strands together.
Connect the green and yellow striped lead to lug 3 of TS 1 (S3).
Connect the other green lead to lug 2 of TS 1 (S3).
Mount the fuse holder at F 1 using the hardware supplied with the holder. Orient the solder lug on the side toward control P 2/S 4. If a rubber washer is supplied it goes on the label side of the panel. If a lockwasher is supplied it goes between the panel and the nut. Do not overtighten the nut, you may crack the plastic.
Note: Now you must decide how long you want the line cord to be. The only thing that's worse than a cord that's too short is one that's too long. This should be a two wire cord with a two prong polarized plug (one prong is wider than the other). If you do not have a line cord of this type, get one.
The side of the cord that has ridges molded into it is usually the neutral side which is connected to the wide prong. Confirm this with an ohmmeter or continuity tester before performing the following steps. It will be assumed that the ridged lead is the neutral lead of the line cord.
Feed the cord through the strain relief to the length you want with the ridges toward the transformer, the smooth lead toward the fuse holder, and snap it in place. Depending on the particular combination of cord and strain relief you have, you may need a pair of locking pliers to convince it to go in.
Cut off the excess line cord leaving about an inch more than you think you'll need. Save the leftover cord, some of it will be used later.
Strip the insulation from the smooth wire of the line cord so it is just the right length to go into the end lug of the fuse holder. Twist the fine wires together and melt a small amount of solder on them to hold them together. The stripped area will be relatively long. Concentrate on the part near the insulation. If you get too much solder use your iron to move it closer to the end. Cut off the end so the stripped portion is just a skinch longer than 1/4 inch.
Insert the stripped and tinned end of the smooth wire into the end lug of the fuse holder. Wrap it around and solder (S1).
Treat the ridged lead the same to go to lug 2 of TS 4. Connect the lead to this lug and cut off excess lead length (NS).
Now look at the transformer primary leads. If they are both solid black follow the instructions under that heading. If one is solid black and the other is black with a colored or white stripe, perform the instructions under that heading.
Rotate the panel on your work surface so the long dimension is toward and away from you and the transformer is closest to you.
Back to Fun With Tubes.
Back to Fun With Transistors.
Back to Table of Contents.
Back to Top.4.5.6.1a If Both Leads Are Solid Black.
Of the two transformer primary leads take the one that is on the right and route it between the transformer and TS 4, between the strain relief and TS 1, between the fuse holder and TS 1, and to lug 4 of control P 2/S 4 (S1). Use Scotch tape to fasten the lead down so it will stay close to the panel as it approaches the control.Shorten the other lead so it will just reach to lug 2 of TS 4. Strip and if necessary melt a small amount of solder on the fine wires to hold them together. Pass the lead through and around the lug and crimp it down (S2).
Back to Fun With Tubes.
Back to Fun With Transistors.
Back to Table of Contents.
Back to Top.4.5.6.1b If One Lead is Solid Black and the Other One is Black With a Colored Stripe.
Of the two transformer primary leads take the one that is solid black and route it between the transformer and TS 4, between the strain relief and TS 1, between the fuse holder and TS 1, and to lug 4 of control P 2/S 4 (S1). Use Scotch tape to fasten the lead down so it will stay close to the panel as it approaches the control. If the lead is not long enough you will have to make a splice.Shorten the lead that has a colored stripe so it will just reach to lug 2 of TS 4. Strip and if necessary melt a small amount of solder on the fine wires to hold them together. Pass the lead through and around the lug and crimp it down (S2).
Back to Fun With Tubes.
Back to Fun With Transistors.
Back to Table of Contents.
Back to Top.4.5.6.2 Line Cord Installation.
Cut 4-1/4 inches off of the left over line cord. Separate the two leads and discard the one with ridges. On the other remove 1/4 inch of insulation from each end, twist the fine strands together and melt a small amount of solder on them to hold the strands together.Install the wire you just prepared from the side lug on the fuse holder (S1) to control P 2/S 4 lug 5 (S1).
Lug 1 of TS 4 will not be used.
This completes wiring of the instrument.
Back to Fun With Tubes.
Back to Fun With Transistors.
Back to Table of Contents.
Back to Top.4.5.7 Photograph of Finished Project.
Back to Fun With Tubes.
Back to Fun With Transistors.
Back to Table of Contents.
Back to Top.4.6 Electrically Bonding the Two Panels.
One More Thing. When I tested and calibrated the unit sitting out on my bench I found a residual reading of 0.07%. After mounting the panel in the wooden frame and installing a blank panel on the bottom the residual reading was 0.14. This was not a good sign. As I was puzzling over it I picked up the instrument in such a way as to have thumb and finger in contact with the two aluminum panels at the same time. The residual reading dropped. I had forgotten to ground the bottom panel. It did not get any grounding through the wooden frame. I placed some copper foil tape in the corner opposite to the power transformer and filed off the paint from that inside corner of the bottom panel. Remove the main panel/chassis from the frame.Before removing the backing cut the tape to length and make diagonal cuts to allow the tape to fit in the corners. Peel off the backing and stick the tape to the inside of the frame with the triangular ends on the mounting block ends. Use a Philips screwdriver to find the mounting holes and pierce through the foil. Remount the top and bottom panels.
Back to Fun With Tubes.
Back to Fun With Transistors.
Back to Table of Contents.
Back to Top.4.7 The Smoke Test.
Because each module was tested after it was finished there is little left to go wrong, go wrong, go wronb, do eronh. Use an ohm meter to measure the resistance from lug 5 of TS 1 to chassis ground and lug 1 of TS 1 to chassis ground. The resistance you read will depend on the type of meter, analog or digital, and how the particular meter was designed. The important thing is that the resistance is not zero where a few hundred ohms will qualify as zero.Install a 1/2 amp fast acting fuse in the fuse holder, connect the "SIG OUTPUT" of the analyzer to the input of your oscilloscope, set the scope to 1 volt per div and 5 ms per div, plug in the line cord, turn on the power switch and rotate the control fully clockwise. You can tell this is not a posed picture but the real smoke test. In a posed picture the scope trace would have been complete and much more visible. The camera shutter speed must have been 1/60 of a second.
The Real Smoke Test. I didn't let the smoke out.