The All Japanese Six Radio.

General Information.

The All American 5, five tube table radio ruled the market from 1940 until 1960. All dates are approximate and subject to debate. Such radios were manufactured through most of the 1960s but starting in 1957 they were gradually replaced by 6 transistor radios that were made in Japan.

The Transistor was invented at Bell Labs in 1948 and the first transistors were mass produced by Texas Instruments and their engineers designed the first practical transistor radio. It was made under contract by a company in Illinois for a time. However as has happened so many times over the years since 1952 the Japanese were able to make it at less cost which drove American manufacturers out of the transistor radio business. Even though it isn't "all" Japanese I choose to call it the AJ6 in the same way as the 5 tube radio that really was all American was called the All American 5 (AA5). I do this with apologies to the states of Texas and Illinois.

One of my professors told the following joke. "Whenever an American company comes out with a new product, within one week the Russians have invented it first, and within two weeks the Japanese are making it cheaper." I have no knowledge of the USSR claiming to have invented the transistor radio first but there is no doubt that the Japanese did make it cheaper.

The 6 transistor radio (AJ6) uses 3 of its transistors in the audio section, another as the converter and the remaining two in the IF amplifier. As with the tube AA5 there were variations with 5 or even 4 transistors that didn't work very well and 7 or more transistors that performed better but cost more. One notable transistor radio that was bigger than the usual pocket size with much better performance was the Heathkit model GR-24. This radio only used 6 transistors but one of them was an RF amplifier and there was only 1 IF amplifier stage. The extra space in the hand carried portable case permitted the use of a long ferrite rod antenna which made it a good radio for chasing DX.

Sometimes manufactures would put in transistors that were connected as diodes or even ones that did nothing just to increase the count. In these pages we will stick to legitimate transistor counting.

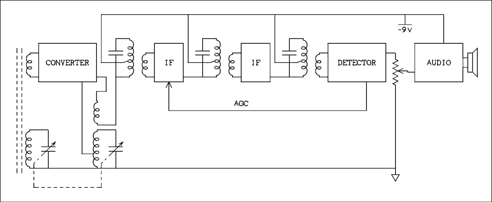
Block Diagram of a Typical AJ6.

For a verbal description click here.

Above is the block diagram of a typical AJ6 radio. The signal of a station is picked up by the ferrite antenna on the left. It is converted to a frequency of 455 kHz as will be explained on the page devoted to the converter. The two gang variable capacitor tunes the antenna and oscillator coils. The IF amplifiers increase the level of the station signal and the tuned circuits discriminate against adjacent channels so only one station will be heard at a time. The detector recovers the audio which is fed to the volume control, then to the audio amplifier, and finally to the speaker. The detector also recovers a DC level which is proportional to the strength of the station and this level is fed back to the first IF amplifier to control its gain which makes all stations sound approximately the same loudness.

The diagrams below were obtained from this website. The diagrams have been redrawn to avoid any copyright problems.

Voxson Model 762.

For a verbal description click here.

Sanyo Super-Six.

For a verbal description click here.

These diagrams give no clue as to the year of introduction. They all use germanium PNP transistors so the late 1950s or early 60s seems to be a good guess.

Do not expend time and energy trying to figure out these schematics unless you have plenty of experience reading such diagrams. Each section will be explained on a separate page.

General Information.
The Converter.
The IF (Intermediate Frequency) Amplifier.
The Detector and AGC/AVC (Automatic Gain Control/Automatic Volume Control).
The Audio Amplifier Section.
Conclusion.

This page last updated April 25, 2011.


Home