HOME


The Vibrator Power Supply - Part Three.

The Present and Future of Mobile Power Supplies.

****====WARNING!====****

The vibrator discussed in these articles is also known as the electronic vibrator, which is meant for turning DC into a kind of AC. Another product going by the name "vibrator" is very prevalent on the internet. It pertains to a market that has absolutely nothing to do with tube electronics. To stay on the safe side, don't perform any searches for electronic vibrator technology while using work computers or anything else where your web activity can be tracked and used against you. DON'T SAY I DIDN'T WARN YOU.

The shortcomings of vibrators led to the search for their replacement, up to the point where a specialized tube set was designed to bridge the gap to transistors. As we discovered in part one, the mechanical parts easily came out of alignment or became damaged by electrical overloads or metal fatigue. They still remained in use up until nearly the end of the tube era, and working equipment spurred the need for replacement vibrators for years to follow. Replacement vibrators can be bought even today from certain sources online.

The niche has shrunk since the middle of the 20th century, but it still exists for several reasons. To that end, an efficient way to create plate voltage independent of the power mains can be found. In fact, these are easier and more efficient because of the modern semiconductors.

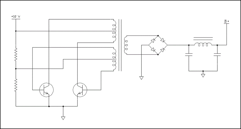
Even in the 1950s, transistor supplies were available in Amateur Radio handbooks for mobile stations. These consisted of a specialized transformer in a Royer oscillator configuration, with a feedback winding to drive the transistor bases. An advantage of this supply was that an overload on the output would cease oscillations and prevent the transistors from destroying themselves.

Fig. 1 Royer Oscillator-based Transistor Power Supply.

For a verbal description Click here.

These work well but require the use of a saturable core transformer with windings specific to this function. Unless you can find this kind of transformer, designing a new power supply needs a different arrangement. Also, the frequency of oscillation depended on the transformer and the characteristics of each transistor. The frequency of oscillation in mass produced units was a bit unpredictable.

In Fig. 1, the two transistors could be 2N3055 or other high-power transistors. They are attached to a hefty heat sink and fan-cooling would also be a good idea. They act as alternating switches that ground one primary winding, one half at a time. The resistors control the voltage and current that is available to the base circuits through the feedback windings. The oscillations in the transformer are felt through the feedback winding and allow the transistors to hand off conduction one at a time.

The secondary circuit is similar to that of other supplies, but need not be center-tapped for tube rectification. The diode bridge rectifier allows the whole voltage of the secondary to be used, but only 62% of its total RMS current is recoverable at DC. That is, a transformer capable of providing 100 mA in a full wave, center-tapped supply, or 100 mA RMS to a resistive load, would only be capable of 62 mA at a higher voltage. The diode rectifier introduces two diode voltage drops as loss, but the low current means the heating of the diodes is still very low.

The filter components can be designed for the frequency of oscillation based on testing several oscillators, or it can be designed for a frequency like 120 Hz. All frequency components higher than the design frequency get attenuated further.

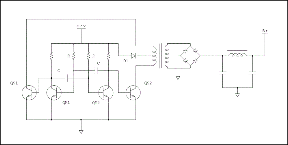
Failing to find a specialized transformer with extra windings, another topology is needed. A simple solution for this problem is an astable multivibrator. This is a pair of transistors using RC networks to control oscillations in the same way as the Royer. The multivibrator itself is not normally used to drive the transformer halves, but can easily be adapted to drive switching transistors.

Fig. 2 Astable Multivibrator Driving Transformer/Rectifier

For a verbal description Click here.

The transistors are named QM and QS, for master and slave. The QMs oscillate at a frequency controlled by R and C. For a 50 percent duty cycle, the resistors R and capacitors C must be equal (or reasonably close) in value. An imbalance in duty cycle will lead to saturation of the transformer. The collectors of the transistors QM will alternate between 0 and 0.7v. Why these values? During the ON portion of QM1's cycle, it must draw enough current through its collector resistor to prevent QS1 from turning on. During this same time interval, QM2 is biased OFF. Its collector sits at 0.7v because QS2 is biased on through the collector resistor. The resistor itself is chosen to allow the associated QS to conduct the maximum amount of collector current through the transformer.

However, this introduces a problem. The proper operation of the astable multivibrator depends on the collector voltage of the off transistor going to Vcc or a significant fraction of it. When the transistor switches on the collector voltage drops to a small value, about 0.1 volt. This sudden transition is coupled to the base of the other transistor which biases if far into cutoff. The capacitor discharges through the base resistor until the transistor turns on. A more detailed description can be found at this location. With the collector only going to 0.7 volts instead of Vcc the frequency will be much higher than that given by the equation in the reference and it will be very sensitive to the temperature of the semiconductor devices.

This design can be improved by inserting a resistor between the QM collector and the QS base. This will have a slight slowing effect on the operation of its switching transistor. It also isolates the base of QS from the collector of QM. A better fix might be to use enhancement mode MOSFETs for the QS transistors.

Another component of note is D1. It should be rated at the necessary current for full power output through T1. This prevents high voltage spikes generated by the transformer from reaching the 12v rail and damaging the oscillator transistors. This can happen and a designer could spend days chasing tail trying to find out why. A normal power rectifier diode is suitable but a Schottky diode would dissipate less power and run cooler.

The transformer itself can be a standard 60 Hz power transformer. The requirements are that it has a center-tapped secondary and a primary designed for connection to the electricity mains. If a 12v source is used, the secondary should be a 12-0-12 type so it is fed with the proper voltage. A 9-0-9 or even a 6-0-6 can be used but at higher frequency and therefore reduced power. The output can be taken from a 120v or 240v winding for variable voltage out. Keep in mind that, with all power supplies including these, the output voltage will be higher than expected at no load and less than expected at full load.

A More Realistic Circuit.

As drawn the circuit above will not work. Here is one that has actually been built and tested.

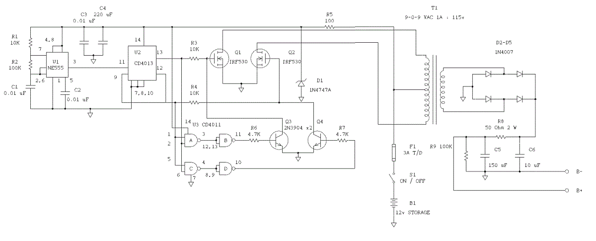
Fig. 3 555 Timer Oscillator With Symmetry Flip Flop and Duty Cycle Control.

For a verbal description Click here.

The Switching Power Supply

Although these articles are not intended to be a full discourse on SMPS technology, one cannot deny that these free-running power supply circuits are irrelevant to the current state of the art in the creation of direct current.

The basic tenet of a switching power supply is the vibrator itself. By creating a chopped DC and processing it with LC circuits (in these cases, a transformer and timing/filter capacitors), the groundwork for modern boost converters was laid down. The power switch (be it a vibrating reed relay or a power transistor) has two states - conducting no current and dropping the full supply voltage, and conducting maximum current and dropping almost no voltage. This means the power switch controls power while consuming very little. This is in direct opposition to a linear power supply, where a series pass element functions like a rheostat to burn off the remaining voltage as heat.

With the development of power ferrites, fast switching transistors, and complex control mechanisms, what started as a vibrating interrupter switch operating at a few hundred cycles per second has become a complex analog computer system, controlling electronic oscillators operating at a few hundred thousand cycles per second. Now, a 500-watt boost converter can be developed in a volume similar to a power transformer of equal size, with one-fourth the weight.

A modern switching supply requires a proper toroidal transformer. Although such transformers are readily available for output voltages in the range of 5 to 32 volts the home builder who wants to light up a portable tube receiver and transmitter will have to wind his own transformer. This is beyond the capability of many DIY makers. There are large quantities of suitable transformers that are designed to operate with 50 or 60 Hz sinewaves. These can be used but they must be operated at the low end of the audio band. Also the efficiency of power supplies built around them is less than a high frequency supply using a toroidal transformer. Home brewers will just have to live with this situation.

Solid-State Replacement Modules.

As it stands, the only mechanical vibrators available are from surplus stock. These Diminish, as antique radio restorers buy them for use in their mid-century vehicles. Several sources online have developed transistor-based modules that not only share the form factor and pin connections, but identical functionality to their mechanical predecessors. These modules can be purchased from several places online, as linked below.

Royal Signals - a UK Supplier: http://royalsignals.org.uk/vibs/

Antique Electronic Supply: https://www.tubesandmore.com/products/radio_antique_equipment_parts_0?filters=Type%3DVibrators

Amplified Parts: https://www.amplifiedparts.com/products/radio_antique_equipment_parts_0?filters=Type%3DVibrators&page


This page last updated Tuesday, February 05, 2019.


HOME