HOME


The Vibrator Power Supply - Part Two.

>The Precursor to DC-DC Converter Technology

****====WARNING!====****

The vibrator discussed in these articles is also known as the electronic vibrator, which is meant for turning DC into a kind of AC. Another product going by the name "vibrator" is very prevalent on the internet. It also pertains to a market that has absolutely nothing to do with tube electronics. To stay on the safe side, don't perform any searches for electronic vibrator technology while using work computers or anything else where your web activity can be tracked and used against you. DON'T SAY I DIDN'T WARN YOU.

The operation of a vibrator can be described as a tattoo gun attached to a relay. Applying voltage to the coil causes a mechanical oscillation that moves the reed back and forth; the reed moving back and forth makes contact with a pair of contacts one at a time. The mechanism is thus two alternating switches that interrupts current from the storage battery, effectively making a pair of square waves in opposing phase. The transformer has a center-tapped primary connected to the alternating contacts similar to the output of a push-pull amplifier, with the center connected to the power supply.

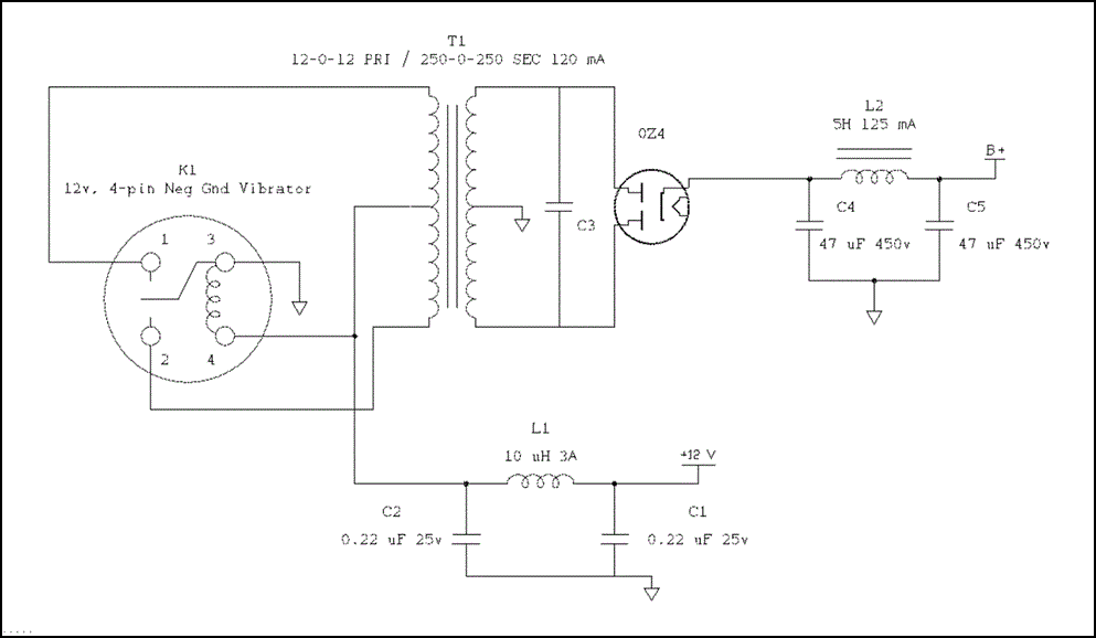
Fig. 1 Wiring Diagram of a Typical Vibrator Supply.

For a verbal Description Click here.

The vibrator itself is chosen from an assortment of types, made for different battery voltages and ground systems. Its function is to switch current through T1 at a frequency of 100-150 Hz. In addition to its frequency, each vibrator has a quality called Time Efficiency. Each alternation has a little dead time where the reed is moving between each contact. It is found by taking the ratio of total contact time to the entire cycle time. Typical values are 0.7 to 0.9, with higher time efficiencies being more desirable. In operation, the vibrator makes a buzzing noise. This should be checked if the power supply is faulty, as it would indicate a failed component.

The input filter made of L1, C1, and C2, serves to prevent switching noise from the transformer reaching other parts of the electrical system. It also helps to provide bursts of current in the instant the switches establish contact. Optionally, a very large electrolytic capacitor would be installed in parallel with C2.

The transformer will have a split primary wired for the input voltage. The most common type is 6 volts, although 12 volt transformers exist and there were even 28 volt models for aircraft. There is no low-voltage winding because tube filaments are run from the input voltage. Again, the tubes in the receiver are chosen to fit the input voltage; 12 volt tubes were used in cars with 12 volts and so forth. The high-voltage winding is wound to accommodate the losses of the rectifier and filter circuit, so no-load voltage tends to be much higher than one would expect. Since the alternating current is a square wave, the RMS voltage is equal to the peak voltage.

A transformer designed for vibrator power supplies will have a higher turns count and more iron in the core. A square wave input results in a higher flux density than a sine wave, so the transformer must be larger and stouter. The laminations will also be slightly thinner than a common transformer due to the higher frequency. Despite all this, a common transformer will work in a vibrator supply in a pinch, albeit at a lower power output.

C3, the Timing Capacitor, is the most critical part of the power supply. Switching off the current in T1 results in massive voltage spikes which can break down T1's winding insulation and the contacts in the vibrator. C3 is chosen to tune the output winding to cause an oscillation that opposes the intense spikes. The exact value of the capacitor is contingent on characteristics of both the transformer and vibrator. It tends to be between 0.01 and 0.5 μf with a voltage rating of 1500 volts. It should be replaced any time the transformer or vibrator is replaced.

The rectifier tube can be a normal, full wave rectifier such as 6X5, 7Y4, or 12X4. The 0Z4 is a special tube that lends itself well for this application. Its small gas content enhances the conduction of the rectifier and lowers the voltage drop of the tube. This means less voltage lost in the power supply and more power available to the load. Bonus one. The 0Z4 is also a cold-cathode tube, meaning it relies on ionization of said gas to conduct at all. Where this matters is that current does not need to be supplied to a filament to heat the tube, leading to less power overhead. Bonus two. In the event of a failed supply, the rectifier tube should be checked second if the vibrator is not failed.

,p> Following the rectifier is a filter. Cheaper supplies will only have a single filter capacitor. L2 will benefit the supply greatly but is a luxury component for a smaller supply. A bleeder resistor is also desirable to prevent the capacitors from retaining charge. Even though the ripple frequency is higher than the normal 120 Hz, it also contains a much higher harmonic content because of the switching. RF chokes are also common in the output leads to cut down on radio interference.

Synchronous Vibrator Supply.

The next level of sophistication in the power supply eliminated the rectifier tube. A second set of contacts on the same reed were added. These contacts switched in one half of the secondary winding at the same time as the corresponding primary half. The extra contacts removed the need for rectifier diodes and provided a means for higher efficiency. The drawback was that extra contacts provided more points of failure for the vibrator. These configurations were less common.

Fig. 2 Wiring Diagram of a Synchronous Vibrator Supply.

For a Verbal Description Click here.

The circuit in Figure 2 shows the differences in a synchronous supply. The input filter has been removed but this reflects the economy normally given to cheaper supplies. However, a fuse and power switch should NEVER be omitted. The fuse provides the same function as in any other device, but is essential in mobile power supplies; an auto accident can result in fire if the battery's positive terminal is shorted to the car's frame. Sometimes, the power switch is brought out to a remote control box that is located in the dash. This allows the power supply to be controlled by a relay inside the chassis.

The timing capacitor and transformer are the same as before; the capacitor is necessarily rated for a high voltage and rugged conditions. The transformer is specially designed to be driven by a low-voltage square wave having a higher frequency than the AC mains.

K1A and K1B are parts of the same vibrator. The secondary contacts are on the same vibrating reed and ground each secondary half when the same half of the primary is energized. Like a commutator on a DC motor, it mechanically controls the current through the transformer. This provides a more efficient rectification at the expense of a second set of contacts.

The output filter made of L1, C1, and C2 is still here and still necessary to remove any ripple caused by switching. Ceramic or mica capacitors placed in parallel with electrolytic units would be helpful in suppressing the transient noise that might bleed into RF circuitry.

If the power supply isn't built into a receiver or other equipment, a bleeder resistor must be installed across the first filter capacitor. This prevents the capacitors from retaining lethal charge when the converter is switched off. This should be standard practice in any tube power supply.


This page last updated Sunday, February 03, 2019.


HOME