AUDIO AMPLIFIERS.

Using the Pentode-Triode Tube as the Amplifier-Phase Splitter.

Over the decades many different ways have been developed to produce the two out of phase signals to drive push-pull power output amplifiers. The one we will begin with here appears in RCA tube manuals numbers RC20 through RC30 spanning the years 1960 through 1975.

The basic circuit appears in the 15 watt amplifier driving the output tubes directly and in the 50 watt circuit with a pair of 6CB6s between the splitter and the output tubes. It appears with a variation in the 30 watt amplifier.

Both the original circuit and the variation employing a 7199 tube will be analyzed followed by substitution of several pentode-triode tube types. It needs to be noted that the 7199s that are in my possession are in white boxes marked "SOVT". They all have a defect. If AC is used to warm the heater and the heater transformer secondary is at ground potential there is considerable coupling between the heater and the cathode of the pentode. The induced AC is 20 dB below typical output level. If the heater supply is raised to 20 or more DC volts above ground the coupled signal is reduced to 60 dB below typical output. This in my opinion is not sufficient for use in a quality amplifier. For these tests I am operating the heater from DC. I knew that old transistor power supply would come in handy someday. The 7199 was supposedly designed to have minimum coupling between heaters and cathodes. Apparently SOVT didn't get the memo.

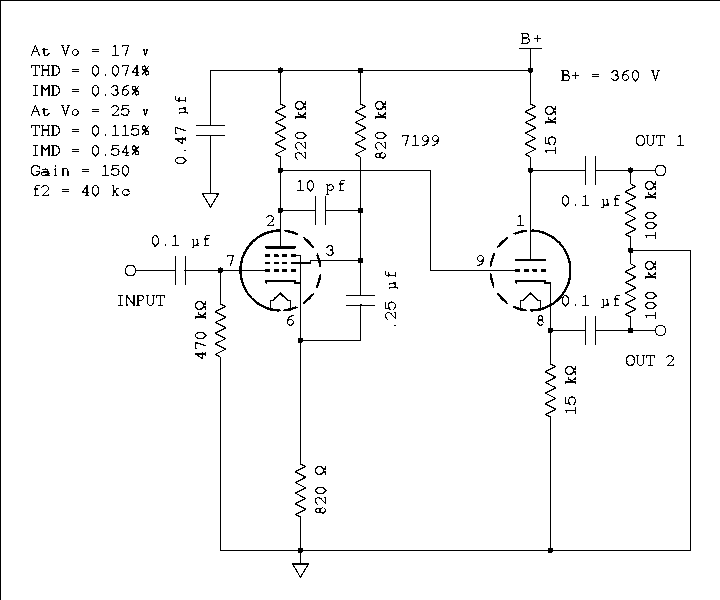
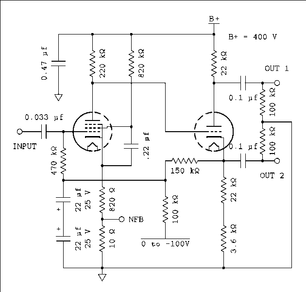
Figure 1 Breadboarded Circuit for 7199.

I should note that the 10 pf capacitor was made necessary by the output to input capacitance of the breadboard and should not be necessary in a complete amplifier.

The distortion is excellent and so is the gain. The value of f2, the upper -3 dB frequency might be a little disturbing but it can all be accounted for. The output capacitance of the pentode section is 2 pf, the input capacitance of the triode section is 2.3 pf, and the plate to grid capacitance of the triode is 2 pf. The miller capacitance is Cpg x (gain +1) and gain is unity. So we have 8.3 pf of tube capacitance. Add that to the 10 pf capacitor which was added to prevent instability and we have 18.3 pf of capacitance. That gives a -3 dB frequency with the plate resistor of 220 k ohms of 38.9 kc. This is an error of 2.8% which is well within the resistor tolerance of 5%. The equalizing network usually hangs on the grid of the splitter so the value of f2 will be moved down to make the global feedback loop stable.

Well that's pretty good performance. When the circuit was used in the 30 watt amplifier the designers made a change which I find intriguing. They derived the screen voltage for the pentode from the cathode of the triode. This introduced DC negative feedback to regulate the plate voltage of the pentode. Sounds good in theory but in practice the tubes made by SOVT just didn't match up to the RCA tubes the circuit was designed for. I may come back to it if other pentode-triodes work well in it.

Going back to the original circuit the other three 7199s I own did not measure up to the first one I tried. The worst one measured 4% THD at 25 volts and about 1.3% at 17 volts. The gain and bandwidth were essentially the same for all 4 tubes. The 7199 is unique in its pinout so I will have to rewire the breadboard before trying anymore tubes. Oh, by the way, here is what the breadboard looks like.

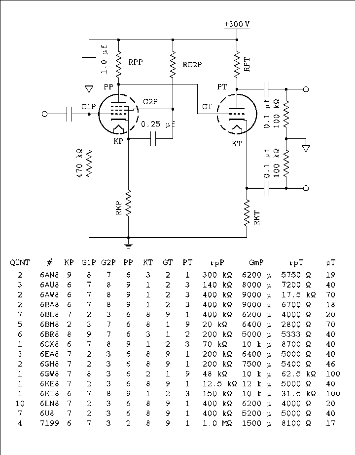
I took some time to gather information on what tubes I have in my collection and their characteristics. I have summarized the data and general circuit diagram in figure 2 below.

Figure 2 General Circuit with Table Listing Tube Parameters.

I don't think I'll test all of them but the ones that seem most promising. Such as those with low amplification factor that I have more than 6 of.

Small Signal Gain of the Phase Splitter.

Figure 3 Small Signal Equivalent Circuit of Split Load Phase Inverter for Gain Derivation.

The split load phase inverter has been with me so long it is an old friend. However, I have never seen a derivation of the gain and output impedance of it and I have never done it myself. I am going to correct that oversight here and now.

First step for writing loop equations is to assign polarity of voltage sources. Second assign current directions in all loops where current is flowing. Third, assign polarity across passive components.

The first loop starts at the cathode and goes up through VGK, down to ground through V voltage source, and the only way to get back to the cathode is through RK.

VGK - V - IbRK = 0     (1)

Starting at the cathode and writing the equation around the output loop gives,

- μVGK - Ibrp - IbRP - IbRK = 0     (2)

Now we solve (2) for - μVGK and (1) for VGK.

VGK = V + IbRK     (3)

Substituting (3) into (2) gives,

- μ(V + IbRK) - Ibrp - IbRP - IbRK = 0     (4)

Now we factor -Ib out of the three terms on the right of (4).

- μ(V - IbRK) - Ib(rp + RP + RK) = 0     (5)

We expand the term on the left,

- μV - μIbRK - Ib(rp + RP + RK) = 0     (6)

Now we put the term - μIbRK inside the parentheses on the right while factoring out the Ib.

- μV - Ib(rp + RP + μRK + RK) = 0     (7)

Now we are ready to go for the output voltages.

VO1 = IbRP (8a)     and     VO2 = - IbRK (8b)

We will work with these one at a time. Solving (8a) for Ib,

Ib = VO1 / RP   (9a)

Substituting (9a) into (7) and moving the equals sign,

- μV = VO1 / RP (rp + RP + μRK + RK)     (10a)

Simultaneously at the same time we will, divide by V, multiply by RP, and divide by the contents of the parentheses. Also remembering that gain A1 = VO1 / V.

A1 = VO1 / V = - μRP / (rp + RP + RK(μ + 1))     (11a)

Now returning to equation (8b) and performing the identical set of algebraic gymnastics we jump directly to equation (11b)

A2 = VO2 / V = μRK / (rp + RP + RK(μ + 1))     (11b)

And to refresh everyone's memory, VO1 is the voltage at output 1, VO2 is the voltage at output 2, V is the input generator voltage which is also the voltage applied to the grid of the triode, μ is the amplification factor, rp is the plate resistance, RP is the physical resistor connected to the plate, and RK is the physical resistor connected to the cathode. Where a voltage at a point is referenced to circuit common.

It is obvious by inspection that if RK = RP then A2 = A1. This is as it should be.

Output Impedance.

To obtain the output impedance we short the input and connect a signal generator to the output as in the figure below. The grid is an open circuit so even if there were a resistance or impedance in series with it there wouldn't be any current flowing through it to cause a voltage drop.

Figure 4 Small Signal Output Impedance at plate.

So we write the loop equations and solve as we did above for gain.

VGK + IbRK = 0     (1)
and
V - Ibrp + μVGK - IbRK = 0     (2)
solving (1)
VGK = - IbRK    (3)
Substituting (3) into (2)
V - Ibrp - μIbRK - IbRK = 0     (4)
Moving the = sign.
V = Ibrp + μIbRK     (5)
Dividing by Ib, factoring out RK,
V / Ib = R1 = rp + RK(μ + 1)    (6)

While we now have a value for R1 we have not accounted for RP. It is directly in parallel with the generator V and the current flowing through it is Ia which has not been included in any of the above. We must calculate the parallel combination of R1 and RP. We will use the product / sum formula.

RO1 = RP( rp + RK(μ + 1)) / (RP + rp + RK(μ + 1))     (7)

< b>Figure 5 Small Signal Output Impedance at Cathode.

Now we find the output impedance for output 2. The loop equations are as follows.

VGK + V = 0
and
V - μVGK - Ibrp - IbRP = 0
Skipping some familiar steps,
V + μV = Ibrp + IbRP
Skipping,
V / Ib = R2 = (rp + RP) / ( μ + 1)
Combining R2 and RK in parallel gives.
RO2 = (RK(rp + RP)) / ((μ + 1)(rp + RP + RK))

Where RO2 is the output resistance or impedance of the cathode output, RK is the physical resistor connected to the cathode, rp is the plate resistance of the tube, RP is the physical resistor connected to the plate, and μ is the amplification factor of the tube.

Numeric Calculations.

Now I am going to put these equations in a spreadsheet. For the 7199 the gain came out to be 0.8700. For the plate output the resistance was 14232 ohms and the cathode output was 505.25 ohms.

A different tube type.

AES is listing the 7199 at 53.95 and says they are out of stock. In its stead they are selling an adapter socket to change to the 6GH8. Comparing tube parameters shows quite a lot of difference. Later in this article I will buy six 6GH8s and test them to see how they perform.

I'm not going to buy any more tubes at this time. I'll try a 6U8 next and then a 6LN8. Fortunately they both have the same pinout as the 6GH8.

My intended line of research was to try to find circuit values that would place all individuals of a given tube type on the sweet spot. That is the operating point which yields the minimum, and it is hoped, low distortion. This proved to be a dead end. Setting any individual tube on the sweet spot requires a different operating point and therefore one or more different resistor values.

Something that distinguished the 6BL8 and 6LN8 from the 6U8 and 6GH8 is the amount of headroom in the triode section. Even the 7199 was not as good. I am defining headroom as the difference between the cathode voltage and the grid voltage in the triode section at the quiescent point.

Optimizing the Circuit for the 6U8.

The worst distortion was found in those with the least amount of headroom in the triode. I decided to ease up on the poor little thing and changed the cathode and plate resistors in steps until I arrived at 68 k ohms.

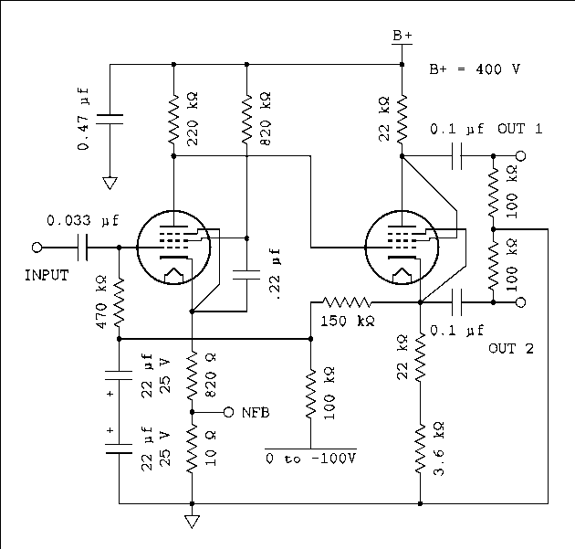
A Discovery and a Realization.

I discovered that when the circuit from the 30 watt amplifier was used positive feedback was introduced. The RCA engineers must have known this which is why I suspect that the 15 and 50 watt amplifiers did not use this variation of the circuit.

Figure 6 Slightly Modified Circuit From 30 Watt RCA Amplifier.

I'll do a bit more mind reading on the RCA engineers later. But for now let's look at the behavior of the circuit in figure 6. Don't worry about the 1.5 meg ohm resistor to B+. I'll explain it later. For now just pretend it isn't there.

When used in the circuit of figure 1 the 6BL8/6LN8/LCF80 tubes have a lot of headroom in the triode section. That means virtually all of the distortion is coming from the pentode section. I needed to find a way to make every tube hit the sweet spot regardless of its particular set of parameters. I wired the circuit of figure 6 on my breadboard. I decided to decrease the value of the 180 k ohm resistor to give tighter control over the operating point.

Applying DC feedback from the cathode of the phase splitter back to the screen grid of the pentode is negative feedback. If the cathode voltage of the triode is too high the screen grid voltage is increased which increases the plate current of the pentode decreasing its plate voltage and causing the cathode voltage to change much less than it would have without the feedback.

I changed the resistor to 82 k ohms and turned on the B+. I had an oscillator. Puzzled, I turned off the power and checked the circuit again. Everything was right so I started increasing the value of the resistor. At 150 k ohms it stopped oscillating so I measured the gain and distortion. It showed a couple percent distortion and a gain in the low 800s??????? That can't be! I checked the circuit again and the settings of the generator and range of the voltmeter on the output. Everything was right. What the hell is going on?

I changed the resistor back to its original value of 180 k ohms and repeated the measurements. The DC cathode voltage of the triode was higher than I wanted so I connected a resistor from the screen grid to B+ to bring it down some. A 1.5 meg ohm got it where I wanted. The distortion was down some but the gain was 452 which is still outrages.

I studied the circuit again and it hit me like the proverbial ton of bricks. The 180 k ohm resistor couples AC signal from the cathode of the triode to the screen of the pentode along with the DC. The screen bypass capacitor then couples those signals from the screen to the cathode. The cathode resistor is unbypassed so the coupled AC signal effects the cathode current of the pentode. There is no inversion from the cathode to the plate of the pentode and no inversion from the grid of the triode to its cathode. That's positive feedback no matter how you cut it.

The Situation of Positive Feedback.

When I derived the feedback equation in my textbook I decided to assume that the feedback is negative and derived the equation from that starting point. It comes out with a positive sign in the denominator. All that is needed is to plug in the numbers and the answer comes out right.

In standard electrical engineering texts no prior assumption of the sign of the feedback is made. The equation is derived for the general case of signal from the output of an amplifier being fed back to its input. The equation which results is this.

A' = A / (1 - AB)

Where A' is the gain of the amplifier after the feedback has been applied, known as the closed loop gain, A is the gain of the amplifier before the feedback was applied known as the open loop gain, and B is the fraction of the output which is fed back to the input.

Note: All texts use the greek beta (β) for the feedback fraction. Making a β appear on your screen requires me to type 6 characters. That's why most web pages that cover this subject use the capitol B as I intend to do.

Using this equation requires just a small amount of thinking. If the feedback is negative the user must plug in the value of A as a negative number. If the feedback is positive the sign of the open loop gain A must be positive. Even though I delt with negative feedback only some students were sufficiently confused so as to never get a feedback problem right. Eventually I switched to teaching negative feedback using the form of the equation with a positive sign in the denominator.

Because we have positive feedback I need to use the general form of the feedback equation. We have two ready-made examples in the data above. When using the circuit of figure 1 which had no positive feedback the overall gain for the 6BL8s came in around 150. Let's apply the general form of the feedback equation. First we must calculate the value of B for the 150 k ohm resistor. The positive feedback path is through the resistor labeled as 180 k ohm in figure 6, through the 22 uf capacitor to the pentode cathode. There is an 820 ohm resistor from the cathode to ground. I have not included the 10 ohm resistor on my breadboard but I have shown it to make a point later. For AC the 1.5 Meg ohm resistor is in parallel with the 820 ohm one and can easily be neglected. So,

B = 820 / (820 + 150 k) = 5.437 x 10-3

A' = A / (1 - AB) = 150 / (1 - 150 x 5.437 x 10-3) = 813

Well, that's pretty good agreement. In the next example I remembered to write down the gain value. So you won't have to go scrolling back up the page it was 452. Let's repeat the calculation.

B = 820 / (820 + 180 k) = 4.535 x 10-3

A' = 150 / (1 - 150 x 4.535 x 10-3 = 469

Since we can predict the gain with considerable accuracy we can safely say that there really is positive feedback in the circuit. Let's see what happens when we bypass the cathode resistor. The gain should go down.

It did but not as much as I had expected. With the screen bypass connected to ground to avoid any unforeseen feedback and the cathode resistor bypassed the gain changed to 382 and the distortion to 0.84%. Removing the screen bypass cap from the cathode eliminated the positive feedback which would have lowered the gain but bypassing the cathode increased it again. The distortion was improved. Removing the cathode bypass while leaving the screen bypassed to ground brought the gain down to 119 but the distortion was increased to 1.15%.

What Were the RCA Engineers Thinking?

Starting with the 15 watt amplifier the circuit of figure 1 was used and NFB from the output transformer secondary is taken through a parallel RC to the cathode of the pentode of the 7199.

Then we move up to the 30 watt amplifier. NFB is not taken to the cathode but to a 10 ohm resistor in series with the cathode resistor. The usual reason for doing this is because the cathode resistor is bypassed and an attempt to inject feedback at the cathode would meet with failure. But there is no cathode bypass cap. It seems possible even likely that the design engineer found exactly what I have found in regard to positive feedback. He, there were only a tiny number of women in EE in 1959, decided to bypass the cathode resistor to remove the positive feedback thus improving the distortion figure somewhat but not reducing the gain very much. After a prototype was built and the design presented to the other members of the design team he was probably asked if positive feedback inside the global feedback loop was detrimental. There is lag compensation C2 and R10 across the plate resistor of the pentode in addition to the usual lead compensation C6 across R18 which indicates that they had some trouble taming it. They probably found that removing the cathode bypass capacitor had no effect or an insignificant effect on the performance of the amplifier. Like good engineers they didn't include any unnecessary parts.

In static testing with the input shorted the variation in pentode plate voltage was greatly reduced by the DC feedback. Distortion in the amplifier stage is reduced be it triode or pentode as the plate voltage is increased but this puts more stress on the triode that is used as a split load phase inverter. The cathode and plate resistors will need to be either higher wattage or higher resistance. The tube itself may be forced into its positive grid region which causes a lot of distortion. The only cure for this is to either lower the grid voltage or increase the resistance values of plate and cathode resistors.

I should note here that the Harmon Kardon A300 has positive feedback which was consciously and deliberately introduced. Some testing I did several years ago revealed that the gain increased more than the distortion. Increased gain results in more negative feedback and a reduction of overall distortion. I think it is safe to say the engineers at HK knew what they were doing so maybe we should credit the RCA engineers with the same degree of wisdom.

What Happens With More Positive Feedback?

In the two examples worked above the value of AB is less than unity. As you can see the application of this much positive feedback increases the gain and does the opposite of what is done by negative feedback.

If AB is just a skinch less than one the circuit will oscillate after power is turned on but the amplitude will slowly decrease and eventually reach zero.

If AB is just a skinch greater than one the circuit will oscillate and theoretically the amplitude will slowly increase until it reaches infinity.

If AB = 1 the denominator goes to zero . Theoretically the amplitude of oscillation is constant. But what happens in a real circuit? What mathematics tell us is that the amplifier oscillates and the amplitude keeps building up forever. What happens in the physical world is that the amplitude of oscillation builds up until the amplifying device begins to saturate. This leads to a decrease in gain and an equilibrium is reached in which AB is maintained at exactly unity.

In a low distortion oscillator the amplifying device is not allowed to saturate. A sensing and control circuit adjusts either the value of A or B at a certain output level. This control circuit holds the value of AB at exactly 1 without the device saturating.

I have included this information because it was not taught to me well and I didn't understand it until I was in graduate school.

End of digression.

So where do we go from here?

I'm giving up on the screen grid feedback circuit. The negative DC feedback is good and if it could be increased a little it would make the operating point very repeatable. But the side effect of positive AC feedback sets an upper limit on the amount of control feedback and is very likely to make the global feedback loop hard to stabilize. Before I leave this topic I am going to try a circuit in which the control feedback is taken to the control grid. That should preclude any incidental positive feedback.

But first I went back to the open loop circuit to investigate the effect of juggling the values of cathode and screen resistors. This too proved to be a dead end.

Meanwhile back at the ranch I realized that I was being too conservative with power supply voltage. If I just push it to the Max, that is my name after all, 400 volts, I can get lower distortion figures than I have been getting. The output voltage is set at 25 volts which will drive a pair of EL34s to 55 watts. For example, running through my samples of 6BL8/ECF80 tubes I get distortion figures ranging from 0.06% to 1.5%. I am using the values from the 7199 circuit. There is no single set of values that will give the lowest distortion from each tube. So I tried closed loop control of the operating point.

BINGO!!!

Figure 7 Amplifier/Inverter with Closed Loop Q-Point Stabilization.

The 0 to -100 volt supply is derived from the adjustable bias output of the Heathkit IP17 power supply. Adjusting the voltage of this supply changes the cathode voltage of the triode section.

I ran this circuit with the 6BL8/ECF80 and 6LN8/LCF80. All but one of the 6BL8s gave distortion figures between 0.3 and 0.4%. The one that fell outside this range was the Sylvania which was at 0.78%. It also showed a distinct dip in the distortion as the operating point was adjusted. The 6LN8s showed the same distortion range with the same setting of the bias control. This setting led to a triode cathode voltage of approximately 120 volts. This is right at the limit of the 15 k ohm 1 watt resistors in the plate and cathode of the triode section. I don't have any 2 watt resistors. Note: I have no hesitation about running resistors right up to their limit as they are on a breadboard and exposed to free air. Also the operation is intermittent with short on times and off times that are at least as long and often longer.

Next I increased the triode plate and cathode resistors to 22 k ohms. This would allow operation up to 148 volts.

Here's what the workbench looks like.

I could overwhelm you with data, and eventually I will, but I think at this point data for one tube type will make the point. I ran through the six 6BL8 tubes using the following procedure.

A. Adjust the input signal so the output is 25 VRMS.
B. Adjust the Set Level on the distortion analyzer for 100%.
C. After these two steps have been completed the 100% reading on the analyzer can be used to set the output to 25 volts.

  1. Adjust the input level so the HD analyzer indicates 100% in the Set Level mode.
  2. Measure the distortion and while it is being indicated adjust the bias control for minimum distortion.
  3. Return to the Set Level mode and correct the input level for a 100% reading.
  4. Once again measure the distortion and while it is being indicated again adjust the bias control for minimum distortion.
  5. Record this value as the distortion value.
  6. Record the DC voltage at the Triode Cathode.
  7. Read the output voltage of the signal generator and divide the value into 25 volts to obtain the gain. Record this value.
  8. After these columns have been filled in select the tube that gave the highest distortion.
  9. Install that tube and repeat steps 1 through 4. All readings should be very close to the ones obtained before for that tube.
  10. Do not change the bias control as you reinstall each tube in turn and record the results.

The bias control on the IP- 17 adjusts the value of the source that is labeled 0 to -100 volts in the diagram of figure 7.

I do not intend that you are to follow the instructions above. These are the steps that I took to fill in the table below. I want you to know how much work I am doing for you.

The 6BL8 and 6LN8 seem to be the best tubes of the lot. Later data will show that with the higher supply voltage and increased cathode and plate resistors in the inverter the 7199s are better. But they are very expensive if you can get them at all.

TABLE 1 6BL8
B+ = 400 V, output voltage = 25 VRMS.
First Run Through
VKT Optimized for Each Tube
Second run through
VKT set for Worst Tube
Tube %THD Overall
Gain
DC VKT %THD Overall
Gain
DC VKT
6BL8 1 0.118 148 138.1 0.220 150 125.3
6BL8 2 0.222 138 115.3 0.225 137 122.1
6BL8 3 0.058 149 130.4 0.070 152 126.2
6BL8 4 0.105 152 111.4 0.215 147 124.7
6BL8 5 0.72 121 125.9 0.72 121 124.8
6BL8 6 0.070 152 125.5 0.070 154 124.0

TABLE 2 6LN8
B+ = 400 V, output voltage = 25 VRMS.
First Run Through
VKT Optimized for Each Tube
Second run through
VKT set for Worst Tube
Tube %THD Overall
Gain
DC VKT %THD Overall
Gain
DC VKT
6LN8 1 0.13 128 119.8 0.13 130 118.5
6LN8 2 0.0635 156 131.6 0.066 158 124.9
6LN8 3 0.090 149 120.3 0.105 148 123.3
6LN8 4 0.265 138 123.6 0.265 138 123.6
6LN8 5 0.220 138 123.0 0.215 137 123.7
6LN8 6 0.194 151 104.7 0.265 147 121.5

Although 7199s are no longer available at a reasonable price there may be some out there for whom money is truly no object. Here are the results for the ones I have.

TABLE 3 7199
B+ = 400 V, output voltage = 25 VRMS.
First Run Through
VKT Optimized for Each Tube
Second run through
VKT set for Worst Tube
Tube %THD Overall
Gain
DC VKT %THD Overall
Gain
DC VKT
7199 1 0.090 144 129.8 0.090
0.116
144
146
130.4
125.3
7199 2 0.083 156 126.6 0.115
0.071
155
157
132.4
127.4
7199 3 0.073 146 121.9 0.140
0.076
144
146
128.4
123.9
7199 4 0.078 155 116.4 0.195
0.145
152
154
131.0
126.0

After making measurements on other tube types I was amazed by the distortion figures for the optimized operating point. With all four tubes being less than 0.1% I really didn't have any worst tube to use as the standard. Selecting tube 1 as being least best I collected the data in the first row in each cell of the second set of data. That gave distortion figures ranging from 0.090% to 0.195%. Any sane person would be content with that but I am a perfectionist. For the second row in each cell I averaged the DC cathode voltage and used that as the sweet spot. The voltage reading changes quite a lot for a small movement of the bias knob so I got as close as I could. With distortion figures ranging from 0.071 to 0.145 there really isn't a lot of difference in the worst case but the average comes out looking better.

Building an Amplifier around the Circuit of Figure 7.

If you are building an amplifier of 25 watts or more most likely you will have a B+ supply of at least 400 volts. You will be using fixed bias so you will have a negative power source. Do I need to say that the negative voltage needs to be very low noise?

Probably the easiest way is to connect the end of the 100 k ohm resistor to the wiper of a pot that allows the voltage to be adjusted from 0 to -100 volts. The voltage at the triode cathode will be approximately 1.5 times the voltage at the end of the 100 k ohm resistor. If you don't have that much negative voltage in your amplifier you can decrease the value of the 100 k ohm resistor. 1 k ohm per volt at the setting farthest from zero should come out about right.

I have adjusted the RC time constants of the input and the DC feedback so there is no infrasonic peak. You may think that 0.1 uf coupling into 100 k ohms is a bit small but this and the low end of the output transformer will be the only significant poles at the low end. When the global feedback loop is closed up you will probably have to decrease the values of the two 0.1 uf coupling caps to eliminate an infrasonic peak which will likely appear.

Something to do While I Wait.

Because they deserve a fair test I ordered some 6GH8s from AES along with some 6AN8s because its triode section has an amplification factor of 19. Experience has shown that a low μ makes the best split load phase inverter. The 6GH8 with its triode μ of 40 will have to be checked out.

While I wait for the delivery service to come through I decided to test a combination of individual tubes. Specifically a 6C4, 1/2 of a 12AU7, and a 6BH6. The 6C4/12AU7 has been used successfully for many years in many amplifiers both commercial and home brew. In some testing I did several years ago the 6BH6 proved to have the lowest distortion of the 7 pin miniature family of sharp cutoff pentodes. One interesting problem arose. Some of my stock of 6BH6s are ringers. They test OK on a tube tester but in reality they are remote cutoff pentodes. Needless to say I eliminated them from the test.

I also became aware that the voltage applied to the low end of the 470 k ohm resistor that connects to the control grid of the pentode may be positive or negative. Obviously what I need is a nonpolar electrolytic cap but two polarized ones back to back or belly to belly will have to do for the moment. Note: This is a humorous reference to an old calypso song titled "The Zombie Jamboree". I am surprised it has not undergone a revival considering the recent popularity of zombie movies.

Separate Tubes For the Pentode and Triode.

My new breadboarding system has given me a great deal of flexibility. The electrical connections are very reliable and will withstand at least 600 volts because everything is doubly insulated. Building it took a lot of time and effort but I am glad I did it.

TABLE 4 Separate tubes, 6BH6 and 6C4
B+ = 400 V, output voltage = 25 VRMS.
Changing 6BH6
First Run Through
VKT Optimized for Each Tube
Second run through
VKT set for Worst Tube
Tube %THD Overall
Gain
DC VKT %THD Overall
Gain
DC VKT
6BH6 1 0.081 154 122.9 0.080 154 125.1
6BH6 2 0.113 152 118.0 0.163 149 123.8
6BH6 3 0.081 149 124.2 0.068 150 124.2
6BH6 4 0.105 148 124.0 0.128 148 124.6
6BH6 5 0.088 152 123.5 0.10 152 124.5
6BH6 6 0.116 153 108.6 0.165 144 123.2

When testing pentode triode tubes the two are inseparable. When using separate tubes it is possible to change one at a time. Thus I have two tables. I didn't try to find a new sweet spot for the different triodes although in retrospect maybe I should have.

As I increase the voltage the distortion falls off gradually and then rises precipitously. I attribute the gradual fall to the pentode and the precipitous rise to the point where the triode starts to draw grid current. Last year I did some testing on triodes which revealed that low plate voltage increases distortion and as the plate is operated at a higher voltage with the same plate load resistor the distortion decreases. Until proven otherwise I will assume that the same applies to pentodes.

TABLE 5 Separate tubes, 6BH6 and 6C4
B+ = 400 V, output voltage = 25 VRMS.
Changing 6C4
Tube %THD Overall
Gain
DC VKT
6C4 1 0.081 155 120.2
6C4 2 0.11 153 120.0
6C4 3 0.075 152 124.0
6C4 4 0.145 152 124.1
6C4 5 0.209 149 124.6
6C4 6 0.153 148 127.7

6AN8.

I ordered six 6GH8s and six 6AN8s from AES. I ordered the 6AN8s because its parameters looked promising.

The 6AN8 appears to have a unique pinout among the pentode triodes. It required a total rewire of the breadboard. It had to be done but the results were disappointing. The tubes fell into two distinct groups. One group featured higher distortion than the other and also a higher sweet spot voltage. There were 4 tubes in the first group branded Dumont. Their distortion ranged from 0.398 to 0.93 but the sweet spot voltage ranged from 129.4 to 132.1. The second group of 2 tubes were a Raytheon and an RCA. Their distortions were 0.19 and 0.25 respectively with sweet spot voltages of 111.0 and 119.4. The Dumont's scattered their gains from 128 to 146 while the Raytheon and RCA were 140 and 146. In the latter case a larger sample would have helped but what I have is what I have. I just realized that the 6BR8 which I have six of is the tube that Tim E. Smith used in his contest winning amplifier. I should also test it. It's been a while but I think he gave them to me. If so, thanks Tim.

TABLE 6 6BR8
B+ = 400 V, output voltage = 25 VRMS.
First Run Through
VKT Optimized for Each Tube
Second run through
VKT set for Worst Tube
Tube %THD Overall
Gain
DC VKT %THD Overall
Gain
DC VKT
6BR8 1 0.099 146 115.5 0.29 144 119.4
6BR8 2 0.38 140 122.8 0..38 140 119.1
6BR8 3 0.078 139 111.9 0.32 137 118.5
6BR8 4 0.283 130 117.6 0.29 130 117.0
6BR8 5 0.345 117 122.7 0.36 120 115.6
6BR8 6 0.25 120 121.4 0.29 123 117.4

About all that can be said is that DC feedback makes the distortion uniform from tube to tube and presumably would stabilize it as the tube ages. The level of distortion is that of the worst tube. This tube would be quite acceptable inside a global feedback loop but not so good for a feedback free amplifier.

The next step is to go back to the 6U8 pinout so I can test the 6GH8. After that I am going to test a 6AU6 as the split load phase inverter and then take another look at the 12DW7 which is 1/2 of a 12AX7 and 1/2 of a 12AU7 in one tube. An amplifier without NFB would not need nearly as much gain in the amplifier stage as is needed in one with feedback.

6GH8

TABLE 7 6GH8
B+ = 400 V, output voltage = 25 VRMS.
First Run Through
VKT Optimized for Each Tube
Second run through
VKT set for Worst Tube
Tube %THD Overall
Gain
DC VKT %THD Overall
Gain
DC VKT
6GH8 1 0.44 139 122.1 0.495 140 119.2
6GH8 2 0.62 132 119.4 0.705 132 119.6
6GH8 3 1.54 75.8 125.9
6GH8 4 0.123 127 119.4 0.108 130 117.3
6GH8 5 0.66 134 120.2 0.66 136 118.8
6GH8 6 0.495 109 117.1 0.50 112 116.4

Tube 3 appeared to be defective. Every time I plugged it in it gave different results. I made a graph of distortion and gain versus triode cathode voltage and found out why. The distortion changed very little while the gain changed drastically, by a factor of 2 between 110 and 125 volts. This foiled my technique of adjusting the voltage for minimum distortion. This is unlike other tubes in this series of tests in which the gain changes only slightly while the distortion changes drastically passing through a distinct minimum.

A Pentode as the Split Load Phase Inverter.

Figure 8 Amplifier/Inverter Using Separate Tubes.

Next I tested a 6AU6 and some other pentode tubes as the phase splitter. This work follows the 6BH6 and 6C4 combination. Tables 4 and 5 are repeated here so you won't have to scroll back and forth to compare the data.

TABLE 8 (TABLE 4 Repeated) 6BH6 and 6C4
B+ = 400 V, output voltage = 25 VRMS.
Changing 6BH6
First Run Through
VKT Optimized for Each Tube
Second run through
VKT set for Worst Tube
Tube %THD Overall
Gain
DC VKT %THD Overall
Gain
DC VKT
6BH6 1 0.081 154 122.9 0.080 154 125.1
6BH6 2 0.113 152 118.0 0.163 149 123.8
6BH6 3 0.081 149 124.2 0.068 150 124.2
6BH6 4 0.105 148 124.0 0.128 148 124.6
6BH6 5 0.088 152 123.5 0.10 152 124.5
6BH6 6 0.116 153 108.6 0.165 144 123.2

When testing pentode triode tubes the two are inseparable. When using separate tubes it is possible to change one at a time. Thus I have two tables. I didn't try to find a new sweet spot for the different triodes although in retrospect maybe I should have.

As I increase the voltage the distortion falls off gradually and then rises precipitously. I attribute the gradual fall to the pentode and the precipitous rise to the point where the triode starts to draw grid current. Last year I did some testing on triodes which revealed that low plate voltage increases distortion and as the plate is operated at a higher voltage with the same plate load resistor the distortion decreases. Until proven otherwise I will assume that the same applies to pentodes.

TABLE 9 (TABLE 5 Repeated) 6BH6 and 6C4
B+ = 400 V, output voltage = 25 VRMS.
Changing 6C4
Tube %THD Overall
Gain
DC VKT
6C4 1 0.081 155 120.2
6C4 2 0.11 153 120.0
6C4 3 0.075 152 124.0
6C4 4 0.145 152 124.1
6C4 5 0.209 149 124.6
6C4 6 0.153 148 127.7

Some on the Fun With Tubes email forum have been urging me to test a 6AU6 as the split load phase inverter. Here you go. I also examined the 6BH6, 6CB6, and 6AQ5 as the pentode. I chose the 6BH6 out of curiosity because it showed low distortion when operated in other modes. I selected the 6CB6 because of its use by RCA in its 50 watt amplifier design, and the 6AQ5 out of more curiosity.

TABLE 10 Separate tubes, 6BH6 and 6AU6
B+ = 400 V, output voltage = 25 VRMS.
Changing 6AU6
Tube %THD Overall
Gain
DC VKT
6AU6 1 0.25 168 111.1
6AU6 2 0.325 170 109.0
6AU6 3 0.34 171 108.8
6AU6 4 0.34 170 109.2
6AU6 5 0.51 171 103.5
6AU6 6 0.35 171 107.2

Table 11 begins with 6BH6 2 because 6BH6 1 is in the pentode amplifier position in the circuit.

TABLE 11 Separate tubes, 6BH6 and 6BH6
B+ = 400 V, output voltage = 25 VRMS.
Changing second 6BH6
Tube %THD Overall
Gain
DC VKT
6BH6 2 0.26 170 109.4
6BH6 3 0.265 170 108.4
6BH6 4 0.29 171 107.8
6BH6 5 0.288 171 107.6
6BH6 6 0.259 170 109.2
6BH6 7 0.281 170 107.7

TABLE 12 Separate tubes, 6BH6 and 6CB6
B+ = 400 V, output voltage = 25 VRMS.
Changing 6CB6
Tube %THD Overall
Gain
DC VKT
6CB6 1 0.34 171 109.1
6CB6 2 0.405 170 107.9
6CB6 3 0.355 171 109.2
6CB6 4 0.38 172 108.2
6CB6 5 0.33 171 107.4
6CB6 6 0.262 170 110.0

TABLE 13 Separate tubes, 6BH6 and 6AQ5
B+ = 400 V, output voltage = 25 VRMS.
Changing 6AQ5
Tube %THD Overall
Gain
DC VKT
6AQ5 1 0.174 128 142.1
6AQ5 2 0.155 134 135.3
6AQ5 3 0.177 132 135.4
6AQ5 4 0.0405 131 139.2
6AQ5 5 0.135 132 136.0
6AQ5 6 0.159 140 125.1

Conclusions.

When given sufficient B+ the 7199 really shines. Even with its heater to cathode problems I would still recommend it if it were not priced as if made of gold with an envelope made of diamond. If I were the one selecting the substitute in existing equipment I would go with the 6BL8 with the 6LN8 as second choice. The 6GH8 is only so so. However, I suspect that the management of AES made the choice based on information not available to me. I am thinking of number of tubes in stock. The audible performance of an existing amplifier that has a properly designed global feedback network would probably not be effected by the substitution.

In new homebrew equipment I would recommend the circuit with two 6BH6s. Second best in this group seems to be the 6BH6 6C4 combination. In a stereo amplifier the two 6C4s could be replaced by a single 12AU7. A home brewer who has the test equipment to measure distortion would be well advised to make the bias reference adjustable and tune up the inverter circuit for lowest distortion before closing up the global feedback loop. Even if you must use the values I have provided you will do quite well.

The Miss Consistency award goes to the small signal pentodes. The 6AQ5 looks interesting. Although I haven't tested it I think it would output considerably higher voltage than the other tubes. Higher drive voltage is needed in such circuits as cathode loaded and circlotron output stages.

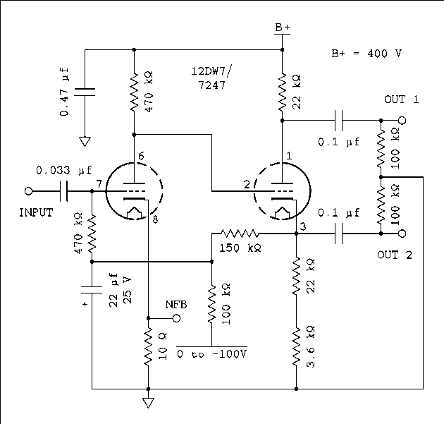
Triode Triode, the 12DW7/7247.

Although an inverter with a triode amplifier is out of place in this article I decided to run the data on it to see how it compares to the pentode amplifier. The results seem to dispose of the myth that you get more distortion with pentodes than you do with triodes. I think it all depends on what pentodes and what triodes and what circuit they are in.

Figure 9 Amplifier/Inverter Using Triodes.

Usually when I order tubes I receive an assortment of NOS from various manufacturers. When I ordered 6 12DW7s from AES I received all GE which are in military boxes. You know the type, a label that reads

ELECTRON TUBE
1 EACH
DLA900-85-M-W290
A 3/85
GE 7247
GENERAL ELECTRIC CO.

All 6 are in identical light gray boxes that show not the slightest tendency to disintegrate upon being opened. Six out of many tubes that were supplied to the military in 1985, if the fourth line is indeed a date, are likely to have a degree of similarity not even found in tubes for the civilian market. Therefore table 14 below may be pointless. But it is presented anyway.

In the circuit of figure 9 I eliminated the cathode bias resistor. The 10 ohm resistor is only to allow the introduction of NFB to the cathode of the amplifier. That means that the amplifier is being operated with fixed bias. I expect that the bias voltage will always be negative so the double electrolytic capacitor has been eliminated and only one is used.

TABLE 14 12DW7/7247
B+ = 400 V, output voltage = 25 VRMS.
First Run Through
VKT Optimized for Each Tube
Second run through
VKT set for Worst Tube
Tube %THD Overall
Gain
DC VKT %THD Overall
Gain
DC VKT
12DW7 1 0.28 71.2 122.4 0.275 71.2 123.4
12DW7 2 0.40 72.0 124.0 0.425 72.0 123.2
12DW7 3 0.435 72.9 124.0 0.44 72.7 123.8
12DW7 4 0.385 72.9 122.4 0.38 72.7 123.2
12DW7 5 0.32 72.0 124.1 0.335 72.0 123.2
12DW7 6 0.325 72.0 123.8 0.33 72.5 123.3

I found the upper -3dB frequency to be 119 kHz. Pretty good considering the large value of plate load resistor. I did try it with an unbypassed cathode resistor. As you might expect the gain was reduced and by a factor of almost 1/2. However the distortion was increased. I think I can explain that one. The -3 dB frequency was reduced to 34.6 kHz. This indicates an increase in the impedance level at the plate of the high μ triode. This is to be expected as an unbypassed cathode resistor introduces current feedback which increases the output impedance. Increased output impedance can make the voltage at the plate of the first triode and the grid of the second triode, they are connected, more sensitive to small changes in grid current as the grid to cathode voltage approaches zero. So the circuit shown in figure 14 appears to be the best.

I wonder what bright young graduate engineer decided to place section 2 of the tube on pins 1, 2, and 3 with section 1 on pins 6, 7, and 8. I guess we'll probably never know the answer to that one.

What Can We Conclude From All This Data?

Before answering that question I must admit that I am being much too picky. Any of these circuits would be quite at home in a negative feedback loop. Remember that distortion adds not directly but as the square root of the sum of the squares. We want to know how much distortion a driver circuit can have before it effects the overall distortion by a certain percentage. Percent change is translated into a multiplier by

M = 1 + %change

The Percent Distortion of Driver PDD is given by

PDD = sqrt(M2 - 1) x Percent Distortion of output tubes.

So if you will only except an increase of distortion of 5% over the distortion of the output amplifier stage the allowable percent is

PDD = sqrt(1.052 - 1 ) x Output distortion.
PDD = 0.32 x output distortion.

Taking the tube manual data for the 6L6 as an example the distortion for a pair in push pull at 25 watts is 2%. a driver circuit must have a distortion of 0.64% to increase the overall distortion by 5% over that of the 6L6s themselves. Which is 2.1%. Only one of the tubes in one of the circuits came close to this value. So what am I in such a lather about. Damned if I know. I guess I just like to have things as good as they can possibly be.

Some time ago I tested a pair of 6550s and found their actual distortion was considerably below the tube manual value of 3%. . Unfortunately I don't remember the number but I am sure it was less than 1%. Let's say it was 1%. To avoid boosting this value to 1.1% the distortion in the driver must be less than 0.458%.

That leads us to the question "can anyone really hear the difference?" Although the difference in the numbers seems so small as to be inaudible direct experience says that many people can hear the difference. My own wife Sue has a hearing loss that requires her to wear hearing aids. In spite of this as I try out different amplifiers with similar but not identical numbers she can hear the differences. She is a singer and her musical training may account for this ability. I find that if I just don't think about it I can hear the difference. If I try too hard to hear a difference they all start sounding the same. I have no explanation of this phenomenon.

Where that leaves me is to try to get the numbers as low as I can because I am an engineer first but then listen and ask Sue's opinion as a backup.


Home.