Low-Voltage Radio Tubes.
by J. EdThe Swan Song of Vacuum Tube Radios.
As the transistor developed in the 1950s, it became clear that they would become a preferable choice to vacuum tubes. As home hi-fi and radio receivers continued to be powered by the AC mains, car radios still used vibrator power supplies to create a suitable voltage for their tube plates. Once transistors were developed that could handle a few watts of audio power, the time to retire the vibrator had come.The electric vibrator was a reed relay that switched DC through a transformer, stepping up a 12-volt car battery into something like 180 volts or higher. It presented numerous problems that had simply been dealt with for years. It failed frequently and created electrical noise, needing a special transformer and filtering components to handle the high voltage. Once transistors could handle the audio power function, a special line of tubes came on the scene around the turn of the decade.
Early transistors weren't well suited for use in IF amplifiers not even the 262.5 kHz frequency used in car radios. Furthermore, transistors that would work at the frequencies necessary for local oscillator and RF amplifier were more expensive than the radio or didn't exist. The entire electronics industry knew that given the current improvement rate, Within five years, transistors would be available that would actually outperform tubes at MF (medium frequency) and HF (high frequency). But that wasn't soon enough for the automobile radio part of the industry. They needed a solution for the upcoming model year.
For its part the vacuum tube industry knew it was on the way out and would grasp anything that would prolong the working life of their factories even if for a few years. They developed two entirely new lines of tubes. One operated at 28 volts on the plates for use by the military and the other would operate with 12 volts on the plates for use in civilian vehicles. The civilian line will be covered in this article.
Most of the 12-volt plate tubes are designed to be RF or IF amplifiers. There are some audio triodes, a few "power" tetrodes, and a pentagrid converter. They can, for the most part, function in the same capacity as ordinary tubes but with a few key points for best performance. For one, the gain of these tubes is lower than conventional tubes so it must be conserved however it can.
Space Charging - Teaching New Dogs Old Tricks.
The principle of space charge had been attempted before. A multiple-grid tube, similar to a tetrode, was used with a battery supply having between 45 and 90v. The grid closest to the filament was connected to B+ or a tap off of B+, and increased the plate current much like a screen grid. The second grid was used for signal input. These tubes were not called tetrodes but double-grid triodes and, all else being equal, worked like triodes.Some of the low-voltage tubes are designed to function like regular tubes. These tubes have a grid close to the cathode that is tied internally to the plate. Although the current is very low, having this extra grid inside makes possible the operation at 12 volts. The other electrodes inside the tube are the control, screen, and suppressor grid just like a normal pentode.
In some of the power tubes (that term is used lightly), the first of two grids is connected to +12v and draws heavier current than the plate. Others are used just as normal tetrodes with a very small screen current. These power tubes were designed as drivers for a power transistor, so their capabilities are within 20-40 milliwatts. Consulting the datasheet is the best way to know.
Care and Feeding of Low Voltage Tubes.
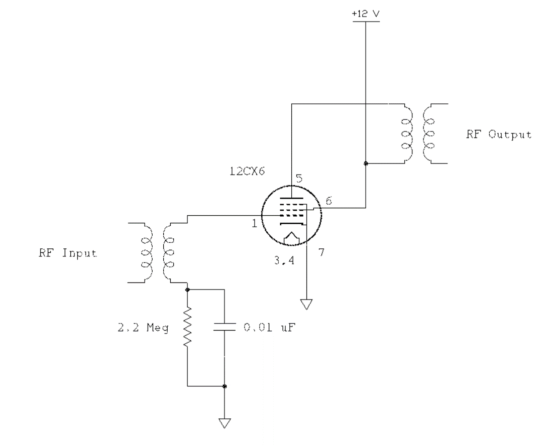
These special tubes were designed for the RF sections of car radios. They are very-low power and have limited gain but can be used for broadcast radio up through HF and VHF. The circuitry is similar to radio circuits. Figure 01 shows an RF/IF amplifier using a 12CX6, one of the representative tubes from this class.
Figure 1 A Low-Voltage RF/IF Amplifier.
For a verbal description click here.
Right away you might notice several things. These are all done to conserve gain in an otherwise low-gain amplifier.
- The cathode is grounded. Only place a resistor in the cathode circuit if the gain needs to be lowered to achieve stability.
- The plate is connected to B+ through the tuned coil. Any significant resistance used to decouple the amplifier will consume voltage and lower gain. Use low value resistors and large capacitors to restrict noise. Example - since the low voltage tubes draw, at very most, 2-4 mA, use a 100-ohm resistor or less. The voltage drop will be minor. You can also use larger capacitors because the voltage is low.
- The screen is connected directly to B+ for the same reason. A capacitor at or near the screen socket would be a helpful idea.
- The grid's DC path includes a bypassed, 2.2M resistor. In an RF or IF stage, the grid coil connects between this point and the plate. If AGC is not applied to this point, it should be bypassed with a large capacitor (0.1 microfarad for RF or 10 microfarad for audio).
The last point may require some explaining. Certain tubes (for example, 12AV6) require the cathode to be grounded so its diodes will function properly. It biases itself by capturing a small amount of electrons on the grid which travel to ground. The grid resistor, if large enough, will develop a large negative voltage which serves as bias. By choosing a large resistor like 2.2 Megohms, the electrons leak off slowly enough to give the grid a net negative charge and bias the tube off.
The main points here are keeping resistances out of the signal path between B+, the plate, the cathode, and ground. Only having 12.6v to work with means there is very little room for losses. Cathodes should be tied to ground, grid leak resistors should be large, and plates should go to B+ through coils.
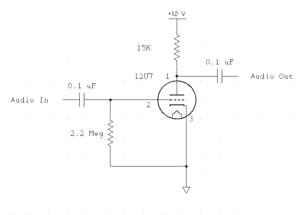
Figure 2 A 12U7 Audio Amplifier Stage.
For a verbal description click here.
Figure 02 shows a 12U7, which some say is a relabeled 12AU7. The tubes may be very similar except that the 12U7 is not rated for voltages higher than 30. Although it can feed a plate resistor load, the gain is limited to about 5 if feeding a very high impedance. This tube also uses a large resistor for the grid, and would be very well off amplifying low voltages like from a microphone. A circuit like this would be much better suited to driving an audio transformer or a pair of high-impedance headphones.
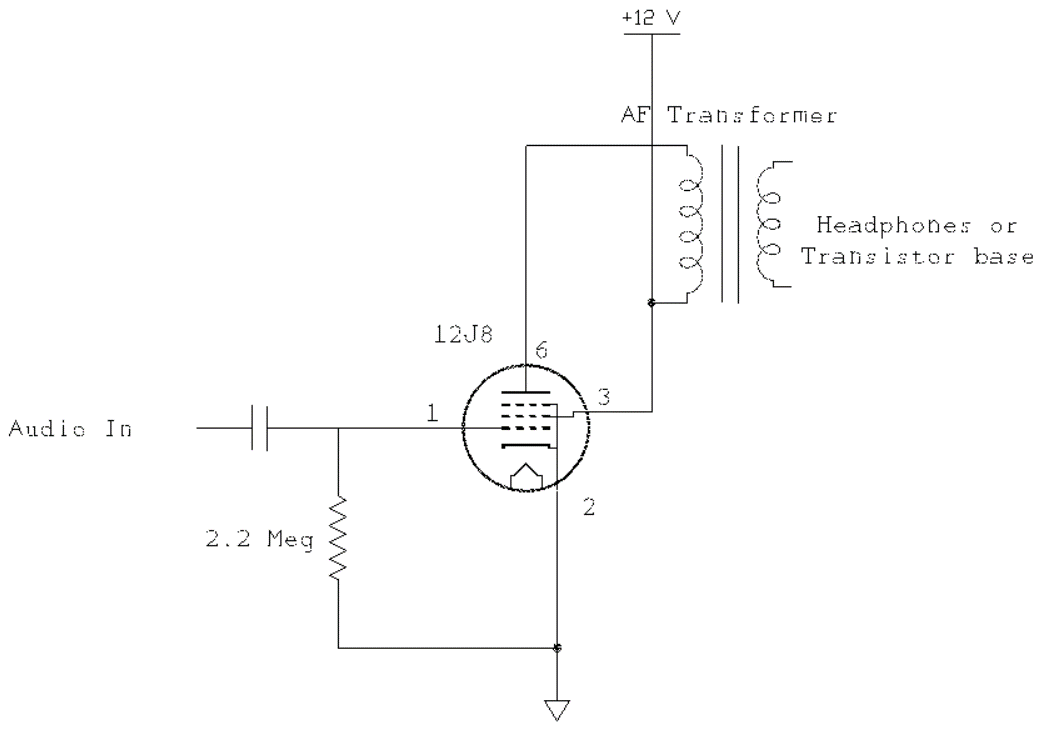
Figure 3 A 12J8 Power Amplifier Stage.
For a verbal description click here.
Note: the diagram above shows the 12J8 as a pentode. The tube is a tetrode, but for all intents and purposes can be treated as if it were a beam power pentode.
The term "power" in this context is relative. Most low-voltage tetrodes can provide between 15-40 milliwatts into a high-impedance load. This implies a transformer. In their original design use, they drove the base of a germanium BJT to put a couple of watts into a speaker. Transformer loading is imperative here. The inductive loading in the plate both allows the tube to develop maximum gain and it provides the maximum signal swing in the output load. Some designers will use an audio-grade choke in the plate circuit and feed a transformer primary (or high-impedance headphones) through a capacitor. That's fine if you want to take the extra steps.
There are two different types of tetrodes and their difference bears mentioning. A "low voltage tetrode" is to be connected in the same way a normal tetrode would at high voltages. A "space charge tetrode" will have grid #1 connected to +12.6v and use grid #2 as the signal input. This normally results in a very high grid #1 current (relative to what you'd see for the plate) which allows for a bit more plate current and power output. How much more? Not much...the high tubes in this range are the ones close to 40 milliwatts. For headphones, this is more than plenty. For the base of a power transistor, it obviously worked well enough that many production models were made.
Going Further.
Most of the tubes rated for low voltage have a maximum voltage of 16 to 30 volts. This is mainly because it was understood that the heater and plate would be powered from the same supply.Using a separate supply (use your imagination), applying a slightly higher voltage to the plates and/or screens of the tubes could result in a higher signal output without damaging them. For example, placing three 9v batteries in series will result in a 27v supply. If a resistive load is desired, it could be chosen to present a high impedance to the tube plate and still allow the tube to sit at 12.6v at zero signal input. The reward would be higher gain for signal tubes and very possibly higher power output for the LV tetrodes.
Normally one would recommend caution in exceeding the ratings of an electronic device. In this case, it is doubtful that anything would be hurt as long as the 12v supply to the filament were maintained.
Some data on 12 volt tubes can be found on this page.
If you are curious about the low voltage military tubes lookup tubes with 26 volt heaters. Also lookup the schematic of the R392 receiver.