Home


Receive and Transmit on Separate Antennas.

It used to be the standard way.

ATTENTION!

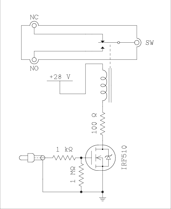
This project was done in a hurry and as a result I omitted one safety issue. The correction shown in the schematic, board layout, and photographs is to add a 1 megohm resistor from gate to source of the MOSFET. Everything will be fine unless the input to the board becomes disconnected from the linear amplifier. Such a disconnection may be deliberate or accidental. Either way, without the resistor the transistor may be on or off at random. It might even switch back and forth without any apparent reason. It is impossible to predict what may happen. If you have already built your board I strongly recommend that you install the modification as soon as possible. I don't want to be responsible for any burned out transceivers.

And now, back to our story.

Using a big antenna for transmitting and a lesser one for receiving used to be the usual way of doing things for most hams. This was in the time period from the very earliest beginnings of ham radio until after world war two. In those years relays were beyond the means of most hams and coaxial relays if they could be found were absolutely out of the question. Relays in general and coaxial relays in particular appeared on the war surplus market shortly after the war and at a price most hams could afford.

In the 50s and 60s as transceivers and matched receivers and transmitters began to be sold by Collins, Drake, Heath, and others, receiving and transmitting on the same antenna was built into these new rigs and became a given for all ham stations. In today's world if one should want to employ separate transmit and receive antennas some special equipment must be built to make it possible.

Why should I want to use separate antennas?

In my case I have an inverted V antenna which works on 80, 40, and 20 meters and a vertical which works on 40, 20, 15, and 10 meters. My local noise level on 75 meter phone is very high on the inverted V but much lower on the vertical. You would expect that all received signals including noise would be down on the vertical but the noise is down much more than the signals which makes for an improvement in signal to noise ratio. That makes it possible to copy stations on the vertical which are in the noise on the inverted V.

Adding a Relay If You Aren't Using a Linear.

All you need is a coaxial relay and a power supply to match its coil voltage. If you can find a relay with a 12 volt DC coil you can borrow a little power from the station power supply to operate the relay and your transceiver will never miss it.

If you happen to have on hand a 120 volt AC relay you can use it. It is almost a universal fact that a 120 VAC relay coil will operate successfully on 28 volts DC. In general this is not a high enough voltage to damage the contacts in the transceiver. You will need a 28 volt power supply for this relay. A wall wart will do just fine.

You will use the linear amplifier control in your transceiver to activate the relay. A cable, usually with an RCA connector was supplied by the manufacturer. This is not a source of voltage. It is simply a contact that is closed during transmit and open during receive. It is usually isolated from ground so a connection will have to be made from the negative side of the power supply to the negative, shield, side of the RCA plug.

DON'T FORGET THE DIODE.

Be sure to solder a diode across the relay coil in the reverse direction, so it is reversed biased when the polarity of voltage to the coil is normal. This will suppress the inductive spike which might do damage to the contacts in your transceiver.

The Hookup.

The figure below shows how to connect the relay coil.

Schematic showing relay coil connections.

Connect the movable contact, swinger, of the coax relay to the transceiver's antenna connection. The relay coil will be powered during transmit. Connect the normally open side of the relay to the transmit antenna and the normally closed side to the receive antenna. If the relay isn't marked NO and NC you will have to do an ohmmeter check to find out which is which.

That's all there is to it. Good luck and happy hamming.

Adding a Relay When Using a Linear.

It's easy enough to connect a coaxial relay in the line between the transceiver and linear. Just send the transmitted signal to the linear and pick up the received signal from the vertical. The linear goes to the antenna tuner which in turn goes to the inverted V. The only problem is energizing the relay coil at the proper time and allowing it to open at the proper time.

The linear is activated by the transceiver through an RCA male plug that goes to a female socket on the linear. The other end of the cable goes to a DIN connector on the transceiver so I really didn't want to cut into it. Fortunately the audiophile market provides a Y connector that has one male and two female connectors.

Photo showing RCA single male to two female Y connector.

I plugged the male end of the Y connector to the linear and the male from the transceiver to one of the female connectors of the Y. I soldered wires to an RCA male plug and plugged it into the other female on the Y. Then I clipped on my voltmeter to see what the control voltage was like.

Control Voltage.

What I found was 12 volts DC in receive mode and 0 volts during transmit. The 12 volts was there only when the linear was powered up which told me it was the source of the power and the contact closure was in the transceiver. That is what I had expected. The only thing I needed to know was the voltage. Make this check before you try to duplicate my work.

Don't even think of using the voltage to activate a relay. If you draw any significant amount of current from this connection the relay in the linear will close when it should be open. The linear will be turned on continuously. This is not a good thing.

If you have a tube era linear such as the SB 200 or 220 that voltage will be more than 100 volts. Depending on the make and model of the linear it might be AC instead of DC. I think the use of AC is rare so let's assume the linear control voltage is 120 volts DC. Instead of feeding the voltage directly to the gate of the MOSFET the 1 k ohm resistor should be replaced by a 100 k ohm and a 10 k ohm should be connected from the gate to source which is also ground. If this is how you have wired the board the modification discussed in the red text is not needed and indeed should NOT be done.

The circuit below should work with anything from 6 to 20 volts. Outside of that range the modifications described above must be made. I should mention that the relay I have on hand has a 28 volt coil. Actually it is a120 volt AC coil but they almost universally will operate on 28 volts DC with no trouble and no humming or buzzing. Even if you can get a relay with a 12 volt DC coil I don't recommend operating it from the station power supply. With the linear involved and the many different makes and models of linears on the market I have no way of knowing what the grounding situation is. Do it if you are sure everything is alright but if something goes wrong, don't blame me. The schematic diagram of the coil driver circuit is shown below. The diode across the coil is not necessary because a zener diode is built into the transistor.

The circuit below contains the modification. The gate of a MOSFET has the highest resistance known to electronics. The voltage on the gate is very easy to change. Simply waving your hands near an open gate connection can change the voltage. Modern transistors are zener diode protected so there is no longer a danger of burning them out with the touch of a finger. But the fet as wired in this circuit can have its state changed from on to off or the opposite with a touch or under the right conditions even a near touch. Therefore, a 1 megohm resistor is recommended between gate and source. This change has been incorporated into the schematic below. Also I pulled the board out of the station, soldered the new resistor in place and took a new picture. I have left the original picture in place so you can see the difference.

In the layout drawing the resistor has also been added. You don't need to form the lead into the shape shown in the drawing. It is drawn that way to make it clear that the drain is not involved with the 1 meg resistor. The photograph shows clearly how to form the leads. Books and articles on construction techniques recommend that resistors and other similar components be flat on the board but transistor radios have used vertical resistors almost from the beginning and although there have been many other complaints about these little radios, a lack of reliability has never been one of them.

If you have already built this project you should install this modification as soon as possible. If the relay should fail to operate in the proper sequence the transmitter output stage could be operated into a very high SWR load. This is decidedly not good for RF power transistors.

Schematic Diagram of Relay Coil Driver Circuit.

The next two photos show the circuit board with the relay in the background and The modified circuit board. After that is a layout diagram for the printed circuit board. The red lines indicate the copper which comes printed on the board and how the components are to be placed on it.

Photo of Relay Coil Driver Board.

Photo of modified Coil Driver Board.

Layout Diagram of Relay Coil Driver Circuit.

The wires which seem to go nowhere and cross the connecting leads are hold downs. If the wires that are soldered to the board are bent the copper pads will be torn away from the board. The pads have so little area in contact with the board that the bond can easily be broken. I have been working with these boards and their larger brothers for many years. What I have learned I learned the hard way. Install the hold downs. You will regret it if you don't.

Connecting the Signal Path.

The relay will be energized during receive and de energized during transmit. This seems a little backward but it is not a real problem. What do you want when transmitting? The antenna connector on the transceiver should be connected to the linear. So connect the movable contact to the transceiver and the NC (normally closed) closed when de energized, connector to the linear. The only connector left, NO (normally open) goes to the alternate antenna.

I have posted this article because I heard someone on the net express interest in separating transmit and receive antennas. Hope it helps.


This page last updated Wednesday, August 11, 2021.


Home