Circuits Sent In By Viewers.

This page contains projects that members of the Fun With Tubes Email List, and other viewers of this site, are working on. It will, no doubt, grow as time goes by. The daily log which used to be in this position in the menu seems of little need since I started the email list. They are arranged newest at the top.

To submit schematics and photos to this page email them to me. Photos without schematics will be posted on the "Projects by Viewers of this Page" under the "Photo Gallery" heading. I have a high speed connection so just attach them to a message and send them along. Put any text you want to go with them in the message. Send them in one of the following formats, in order of preference, GIF, JPG, BMP, and if you absolutely must, PDF. I hate PDF files. They are a hassle to deal with, so send them in that format only if you can't convert them to one of the others. Zip them if you wish, it makes no difference to me.

I make no endorsement or other promises about these circuits. I look them over to see if they make sense but I have not built and tested them so I can't say they will work. If you electrocute your cat or burn down your house, don't blame me.


This one comes in from John Wise. He has a vintage Hewlett Packard harmonic distortion analyzer which only has an input impedance of 200 k ohms. Surprising considering the high impedance nature of tubes. He needed a low distortion high input impedance unity gain buffer and this is what he came up with.


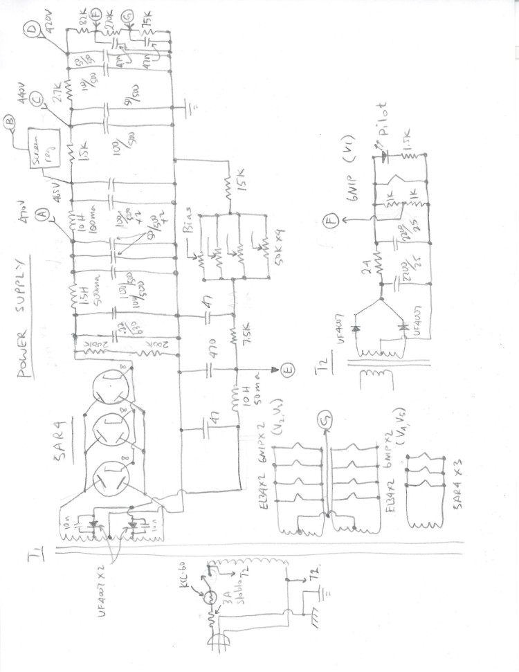
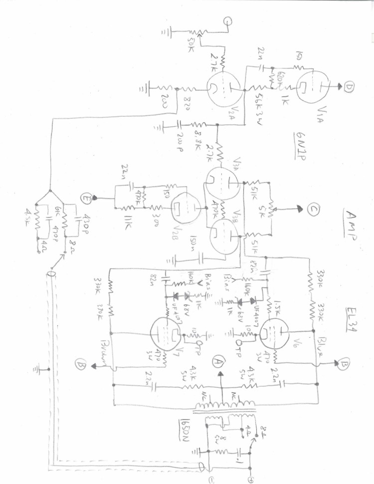
This one comes in from Tim E. Smith.

"Max - Here are some more schematics for your file. These are for the 50 watt amp in the photo section of the group website. The amp works fine, uses the Maryland Toroid tube amp transformer.

The power transformers are T1 - Toroid Corp Maryland PN 236.5072 and T2 - Radio Shack PN 273-1352. The output transformers are Hammond 1650N."


Max - Sounds fantastic. I've enclosed these schematics and you can do what you want with them - laugh, wonder, express dismay, other.

The amp works fine; now I'm planning some 93-94 db/1 watt speakers for it.

Tim.

 Scanned Schematic diagram.

Single Ended Amplifier. January 29, 2007.

For a verbal description click here.

 Scanned Schematic diagram.

Power Supply for Single Ended Amplifier. January 29, 2007.
Tim tells me that the screen supply regulator tube is a 6T9.

For a verbal description click here.


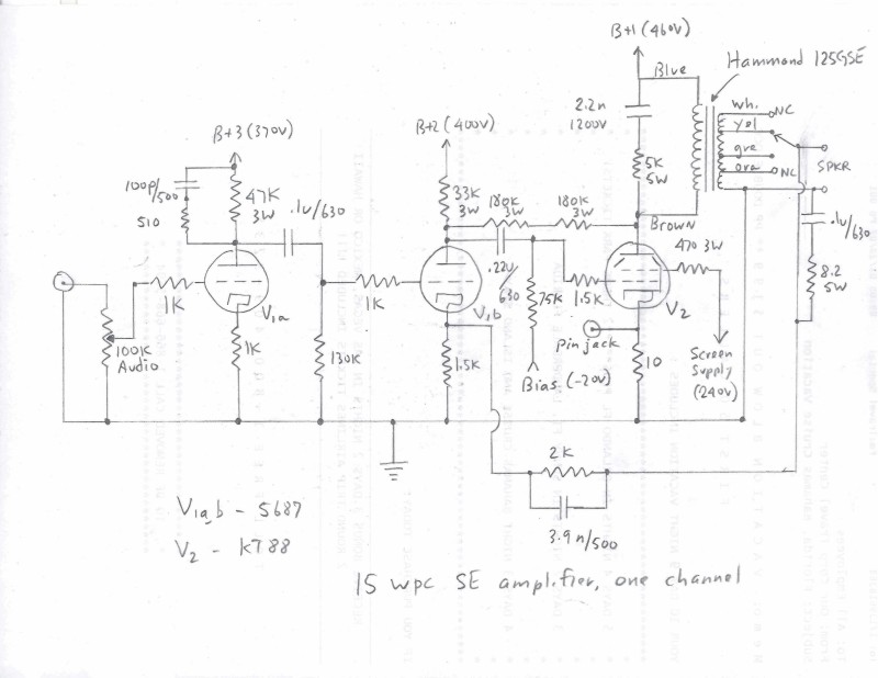
7591 Amplifier.

I tried to reproduce the diagram here but the lines in the file are so thin that when I reduce it so it will fit on the screen, many of the lines just disappear. So, it is presented as a zip file to be downloaded. To unzip it after you have downloaded it just double click on it in windows explorer and a new window will open up. You can copy the file from the window and paste it into the folder of your choice. Then you can open Windows picture and fax viewer to look at it. If your system is set up for that to be the default viewer, double clicking on the bmp file will open the viewer and load the file.

Download File Now.


Take me back home.