Tim's Second Amplifier.

A hybrid design gives superior performance.

Introduction and Initial Testing.

Strictly speaking this amplifier was built by Tim before He built the contest winning amplifier but is the second one of his work I have had the privilege of testing.

The first thing I did was to put it on my bench and after a little warmup trimmed up the cathode current of each tube to 30 mA. Then I measured the harmonic and intermodulation distortion. The results are shown in the table below.

Channel

Frequency

Volts

Power

THD

Equiv. Volts
for IMD

IMD

Remarks

Left

1000

16.20

32.81

0.170%

13.20

0.215%

Just short of clipping.

Right

"

16.80

35.28

0.169%

13.69

0.155%

Just short of clipping.

Left

"

15.49

30.00

0.120%

12.63

0.135%

 

Right

"

15.49

30.00

0.150%

12.63

0.150%

 

Left

"

12.65

20.00

0.092%

10.31

0.107%

 

Right

"

12.65

20.00

0.146%

10.31

0.147%

 

Left

"

8.94

10.00

0.064%

7.29

0.115%

 

Right

"

8.94

10.00

0.106%

7.29

0.180%

 

Left

"

6.32

5.00

0.044%

5.15

0.074%

 

Right

"

6.32

5.00

0.068%

5.15

0.145%

 

Left

"

4.47

2.50

0.030%

3.64

0.073%

 

Right

"

4.47

2.50

0.041%

3.64

0.072%

 

Left

"

2.83

1.00

0.024%

2.31

0.051%

 

Right

"

2.83

1.00

0.030%

2.31

0.029%

 

Left

"

2.00

0.50

0.023%

1.63

0.040%

 

Right

"

2.00

0.50

0.028%

1.63

0.022%

 

 

 

Frequency Response

 

Left: -3dB at 32 kHz. Right: -3dB at 33 kHz.

 

Low end shows 10 dB peak at about 6 Hz, both channels. Some instability is
indicated by hysteresis as frequency is changed.

 

I was surprised by one thing. The IM distortion numbers weren't all that far from the THD numbers as they had been in previous amplifiers I have tested. In fact I was so surprised that I got out my test amplifier, the old Newcomb to see if it still measured the same. It did.

Next I carried it to the living room and proceeded to hook it up. My wife asked what I was doing and after I explained it to her I turned on the amplifier with some favorite music of ours. After about a minute she said without any prompting "That sounds better than the other one". That to me was worth more than all the tests that can be done with a laboratory full of sophisticated test equipment. She doesn't think of herself as an audio file. She does enjoy good music and presumably has a good ear because she is a singer. I hope to eventually find the reason for the excellent performance of this amplifier. Meantime I am enjoying listening to it every day.

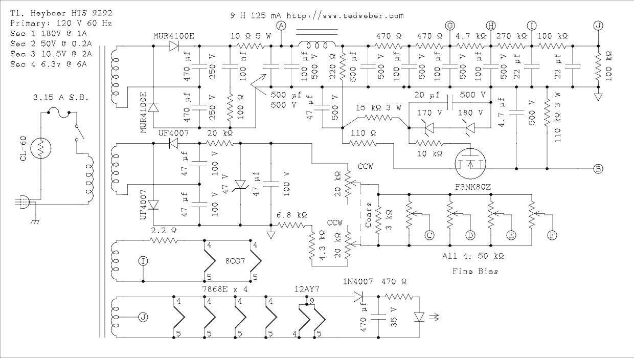
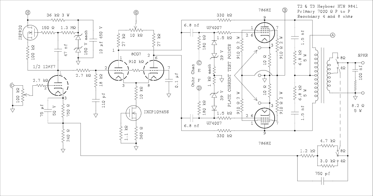
The Circuit.

The power supply and amplifier are built on the same chassis although they are shown in separate schematic diagrams.

The only change I made in this amplifier was to reduce the values of the coupling capacitors into the power tubes. Tim does not have the instrumentation to detect the infrasonic peak. With the values given and the specified output transformer the low end rolls off smoothly being 3 dB down at about 11 Hz.

Tim begins the amplifier with 1/2 of a 12AY7 with a silicon based current source in its plate circuit. This arrangement can give a gain almost equal to the amplification factor of the tube. Perhaps it improves linearity by preventing a large AC current in the plate-cathode circuit of the tube. Assuming the current source is very close to ideal the only AC current it needs to supply is to the 910 k ohm resistor from the grid of the long tail pair to AC ground. Oh yes, and a little bit of current through the frequency compensating network at the high end.

Next comes the long tail pair which is biased by the plate voltage of the 12AY7. Tim uses an 8CG7 which costs less than the much in demand 6CG7. He has to order an extra heater winding on the custom made power transformer that he prefers and I don't know how much extra this adds to the cost of the transformer. The long tail pair has a silicon based current sink in the cathodes which eliminates the need for different values of plate load resistors.

The output stage is a conventional push pull circuit with some screen grid degeneration. This tube has two pins for the screen grid. The Sylvania tube manual advises using both pins to connect to the screen grid. There is also a duplicate set of pins for the control grid. Perhaps this tube was intended for RF power or maybe horizontal output in small screen TV sets.

Tim employs snubbing networks on both the primary and secondary of the output transformer. Perhaps he had a little trouble with ringing. The square wave test was very good showing a nice wave with not a trace of overshoot or ringing.

The power supply employs a voltage doubler which was popular in the 1960s near the end of the golden age of the tube. This is a full wave rectifier which does not require a center tapped transformer. At that time silicon diodes were rather expensive which probably accounts for it's use rather than a bridge rectifier. Because this is a voltage doubler the transformer winding needs to have half of the voltage and twice the current. I can see how this would reduce the cost to manufacture a power transformer.

Tim uses only a 10 ohm resistor and 600 μf of filtering after the rectifier and before the center taps of the output transformers. He follows this with a π section C-L-C filter plus two L sections of RC filtering before powering the long tail pair and another RC section to filter for the 12AY7 plate circuit. Connections I and J serve to bias the heaters positively.

Taking a voltage off after the filter choke Tim uses a power FET to regulate the screen grid voltage for all 4 power tubes.

A thermistor in the primary circuit prevents a high turn on serge current.

Construction.

Since I didn't build the amplifier there is little I can say under this heading. This one picture will have to do. The layout of an audio amplifier is never especially critical. Just follow common sense practices and you should be fine. Good luck and have fun.

Tim presented the amplifier to me as a gift and I am grateful to him for it. It has already given me many hours of listening pleasure and may serve to change my mind about some of the basic tenants of vacuum tube amplifier design.


Home