The Lazarus Capacitor

Restoring life to a dead electrolytic capacitor.

Don't just plug in that old amplifier or radio to see if it smokes, most likely it will. Check the filter capacitors first and save yourself some time and headaches.

If that old radio, or whatever, blows fuses or the plate of the rectifier glows red the indication is a bad filter capacitor. But don't change it out just yet. An electrolytic capacitor which appears to be shorted may be able to recover if treated properly.

Don't be fooled

Testing tube style capacitors with testers designed for transistor or IC circuits can lead you astray. Modern capacitor testers usually apply about 3 volts DC to the capacitor under test. This is fine for a 15 or 25 volt cap but not for a 150 or 450 volt one. A 150 volt cap can test perfectly good on one of these testers but still blow fuses in the circuit.

You need to test it with something close to the normal operating voltage to have a valid test. Two of the best capacitor testers ever made are the Heathkit IT-11 and the IT-28. The major difference between these two models is that the IT-11 is gray in color and the IT-28 is light brown or tan. The 28 uses some more modern components but the circuitry is essentially the same. At any given time there is at least one and usually several for sale on ebay. Happy bidding.

Some people say...

Some people say you can reform capacitors by connecting the equipment to a variable transformer and slowly bringing up the voltage. If the unit has solid state rectifiers this can be done. However, this can ruin a rectifier tube by damaging the oxide coating of its filament or cathode.

Who is eligible for resurrection?

Not all capacitors can be raised from the dead. If you have a tube electronics item that operates fine for several weeks, months, or even years and then goes out and you trace the trouble to a filter capacitor it is not very likely that you can recover it. A capacitor which has failed in operation is a goner and you might as well replace it.

The capacitors that are just sleeping are those that have not been used for many years. That applies whether they are installed in a piece of equipment or are still in the box. NIB (new in box) or NOS (new old stock). An electrolytic capacitor that hasn't been used for 30 years or more will lose most of its forming.

How do electrolytic capacitors work?

Resisting the urge to say pretty well, the insulator is a thin layer of aluminum oxide. One of the plates of the cap is the aluminum foil and the other is a layer of porous paper impregnated with something not unlike battery acid. The layer of oxide is formed by applying a voltage when the cap is manufactured. The layer is re enforced every time the capacitor is used. Long periods of disuse can, and usually do, cause most of the oxide layer to break down.

The thinner this layer gets the less voltage it will stand without conducting current. A very old 450 volt capacitor, NIB or in an amplifier, may only test to 50 volts. It needs to be reformed before attempting to use it.

Reforming means to regenerate the oxide layer. This is done by increasing the voltage until current begins to flow. This is not a normal condition for a capacitor. The trick is not to run too much current through it. It the current is allowed to get too high one of two things can happen and they are both bad. The capacitor can get so hot that the water turns to steam, boils. The build up of pressure can cause the capacitor to literally explode with a BANG! In the other case the oxide arcs through and the intense heat of the arc burns the paper turning some of it to carbon. That's a conductor and its presents places a permanent short across the capacitor.

Reforming with the Heathkit or similar tester.

This can be done with the capacitor in the circuit of the radio, amplifier, or what ever. Do not have the radio, amplifier, or whatever plugged in to an electrical outlet.

Examine the capacitor. Most likely it will be a multi capacitor can. The capacitance and maximum voltage of each capacitor is marked on the side. Do not try to form the capacitor above this maximum voltage. You might get away with it but then again you might not.

If some of the capacitors are rated at a lower voltage than the first one you should unsolder the resistor feeding the lower voltage units. Refer to the second figure below for the circuit of a typical power supply. Do not worry about capacitors that are not tied into the power supply filter by resistors. Sometimes a cathode bypass capacitor is part of the filter can.

Use clip leads to connect the capacitor to the tester making sure to get the polarity correct.

Start with the voltage switch set low say 25 volts.

Set the lever switch on the left to "Electrolytic".

Set the lever switch on the right to "Leakage".

The eye may stay open, close momentarily and then open, or close and stay closed. If it closes and does not open after about 15 minutes then the capacitor is beyond recovery.

If the eye opens start turning up the voltage until you arrive at the rated voltage of the capacitor or the eye closes and stays closed, which ever comes first.

Flip the switch on the right to "Discharge". The eye will close for a time and then reopen. Switch back to "Leakage" and the eye will close. This time it may slowly open after a minute or two.

Move the voltage switch up one notch at a time, pausing at each setting until the eye starts to open.

You may reach a point where the voltage won't seem to move up and it is 100 or 200 volts below the rated capacitor voltage. Set the voltage up to the capacitor's rating and leave it there for several hours while you do something else. This won't damage the tester and is not likely to damage the capacitor.

When you come back if the eye is still closed lower the voltage setting to find out at what voltage the eye opens. It will likely be higher than it was before. Leave it some time longer. Eventually it will open at the rated voltage.

Flip the switch to "Discharge". The eye should close for several seconds and then open. Go back and forth between "Leakage" and "Discharge" noting that the eye closes and then opens.

Perform this procedure on each capacitor in the can.

Measuring the capacitance.

Set the right hand switch to "Discharge" leaving it there until the eye opens. Then set it to "Bridge".

If the marked value of the capacitor is more than 20 microfarads (MFD on old capacitors) set the range switch to "C EXT SCALE". If the marked value is less than 20 microfarads set the range switch to "C X1".

Slowly rotate the bridge dial until the eye opens. Read the value on either the '"C" EXT SCALE' or the 'CAPACITANCE "C"' scale depending on which you have selected. If the reading is close to the end of rotation of the dial indicated more or less than 20, try the other range.

Turn the "% POWER FACTOR" knob to open the eye wider. Go back to the bridge dial and fine tune it for maximum opening. Go back and forth between the two knobs several times.

The bridge dial reads the capacitance and the "% POWER FACTOR" reads the power factor. In many old capacitors this latter value is often between 5 and 10 % but they still seem to work acceptably.

Reforming the capacitor with an adjustable power supply.

This can be done with the capacitor in the circuit of the radio, amplifier, or what ever. Do not have the radio, amplifier, or whatever plugged in to an electrical outlet.

Examine the capacitor. Most likely it will be a multi capacitor can. The capacitance and maximum voltage of each capacitor is marked on the side. Do not try to form the capacitor above this maximum voltage. You might get away with it but then again you might not.

If some of the capacitors are rated at a lower voltage than the first one you should unsolder the resistor feeding the lower voltage units. Refer to the second figure below for the circuit of a typical power supply. Do not worry about capacitors that are not tied into the power supply filter by resistors. Sometimes a cathode bypass capacitor is part of the filter can.

For this you need two voltmeters. If you don't have two you can change one back and forth between the two measurement positions. Connect the circuit shown in the figure below.

 Schematic diagram.

For a verbal description click here.

Slowly increase the voltage of the power supply until the voltage across the resistor reaches 100 volts or the voltage across the capacitor reaches the voltage rating of the capacitor. Do not raise the power supply voltage above the maximum capacitor voltage.

Let it sit for awhile. If you are watching it you will see the capacitor voltage slowly creeping up. When the voltage across the resistor has fallen to about 50 volts raise the power supply voltage, but only if you can do so without going above the maximum capacitor voltage.

Keep increasing the power supply voltage until it is the same as the maximum capacitor voltage. When you get there leave it alone. It is very likely to take a long time to get through the last 50 volts. You may have to leave it on overnight.

Perform this procedure on each capacitor in the can.

Reforming the capacitors using only the equipment its self.

If you don't have a Heathkit or similar capacitor tester, or a variable voltage DC power supply, It is still possible to reform the capacitors. These pieces of test equipment are for convenience so as we move toward minimalism it gets harder to do. That's why they are frequently known as labor saving devices.

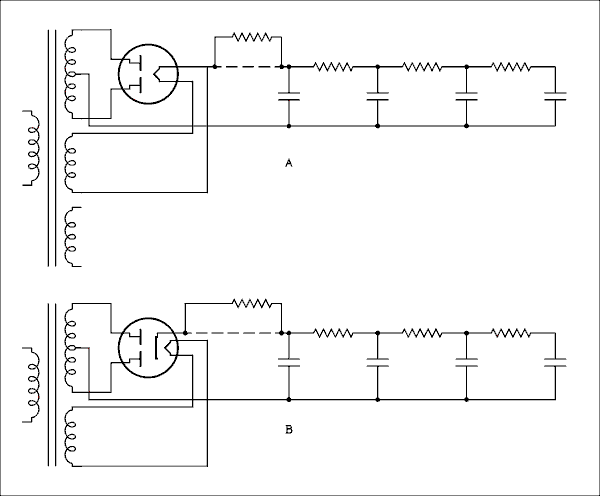
If the rectifier tube is a 5R4, 5U4, 5V4, 5Y3, 5Y4, 5Z3, or 80, refer to Figure A below. If it is a 6X4, 6X5, or 6AX5 refer to Figure B below.

 Schematic diagram.

For a verbal description click here.

First remove all tubes except the rectifier tube.

Examine the capacitor. Most likely it will be a multi capacitor can. The capacitance and maximum voltage of each capacitor is marked on the side.

If some of the capacitors are rated at a lower voltage than the first one you should unsolder the resistor feeding the lower voltage units. Refer to the Figure above for the circuit of a typical power supply. Do not worry about capacitors that are not tied into the power supply filter by resistors. Sometimes a cathode bypass capacitor is part of the filter can.

Unsolder the wire which connects from the filament or cathode of the rectifier tube to the first filter capacitor. This is the dashed line in the figure above. Temporarily solder a 100 k ohm 1 watt resistor in place of the wire as shown.

Connect a voltmeter across the capacitor and turn on the power to the equipment. The voltage will come up very slowly.

When it gets to about half of the maximum capacitor voltage turn off the power and discharge ALL capacitors that are connected to the power supply.

Replace the 100 k ohm resistor with a 10 k ohm 2 watt resistor. Turn the power back on.

Measure the DC voltage across the 10 k ohm resistor. If it exceeds 150 volts turn off the power and substitute a 22 k ohm 2 watt resistor.

Continue to monitor the voltage across the 22 k ohm resistor and when it gets down to 100 volts or less, change back to the 10 k ohm 2 watt resistor.

Continue to monitor the voltage across the 10 k ohm resistor and when it gets below about 5 volts turn off the power, discharge the capacitors, and remove the resistor and solder the wire back the way it was.

Now turn your attention to the remaining capacitors which you have not unsoldered from the circuit. Their voltage should equal the voltage across the first capacitor within a few volts. Leave the power on for several hours to see if the voltage is coming up.

Test the resistor going to this capacitor to make sure it isn't open. 10% or even 20% above coded value doesn't count as open. You may need to connect a resistor in parallel with the one which is there to help the voltage come up. After these are up, unsolder any resistors you soldered into the circuit.

Once again turn off the power and discharge the capacitors. If you unsoldered some capacitors earlier resolder them.

Let's say the first three capacitors in the power supply are rated at 450 volts and the fourth one is a 250 volt unit. This is not uncommon. When all the tubes are plugged in their load current will keep the voltage across the last capacitor from exceeding 250 volts. Remember you have unplugged all the tubes.

Connect a voltmeter across this last capacitor and watch it while you turn on the power. If the voltage gets close to 250 volts quickly turn off the power. If it goes up to say 50 volts then you need to wait for this capacitor to reform. As before you may need to connect a resistor in parallel with the one which is there to speed things up a little. Don't forget to turn off the power and discharge the capacitors before soldering in another resistor. DO NOT LEAVE THE FORMING PROCESS UNATTENDED.

When the voltage reaches the rated voltage of this capacitor turn off the power, discharge all capacitors, and disconnect any resistors you may have temporarily installed.

Replace all tubes in their sockets. You did make a drawing showing where each tube goes didn't you?


This page last updated October 2, 2003.


Home