One Tube Radios.

Regenerative Detector.

In these modern times it's not easy to find parts. Some of you may be afraid of winding coils (it took me many years to get over helixaphobia. However my investigations have led me to the inescapable conclusion that winding coils is the best way. It's really not that hard and it is guaranteed to be painless. I have devised a method in which you use Double Stick (stickem on both sides) Scotch Tape to hold the wire in place while you wind the coil. One of the most frustrating things about winding a coil is what happens when you let go of it. The double stick tape prevents this from happening. To learn how to wind your own coils click here.

If you don't have a variable capacitor you will need to buy one. If you would rather not wind your own coils there are ferrite antennas and antenna coils for sail. Click here to learn what to buy and where to buy it.

Another source is to take a transistor radio apart to salvage the tuning capacitor and ferrite antenna. It's kind of fun tearing up one of those disgusting little things and you might learn a thing or two in the process. The parts you get are of limited usefulness which is why I really don't recommend it. If you have the time and the inclination give it a try. Just click here.

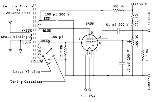
Here is a detector that will let you receive out of town stations. You will definitely pull them in at night and maybe a few during the day. Here is the schematic diagram.


 Schematic diagram.

For a verbal description click here.


You will see that there is another winding on the ferrite antenna. Remember that electrical schematic diagrams NEVER show how things are laid out physically. Winding this coil is no big deal so don't let your helixaphobia flair up. Use some insulated hookup wire (available from Radio Shack or any electronics parts supplier) to wind 5 turns of wire around the ferrite rod. Wind it in the same direction as the other coils but NOT over them. Place it at the end of the rod which is closest to the end of the coil which you have grounded. It's better to use solid wire as opposed to stranded. If stranded is all you can get then use it but you will have to wrap some tape around the coil to hold it in place.

Now this is very important. To repeat you should have wound the new coil in the same direction as the other coils on the ferrite rod. The end of the new winding which is closest to the grounded end of the main coil should be connected to the 100 pf capacitor and the 100 k ohm resistor. The end away from the other windings should go to the plate connection of the tube. If you wind the coil in the opposite direction or reverse the connections you will not get any regeneration.

How it Works

How does it work? Pretty well considering. This is a grid leak detector with feedback.

Placing a winding in the plate circuit which is magnetically coupled to a coil which is in the grid circuit causes signal from the output to be fed back to the input. Because of the way the coils are wound and connected the fed back signal reinforces the original input signal. If the gain of the amplifier is too high the fed back signal will maintain the output signal by itself and no input will be necessary. This condition is known as OSCILLATION. Sometimes this is desirable and sometimes it is not. In this case we would rather not have the circuit oscillate. What we want is the "Goldylocks gain". It should be "... just right." When it is just right the weak input signal is reinforced by the fed back signal and there by increased in amplitude. Because the coil in the grid circuit is tuned to a specific frequency by the capacitor the feedback is at that one frequency. The gain is increased the most at that frequency. Thus the sensitivity becomes grater and the bandwidth becomes less. Up to a point these are desirable in a radio. The pot in the screen grid circuit sets the gain and so by adjusting it you can achieve the "Goldylocks gain".

Operation

The 100 k ohm pot in the screen grid circuit is the regeneration control. Turn the control up (fully clockwise) all the way. Now tune over the range of the tuning capacitor. As you tune across each station you will hear a whistle which descends in pitch and then goes back up again. This is a sound frequently used in movie sound tracks when they want to indicate that a radio is being tuned, particularly a short wave receiver. The term radio people use for these sounds is "beats". Pick out one of the beats which is of medium strength (loudness). Tune it in so the pitch is very low. This is called "zero beating". Slowly turn the regeneration control down and at some point the tone will stop and you will hear the speaking or music that is on the station. If you continue turning the control down the station will likely disappear. The detector is most sensitive and most selective at the point just before it goes into oscillation. (That's what it's doing when you hear the beats). The optimum setting of the regeneration control will change as you tune over the band. This is normal and is caused by changes in the Q or efficiency of the coil at different frequencies. When the detector is oscillating you will hear many more beats than stations you can hear when not oscillating. An oscillating detector is much more sensitive than one which is not. An oscillating detector is perfect for receiving CW (continuous wave) the name applied to sending Morse code by turning the transmitter on and off by closing and opening a telegraph key.

If you would like to attempt to listen to short wave bands on this radio, experiment with a different coil. The coil on the ferrite rod is approximately 300 micro henrys. The frequency changes as the reciprocal of the square root of the inductance. To go to 4 times the frequency you must go to 1/16 the inductance. The inductance of a coil changes approximately as the square of the number of turns. So if you want 4 times the frequency take off three fourths of the turns on the coil. Remember that with a ferrite antenna this is an irreversible process.

I would suggest that you get a mailing tube and wind your own coil around it. Use a small drop of super glue to hold the start of the coil in place while you wind it, but don't glue your fingers together. Winding a coil is not as hard as you may think and relatively painless. Don't be afraid, give it a try. Have fun.


This page last updated April 21, 2002


Home