Home


Regulated Power Supply
and Amplifier


Circuit Description.


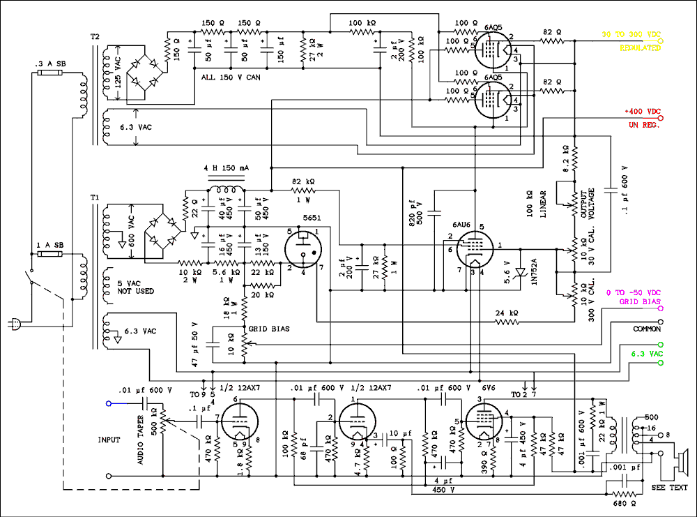
 Schematic diagram.

For a verbal description click here.

Resistors are 1/4 watt unless otherwise indicated.
Capacitors are 25 volt unless otherwise indicated.


The 600 volt winding of the main power transformer is equipped with a solid state bridge rectifier. (That's alright because this unit is designed for it). because the center tap of the winding is grounded the cathodes and anodes of the bridge will provide positive and negative voltages respectively. The positive output passes through a 22 ohm 1/4 watt resistor which serves mostly as a fuse. the voltage is then filtered by an LC Pi filter. The ripple output of this filter is only a few millivolts. This supply point (400 V @ 110 mA) goes to the amplifier, regulator and an output binding post.

The negative output of the bridge goes to an RC filter circuit which provides current for the Gas voltage regulator tube. Think of it as a retro version of a zener diode. A portion of the voltage is tapped off to a pot for an adjustable negative output voltage for use in special circuits which require external negative grid bias.

A completely separate transformer supplies a floating 150 volts DC and 12.6 (6.3 in your case) volts AC. The DC is used as the screen grid supply for the 6AQ5 pass tubes and the low voltage for their heaters. The negative side of the floating DC supply is connected to the regulated output which is only a small potential difference from the cathodes. This provides a constant screen grid supply voltage for the 6AQ5s. The heater winding is also tied to the output. If the heaters were simply grounded the tube's maximum heater to cathode voltage rating would be exceeded in normal operation. Use of a floating supply for the screen grids allows the tubes to operate as pentodes instead of as triodes with the screen tied to the plate as in many regulator circuits.

The plate load for the 6AU6 error voltage amplifier is also returned to the floating supply. This has the effect of turning the 100 k ohm plate load resistor into a constant current source thus increasing the gain and making the error smaller.

Connected to the control grid of the 6AU6 is a foreign device. What's a zener diode doing in the middle of a tube circuit. During the warm up phase the grid voltage of the 6AU6 goes about 80 volts negative and the current through the 5651 regulator tube exceeds its maximum rating. The zener diode prevents both of these things from happening.

After everything has warmed up the circuit works this way. The combination of all those resistors and pots connected from the regulated output to pin 7 of the 5651 form a voltage divider. The steady state voltage at the control grid of the 6AU6 is about -1 volt (your mileage may vary). The regulated output will be adjusted to what ever value is required to make this happen. If you change the setting of the "output voltage" pot the output voltage will change to keep the grid at -1 volt. Let's say you suddenly increase the setting of the "output voltage" control which upsets the equilibrium of the circuit. Because you increased the resistance of the rheostat connected pot the grid of the 6AU6 goes negative which decreases its plate current. This causes a decreased drop across the plate load resistance and moves the control grids of the 6AQ5s more positive which makes the cathodes follow along. The equilibrium is restored with the grid of the 6AU6 at -1 volt again and the plate current what it was before but voltage at the cathodes of the 6AQ5s at the new equilibrium value.

If the load current suddenly increases the output voltage of the supply will attempt to drop do to the increased load current. This drives the control grid of the 6AU6 more negative which causes the voltage it its plate to increase. This drives the output voltage back up to where it was before. In actual practice the circuit corrects so quickly that the change is virtually undetectable. The new equilibrium has the grids of the 6AQ5s a little more positive, not as negative with respect to the cathodes, as before to allow the tubes to pass the additional current. The drop across the two 100 k ohm resistors is a little smaller, maybe a couple of volts, than before so the 6AU6 plate current is little changed and so is the grid voltage.

The Amplifier.

The audio amplifier uses a 12AX7 and a 6V6. The input signal passes through a .01 microfarad capacitor which has a high voltage rating. You can use a 600 volt if you like but I used a 1500 volt capacitor. My reasoning is so I can use the amplifier as a signal tracer and stick its input onto a plate connection without fear of damaging anything. After the DC blocking capacitor is a 500 k ohm audio taper pot with an off/on switch on the back. This is a standard tube radio part and shouldn't be hard to find. From the wiper of the pot the signal is coupled into the grid of the first triode through a .1 100 volt capacitor. This is to keep grid current from flowing through the pot and increasing the amount of scratching noise when the pot is turned.

The cathode resistor is left unbypassed so as to decrease distortion. These are standard amplifier circuits. The signal is amplified further by the second triode and then passed to the 6V6 for power. The output transformer is a 5000 ohm to voice coil type. One out of an "All American Five" will work just fine. Mine happens to have taps for 4 ohms, 8 ohms, 16 ohms and 500 ohms. I took the feedback from the 16 ohm tap but I'm getting ahead of myself.

The RC network across the primary of the output transformer is to damp the natural resonance of the winding. The stray capacitance resonates with the inductance at a frequency which is usually above human hearing. The .001 microfarad capacitor brings this resonant frequency down into the audio band and the resistor lowers the Q below unity. The ideal value would be .707 but in general anything below one is good.

Negative feedback is taken from the 16 ohm tap on the output transformer through the voltage divider consisting of the 680 ohm and 100 ohm resistors and is capacitively coupled to the cathode of the second triode amplifier. If you are using a transformer with only a 4 ohm secondary use a 300 ohm in place of the 680 ohm resistor. The .001 microfarad capacitor across the 680 ohm resistor is to prevent oscillation at the high end.

The amplifier has a lot of gain in a small space. If you leave the input open and turn the volume up all the way it will oscillate at a frequency above audibility. The difference between this and transistor amplifiers is that these oscillations are not likely to damage the amplifier even if allowed to continue for some time. It has enough gain you can connect a magnetic phono cartridge to the input and be able to hear what's going on. It won't sound very good because there is no equalization applied. The amp produces a maximum of 2 watts at about 1.5% distortion. It isn't Hi Fi but what did you expect from a bench amplifier?

Adjustment

  1. Connect a voltmeter to the regulated output of the power supply.
  2. Turn on the unit and allow it to warm up for about a minute.
  3. Set the "Output Voltage" control to minimum and adjust the 30 V Cal for a reading of 30 volts.
  4. Set the "Output Voltage" control to maximum and adjust the 300 V Cal for a reading of 300 volts.
  5. Repeat steps 3 and 4 until the Cal pots require no more adjustment.
  6. Allow the supply to warm up for an additional 10 minutes and repeat steps 3, 4 and 5 if needed.

You will find that when you first turn the supply on it will seem to be a little out of adjustment but will return to calibration after a few minutes.

Operation.

In the version I built there are 5-way binding posts for all outputs and the amplifier input. The built-on speaker is a 4 ohm one so I soldered the high side to the 4 ohm tap on the output transformer. The common side connects to the audio output ground connection. This permits easy disconnection of the speaker so the binding posts (8 ohm output) can be used for some other purpose. There two inputs to the amplifier, one is an RCA type phono jack and the other consists of two binding posts. They are both connected to the same point so you could input a signal through the phono jack and connect a VTVM (vacuum tube voltmeter) to the binding posts to monitor the magnitude of the signal.

Although all grounds eventually go back to the main power supply the posts for ground on input and output go directly to the amplifier ground at their respective ends of the circuit. The ground post for the power supply goes directly to where it should.

Photos of the finished unit are on the first two pages of this article.

The binding posts from left to right are as follows.

Top row:

  • White: High 8 ohm audio output.
  • Green: One side of 6.3 VAC heater supply (center tap grounded).
  • Red: Unregulated +400 VDC output.
  • Yellow: Regulated +30 to +300 VDC output.
  • Blue: High side of audio input.
Bottom row:
  • Black: Low 8 ohm audio output.
  • Green: Other side of 6.3 VAC heater supply (center tap grounded)
  • Violet: Low current grid bias voltage 0 to -50 VDC.
  • Black: Common for all three DC power supplies.
  • Black: Low side of audio input.
In some types of binding posts the metal sleeve comes out to be flush with the end of the plastic tube. If you touch the end of one of these, especially the red one while simultaneously touching the chassis you could get a particularly nasty shock. If you have been in the habit of leaving the power on while you make changes to the circuit (you have been working on transistor or IC circuits) it probably won't take many jolts to break you of this habit. Just don't get yourself killed!

Specifications

Unregulated output...............Approx. 50 mV P-P ripple 400 Volts DC
@ 80 mA (110 mA if 6V6 unplugged). Regulated output...................Ripple unmeasurable 30 to 300 volts DC
@ 60 mA.
Grid Bias output....................Ripple unmeasurable 0 to -50 volts DC
@ 1 mA Unregulated.

Amplifier................................1.5% THD at 2 Watts into resistive load.

0.45% THD at 1 Watt into resistive load.
Frequency response...............50 c to 15 kc -3 dB.


Previous Page

Home

Thank you for visiting my page at Angelfire.
Please come back and visit again!

This site begun March 14, 2001

This page last updated January 17, 2002