Eliminating Ground Loops.

One of the most insidious problems in an audio system is one or more ground loops. They not only cause hum pickup, they can inject interference from electric drills, computer hardware and even AM radio stations. Eliminating them is often not a trivial procedure. Here are the causes of, and cures for, ground loops.

What Is a Ground Loop?

A ground loop is set up when there is more than one ground path between two pieces of audio equipment. The figure below shows one way this can happen.

 Diagram.

For a verbal description click here.

Figure 1. Ground loop involving line cords.

Both the preamp and power amp are equipped with 3 wire line cords and 3 prong plugs. (Note: this is almost unheard of in home audio equipment. This example is given for illustration purposes only). The green wire in each line cord is connected to the chassis of each unit. The ground prong of each plug connects to the local power ground. The two chassis' are also connected together by the shields of the audio cable. The audio cables are much longer than indicated in the diagram.

The shaded area shows the ground loop. As you can see there is a continuous loop from the preamp chassis to the power amp through the audio cable shields, from the power amp through the grounding wire of the line cord to the wall socket, and from the wall socket to the preamp chassis.

The two shields of the stereo audio cable are held so close together for most of their length that they rarely contribute any significant interference.

Another source of a ground loop does not require a three wire line cord. Suppose you have a tape deck connected to a preamp as shown below.

 Diagram.

For a verbal description click here.

Figure 2. Ground loop involving audio cables.

Every tape deck I have ever bought has come supplied with two stereo audio cables. One goes from the tape output on the preamp to the tape deck input and the other goes from the tape deck's output to the tape input on the preamp. The separation between the two creates a ground loop as shown by the shaded area in the figure above. The cables are much longer than indicated by the diagram.

Why does this cause hum and noise?

There are AC magnetic fields everywhere there are power lines. If you live in the country far from any power lines you don't have any AC fields but how do you run your stereo and computer?

Even if you were to use your own generator it, and its wiring, would cause AC magnetic fields. Anytime an AC field cuts through a loop there is a current induced. if any part of the loop has resistance which is not zero there will be a voltage drop across it. Copper wire at room temperature has nonzero resistance and so the magnetic induced current causes a voltage drop across the shields of the audio cables placing a source of hum in series with the audio signal.

What can be done?

In the case of Figure 1.

You might try grounding the two chassis' together with very heavy wire in an attempt to short out the induced voltage. The added wire will just create another loop unless you place it physically very close to the audio cable. Even if you do that all you will succeed in doing will be to reduce the volume of the hum but it will still be audible.

You might also try bringing the line cords close together and close to the audio cable but most likely all you will accomplish will be to increase the hum. You will place AC carrying conductors into close proximity with the audio cables thus inducing more hum than you are getting rid of.

The only sure way is to break the loop. Cutting the shields on the audio cable rarely works with unbalanced inputs. There will always be a potential difference between the two chassis' even though they are grounded to the power line ground. The reason is that the grounding wire gets a current induced in it because it is in such close proximity to the current carrying conductors of the line cord. If this were a real situation, the only solution would be to somehow disconnect the power line ground from one of the chassis'. This is not approved by electrical inspectors and fortunately doesn't need to be done in home stereo equipment.

Consumer grade sound components are made on the same principle as many power tools and small kitchen appliances. They are doubly insulated which eliminates the UL requirement for a third wire safety ground. Professional and semiprofessional audio gear is very likely to come with a 3 prong plug because of the more difficult environment in which it is used. Such equipment also has balanced inputs and outputs which gives an alternative method of eliminating ground loops as will be discussed below.

In the case of Figure 2.

In the case illustrated in Figure 2 the solution is to make the loop very small by bringing the two cables physically close together. When you do this here is what happens to the ground loop.

 Diagram.

For a verbal description click here."

Figure 3 Tape deck with ground loop reduced to nearly zero.

You can use short pieces of string to tie the cables together over their entire length or you can buy 4 channel cable sets. Radio Shack has these for connecting tape decks and equalizers to preamps and integrated amplifiers. Don't get confused with the three wire sets sold for stereo audio and video. These have four wires as shown in the photo below.

Photo, Cable has red, yellow, green, and black plugs on each end.

An Example.

For a time I used several pieces of audio equipment in conjunction with the sound card in my computer. All of these had unbalanced inputs and outputs. An example of an unbalanced in/out is the standard RCA plug and jack combination. This type of signal transfer is used almost exclusively in home audio equipment.

What I had in addition to the computer was a HMM (home made mixer), a MSM (MIDI sound module), a reverb unit, and a DTR (digital tape recorder). It should be noted that the DTR had (and has) both unbalanced and balanced ins and outs. Only the computer and DTR had three wire plugs. In addition to that the DTR, MSM, and reverb were mounted in a steal equipment rack.

I had a choice of "floating" the computer or the rack with the DTR in it. I decided to keep the computer grounded since it was connected to the cable TV system through a cable modem. The modem provides isolation or there would have been another giant ground loop involving the cable. I felt that best lightening protection would be afforded if the computer remained grounded.

The stuff in the rack was a problem. The ground loop involved the rack itself and the shields of the audio cable. I tried cutting the shields of the cable but that only reduced the hum without eliminating it. The solution turned out to be using pieces of plastic to insulate the chassis' of the MSM and Reverb from the rack. That reduced the hum to such a low level that it was barely audible with the volume on the monitor amp at full. That's as close as you are likely to get to eliminating the hum.

Some professional fear mongers would say that I was in mortal danger by operating a rack full of electronics without a safety ground. In fact the rack equipment was grounded to the computer which was in turn grounded to the power ground. As long as the audio cables remained connected, a fault would have blown fuses or popped circuit breakers and I would have known something was wrong. The odds of a fault occurring at the exact moment that all cables happened to be disconnected are so small as to only be of interest to professional worriers.

Balanced Inputs and Outputs.

The only practical and safe solution to ground loops is to use equipment with balanced in/out. Home audio equipment "gets away with" using unbalanced in/out because it never uses three wire power cords. I am beginning to hear from people about home theatre systems that are used in combination with cable and/or satellite systems which are running into ground loop problems. It probably won't be too long before high end systems will be using balanced audio lines. What are Balanced Inputs and Outputs? In a balanced output the signal comes out with equal voltage on two wires. The voltages are not in the same phase. When one wire goes positive the other is going negative and vice versa. On a balanced input the signals applied to the two lines must be out of phase in this same way. If two signals of the same voltage and in phase are applied to the two wires of a balanced input It will be the same as if there is no input at all. This is called cancellation. The hum is always in phase on the two wires and so it gets cancelled out while the signal is not.

If an unbalanced output is connected to a balanced input it will work but it needs to be wired in a special way to get cancellation of the unwanted hum. More about this later.

In a balanced system the equipment is always grounded to the power line and often is in an equipment rack which ensures that it all gets grounded through the chassis'. If there are multiple racks you must make sure that all racks are bonded together.

The audio cable that is used to connect everything together is called two conductor shielded. It actually has three conductors. One is the shield which surrounds the other two which are twisted together. The twisting tends to cancel magnetically induced currents which are not effected by the copper wire that makes up the shield. The two signal carrying wires are connected to the two balanced output connections and to the two signal inputs at the other end. The shield is only connected at one end usually where the wire connects to the output. The shield is not involved with carrying signal currents, unlike the unbalanced lines, but serves only as a shield against electro static fields.

In general two types of connectors are used in balanced systems. They are called XLR and TRS. XLR connectors are usually used on microphones. They have Three pins in a triangular configuration. TRS stands for tip, ring, and sleeve. They are the standard one quarter inch phone plugs that you are accustomed to finding on stereo headphones. The tip and ring instead of carrying left and right channels carry the two balanced signal lines. The sleeve of the plug connects to the shield of the cable but only at one end.

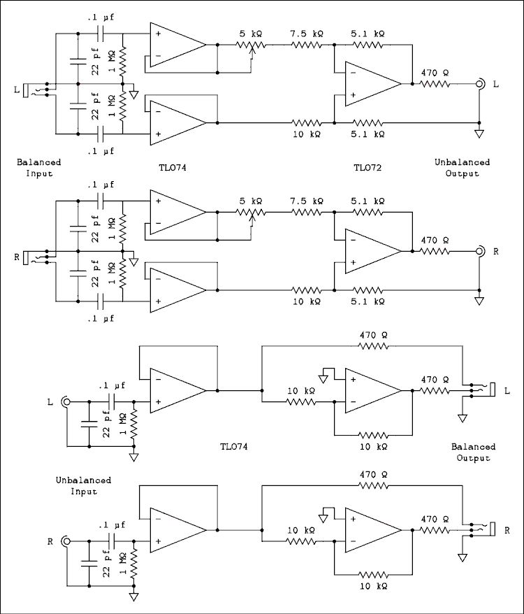
I am no longer using the floating rack system. I bought a mixer which had a built in reverb unit eliminating the need for the one which did not have balanced ins and outs. The DTR used a special plug for balanced in/out so I had to buy a cable for it. I made up the rest of the cables. Then I constructed a balanced to unbalanced and unbalanced to balanced converter to interface the whole thing to my computer sound card. The schematic is shown below.

 Schematic diagram.

For a verbal description click here.

Figure 4 Balanced/Unbalanced Converter.

Adjustment without test instruments.

Connect a source such as a portable CD player into the balanced input with a monaural signal applied to the tip and ring and the ground to the sleeve. Connect the unbalanced output to the input of an amplifier. Do not overdrive the balanced input. Turn the volume on the amplifier up high. adjust the trimming pot for minimum or zero sound in the amplifier. Repeat for the other channel.

Adjustment with test instruments.

Connect the output of an audio oscillator to both tip and ring inputs of the balanced input and the ground to the sleeve. Set the oscillator's output to 1 volt and its frequency to 1000 cycles per second. Connect an AC VTVM or oscilloscope to the output and set the range switch as low as you can without the pointer or screen display going off scale. Adjust the trimming pot for minimum reading. Turn the range switch down to 1 millivolt and fine tune the adjustment.

The converter operates from a wall transformer so is not grounded to the power line ground. It is grounded to the computer through the unbalanced lines that connect between the converter box and sound card. That is it's only ground. The balanced lines go from the converter box output to the mixer input and from the mixer output to the converter box input.

The monitor amplifier is a conventional consumer grade integrated stereo unit. One of it's inputs comes from the tape output (unbalanced) on the mixer. Another input comes from the computer's sound card output. The shields had to be cut on this line to avoid forming a ground loop. An output can feed more than one input.

Connecting the MIDI sound module.

The MIDI sound module had only an unbalanced output and so had to be wired in a special way to cancel hum. It's all in how the cable is wired as shown below.

 Schematic.

For a verbal description click here.

Figure 5 Hum canceling for unbalanced output.

The module has 1/4 inch output jacks so I used a mono 1/4 inch plug. At the TRS end the cable is wired in the normal way. At the other end the shield is not connected. The wire from the ring goes to the sleeve. The wire from the tip goes to the tip. This assumes that there is another ground path for the sound module. In my case it is the equipment rack in which the sound module and other equipment is mounted. The equipment in the rack is no longer insulated from it.

This connection places the chassis of the sound module on the low side of the balanced input. Any hum voltage that is on the chassis gets fed to the low side of the input. The tip of the sound module jack is the high side of both input and output. The audio signal from the module along with the hum that is on the chassis is fed to the high side of the balanced input of the mixer. The hum is the same on both input lines and so gets canceled out. The audio signal is on only one line and is not canceled. The mixer gets the audio and cancels the hum.

Cable Connections.

I recently brought in a VHS hi-fi tape machine which I mainly use for transferring material from the main stereo, in the living room, to the computer. hi-fi video is almost as good as CD and definitely better than FM. I have used it to store music only programs. There is a cable outlet in this room so I decided to hook it up just to have the capability of recording from TV if I wanted to. GROUND LOOP! This was my excuse to try something I have been thinking about for some time. I took two of those 300 ohm to 75 ohm transformers and installed them in an aluminum box. The coaxial connectors were made available on the outside of the box. Here's a very important part. Only one of the connector's shields must be bonded to the box. The other one MUST be insulated from the box. Then use two 220 pf capacitors to connect the two 300 ohm points together. This breaks the ground loop created by connection to the cable system but does not degrade the picture, at least on an analog TV signal.

Conclusion.

Ground loops can be a real headache and they can sometimes crop up with no warning. To get rid of them you may have to resort to trial and error, especially in an unbalanced system. If you are building your own hi-fi equipment you don't necessarily have to use balanced inputs and outputs. Just be sure to isolate the power line from the chassis so it will be safe to use a 2 wire line cord and leave everything ungrounded.

Ground only one chassis to the cable ground and keep the inter connecting cables tied together to keep the loops small. If you have three chassis' with audio connections that form a triangle you are going to have to cut some shields on one set of audio cables. Try the cable with the cut shields in each of the three positions to find which placement gives the least amount of hum.

If you have a home recording studio, obtain, or make, the proper XLR or TRS patch cables and keep everything grounded as the manufacturer intended.


Home

This site begun March 14, 2001

This page last updated July 3, 2007.