Home


Winding Coils

RF Interstage Coil

This coil is needed in the two-tube TRF and the deluxe superheterodyne radios.. It has two separate windings.

Here are the steps for winding the RF Interstage coil.

  1. Cut 3 - 1/2 inches of the mailing tube. A hacksaw is recommended
    but any fine toothed saw will do the job. Don't waste your time and
    effort on scissors or knives. You'll likely break the scissors and it's
    almost a certainty that you will cut yourself with a knife. The material
    is too tough for these tools and even if you do succeed in using them
    the cut end of the mailing tube will look extremely ragged and you will
    be ashamed to show it to friends.

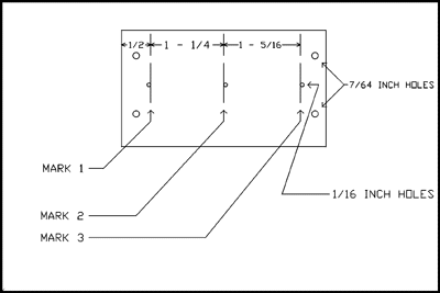
  2. Use a pencil or pen to mark off the cut piece of mailing tube as follows.

    1. Mark 1, 1/2 inch from one end.
    2. Mark 2, 1 - 1/4 inch from mark 1.
    3. Mark 3, 1 - 5/16 inch from mark 2.

  3. Use a 1/16 inch drill bit to make holes in the mailing tube near each
    mark. The hole at mark 1 should be just a little to the end of the
    mailing tube so the edge of the hole is on the mark. The holes at
    mark 2 and mark 3 should also be on the outside end of the mark
    as shown in the drawing.

    Drawing showing placement of marks and holes.

  4. Now mark two points for drilling holes spaced about 1/3 to 1/4 of
    the circumference of the tube apart. These holes should be half way
    between mark 3 and the end of the tube. Mark two more holes at
    the other end of the tube half way between the end of the tube and
    mark 1. Drill these holes with a 7/64 bit. Space them so the row
    of 1/16 holes is in between the two sets of 7/64 holes.

  5. Now wrap the coil form (mailing tube) with Double Stick Scotch
    Tape. Be as careful as you can not to leave any wrinkles or bulges
    in the tape. If you don't do a perfect job it's not the end of the world.
    Don't cover up the 7/64 inch holes.

  6. Use the drill or a small nail to punch through the
    tape at each 1/16 inch hole.

  7. Now you are ready to start the first winding. Use the Green wire
    which is 26 gauge. There is enough to make two coils
    with 5 feet to spare.

  8. Remove the plastic from the spool of green wire and place it over
    something that will allow it to turn while holding it in place. I used
    a small screwdriver clamped in a small vise.

  9. Push one end of the wire through the hole at mark 2 from the outside.
    Pull 3 or 4 inches of wire through on the inside of the tube.

  10. Hold the wire on the inside of the tube and begin the first turn.
    This winding will end at mark 1. The sticky tape will hold the wire
    in place and after about half a turn you won't need to hold the wire
    inside the tube any more. Tuck the end of the
    wire inside to keep it out of your way.

  11. Wind the turns so each turn is touching the previous one. This will
    not cause a short circuit because the wire is coated with insulating enamel.

  12. Wind 66 turns. This will give an inductance of 250 microhenrys.
    The picture below shows how to setup for winding the coil.

    Place the spool over a screwdriver which is clamped in a small vise.  Hold the coil form and rotate it about it's axis.

    DON'T WIND THE COIL BY HOLDING THE FORM STILL
    AND MOVING YOUR HAND AROUND AND AROUND THE
    COIL FORM. When you do this every turn puts a twist in the wire.
    After a while the wire will start to kink and then get into a hopeless
    tangle. Roll the cylinder (mailing tube) around in your hand like
    the take up spool on a real to real tape recorder. (Rotate the coil
    form [mailing tube] around its axis.)

  13. The Double Stick tape makes it possible to set the coil down in
    mid winding and come back to it later. It won't unwind while you
    take out the garbage or answer the telephone. But if your 2-year
    old grandchild gets a hold of it all promises are cancelled.

    Partially wound coil sitting on work bench with slack wire visible running between the spool and the coil form.

  14. When you have wound 66 turns the last turn should be very
    close to the hole at mark 1. Cut the wire about 4 inches past the
    point where the last turn comes to the hole. Then pass the end
    of the wire through to the inside of the tube and pull it tight.
    The sticky tape will hold it in place.

  15. Now look at the other two spools of wire which came in the
    package. One is finer than the green wire and the other one is
    heavier. Open the one which is finer and red in color.

  16. Push about 3 inches of the wire through the hole at mark 2,
    the same one where the end of the green coil goes to the inside
    of the coil form. (Mailing tube.)

  17. Hold the end inside the tube and start winding in the direction
    as if this coil were a continuation of the green coil. THIS
    IS VERY IMPORTANT!
    The new coil MUST go as if it is a continuation of the green coil.

  18. Don't count turns just wind the coil until it comes to the hole
    at mark 3. Cut the wire then push the end into the hole
    at mark 3 and pull it tight on the inside.

  19. Now get 4 4-40 x 1/4 machine screws, 4 4-40 nuts and 8
    number 4 solder lugs. The screws and nuts are available at any
    hardware store worthy of the name. For the solder lugs you
    may have to go to an electronics supply store either brick and
    mortar or on line.

  20. Mount a solder lug on the inside and outside of the tube at
    all 4 holes.

  21. On the outside point the lugs at right angles to the axis
    of the tube and on the inside point the lugs inwards away
    from the nearest end.

  22. Tighten all screws.

  23. You now have 4 wires coming through the tube to
    the inside and 4 solder lugs on the inside to solder them to.

  24. To prepare the end of a wire to be soldered to a lug do the following.

    1. Pull the end of the wire to the lug where you want it to go.

    2. Leave quite a bit of slack in case you break the wire before you solder it.

    3. Cut off the excess and bring the end of the wire out of the end
      of the tube so you can get at it.

    4. Tare off a small piece of sand paper about 1 inch by 1/2 inch.
      Fold it in the middle of the long dimension with the sand on the inside.

    5. Place the end of the wire inside the sand paper, pinch it
      between thumb and for-finger and pull it along the wire to
      its end. Work on the green wire first. You will see the
      green enamel come off and the copper wire underneath
      will be revealed. Work around the wire until there is a
      bright copper area at the end of the wire.

    6. Handle the fine red wire with care. It can easily be broken.

    7. Pass the end of the wire through a hole in a solder lug on the
      inside of the tube, wrap it around and solder it in place.

    8. Do this for all 4 wires.

  25. The picture shows the solder lugs.

    Photo of the finished RF coil showing solder lugs and both windings.

  26. Now solder lengths of colored insulated hookup wire to
    the lugs on the coil form as follows.

    1. Yellow wire to the end of the green coil
      coming through hole at mark 2.

    2. Green wire to the end of the green coil
      coming through hole at mark 1.

    3. Red wire to the end of the red coil
      coming through hole at mark 2.

    4. Blue wire to the end of the red coil
      coming through hole at mark 3.

This completes the RF Interstage coil. Now, that didn't hurt a bit did it!

The colors for the wires were not selected on a personal whim. Traditionally in tube equipment certain wire colors have been associated with certain functions. B+ or plate supply wires are red, wires from plate coils to the plate of a tube are blue, wires from grid coils to the grid are green, and wires to the opposite end of grid coils are yellow. These last may supply grid bias or AGC/AVC (Automatic Gain Control/Automatic Volume Control).

Use your back button to return to where you were before.

Home

This page last updated May 18, 2002