A Dedicated Headphone Amplifier.

Schematic diagram and circuit description.

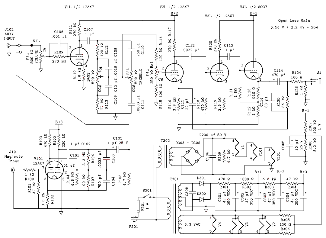
There is a method in the way parts are numbered. Numbers from 1 to 9 are parts used in both channels such as V4, the output tube. Parts in the left hand channel have numbers between 101 and 199. Parts in the right channel have numbers from 201 to 299. Parts in the power supply have numbers from 301 to 399.

The schematic below does not show the right channel. The only differences which require notation are the balance control and the output jack J1. In the left channel R114 connects to the CCW (counter clockwise) end of the balance control while the CW (clockwise) end goes to R115. In the right channel R214 connects to the CW end of the balance control while the CCW end goes to R215.

On the output jack, J1, the junction of R124 and R126 connects to the tip contact while in the right channel the junction of R224 and R226 goes to the ring contact.


 Schematic diagram.

For a verbal description click here.

Phono Preamp.

The magnetic phono preamp uses a 12AX7. The RC network from the plate of the second stage back to the cathode of the first provides the RIAA equalization for magnetic cartridges playing LP records. C102 blocks the DC on the plate from being fed into this network. There is a small DC voltage on the cathode and if C105 were to be omitted this voltage would be present at the output. This would cause a pop when the selector switch was changed from Aux. to Phono. The capacitor blocks the DC and R108 makes sure that the capacitor gets charged even when phono is not selected. This guarantees that the voltage is zero at the output and there won't be any pops.

Volume, Tone, and Balance.

After the phono preamp one channel uses only one section of each tube and the other channel uses the other section. The volume control works in the normal manner. R109 is to reduce the effect of grid current noise in the pot. C106 is to make sure that high frequencies are not lost across the resistor due to the input capacitance of the tube.

The tone controls are passive meaning that they are not connected in the feedback path of an amplifier stage. A passive network cannot give any boost. All it can do is cut. The entire audio spectrum is cut by a factor of 10 and the bass and treble are "boosted" by cutting them less. The circuit uses audio taper pots which cut the output to 10% of the input when set to one half rotation. (Flat position.) The amplifier stage of V1 between the volume and tone controls has a gain of a little more than 20 so it a little more than makes up for the cut in the tone control circuit.

The tone controls work as follows. Capacitors C108 and C109 effectively short out the bass control at high frequencies making this control ineffective there. At very low frequencies these capacitors are effectively out of the circuit allowing the bass pot to set the level of the voltage. At the in between frequencies the ratio of roughly 10 to 1 of these two capacitors Sets the voltage but the pot can have some effect on it.

On the treble side C110 and C111 take the pot out of action at low frequencies. At high frequencies the pot is very much in action and controls the voltage. At the in between frequencies the voltage is set by the components over on the bass side but the treble pot can have some effect.

The balance control is not the type used in commercial amplifiers but I like it much better. Commercial amplifiers use a special pot that gives no attenuation for the first half of rotation and puts it all into the other half. The left and right parts have the action reversed. As long as everything is centered all is fine. Suppose the right channel is very weak placing the sound to the left. You crank the balance control to the right to bring it to the center. But that doesn't bring up the weak right channel; it brings the left channel down. Now you have to crank up the volume control to make up for that. This is not a constant volume pan.

The balance control I am using is not exactly constant volume pan but it comes quite close. It employs a linear pot. When you use a linear pot to control the volume most of the effect is in the last 25% of rotation but for a balance control you don't, for the most part, need that last 25%. For near constant volume pan you do need to be able to go up from center. To make it work there are fixed resistors which are about half the value of the pot above and below it. The center of rotation is 6 dB and the maximum and minimum attenuations for the values used here are 12.2 and 2.4 dB respectively. That gives a maximum offset of 9.8 dB. If a system has an imbalance greater than this, or even approaching it, something needs to be repaired. I think you'll really like the sound of this balance control especially when heard on headphones.

After the balance control the main feedback loop can begin. In order to bring negative feedback to the cathode of a stage, which is the best way of doing it in audio amps, the total phase shift from input grid to output must be zero degrees. When an output transformer is being used that doesn't present any special problem. If the phase isn't right just reverse the leads on one of the windings. With no transformer the natural phase shift of the stages has to be right. The cathode follower has no phase shift so there must be two common cathode stages before it. Two stages of 12AX7 would actually give too much gain. Leaving the cathode resistors unbypassed reduces the overall gain to a reasonable value. Unbypassed cathode resistors give the additional bonus of introducing local feedback and lowering distortion. That's why I used 12AX7s instead of a lower gain tube. The cathode follower has some attenuation because of its low resistance load so the combined gain of all three stages is about 250. When negative feedback is applied this becomes 9.8.

Having all of those RC high pass networks inside the feedback loop presented a stability problem. There are 4 in total. To keep the amplifier from becoming a low frequency oscillator one RC network must have a cutoff frequency much higher than all the others. That's the reason for the .0022 microfarad cap between V2 and V3. If you were to substitute a .1 microfarad you would have a low frequency oscillator instead of an amplifier.

The cathode follower circuit is known as a modified cathode follower. Tapping the grid resistor up on the cathode resistor gives it a larger voltage swing capability which means that small voltage swings will be more linear and contain less distortion. The distortion of this amplifier is too small to measure with my equipment.

The power supply

The plate supply is derived from a 500 volt center tapped winding on T301. The full wave center tapped rectifier circuit delivers about 350 volts under no load conditions. R301 increases the charging resistance for C301 and the saw tooth wave you are accustomed to seeing across the first filter cap becomes more like an asymmetrical triangular wave. It also has a lower amplitude which means that R301 is part of the filtering. R302 and C302 reduce the ripple to much less than one volt and each succeeding RC section reduces the ripple to about 1 microvolt across C304. The changes in plate current of V4 can and do cause changes in the B+ voltage. If these changes are fed back to earlier stages oscillation can result. The quite large value of R304 is necessary to keep the amplifier from oscillating when phono is selected and volume and bass controls are set at full.

The AC heater supply is taken from the 6.3 volt winding of T301. R305 and R306 balance the AC heater wiring to ground which helps to cancel the electric fields from the wiring. Twisting the wires together helps to cancel both electric and magnetic fields. In addition to that the network consisting of R307, R308, and C305 holds the heaters about 20 volts above ground. This places the heaters more positive than the cathodes and prevents any possible diode action of electrons flowing from the heater to the cathode. The resistor network also serves as a bleeder resistor to discharge the power supply capacitors after the power has been turned off.

The DC heater supply powers the magnetic phono preamp tubes and the first tube, V1, in the main amplifier. It uses a simple bridge rectifier and capacitor filter. The output of the bridge rectifier is filtered by C306. R309 will discharge C306 after the power is turned off. This will only be needed if one of the heaters in V1, V101, or V201, burns out or one of the tubes is removed from its socket.


Schematic diagram and circuit description.
Parts list and where to buy them.
Construction details.


A heart in love with the beauty
of glowing tubes never grows old.


Home


This page last updated December 1, 2008.