An Inexpensive Line Voltage Changer.

IMPORTANT.

VERY IMPORTANT.

EXTREMELY IMPORTANT.

READ THIS.

REMEMBER THIS.

UNDERSTAND THIS.

THIS IS NOT A LINE ISOLATION CIRCUIT.


The Problem.

So - you've got this old piece of electronic gear that was made when the line voltage was 110 volts. You're concerned that operating it from the present day nominal 120 to 125 volt line will do it damage. Well, it just might. Some would say "just buy a variac. But what if you really can't afford one. Or, more likely, you do have one that you use regularly on your bench and you don't want to dedicate it to a specific project.

In addition buying a variac for each antique radio you own could get expensive. Of course you could always make a special circuit for powering antiques and use only one variac. That might be a viable solution but There's always the problem of how to keep it out of sight. High current variacs are rather large.

The Solution.

A small and inexpensive filament transformer can be wired to make small changes in the line voltage. Here's how it's done.

Schematic diagram.

For a verbal description click here.

The dots mean the voltage at these ends of the windings are in phase with each other with respect to the other end of each winding. More about this later.

To understand how this works lets take a snapshot at a particular point in time. The peak of the line voltage is 172.5 volts. That's an inconvenient value. Instead lets take the picture when the line voltage is at 122 volts. At that point the voltage across the secondary is 12.6 volts. Let's ignore the 0.6 and call it 12 volts. The figure below shows the connection using batteries to represent the AC voltages at the instant we took the snapshot.

Schematic diagram.

For a verbal description click here.

The 122 volt battery represents the AC line voltage at this instant. The 12 volt battery represents the transformer secondary voltage at the same instant. The 12 volt battery is in such a polarity as to subtract voltage from the 122 volt battery. The output voltage is 110 volts.

The AC voltage of the secondary is out of phase with the line voltage. It will always subtract from the line voltage regardless of where the AC is in its cycle. The end result is that the voltage is reduced by 12 volts, or actually 12.6 volts, but let's not quibble over 6/10 of a volt.

Connecting it up.

This is a 4 amp transformer which means that the maximum load is 4 amps. To make one with higher current, use a higher current transformer.

The transformer you buy won't have dots on it. The only way to figure out how to connect the leads is trial and error. It isn't rocket science. Just connect the circuit as shown and measure the line voltage and then the output voltage. If the output voltage is 12 volts higher than the line voltage reverse either the secondary, or the primary, but not both. If the output voltage is 12 volts lower than the line voltage, that's what you want. Mark the leads with tape so you can get it right when you build it into a permanent box.

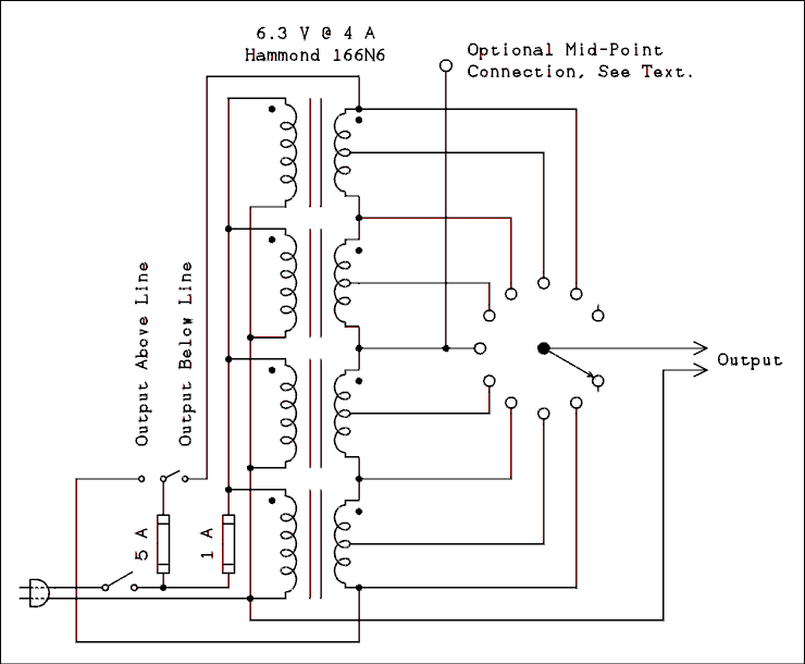
Poor Man's Variac.

Schematic diagram.

For a verbal description click here.

This circuit will give voltages from 25 volts below line to 25 volts above line in 3 volt steps. That's probably about all anyone needs. At this writing each transformer costs about 12 dollars. Add another 5 to 15 bucks for switches, fuse holders, and enclosure. How much you have to spend will depend on what you may have in your junk box.

Of course you can change the number of transformers, their voltage, and current rating to suit your individual needs. If you would rather have a variable source that goes above and below line without throwing an extra switch, you could eliminate the "Output Above Line/Output Below Line" switch and connect the top end of the 5 amp fuse to the "Optional Mid-Point Connection".

This is a project that can be infinitely varied by the builder. If you use transformers with a different current rating, don't forget to change the 5 amp fuse. Make it about 20 percent higher than the maximum secondary current of the transformers. The 1 amp fuse will need to be similarly scaled up or down.


Take me back home.


This page last updated August 25, 2008.