HOME.


Designing and Building
Audio Amplifiers.

Practical Tone Control Circuits.


ATTENTION!
ATTENTION!
ATTENTION!

CIRCUIT RECALL DUE TO A FLAW.

If you accessed this page prior to March 8, 2022 and built or planned to build one of the circuits into a preamp there may be trouble ahead. A flaw in the circuit design surfaced on the above date. If you accessed this page after March 10, 2022 the circuits have undergone some additional testing and most of them are safe to use. Ones that I could not render safe continue to be posted for historical interest and are clearly labeled DO NOT USE.

The problem was caused by allowing B+ voltage to appear on the tone pots. In addition to the expected safety hazard the circuit produced a large pulse of voltage when the bass control was rotated. This could damage the power amplifier in the system although some amplifiers do have protection circuitry built in. But I don't recommend taking chances with an expensive amplifier or even a cheap one. DC blocking capacitors have been added where they should have been in the first place. The simulated circuit has been scanned down to 0.01 Hz to check for infrasonic peaks. Take the output from the point shown in the schematic. If you take it directly from the cathode follower output there will be some serious low frequency peaks in the frequency response.


New material has been added to this page. It is distinguished by red text.

I have lately found that there is a lot of interest in tone control circuits. It's beginning to seem as if 2/3 of the earth's surface is covered by water and the remaining 1/3 is covered with diagrams of tone controls. Although I have covered this topic under the heading of "Audio Amplifiers, How they Work" the circuits on that page are not intended to be duplicated by the reader and there is virtually no information on how and where to insert them into an amplifier. This page will attempt to rectify that situation.

Powering Your Tone Control.
The recall notice does not apply to this section or any of the schematics in it.

Before we get to the tone controls themselves a question arises "how to power the electronics in a tone control circuit?" I often receive emailed questions on this subject. I have concluded that it is advisable to include a power supply schematic on this page.

There are alternatives to building a standalone power supply. The current required is small ranging from 1 mA for the least to 7 mA for the maximum at a voltage of 250 volts DC. The ac requirement is 6.3 volts at 600 mA at most. A few power amplifiers have auxiliary power sockets for just this purpose. If the DC voltage is not right don't worry. As someone once said, tubes are forgiving. The circuits are specified to need 250 volts but they can operate anywhere from 200 to 350 volts and in some cases they will do just fine on 150 volts. (Note: Remember this when looking for a transformer for one of the circuits below.)

Failing an auxiliary power socket you can also go into a power amplifier or preamplifier and steal a small amount of power. Because power amplifiers have power to spare you are not very likely to cause an overload by obtaining power from this source. This may not be true for a preamplifier which itself may not need very much power. In any case you should not try this unless you know what you are doing.

So, you don't feel competent to modify your power amplifier. Or you fear a modification might reduce its resale value. In any case you have decided to build a power supply for the tone control circuit. Let's begin with the schematic.

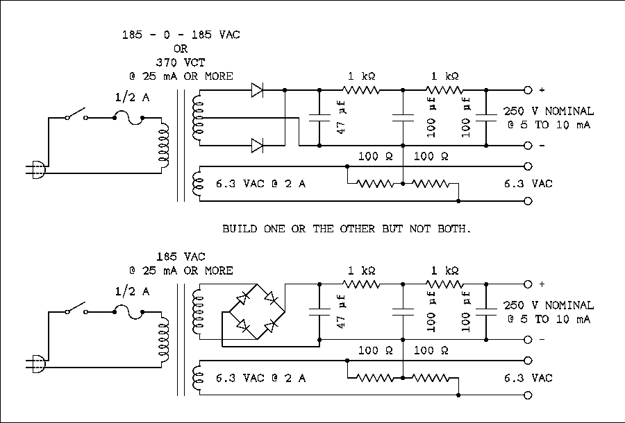
 Schematic diagram.

Figure 1 Schematic Diagram of Two Possible Power Supplies.

For a verbal description click here.

Component Ratings.

The two 1 k ohm resistors are 1 watt. The two 100 ohm resistors are 1/2 watt. If your transformer comes with a center tap on the 6.3 volt secondary you may omit the two 100 ohm resistors and connect the center tap to the minus high voltage. All three capacitors have a voltage rating of 350 volts. You could use 450 volt capacitors if you have them on hand. These values are sufficient to reduce hum to inaudible levels and I recommend against going higher. The diodes are 1000 volt 1 amp such as the 1N4007. You probably won't be able to find 25 mA transformers so don't worry about going higher. The voltage may be hard to find depending on where you buy transformers. It's ok to go 35 volts lower or 70 volts higher. If you go higher on the voltage you should definitely use 450 volt capacitors.

Construction.

If you are going to build the tone controls and power supply on the same chassis be sure to place the transformer and primary wiring as far away from the amplifiers as possible. Also build some shielding into the chassis. If you are planning to build an entire preamplifier and switcher the power supply can cause real problems. In the past I have built Heathkits in which the power supply section was encased in a steel box for magnetic shielding as well as electrostatic. Because aluminum is not magnetic it will not shield against magnetic fields.

The safest thing to do is to build the power supply on a separate chassis from the tone control circuit, (or complete preamp). Then place them at least a foot apart in your audio rack.

Inserting a tone control between preamp and power amp.
The recall notice does not apply to figures 2 and 3.

Do you want a totally passive circuit to connect between an existing setup that is made up of a preamp and a stereo power amplifier or two monoblock amplifiers? Someone who wants to do this likely doesn't want any tubes in the tone control, just a little box with 2 or 4 knobs on it to control the tone.

The major drawback of doing this is that a passive circuit can't bring about boost of a wide band of frequencies as is required for bass and treble boost. The apparent boost is accomplished by cutting the entire audio band by 20 dB and then cutting it less than that to obtain a "boost". The circuit which does this is called the Baxandall after its inventor. Whenever this tone control circuit is inserted into an existing system the insertion loss must not harm its performance.

Many power amplifiers have lots of sensitivity. One I have heard of needs only 0.15 volts to drive it to full power. However, even if yours is specified to require 1 volt for full power you still will have plenty of gain left over. Who plays their amplifiers at full power? Kids in cars do but at home the adults I know have greater regard for the health of their inner ears than to do that.

Most preamps are designed very conservatively to drive a long shielded cable. To give it that capability the output impedance is quite low so it can drive a relatively low impedance circuit. Knowing that we are going to connect the tone control box to the power amp with shielded cable we must give the tone control circuit a low enough impedance so the highs won't be rolled off by the cable capacitance. Figure 2 is one channel of a circuit. The other channel looks exactly like it. The pots may be ganged or separate according to builder's taste.

 Schematic diagram.

Figure 2 Passive Tone Control for Insertion
Between Preamp and Power Amp.

For a verbal description click here.

 Graph.

Figure 3 Frequency Response of Circuit as Shown.

For a verbal description click here.

If you remember this circuit from other applications or versions of this page you will notice the addition of two resistors. These will ensure that the treble cut will shelve instead of falling out of sight. It may be argued that it really doesn't make any difference since it all happens above 15 kHz. Some people might want to bring the break points of the treble control down to a lower frequency. If this is done, shelving could become important. To lower the treble frequencies increase the values of the capacitors above and below the treble pot. Remember to keep them in a 10 to 1 ratio.

If you find that the bass and treble boost and cut are indeed more than you need you could increase the input impedance by increasing the four fixed resistors that are above and below the bass pot and above and below the treble pot. Make the 10 k a 22 k and the 1 k a 2.2 k ohm. This will reduce the bass boost and cut by 6 dB but it will raise the input impedance to 24 k ohms.

At low frequencies where the value of the output coupling capacitor may become important the tone control will present a higher impedance load because the reactance of the two capacitors across the bass control has increased. The 0.018 micro farad capacitor has a reactance of 177 k ohms at 50 Hz. The impedance will decrease some as the bass is boosted.

The simulation was run with a capacitive load of 105 pF which would be the approximate capacitance of a 3 foot shielded cable.

Revisions to this Page.

Those who are familiar with this page will notice that most of it has changed. Pointless circuits such as the hypothetical 10 band equalizer have been dropped. I don't think it would work anyway. I am now using LT Spice as the simulator which has better graphs than the student version of Microcap which was a seriously crippled version of the full and very expensive version. LT Spice is free. I have moved the prolonged discussion of preamp design to a page of its own. I have performed several design tweaks on the Brimar circuit which moved it from being rejected to the preferred circuit. The goodies you remember such as the simple two band and good 3 band are still here. By reducing the number of circuits considered I can devote more space to each circuit showing its strong and weak points. So much has changed the entire rest of the page would be in red if I were to stay with that convention. To save you from eyestrain I will return to black for the remainder of the text on this page.

Active Tone Controls.
There are no problems with figure 4.1 and any of its derivative graphs.

Now we are up to active tone controls. They are defined as needing an amplifier to work properly. They also use linear controls. The advantage of linear controls is they always have half resistance at half rotation. Some audio taper controls do not have 10% resistance at half rotation. With active controls it is easier to be sure that setting the controls to center of rotation will give tone flat. It is still the basic Baxandall circuit but it is in the feedback loop of an amplifier. Transistor designers jumped on this one early on because gain is so easy to come by in a small space as compared to tubes. It is doable with tubes but is likely to require anywhere from 1 to 3 dual triodes for a stereo amplifier. Many people might say that the improved symmetry of response curves is worth it. I would be inclined to agree.

It should be noted that when a passive tone circuit is inserted into a preamp or integrated amplifier it will require 1 dual triode to make up the 20 dB insertion loss.

Putting the Baxandall Inside a Feedback Loop.

The curves of the open loop Baxandall circuit may seem a little less than perfect. I would be the first to grant that it probably would be impossible to hear the difference. However, I am somewhat of a perfectionist so I would rather use a tone control that behaved better than the passive circuits shown above. The discussion to follow will make clear that if we put the passive circuit inside the local feedback loop of an amplifier stage it will give curves that look much better.

The Principle of an Inverting Amplifier.

IMPORTANT TO THE DISCUSSION BELOW IS THE ASSUMPTION THAT THE GAIN OF THE AMPLIFIER IS VERY HIGH, TYPICALLY 100,000. When the gain is low, say 200, the results are altered somewhat. The usability of a circuit containing such a low gain amplifier depends on the circuit and the particular application.

To understand how an active tone control works we must digress a little to study inverting amplifiers. The inverting amplifier has several unique features but the one that is important to us is the ability to employ feedback to set it to less than unity gain. The noninverting amplifier can be set to unity by strapping the output to the inverting input. The gain can't be set any lower than that. The inverting amplifier, in Figure 4.1 (a) below, does not have this limitation.

 Schematic diagram.

Figure 4.1 (A) Showing How Feedback Sets Gain.
      (B) Showing Tone Control in Feedback Loop.

For a verbal description click here.

In the circuit of Figure 4.1 (a) , a generalized amplifier has feedback applied from output to inverting input through R2. The input signal is applied through R1. If the gain of the amplifier is large the voltage from the inverting input to ground will be small. That means the currents through R1 and R2 are set mainly by the magnitude of the input and output voltages. If the input impedance of the amplifier is large the current flowing through the input terminal will be very small. Thus we can say that the current in R1 is the same as the current in R2. We can write the equations,

VIN = I1 x R1     and     VOUT = I2 x R2

But,

I1 = I2

Because the currents in R1 and R2 are equal and in the same direction and VIN is on the left end of R1 and VOUT is on the right end of R2 the input and output voltages have to be of opposite signs. To put it another way, in passive components such as resistors the current flows in at the positive end and out at the negative end.

Let's try some simple logic on that one. Now, we must be sure to say exactly what we mean and mean exactly what we say. In part A of Figure 4.1 above, the term input refers to the left end of R1. Output refers to the right end of R2 which is also the amplifier output. Inverting input refers to the point where R1 and R2 connect to the amplifier. Remember that the voltage at the inverting input of the amplifier is very small. Let's call it zero for the sake of argument. If you place a positive voltage on the input the only way to get zero at the inverting input is for the output to be negative. The inverting input is a tube grid so it is an open circuit. You can't have both ends of the resistor string be negative and have the middle be zero. They must always be opposites. Now, if the input signal is AC the output will be AC of the opposite phase. And that, Virginia, is why it's called an inverting amplifier.

We are going to solve the two equations above for I, since they are equal, and set them equal to each other. To do that correctly we must remember the sign convention for current flowing into and out of a node. The node in question is where R1 joins R2. At a node the usual convention is, current flowing in is positive and current flowing out is negative. Since the left end of R1 is positive, the current I1 is flowing to the right in R1. The current I2in R2 is also flowing to the right. To correctly write the Kirchhoff's current equation we must write,

I1 = - I2.

Now if we solve both equations for the current and substitute them into the above equation we have,

VIN / R1 = -VOUT / R2

Rearranging gives,

VOUT / VIN = -R2 / R1

Of course VOUT / VIN is the gain. If R2 is larger than R1 the gain will be greater than unity. If R2 is less than R1 the magnitude of the gain will be less than unity.

One more little fact about an inverting amplifier is that the inverting input acts like a low impedance point. If the gain of the amplifier is very high, say one million, the input will act like a dead short to ground. The reason for this is, whatever the input voltage does the output voltage will be adjusted to the opposite sign and the necessary magnitude to keep the inverting input at zero. There is current flowing but no, or very little, voltage and that spells low impedance. In practical operational amplifiers the inverting input point, or summing node, is often referred to as a virtual ground. For more information on the subject of feedback amplifiers refer to Chapters 5 and 6 of my textbook Electronics for Non-Engineers. The book is on another web site so use your back button to return here.

Now look at the schematic of Figure 4.1 (b) above, in which the Baxandall circuit has taken the place of R1 and R2. Strange as it may seem there is virtually no current flowing in the 15 k ohm resistor or the 6.8 k ohm resistor.* Looking back at part A, the current due to signal is flowing through R1 and R2. There is essentially no current flowing in the vertical line connecting the junction of the two resistors to the inverting input. A resistor could be placed in this line with no measurable effect on the performance of the amplifier. The one restriction would be that the added resistor must be much less than the input impedance of the amplifier. In part B, the input resistance of the amplifier is much greater than the 15 k ohm resistor. At frequencies where the reactance of the 0.001 micro farad capacitor becomes large the treble control is no longer having any effect so this is of no consequence.

* This statement is true only if the two controls are set to the same point. If there is a difference the circuit becomes more difficult to analyze and we will leave such analysis for another time and place when and where everyone understands how to use the j operator.
The wipers of the pots are at zero potential so if they are set at center, the connection points on the left and right are at the same potential and opposite phase. This is equivalent to R1 = R2 in part A. The gain is unity for all frequencies. If the wipers are moved to the left this is equivalent to R1 growing smaller and R2 growing larger. This will increase the gain but only for lows and highs. The midrange, around 1,000 Hz will be little affected. Moving the wipers to the right of center will cause the gain to be less than unity and the highs and lows will be cut.

If the bass control is moved to the left while the treble control is left at the center, the unbalance will drive current through the 15 k ohm resistor at low frequencies. The effect will be that of decreasing R1 and increasing R2. The gain will be increased for low frequencies. At mid and high frequencies the 0.05 micro farad capacitor will short out the bass pot and the two 11 k ohm resistors will set the gain at unity for high frequencies. R1 = R2.

When the bass pot is returned to center and the treble pot is moved to the left the wiper becomes unbalanced for all frequencies but only the highs are coupled to the inverting input through the 0.001 micro farad capacitor. A circuit with two capacitors, one on each side of the treble pot performs better and is easier to understand.

I have run a simulation on the circuit in figure 4.1 (b) by using op amps and connecting the output of figure 4.1 (a) to the input of figure 4.1 (b). This circuit which uses operational amplifiers and relatively low resistance pots can be thought of as an ideal circuit to which all active tone controls on this page aspire. The resulting LT Spice graph is shown below.

To create these graphs the 50 k ohm pot or pots must be stepped 0%, 25%, 50%, 75%, and 100%. To accomplish this in LT Spice it is necessary to make the pots out of two "fixed" resistors each, one connected from one end of the pot to the wiper and the second connected from the wiper to the other end of the pot. The values on fixed resistors can be given as variables if placed in curly brackets {}. To make a 50 k ohm pot one of the resistors is labeled as {50002-R1} and the other {R1}. Then the value of R1 is stepped 1, 12501, 25001, 62501, and 50001, ohms. The reason is that Spice does not permit a resistor to have the value zero. I will be explaining how this is done in my upcoming article "LT Spice Lessons".

 Schematic diagram.

Figure 4.2 Frequency Graph of Circuit in Figure 4.1.

For a verbal description click here.

For a verbal description of the ideal tone control frequency response,
scroll down and read the description for Figure 6.2.

Well that looks pretty good. The green line is both pots fully counterclockwise, the blue line is half way between that point and center of rotation, the red line is center, the light blue line is half way between center and fully clockwise, and the purple line is fully clockwise. The center between boost and cut seems to be a little low in frequency but after all this is just a demonstration of what is possible.

This circuit still has one flaw. Notice on the treble side that the half boost merges with the maximum boost between 1 and 5 kHz. Same goes for the maximum cut and half cut. Because the ear is more sensitive in this range than it is higher up the treble control would appear to have all of its effect in half of its rotation. This is caused by the use of one capacitor connected to the wiper of the treble pot. The circuit variation that uses two capacitors on either side of the treble pot gives a much better treble response graph.

The following graphs will show in order crossed controls, bass adjusted while treble remains centered and treble adjusted while bass remains centered.

 Schematic diagram.

Figure 4.3 Crossed controls, bass up and treble down, bass down and treble up.

For a verbal description click here.

The above graph shows the exact value of the crossover frequency. Yes, it is a little low. If you wanted to duplicate this circuit you probably need to get 5% capacitors or perhaps use a digital capacitance meter to adjust the capacitor values by paralleling capacitors. In any case I doubt if the most golden of golden ears could detect the difference.

 Schematic diagram.

Figure 4.4 Bass adjusted while treble stays centered.

 Schematic diagram.

Figure 4.5 Treble adjusted while bass stays centered.

For a verbal description of figures 4.4 and 4.5 click here.

A revealing test of a tone control circuit is how it behaves when only one of the controls is adjusted. A common defect is reverse interaction. That is, as the bass is turned up the treble is reduced and vice versa. If you look carefully there is a hint of bass to treble reverse interaction in figure 4.4. Based on what I have seen I think many designers fail to check for this defect.

Some audiophiles who own especially good speakers prefer their tone controls to perform their boost and cut lower down for the bass and higher up for the treble. This is shown in the graph below. Examples of this are found in some Sony amplifiers. They have switches that move the turnover frequencies lower and higher. I don't know exactly how turnover frequency is defined but a good guess might be that it is the frequency where the boost and cut reach 3 dB. In the graph of figure 4.2 these frequencies are 220 and 4500 Hz for bass and treble respectively. In figure 4.6 these frequencies have been moved out to 110 and 9500 Hz. When this is done it is vital that there not be any bass and treble interaction reverse or otherwise. To achieve these curves change the capacitor across the bass pot to 0.16 micro farad and the capacitor connected to the wiper of the treble pot to 330 pF.

 Schematic diagram.

Figure 4.6 Turnover frequencies moved outward away from 1 kHz.

For a verbal description click here.

Now that we have seen what is possible with silicon let's see what we can do with tubes.

The Brimar Circuit.

Brimar was the name of a tube manufacturer in England who came up with the circuit shown in Figure 5.1.

DO NOT USE THIS CIRCUIT.

Schematic diagram.

Figure 5.1 Original Brimar Tone Control Circuit.

For a verbal description click here.


Graph.

Figure 5.2 Frequency Response Showing 2 Flaws.

For a verbal description click here.

I expanded the vertical scale to make the values easier to pick off the graph. You'll just have to take my word for it that as it continues above 14 kHz the green line continues to fall at the same rate intersecting 100 kHz at -5 dB.

This circuit looks quite elegant on paper, or computer screen, but the frequency response shows 2 real problems. First, there is a considerable amount of reverse interaction at mid band where there shouldn't be either boost or cut. At this frequency the ear is most sensitive and a set of reasonably good ears could probably pick it up. Second, look at the flat gain (red line) in the bass portion and compare it with the same curve in the treble region. The difference is 4 dB which is enough to be clearly audible. I imagine this would give the amplifier a rather dim sound, the opposite of bright. The tube on the right has a lot of feedback around it but the one on the left is operating completely open loop and at full gain with a bypassed cathode resistor. The output resistance of this stage is the 100 k ohm load in parallel with the plate resistance of the tube (12AX7) which is 80 k ohms. That works out to 44 k ohms. This problem could be cured by adding a cathode follower to each amplifier stage. However that does not solve another problem which is too much gain.

The flat gain in the bass region is 34 dB. That's much too much to drop into the middle of a preamplifier or integrated amplifier. Here's why. Add 15 dB of bass boost to that 34 dB and you've got 49 dB of gain. That's enough to increase a 1 volt signal to 282 volts. That's likely enough to blow out your speakers and probably your eardrums along with them. For a more detailed discussion of preamplifier and switcher design see Preamp Design.

In spite of its other shortcomings you will note a much improved symmetry of the frequency response over the passive Baxandall tone control. This makes for a much smoother cut and boost as well as identical spectra for both.

Tweaking the Brimar.

(Note: Based on some movies I have watched I believe that to an Englishman "tweaking" means teasing or taunting. For the benefit of any such persons reading this page I should say that this is not my meaning. On this side of the pond it means making small adjustments.)

To make the Brimar usable it does not have to be completely redesigned. It just needs a little tweaking as shown below.

**************************** -- THIS CIRCUIT IS SAFE TO USE. -- ****************************

Figure 5.3 Unity Gain Brimar Circuit.

For a verbal description click here

The circuit now uses three triodes. This is the gold standard for amplifier circuits in an active tone control. The voltage gain amplifier on the left has been replaced with a "unity" gain cathode follower. The higher gain amplifier on the right has had its gain increased by means of a larger plate load resistor and a cathode follower to permit the high impedance plate circuit of the amplifier to drive the relatively low impedance of the tone circuit. As seen in the graph below the overall circuit has a tone flat gain of -1 dB which to all intense and purposes is unity gain.

Figure 5.4 Frequency Response of Unity Gain Brimar Circuit.

For a verbal description click here.

Figure 5.5 Frequency Response with Crossed Controls.

For a verbal description click here.

Figure 5.6 Bass Adjusted while Treble Stays Centered.

For a verbal description click here.

Figure 5.7 Treble Adjusted while Bass Stays Centered.

For a verbal description click here.

Frequency Spread Not Available.

The frequency spread shown in figure 4.6 could not be achieved with the Brimar circuit. After some considerable head scratching I figured it out. The Brimar is unique among tone controls in that Mid band signals are prevented from reaching the bass pot. In other active controls there is a capacitor across the pot that effectively shorts it out for mid and high frequencies but signal current is still flowing through the limiting resistors that are in series with the pot and also through the capacitor. In the Brimar there are low pass filters on either end of the bass pot and mid band current does not flow from one side of the circuit to the other. High frequency current does flow through the treble pot and low frequency current through the bass pot. But no, or very little current, flows through the circuit at mid band frequencies.

It's as if in figure 4 (a) the resistors had been made very large. So large that their ratio could no longer control the gain of the amplifier. When I tried to move the frequencies apart the mid band turned into a mess with all sorts of peaks and valleys. Until this discovery was made the Brimar looked like the best of all tone control circuits. As long as you don't want frequency spread it is a very good circuit. If you want spread another variation of the tone control circuit will have to be used.

About the Tube Circuits.

The requirements for the input stage (on the left) are unity gain, high input impedance, and low output impedance. Within the family of single tube circuits the cathode follower is the only one that qualifies. The gain is about 1.5 dB less than unity. On the previous incarnation of this page I gave a two triode circuit that used negative feedback to achieve a gain of exactly unity. The extra complication doesn't seem worth 1.5 dB.

The output amplifier is not a buffer but an operational amplifier. Its requirements are gain as high as practical, high input impedance, and low output impedance. A two triode stage consisting of a high μ triode with a large plate load resistor directly coupled to a cathode follower is the answer for this stage. Higher gain could be achieved by the use of one or more additional triodes or possibly a pentode and a triode and some builders may want to go this route. I am trying to post circuits that most high fi fans will really want to build. Those of you who want to go beyond this are probably competent to design your own tube op amp.

NOTE: Then I Wrote...

Probably everyone is concerned that there are no DC blocking capacitors between the cathode followers and the Baxandall circuit. I certainly should have been. The standalone cathode follower on the left and the amplifier on the right have been designed to deliver DC levels at the cathodes that are within 2 volts of each other, at least in the simulation. But not in the real world. Before I post this article I plan to breadboard this circuit to see how things work out in the real world. I should have. In any case the builder might be well advised to replace the 3.9 k ohm resistor in the cathode of the tube on the left with the series combination of a 1.5 k ohm fixed resistor and a 5 k ohm pot connected as a rheostat. This would have been a temperary solution. The voltages would drift apart due to tube aging. I should have included DC blocking capacitors from the start.

A Tone Control You Can Love You Can Love.

Figure 6.1 shows a two band tone control that is a bit simpler than the Brimar and works just as well and in addition allows frequency spreading.

**************************** -- THIS CIRCUIT IS SAFE TO USE. -- ****************************

Figure 6.1 Baxandall Inside a Feedback Loop.

For a verbal description click here.

The parts count is a little lower consisting of 3 capacitors and 4 fixed resistors not counting parts associated with the tubes.

Figure 6.2 Bass and Treble Stepped Together..

For a verbal description click here.

Figure 6.3 Controls Reversed, Bass and Treble Stepped In Opposite Directions.

For a verbal description click here.

Figure 6.4 Bass Stepped while Treble Stays Centered.

For a verbal description click here.

Figure 6.5 Treble Adjusted while Bass Stays Centered.

For a verbal description click here.

Figure 6.6 Bass and Treble Turnover Frequencies Moved Outward From 1kHz.

For a verbal description click here.

To obtain the response shown in figure 6.6 change the capacitor across the bass pot to 0.056 micro farad and both capacitors in series with the treble pot to 240 pF. This is a 5% value which you may find hard to find. If so you can use a digital capacitance meter to read the value and parallel two or more smaller capacitors to get to this value. The capacitance meters that are built into many hand held DMMs are not at all accurate in this range.

The midrange reverse interaction that will appear is about 1.5 dB. Remember you are looking at the absolute worst case. I don't know anyone who listens to music with both bass and treble all the way up or all the way down. Settings that fall within the realm of sanity will cause less than a dB of reverse effect in the midrange. Any change that is less than a dB is considered undetectable by the human ear.

A 3 Band Tone Control You Can Love.

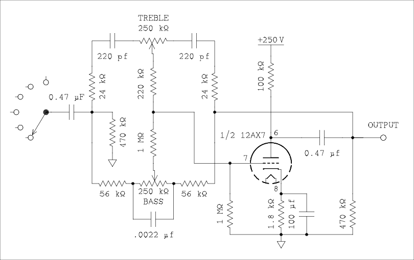
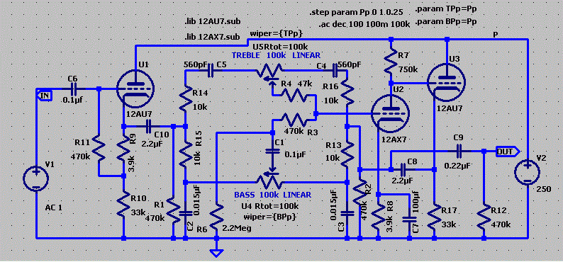
As previously promised near the end of this page the breadboard test of the circuits have been completed. I decided to test 3 band controls since they place the greatest demands on the technology. The best are those made with 100 k ohm pots and an amplifier that uses a cathode follower in its output. The ones likely to be the worst are those that use 500 k ohm pots and an amplifier consisting of a single triode. Those are the two circuits I selected to breadboard. It's going to be hard to compare because I used two different instruments on the two circuits. I had problems with the older one which accounts for the long delay. The new one was delayed by a long back order time and caused me to go ahead with the older instrument. The new one finally came in so I used it on the 100 k ohm circuit. I had already done the 500 k ohm circuit with the older instrument. To change pot values I had to partly disassemble the breadboard, unsolder the wires from one set of pots, remove the knobs, remove the pots from the panel, replace them with the other set, install the knobs, resolder the wires, and reassemble the breadboard. This was not something I wanted to do again so the measurement of the 500 k ohm tone control will just have to remain as is until I find the ambition to change the pots yet again, rewire the tone circuit and run the frequency curves with the new instrument which is an Analog Discovery 2. I'm still learning the Discovery and I think there is a way to show multiple plots in different colors. If that turns out to be true it will increase my level of desire to do it all over again. Meantime, it is what it is.

The circuit shown in Figure 7.1.1 originally came from a book of op amp circuits. I did quite a lot of reengineering on it to make it tube friendly. All resistors are 1/4 watt unless otherwise noted. All the capacitors that are associated with tubes are 200 volt. The exception is the 100 microfarad which is a 25 or 15 volt unit. All others can be as low as 50 volt if you can find them that low. The 0.1 micro farad cap on the left may need to be a 630 volt if there is another tube stage connected to the input.

**************************** -- THIS CIRCUIT IS SAFE TO USE. -- ****************************

 Schematic diagram.

Figure 7.1.1 Practical 3 Band Tone Control.

For a verbal description click here.

As this figure shows the breadboard produced zero dB attenuation when all controls were set flat. This is because the input cathode follower was not wired on the breadboard. The tone circuit was driven directly from the low impedance output of the signal generator. The circuits which were simulated included a cathode follower at the input which introduced a loss of approximately 1.5 dB. Be sure to take this into account when comparing cut and boost values.

 Schematic diagram.

Figure 7.1.2 All 3 Controls Set Flat.

 Graph.

Figure 7.2.1 bass and treble are stepped in unison while mid is set flat.

For a verbal description click here.

 Graph.

Figure 7.2.2 bass and treble are set to full boost while mid is set flat.

 Graph.

Figure 7.2.3 bass and treble are set to full cut while mid is set flat.

 Graph.

Figure 7.3.1 bass and treble are stepped in opposite directions while mid stays centered.

For a verbal description click here.

 Graph.

Figure 7.3.2 bass and treble are set to opposite extremes while mid stays centered.

 Graph.

Figure 7.4 Only the bass is stepped while the other two remain at center position.

For a verbal description click here.

 Graph.

Figure 7.5 Only the treble is stepped while the other two remain at center position.

For a verbal description click here.

In figures 7.4 and 7.5 we see only a hint of reverse interaction. The effect is approximately equally caused by bass and treble. In figure 7.2 the effects of both apparently add together making it appear larger. In figure 7.3 when bass and treble are turned in opposite directions the reverse interaction cancels out. I must confess that I arrived at this ideal situation by accident. In some versions of the circuit the bass caused a lot of reverse interaction and in others the treble caused it. I have not established any correlation with component values. There must be more than one component involved.

 Graph.

Figure 7.6 All three controls are stepped in unison.

For a verbal description click here.

 Graph.

Figure 7.7 bass and treble are stepped together while mid is stepped in the opposite direction.

For a verbal description click here.

Stepping all three together gives somewhat a less effect than when the midrange is stepped in opposition to the other two. This is probably a result of the midrange control combining with the reverse interaction effect seen in figure 7.2. It reduces the magnitude of same direction changes and adds for the reverse direction changes.

 Graph.

Figure 7.8.1 Only the midrange is stepped.

For a verbal description click here.

 Graph.

Figure 7.8.2 Midrange is Set to Full Boost while Bass and Treble are set Flat.

 Graph.

Figure 7.9 Midrange set to maximum cut while bass and treble are stepped.

For a verbal description click here.

 Graph.

Figure 7.10 Midrange set to maximum boost while bass and treble are stepped.

For a verbal description click here.

The mid band may not seem to be having much effect but the ear is so sensitive in this frequency range that a little goes a long way. At some time in the past I owned a receiver that had a three band tone control of this type. A friend who owned the same model plotted the frequency response curves, by hand, of the tone control and they looked very much like these. The mid band control had a clearly audible effect.

To see comparison with the 500 k ohm pots skip over the heading "2 band tome control" below and skip on down to the heading "3 band tone control".

Not in love yet? See if the next two circuits can make you happy.

The two tone controls shown in figures 6 and 7 might not be what you are looking for. If not see how you feel about figures 8 and 9. They use only one 12AX7 for a stereo amplifier.

You may notice that the insertion loss of these two controls is about 1/2 dB as opposed to the 1-1/2 dB of figures 6 and 7. This is because the cathode follower has been removed from the circuit. The typical gain for a follower is 0.9. That's about 1 dB hence a 1 dB improvement. The remaining loss is because the feedback amplifier consisting of a single triode has a gain less than unity. If we take the NFB equation A' = a / (1 + a) and allow A to approach infinity the value of A' approaches 1. It follows then that the larger the value of A the closer A' will be to 1.

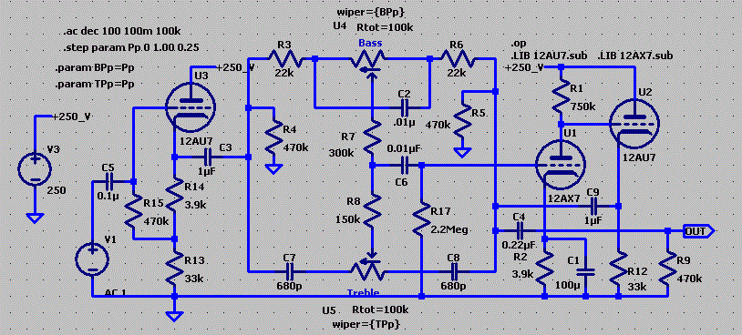
2 Band Tone Control.

Figure 8.1 shows the 2 band tone control that uses only one triode per channel.

**************************** -- THIS CIRCUIT IS SAFE TO USE. -- ****************************

 Schematic diagram.

Figure 8.1 Practical Tone Circuit Using One 12AX7 for a stereo system.

For a verbal description click here.

What's that on the left, a switch? It's the source selector switch. I will discuss this in considerably more detail on the Preamp Design. page. For now it will suffice to say that almost any source of music you are likely to plug into your system will have a low impedance output. Even older tube type tape decks and FM tuners. The only thing I can think of that would run you into trouble would be a ceramic cartridge that you have plugged into a line level input. While these cartridges do have approximate line level output they require a load impedance of 1 meg ohm or more plus some RIAA eq. Anything else you might plug in will have a low enough output impedance to drive the tone circuit directly.

The pots are linear taper and the center of rotation is tone flat. Moving the wipers to the right on the diagram is cut, which would be the counterclockwise position, and to the left is boost, the clockwise end of the control. All resistors are 1/4 watt although you may use 1/2 watt if you prefer. The 100 k ohm resistor from pin 6 of the 12AX7 should be a 1/2 although many builders may prefer a 1 watt. The 0.47 micro farad capacitor on the right should be a 400 volt although I stock 630 volt caps and use them in everything. The three capacitors in the tone circuit don't need to be any more than 50 volts although there is no harm in going much higher if they are all you can get.

Figure 8.2 Bass and Treble Stepped Together..

For a verbal description click here.

Figure 8.3 Controls Reversed, Bass and Treble Stepped In Opposite Directions.

The values and appearance of this figure are identical to figure 8.2 except that the cut and boost of the treble are reversed.

Figure 8.4 Bass Stepped while Treble Stays Centered.

The values and appearance of this figure are identical to the bass in figure 8.2 and the treble is flat for all lines.

Figure 8.5 Treble Adjusted while Bass Stays Centered.

The values in this figure are identical to the treble in figure 8.2. The bass is similar to Figure 6.5..

Figure 8.6 Bass and Treble Turnover Frequencies Moved Outward From 1kHz.

The shapes and values in this figure are similar to those in figure 6.6.

To obtain this spacing change the capacitor across the bass pot to a 0.012 micro farad and both capacitors in series with the treble pot to 100 pF. WARNING! This 100 pF value of capacitance is small enough that stray circuit capacitance is significant compared to it. If you use these values you should test the response of the treble control carefully and be prepared to change them if called for. It might even be necessary to use unequal values to achieve treble flat at the center of the pot's rotation.

 Graph.

Figure 8.7 Two plots of Input Impedance of tone circuit. Top, linear scale, Bottom Logarithmic scale.

For a verbal description click here.

In the circuits above in which the tone circuit is driven by a cathode follower the input impedance of the circuit is of no concern to the builder. However when there is no impedance buffer of any kind the impedance may affect the performance of the control. The upper plot above gives the whole picture while the lower one shows the lower impedance curves on a logarithmic scale. I remind you that the green line is full cut and the purple line is full boost. In practice I usually set my bass for about 30% boost and the treble flat or with a very slight boost. These conditions place the input impedance at about 125 k ohms at the low end, falling to about 70 k at 1 kHz and to about 42 k at the high end. This load is completely acceptable for modern signal sources such as CD and DVD players, FM and AV tuners, and portable music players. A tube type tuner will have no problems if it has cathode follower outputs. There might be problems if it does not.

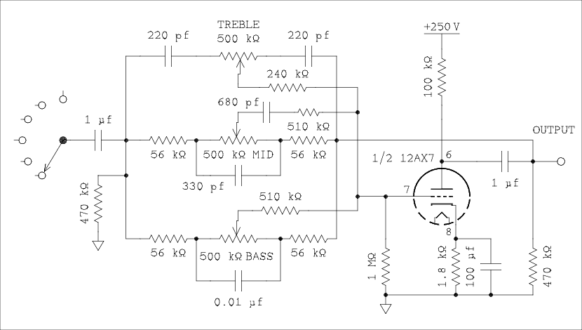
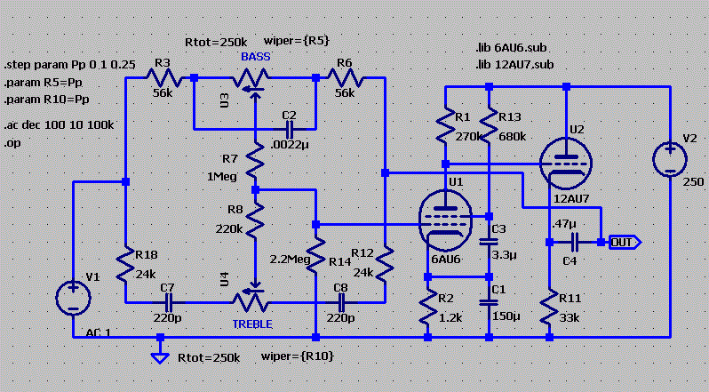
3 band tone control.

Unfortunately shipping delays caused me to make the curves of the breadboarded version of this tone circuit with an older and inferior plotting instrument. As I explained earlier it's a lot of work to change the wiring on the breadboard and I don't currently have the ambition to do it. The plots just aren't as good. I'll make no promises to change them. Maybe I will get around to it someday but don't count on it.

**************************** -- THIS CIRCUIT IS SAFE TO USE. -- ****************************

 Schematic diagram.

Figure 9.1.1 Practical 3 Band Tone Control.

For a verbal description click here.

 Schematic diagram.

Figure 9.1.2 All pots set to center of rotation.

Note: there are no verbal description links for the figures below because figures 9.2.1 through 9.10 are almost identical to figures 7.2.1 through 7.10. The only difference worth mentioning is that the tone flat line is at minus 0.5 dB instead of at minus 1.5 dB as in figures 7.x.

 Graph.

Figure 9.2.1 bass and treble are stepped in unison while mid is set flat.

 Graph.

Figure 9.2.2 bass and treble are set to full boost while mid is set flat.

 Graph.

Figure 9.2.3 bass and treble are set to full cut while mid is set flat.

 Graph.

Figure 9.3.1 bass and treble are stepped in opposite directions while mid stays centered.

 Graph.

Figure 9.3.2 bass and treble are stepped in opposite directions while mid stays centered.

 Graph.

Figure 9.4 Only the bass is stepped while the other two remain at center position.

 Graph.

Figure 9.5 Only the treble is stepped while the other two remain at center position.

In figures 9.4 and 9.5 we see only a hint of reverse interaction. The effect is approximately equally caused by bass and treble. In figure 9.2 the effects of both apparently add together making it appear larger. In figure 9.3 when bass and treble are turned in opposite directions the reverse interaction cancels out. I must confess that I arrived at this ideal situation by accident. In some versions of the circuit the bass caused a lot of reverse interaction and in others the treble caused it. I have not established any correlation with component values. There must be more than one component involved.

 Graph.

Figure 9.6 All three controls are stepped in unison.

 Graph.

Figure 9.7 bass and treble are stepped together while mid is stepped in the opposite direction.

Stepping all three together gives somewhat a less effect than when the midrange is stepped in opposition to the other two. This is probably a result of the midrange control combining with the reverse interaction effect seen in figure 9.2. It reduces the magnitude of same direction changes and adds for the reverse direction changes.

 Graph.

Figure 9.8.1 Only the midrange is stepped.

 Graph.

Figure 9.8.2 The midrange is set to full boost while bass and treble are set flat.

 Graph.

Figure 9.9 Midrange set to maximum cut while bass and treble are stepped.

 Graph.

Figure 9.10 Midrange set to maximum boost while bass and treble are stepped.

 Graph.

Figure 9.11 Two plots of Input Impedance of tone circuit. Top, linear scale, Bottom Logarithmic scale.

For a verbal description click here.

In the circuits above in which the tone circuit is driven by a cathode follower the input impedance of the circuit is of no concern to the builder. However when there is no impedance buffer of any kind the impedance may affect the performance of the control. The upper plot above gives the whole picture while the lower one shows the lower impedance curves on a logarithmic scale. I remind you that the green line is full cut and the purple line is full boost. In practice I usually set my bass for about 30% boost and the treble flat or with a very slight boost. These conditions place the input impedance at about 95 k ohms at the low end, falling to about 47 k at 1 kHz and to about 28 k at the high end. This load should be manageable for modern signal sources such as CD and DVD players, and FM and AV tuners. It will not present any problem for portable music players which are designed to drive 100 ohm headphones. A tube type tuner will have no problems if it has cathode follower outputs. But be forewarned, there might be problems if it does not.

We Could Use a Pentode in Figures 6 and 7.

As pointed out above the cathode follower used in figures 6 and 7 introduces an approximate 1 dB loss. The remaining 1/2 dB is caused by the NFB amplifier (on the right) having gain less than infinity. If we take the feedback equation,

A' = A / (1 + AB)

Where A' is the closed loop gain, A is the open loop gain and B is the fraction of signal feed back from output to input. When all controls in a tone circuit are centered, the value of B is 1. If we put 1 in the above equation for B we have.

A' = A / (1 + A)

In the above expression as A approaches infinity, A' approaches 1. In the Spice simulation shown below the gain of the triode/triode circuit is 38 dB. Converting to gain gives 79.4. 79.4 / (79.4 + 1) = 0.986 which upon being converted back to dB gives -0.122 dB. Well, that isn't exactly 1/2 dB, is it.

Let's forge ahead. We will call the pentode gain 50 dB. The blue line is closer to 50 than it is to 51. So the gain is 316. Putting it into A / (1 + A) gives 0.999. Converting to dB gives -0.00869 dB. On a graph that should be indistinguishable from zero.

I set up a little comparison test in Spice. Here is your first look at the LT Spice schematic window.

Schematic.

Figure 10.1 LT Spice Setup Used to Compare Triode and Pentode Amplifiers.

For a verbal description click here.

Graph.

Figure 10.2 Frequency Response of Triode (Green) and Pentode (Blue).

For a verbal description click here.

These resistor values were taken from the resistance coupled amplifier charts in the Sylvania tube manual. Obviously the pentode gives considerably more gain than the triode. In my first try at this I bypassed the screen grid to ground. What else would you do? Stick with me. To get a low end response that was even close to being comparable to that of the triode I had to use a 1000 micro farad capacitor across the cathode resistor. In some audio circuits I have seen the screen bypass capacitor is returned to the cathode so I tried it. I found I could reduce the cathode bypass to 150 micro farad. That's a pretty significant savings. Now we both know why that is done.

You may be wondering why the high end of the pentode rolls off at a lower frequency than the triode. I wondered that myself until I realized that roll off is set by the stray capacitance at the plate and the output resistance of the amplifier which is the parallel combination of plate resistance of the tube and the plate load resistor. The 12AX7 has a plate resistance of 80 k ohms which combines with a 750 k ohm resistor to give 72.3 k ohms. The plate resistance of the 6AU6 is 500 k ohms which combines with a 270 k ohm resistor to give 175 k ohms. The higher output resistance of the pentode gives a lower roll off frequency. Even so, the gain of the pentode stage is only 1 dB down at 60 kHz.

Schematic.

Figure 11.1 Tone Circuit Using Pentode Amplifier.

For a verbal description click here.

Graph.

Figure 11.2 Frequency Response of Tone Circuit With Pentode Amplifier.

For a verbal description click here.

Figure 11.2 is the frequency response of the two band tone control but with a pentode amplifier. Compare it to figure 8.2 which is repeated here to make it easier.

Graph.

Figure 8.2 Repeated For Easy Comparison.

The promised breadboard check of LT Spice has been completed. If you have been reading this page from top to bottom you already know that. But if you have been checking this space to see if it has been done go back to the heading "A 3 Band Tone Control You Can Love". You'll find an explanation and some frequency plots beginning there.

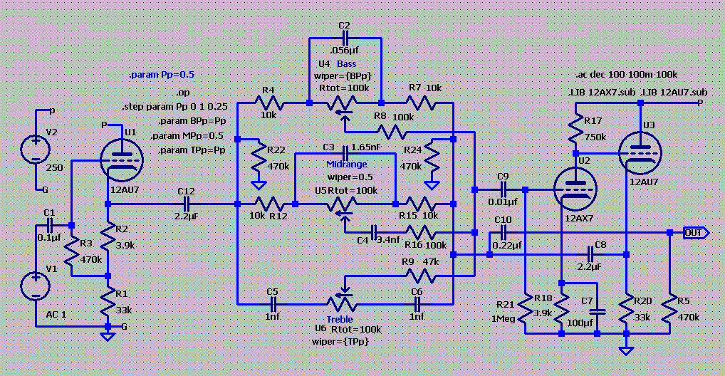
Musical Instrument Tone Stack.

I have been curious about the tone stack ever since I saw the circuit. I have two circuits from two different sources so I'm confident I have the circuit correct. The only difference between them was that one used a 10 k ohm pot for the midrange and the other used a 25 k. Here is the circuit I used.

Schematic.

Figure 12.1 Schematic of tone stack with all values.

For a verbal description click here.

Below is the schematic of the simulation. R4 and R5 simulate the Treble pot. The Bass pot has its upper half shorted out as you can see in the schematic above. R6 was representing the upper half of that control so I deleted it leaving a gap in resistor numbers. R7 represents the bass rheostat. The midrange control is also connected as a rheostat and is represented by R8. The volume control pot is represented by R9 and C5.

Schematic.

Figure 12.2 Schematic Used in the Simulation.

For a verbal description click here.

The midrange pot, PMP (Pot, Mid, Position) is sort of audio taper but not quite. In the past pots were made with a number of different pseudo log tapers but unless you can find some NOS the only tapers available are C1, linear and C2 Audio with 10% resistance at mid rotation. For those of you who can't speak Spice the values for R8 that produced the curves in the figure below, from the bottom up are, in ohms, 1, 2.5k, 6.5k, 14k, and 25k. I was quite surprised to see the large amount of cut and that there was no boost. (Note: Spice doesn't allow a zero ohm resistor.)

Graph.

Figure 12.3 Effect of Changing Midrange Control.

For a verbal description click here.

Figure 12.4 shows the effect of changing the bass control. It seems to do what would be expected. The values are the only ones that follow an audio taper curve. They are in ohms, 1, 7.9k, 25k, 79k, and 250k.

Graph.

Figure 12.4 Effect of Changing Bass Control.

For a verbal description click here.

Figure 12.5 is for the treble control. The resistance steps for R5 are, in ohms, 1, 15k, 50k, 125k, and 250k. As R5 is stepped, R4 is changed in the opposite direction by a subtraction from 250 k ohms.

Graph.

Figure 12.5 Effect of Changing Treble Control.

For a verbal description click here.

As you can see the midrange produces a lot of interaction with the other two controls. The bass produces almost no interaction with the treble and not much with the midrange. The treble produces significant interaction, about 2 dB, with both the midrange and bass.

I don't think anyone would use this tone circuit in a high fi system. I couldn't find any settings of bass and treble that would produce a midrange boost. It's cut or flat. I don't understand why guitarists do not object to the action of the midrange control. I really don't understand why guitarists even bother with this circuit. It really doesn't do what it claims to do. Could one or more pickers explain it to me?

Well, that's about it. I hope this gives you something new to have fun with.


Contrary to popular belief, a cold 807 is not a burned out tube.


Home.


This page last updated Thursday, June 16, 2022.