All About Audio Amplifiers.

A Technical Discussion of Power Supplies.

Chapter 3.
Power Supply Circuits.

Vacuum tube electronic circuits operate from comparatively high DC voltages (150 to 600 volts). The Electric Utility supplies 120 volts AC. We have studied transformers and, therefore, we know that the 120 vAC line voltage could be stepped up to the necessary range but it would still be AC. The internal circuits of any device you can think of from a stereo receiver to an oscilloscope will not operate on AC. These devices must have internal circuits which change the AC to DC. Such a circuit is called a "DC power supply" or more often just "power supply".

3.1 Block Diagram of a Power Supply

 Schematic diagram.

Figure 3.1 Block Diagram of a Power Supply

For a verbal description click here.

Figure 3.1 shows the block diagram of a modern low-voltage regulated DC power supply. Each block has a specific purpose and will be dealt with in individual sections of this chapter.

There is no difference in theory between a low voltage supply for transistors and a high voltage supply for tubes. Most audio amplifiers don't have a voltage regulator but a section on additional filtering has taken the place of the regulator section both in this book and in the power supply.

The power supply is connected to the 120 vAC power line by a plug. Many power supplies (those used in laboratory equipment) have a plug with a third wire which connects the metal chassis of the instrument to earth ground. The fuse and switch constitute the protection circuits. The fuse helps to protect the power supply against circuit component failures and mistaken connections. The switch permits the power supply to be turned on and off. The transformer steps the 120 volts of the AC line down or up as required by the devices being powered. The rectifier changes the AC from the transformer to pulsating DC. The filter reduces the magnitude of the pulsations and smoothes out the DC. The regulator reduces the pulsations to a very small value and also holds the output voltage constant regardless of the load current. The regulator also contains circuits which will shut down the power supply if the load current becomes too large or the temperature of the regulator becomes too high.

If the power supply is part of something else, such as an oscilloscope, an FM tuner, or an amplifier the output of the power supply is delivered to the internal circuits of the instrument and is not available to the operator. If the power supply is a laboratory bench power supply, its output is connected to binding posts on the supply's front panel for the purpose of powering experimental circuits. A laboratory bench power supply may also include a voltmeter and an ammeter to permit the operator to monitor the voltage and current which are supplied to the load.

3.2 Protection Devices.

All power supplies require protection from overloads and internal circuit faults. The most obvious protection device is a fuse. The type of fuse most commonly used in electronics equipment is a fine metal wire contained in a small glass tube with a metal cap on each end for electrical connection. The wire is made of a metal alloy with a low melting temperature, such as solder (40% led and 60% tin). If excessive current flows through the fuse the thin metal wire will melt, opening the circuit and turning off the current. Fuses of the type described above are manufactured in current ratings from 1/200 ampere to 30 amperes.

Fuses are often placed in the primary circuit of the transformer. If a transformer develops an internal fault it can catch fire if the power is not shut off by an open fuse. There should always be a fuse in the primary of a power transformer. Many low-cost "wall transformers" do not have fuses in their primary circuits. These units present a constant fire hazard to any building in which they are used.

There are two types of fuses, fast-acting and time delay. Time delay fuses are often called slow-blow fuses. Power supplies which have very large filter capacitors and semiconductor rectifiers will draw a very large current for a very short time after being turned on. Have you ever noticed a flicker of the lights when you turn on a transistorized stereo receiver? You are seeing the effect of a large current pulse which is charging up the capacitors in the power supply. A fast-acting fuse would most likely blow out the moment the power switch was thrown. A slow-blow fuse is used in such a case. Slow-blow fuses are used only if there is a large current pulse at the time of turn-on. Power supplies which use vacuum rectifiers usually do not exhibit this behavior because of the slow warm up time and the higher internal resistance of vacuum rectifiers.

Other protection devices are electro-mechanical circuit breakers. A circuit breaker may use a thermal sensor to detect the heating in a small wire or the current may be detected by allowing it to flow through a coil of wire and become an electromagnet. If the temperature of the wire gets too high or the electromagnet becomes too strong, the circuit breaker will "pop out" and the circuit will be opened. The advantage of a circuit breaker is that it can be reset instead of having to be replaced, as do fuses. The major disadvantage of circuit breakers is that they are more expensive, more complex, larger and heavier than fuses. As current gets smaller, the circuit breakers get larger and more complex. Circuit breakers are usually not used for currents below 1 ampere.

In a sense the on-off switch may be considered as a protection device. If the operator smells something burning, he can use the switch to turn the power off. In a few cases a circuit breaker may serve double duty as an on-off switch. Most circuit breakers are not designed for repeated on-off cycles and will quickly wear out if used as on-off switches.

Most instruments include a small light which glows when the power is on and goes out when the power switch is turned off or the fuse blows.

3.3 The Power Transformer.

A power transformer may have a secondary winding with a center tap, as shown in Figure 3.2a, or more than one secondary winding, as shown in Figure 3.2b.

 Schematic diagram.

Figure 3.2 Two types of transformers.

For a verbal description click here.

For a detailed discussion of transformers click here.

If you look in a catalog listing power transformers you will not find "turns ratio" mentioned even once. The specifications of power transformers are written in terms of primary and secondary voltages and maximum secondary current. You may read the following specification, "Primary, 117 vAC 50 - 60 hz. Secondary, 24 vCT @ 1 A." The translation of this is "The transformer will operate on 117 volts ±10% at a line frequency of 50 or 60 hz. If you apply 117 volts to the primary the voltage across the entire secondary will be 24 volts if the secondary current is 1 ampere. The maximum current which can safely be drawn from the entire secondary is 1 ampere." If this current is exceeded the transformer is in danger of burning out due to over heating.

Example 3.1

A transformer has the following specification: "Primary, 117 vAC 60 hz. Secondary, 32 vCT @ 1.5 A." If the primary is connected to a source of 120 vAC, what voltage is measured from one side of the secondary to its center-tap?

Solution:

The ratio of secondary to primary voltage is a constant. 32 / 117 = V / 120. V = 32.82 v. The voltage measured from one side of the secondary to the center-tap is 1/2 that of the whole secondary or 16.41 v.

Occasionally, transformer manufacturers specify center-tapped secondaries in a slightly different manner. The transformer would be specified as follows: "Primary, 117 vAC 60 hz. Secondary, 325 - 0 - 325 vAC @ 100 milliamperes." This means there are 325 volts from each side of the secondary to the center-tap or 650 volts across the entire secondary. The current rating is given for a type of rectifier known as a full-wave center-tapped rectifier, the two halves of the secondary are effectively in parallel and the current is doubled. Transformers used with vacuum tubes are more likely to be specified in this way because they are most likely to be used with a full-wave center-tapped rectifier.

Electrical Isolation.

It is possible to design equipment which can cope with the full voltage of the AC power line, thus eliminating the need for a transformer. However, transformers serve another purpose as important as changing the voltage. That purpose is to provide isolation of the circuit from the power line.

The argument might be made that one side of the 120 vAC line is connected to earth ground and no isolation is necessary. If a wiring error caused the leads to be reversed, the chassis of the instrument would be at a potential of 120 v with respect to earth ground. Such a wiring error did occur at the university I recently retired from. No one was injured but there was some soiled armor. It could be most unhealthy for anyone who might be unlucky enough to complete the circuit to ground.

In addition to safety considerations there are other reasons for not wanting a piece of equipment to be connected to the power line ground. The chief reason is noise. Noise is any electrical voltage or current in a place where it is not wanted. Noise voltages and currents are the weeds of electronics. In addition to bringing us the electric power we need, the power line brings us a lot of noise. One of the most effective noise removers is a transformer. The noise on a power line often has the same phase on both wires and, therefore, will not produce a magnetic field in the primary winding of a transformer. This is called common mode noise and will be discussed in more detail in the section on differential amplifiers.

In recording studios and radio stations many different pieces of equipment are connected to work together. If each piece of equipment has its own earth ground and is connected to another piece of equipment, a phenomenon known as "ground-loop noise" appears. There are two possible solutions to this problem. One is to connect each piece of equipment to earth ground and make sure there is no electrical ground connection between individual pieces of equipment. The other is to connect only one piece of equipment to earth ground and make sure that there is only one ground wire from that piece to each of the other pieces of equipment in the studio. The isolation provided by the power transformer is absolutely vital to this "single point" grounding system.

3.4 Vacuum and Semiconductor Diodes.

A basic vacuum diode is made up of two parts, a filament and a plate. Some tubes have what is called a heater type cathode. In these the heater is inside of a cylindrical cathode and electrically insulated from it. The heater heats the cathode so it will emit electrons. In the simpler tube the filament serves as the cathode and the plate is the anode. The hot filament or cathode emits electrons, because it is hot. You can think of it as boiling off electrons. If the plate is negative with respect to the cathode the negative electrons are repelled and there is no conduction. The plate can't emit electrons because it is cooler and is made of a metal which does not readily emit electrons. But if the plate is positive the electrons are attracted to it and heavy conduction takes place. Therefore a vacuum diode will conduct current in only one direction. For a more detailed discussion including animation of a working rectifier click here.

A semiconductor diode has two sides one is known as P and the other as N. The N side is full of electrons and the P side is full of holes. No it doesn't leak because I don't mean it that way. In semiconductor talk a "hole" is a place where an electron ought to be but it ain't. We already know that an electron has a negative charge. A hole has a positive charge which is equal in magnitude to that of the electron. Although it is literally a place where an electron ain't it behaves as if it were a positron.

This is not how diodes are really made but it helps to understand how they work to do this thought experiment. We are going to take two pieces of semiconductor material and put them together to make a diode. The piece on the left is N type and the one on the right is P type. When we stick them together this is what happens.

 Schematic diagram.

Figure 3.4 Making a semiconductor diode.

For a verbal description click here.

Where the P and N touch electrons from the N side wander across the junction and fall into holes resulting in mutual annihilation. From the P side holes wander across the junction, combine with electrons and mutually annihilate each other.

"Now what's all this fuss I keep hearing about annihilating elections? Somebody said they fall into holes!  Can you imagine someone trying to vote when suddenly the voting booth falls into a hole? That's terrible!"

No! No! No! That's not elections it's electrons and we're not destroying them. They are placed in a low energy state where they can't move around to take part in conduction.

"Oh!  That's entirely different; never mind."

This clears out an area near the junction which is known as the depletion region. As indicated in the figure an electric field has been created across the junction. The graph above part b is distance, the length of the diode, versus electrical potential.

Now let's connect a battery with the positive to the N side and the negative to the P side as shown in part a of Figure 3.5. For conduction to happen electrons would have to move around the circuit in a counter clockwise direction. In the PN diode, electrons would have to move from right to left but there aren't any electrons on the right side. Holes would have to move from left to right but there aren't any holes on the left. No conduction happens.

 Schematic diagram.

Figure 3.5 Representation of a PN junction diode.

For a verbal description click here.

Now we will reverse the battery as shown in b and c. At first (b) there is not enough voltage to close the gap and so no conduction takes place. This is why semiconductor diodes don't start conducting at zero voltage. But as shown in c when there is enough voltage conduction will happen as electrons from the N side and holes from the P side move across the junction. In fact the conduction is so good that the voltage across the diode never gets much higher than 0.7 volts.

3.5 Rectifier Circuits.

A diode, whether vacuum or semiconductor, conducts current in only one direction. At typical current values the forward voltage drop of a semiconductor diode is 0.7 to 1 volt while the drop across a vacuum diode is typically 25 to 150 volts.

This large disparity in forward voltage drop means that a power supply must be designed to use either tube or semiconductor diodes ant you can't change later. There are still some of those so called "solid state tube replacements" floating around. DON'T USE THEM! Installing them in existing equipment can result in 100 volts or more of additional B+ and you can do serious damage to what ever you put them in. I have nothing against the use of semiconductor diodes as long as the circuit has been designed for them.

It is the function of a rectifier to change AC to DC. In single phase circuits the rectifier changes the AC to a pulsating DC and some additional circuits are needed to change the pulsating DC to a smooth DC. In this section we will look at a few rectifier circuits.

The schematic symbol for a P-N junction diode is a triangle with a line across its point as shown in Figure 3.7. The triangle is the P side and the line is the N side of the junction. The P side is called the anode and the N side is called the cathode. Conventional current will flow in at the anode and out at the cathode. Current will flow in the direction of the arrow. Current will not flow from cathode to anode. Electron current flows in the opposite direction as conventional current. When current is flowing in the forward direction, the anode is more positive than the cathode by about 0.7 volts. If the cathode is positive with respect to the anode, no measurable current will flow and the voltage can have any value up to the rated maximum PIV (peak inverse voltage) or PRV (peak reverse voltage) of the diode. Typical silicon diodes have PIV ratings in the range of 50 to 1000 volts.

These drawings are being used because they already exist. When vacuum rectifiers are used the circuits aren't any different. Just substitute a vacuum diode for the semiconductor diode shown.

 Schematic diagram.

Figure 3.7 Half-wave Rectifier.

For a verbal description click here.

The circuit of a half-wave rectifier is shown in Figure 3.7 above, along with its output waveform. When the top end of the transformer secondary is positive with respect to the bottom end, current will flow from the anode to the cathode of the diode. The forward drop across the diode is small compared to the voltage of the transformer and almost all of the voltage appears across the load resistor. The positive half-cycle appears across the load. When the top end of the transformer secondary is negative with respect to the bottom end, current will not flow through the series combination of the diode and load resistor. If there is no current through the load resistor, there can be no voltage drop across it. The voltage of the transformer secondary is dropped across the diode and does not appear across the load resistor. Thus we have only half of each cycle appearing across the load. This should be called half-cycle rectification but it was named in the early years of electricity (prior to 1920) when people were not as careful with their terminology as we are today. The process which is going on in Figure 3.7 is called half-wave rectification and the circuit is called a half-wave rectifier.

 Schematic diagram.

Figure 3.8 Full-wave Center-tapped Rectifier.

For a verbal description click here.

Figure 3.8, above, shows the circuit and output waveform of a full-wave rectifier. You will note that the pulsations occur twice as often in Figure 3.8 as they do in Figure 3.7. A higher rate of pulsations is easier to smooth out. It is for this reason that a half-wave rectifier is very rarely used. Figure 3.8 is called a full-wave center-tapped rectifier circuit. A transformer with a center-tapped secondary is required to construct this circuit. The two diodes and the two halves of the transformer work alternately. They can handle twice as much current as either one working alone.

On the first half-cycle when the top end of the secondary is positive with respect to the center-tap the bottom end is negative with respect to the center-tap. (Note that the load is returned to the center-tap, not to the bottom of the secondary.) Diode D1 is forward biased and D2 is reversed biased. D1 conducts current which flows through the load and back to the center-tap. The first half-cycle appears across the load with the top end of the load resistor positive. On the second half-cycle the top of the secondary is negative with respect to the center-tap and the bottom is positive with respect to the center-tap. Diode D1 is reversed biased and D2 is forward biased. D1 does not conduct but D2 does. Remember that the bottom end of the transformer secondary is now positive and when D2 conducts, current flows downward through the load resistor, making its top end positive. Current flows through the load on both halves of the input sine wave and both halves appear positive across the load. This process is called full-wave rectification and the circuit is called a full-wave center-tapped rectifier.

The peak output voltage VP of this rectifier is

VP = 1.4 x (VRMS / 2) - Rect Drop.             (3.17)

where VRMS is the voltage of the entire transformer secondary. Try to understand rather than just memorize. Each half of the transformer winding works alternatively so at any given instant only half of the winding is in use. The output voltage is that of only half of the secondary. The factor Rect Drop is the diode drop. The two diodes work alternately and not at the same time. Therefore only one diode drop is subtracted.

 Schematic diagram.

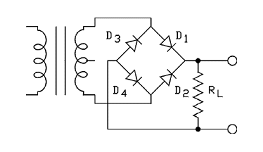
Figure 3.9 Full-wave Bridge Rectifier.

For a verbal description click here.

Figure 3.9, above, shows a bridge rectifier circuit. Its output wave looks the same as for Figure 3.8. Because the bridge rectifier uses the whole transformer secondary all of the time, it will deliver twice the voltage at half the current as a full-wave center-tapped rectifier circuit.

When the AC voltage goes positive on the first half-cycle, current flows through D1, down through the load and back to the junction of D3 and D4. The current will not flow through D3. That would be equivalent to a river flowing up a hill. The current flows through D4 to a point of lower electrical potential. On the second half-cycle, current flows through D2, down through the load and back to the junction of D3 and D4. The current will flow through D3 back to the transformer secondary. Regardless of the direction of current in the transformer secondary winding the current always flows downward in the load resistor. The peak output voltage of this rectifier is given by.

VP = 1.4 x VRMS - 2 (Rect Drop)                 (3.18)

where VRMS is the voltage of the entire transformer secondary winding. Try to understand rather than just memorize. The bridge rectifier connects across the entire transformer secondary winding. Each time the current path is traced, it goes through two diodes in series. For this reason you must subtract two diode drops from the output voltage. This circuit is almost never used with vacuum rectifiers because it requires 3 separate filament transformers.

 Schematic diagram.

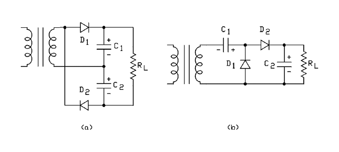
Figure 3.10. Two different voltage doubler circuits.

For a verbal description click here.

The circuit of a full-wave voltage doubler is shown in Figure 3.10a above. A voltage doubler circuit will not work without smoothing capacitors. If in the circuit of Figure 3.7 we place a capacitor in parallel with the resistor, the output wave will change. It will now be an almost smooth line at a voltage equal to the peak value of the waveform previously obtained. (Sneak a peak ahead at Figure 3.11. I won't tell if you won't.) If we connect two Figure 3.7 circuits to one transformer (with one diode turned around) we have the circuit of a full-wave voltage doubler as shown in Figure 3.10a. Let us assume that the circuit of Figure 3.10a has been energized for several seconds and both capacitors are charged to their equilibrium voltages. The polarity of charge on the capacitors is as indicated in Figure 3.10a. On the first half-cycle the top of the secondary goes positive with respect to the bottom and current flows through D1 to recharge capacitor C1, which discharged slightly since the last time the top of the transformer went positive. When the top of the secondary goes negative, current flows through D2 replenishing the charge on C2. This circuit consists of two half-wave rectifiers with their outputs connected in series so the output voltage is twice that of one alone.

The charge on C1 is replenished 60 times per second as is the charge on C2. The charges are replenished alternately instead of at the same time; therefore, the total charge is replenished 120 times per second, which qualifies the circuit as a full-wave rectifier.

Figure 3.10b is a variation of the voltage doubler. It has the advantage that one side of both the source and load can be grounded. It has the disadvantage that it is only a half wave rectifier. None the less it was used in many black and white TV sets manufactured in the late fifties and early sixties. These sets had no transformer but were connected directly to the power line and in most cases without a polarized plug.

When the input goes negative D1 conducts charging C1 to the peak value of the input with the polarity shown. C1 holds its charge and that voltage is added to the input voltage. When the input goes positive the charge on C1 is added to the peak voltage from the source. This gives a voltage equal to twice the peak or the peak to peak voltage. The wave form at the junction of D1 and C1 is a sine wave which is entirely above the zero axis. D2 rectifies this voltage and charges C2 up to the peak to peak value of the input wave. The charge on C2 is only replenished once for each input cycle or 60 times a second. The peak output voltage of both rectifiers is the same and is given by

VP = 2 x 1.4 x VRMS - D1 Drop - D2 Drop.           (3.19)

where VRMS is the voltage of the entire transformer secondary. Try to understand rather than just memorize. The entire peak secondary voltage is used to charge C1 and then C2. They are in series aiding and the voltage is twice the peak voltage of the secondary. In this circuit as in the bridge there are two diodes effectively in series and so the two diode drops are added together.

The two diode drops are stated separately because the circuit at b is sometimes implemented with a tube and a selenium rectifier. In fact I once owned an electric guitar amplifier which used such a circuit. The selenium would have to be replaced by a semiconductor rectifier which would make its drop insignificant compared to the tube.

Example 3.3

A full-wave center-tapped rectifier circuit (Figure 3.8) employs a transformer which is specified as 900 vCT @ 100 mA. What is the peak voltage this rectifier will deliver (a) with vacuum rectifiers; and (b) with semiconductor rectifiers?

Solution:

The full-wave center-tapped circuit uses only half of the secondary at a time; therefore, the output will be the peak of half of the secondary.

VP = (1.4 VRMS / 2) - Rect Drop

(a) VP = 1.4 x 900 / 2 - 150 = 480 volts.

(b) VP = 1.4 x 900 / 2 - 1 = 629 volts. Let's call it 630 volts.

You could draw 200 mA from this circuit because the two halves of the secondary are effectively connected in parallel.

Example 3.4

A full-wave center-tapped rectifier circuit (Figure 3.8) employs a transformer which is specified as 450 - 0 - 450 vAC @ 200 mA. What is the peak voltage this rectifier will deliver?

Solution:

The specification means that the entire secondary voltage is 900 vAC; which is exactly the same as Example 3.3 above. The solution to this problem is exactly the same so there is no need to repeat it.

Example 3.5

A full-wave bridge rectifier (Figure 3.9) employs a transformer which has a 900 volt CT @ 100 mA secondary. What is the peak output voltage of this rectifier circuit using semiconductor rectifiers?

Solution:

The center-tap is not used. The peak output voltage is given by

VP = 1.4 VRMS - 2 x 1.0 = 1.4 x 900 - 2 = 1258 volts. Let's call it 1250 volts. Remember, these calculations are not all that precise. The available current is 100 mA maximum.

Example 3.6

A voltage doubler rectifier (Figure 3.10) employs a transformer which has a 900 volt @ 100 mA secondary. What is the peak output voltage of this rectifier circuit using semiconductor rectifiers?

Solution:

The voltage doubler gives twice the peak voltage of the secondary

VP = 2 x (1.4 VRMS - Rect Drop) = 2 x (900 x 1.4 - 1.0) = 2518 volts. Let's call it 2500 volts. The current is now 50 mA maximum.

You have no doubt noticed that the answers in all of the above examples have been rounded off quite a lot. Calculations involving power supplies are among some of the least accurate in electronics. The chief variable in the system is the line voltage provided by the electric utility. In the United States the agreed upon value for the line voltage is 120 volts ± 10 volts. When extra heavy consumer demand drives the utility to the wall, it may even reduce the voltage to 105 volts or less. The writer has personally observed the line voltage at his home and in his office to vary from a low of 114 volts to a high of 128 volts depending on the time of day and season of year. People who design power supplies normally allow large safety margins to prevent malfunctioning of equipment when the line voltage is high or low. With such large safety margins the additional digits of the square root of 2 are just not important. The diode drops should always be taken into account because they lead to a pessimistic design which provides an additional safety margin.

3.6 Filtering the Rectifier's Output.

Filtering is another name for smoothing. Figure 3.11 shows a full-wave rectifier, one filter capacitor and the output waveform. Although vacuum tube power supplies always have additional filtering elements such as LC (inductor - capacitor) and/or RC (resistor - capacitor) sections the critical part of most filters is the first capacitor.

 Schematic diagram.

Figure 3.11.1 Rectifier, Filter and wave forms.

For a verbal description click here.

On a positive half-cycle the capacitor will charge through the series combination of half of the transformer secondary winding and diode D1. Because this is a low resistance current path the capacitor will charge quickly. When the positive half cycle falls away, the diode is reverse biased and cannot conduct any current. The capacitor will discharge through the resistor until another positive half cycle comes up to recharge it. The heavy line shows the voltage across the capacitor and the normal line shows what the voltage would be without the capacitor.

The lower the resistance of the resistor (the greater the load current), the faster the capacitor will discharge and the lower will be the voltage when the next positive half-cycle comes along. A way to keep the voltage from falling so low between the times when the capacitor is charged is to make the capacitor bigger. Because a full-wave rectifier is being used the charging peaks occur more often than would be the case for a half-wave rectifier. Thus the capacitor will not have as much time to discharge and the voltage will not fall as low as it would with a half-wave circuit. The amount of ripple (variation) in the voltage across the capacitor is given by.

Delta V = (I/C) Delta t                     (3.20)

Now the only question is "how long is delta t?" It is the period of the wave - the charging time. The writer has invested a great deal of work in deriving equations for the ripple voltage (delta V) taking the charging time into account and subsequently many hours in the laboratory attempting to verify the results experimentally. The equations did not predict the voltage any better than plus or minus 20%. These equations did not do any better than setting delta t = a little less than the period of the wave in equation 3.19. The conclusion is to set delta t = 8 ms approximately (1/120) for a full-wave rectifier or 16 ms approximately (1/60) for a half-wave rectifier. These numbers would be different for someone living outside of North America. Solving equation 3.19 for C gives

C = (I Delta t)/(Delta V)                     (3.21)

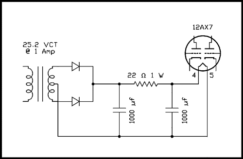
Example 3.7

A 25.2 vCT @ 1 A transformer is being used in a full-wave center-tapped power supply which is to deliver 150 mA to the heater of a 12AX7 (DC heater supply to reduce hum). (a) Calculate the correct capacitor to give a ripple of 1.2 volts or less, (b) calculate the DC voltage at the capacitor, (c) the value of the resistor required to apply 12 volts to the heater of the tube, and (d) the wattage of the resistor.

Solution:

(a) Using equation 3.21 for C gives

C = (0.15 A x 8 ms)/(1.2 V) = 1000 microfarads.

Because this equation gives a somewhat larger capacitor then really required, it is alright to just use a 1000 microfarad capacitor.

(b) The DC output voltage is

VDC = 1.4 x 25.2 / 2 - 1 = 16.64 volts.

That's the peak voltage. The DC is the average voltage which is half of the ripple less than the peak voltage or 16.64 - 1.2 / 2 = 16.04 volts; let's call it 16.0 volts.

(c) The resistor is given by ohm's law as follows.

R = (16.0 - 12.6) / .15 amps = 22.7 Ω

Use a 22 ohm resistor.

(d) The power dissipated by the resistor is given by

P = I squared R = .15 squared x 22 = .495 watts

This is so close to 1/2 watt you should use a 1 watt resistor. Most designers would likely connect another 1000 microfarad capacitor from the other end of the 22 ohm resistor as shown in the figure below.

 Schematic diagram.

Figure 3.11.2 DC Heater Supply for 12AX7.

For a verbal description click here.

Example 3.8

A full-wave bridge rectifier is to be used with a transformer which is rated as 280 vCT @ 100 mA. The capacitor is 22 mu f and the load current is 85 mA. What is the ripple voltage?

Solution:

Using equation 3.19 we have Delta V = (I/C) Delta t = (85 mA / 22 mu f) x 8 ms = 30.9 V As compared to physical reality, this is a pessimistic prediction.

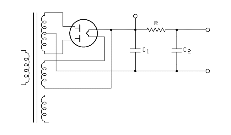
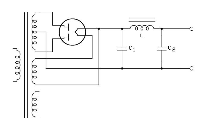
Additional Filtering LC section.

If an LC section is added to the single capacitor filter we have a circuit like that shown below.

 Schematic diagram.

Figure 3.12 Full-wave rectifier and C-L-C filter.

For a verbal description click here.

The inductor has a low resistance to DC but a much higher reactance to the AC ripple. Because it is a series element it drops very little DC while dropping a large amount (most of it in fact) of the AC. The second capacitor presents an open circuit to the DC but a low reactance to the AC ripple. It, together with the inductor, forms a voltage divider which reduces the ripple to a very low level. If X is much greater than XC the ripple across C2 is given by

VC2 = VC1 (XC2) / (XL)               (3.22)

where

XL = 2 pi f L                     (3.23)

and

XC2 = 1 / (2 pi f C2)                 (3.24)

Substituting equations 3.23 and 3.24 into equation 3.22 gives.

VC2 = (VC1) / (4 pi squared f squared L C2)               (3.25)

The DC voltage drop across the inductor (filter choke) is usually small enough to be neglected.

Additional Filtering RC section.

If an RC section is added to the single capacitor filter we have a circuit like that shown below.

 Schematic diagram.

Figure 3.13 full wave rectifier and C-R-C filter.

For a verbal description click here.

The resistor has the same resistance to DC and AC. Because it is a series element it drops a moderate amount of DC while dropping a large amount (most of it in fact) of the AC. The reason the resistor drops more AC than DC is because the second capacitor presents an open circuit to the DC but a low reactance, almost a short, to the AC ripple. It, together with the resistor, forms a voltage divider which reduces the ripple to a very low level. If R is much greater than XC2 the ripple across 2 is given by

VC2 = VC1 (XC) / (R)                 (3.26)

where

XC2 = 1 / (2 pi f C2)                   (3.27)

Substituting equation 3.27 into equation 3.26 gives.

VC2 = (VC1) / (2 pi f R C2)               (3.28)

The DC voltage appearing across C2 is given by

VDC-C2 = VDC-C1 - ILoad R               (3.29)

Where ILoad is the sum of all DC load currents taken off from C2, C3, C4, Etcetera.

Example 3.9

A filter like that of Figure 3.12 has two 22 microfarad capacitors and an 8 henry filter choke. The ripple voltage across C1 is 31 volts (Example 3.8). What is the ripple voltage across C2?

Solution

Using Equation 3.25 gives.

VC2 = (VC1) / (4 pi squared f squared L C2)

VC2 = 31 vAC / (4 pi squared x 120 squared x 8 henrys x 22 mu f = 0.31 vAC.

Example 3.10

A DC power supply like that of Figure 3.13 uses a transformer with a high voltage winding having a rating of 325 - 0 - 325 volts at 100 mA. It uses a 5Y3 rectifier tube and an RC filter with two 40 mu f capacitors and a 1 k ohm resistor. The DC load taken off at C1 is 80 mA and the load taken off at C2 is 15 mA. What are (a) the ripple across C1, (b) the ripple across C2, (c) the DC voltage across C1, and (d) the DC voltage across C2?

Solution

(a) The ripple across C1 is given by equation 3.19 which is.

Delta V = (I/C) Delta t

We must use the sum of the currents for I in this equation which is 95 mA.

Delta V = (95 mA/40 mu f) 8.3 ms = 19.7 volts.

Let's call it 20 volts.

(b) The ripple across C2 is given by equation 3.28.

VC2 = (VC1) / (2 π f R C2)

VC2 = 20 / (2 π 120 1000 40 mu f) = 0.66 volts.

(c) Using equation 3.17 gives

VDC = 1.4 VRMS / 2 - Rect Drop = 1.4 x 650 / 2 - 150 = 305 volts

The graphs in the tube manual for the 5Y3 give an output voltage of 330 volts for a load of 95 mA and a voltage on each plate of 325 volts. Because the drop across the tube is dependant on load current the tube manual results are more accurate because they take the current into account.

(d) The voltage across C2 is given by equation 3.29 as

VDC-C2 = VDC-C1 - ILoad R = 330 V - 15 mA x 1000 Ω = 315 VDC

Now, if you have really mastered this material you deserve some kind of award. Go have some ice cream.

Next; Resistance Coupled Amplifier, a basic building block.

Sideways; The Power Supply for a 6V6 Single Channel Amplifier.

Previous; Transformers, Power and Output.

Home

Or use your "Back" button to return to where you were.


This site begun March 14, 2001

This page last updated March 6, 2004.