All About Audio Amplifiers

Overall Feedback, Pros and Cons.


Feedback is when a part of the output signal of an amplifier is fed back to the input. NEGATIVE FEEDBACK is when some of the output signal is fed back to the input in such a way as to PARTIALLY cancel the input signal. It can't completely cancel the input signal because if it did there wouldn't be any output to feed back to cancel the input and then there would be output again but then it would cancel it ..... you get the idea.

Canceling part of the input lowers the gain and that may seem like an undesirable effect. The good things feedback does far outweigh the bad. Feedback lowers the distortion, widens the frequency response, lowers the output impedance and is neutral when it comes to signal to noise ratio. With all that going for it you would think the more the better. Well, maybe.

What are the numbers?

You may be wondering exactly how much negative feedback changes all of these things. Let's let B equal the fraction of output signal that is fed back to the input. Let A equal the gain of the amplifier before the feedback is connected. To find what the gain will be after the feedback is connected divide the gain by
(1 + AB).
Let's say the gain is 280 and the fraction of output signal fed back is 0.03. The new gain is
280 / (1 + 280 x 0.03) = 29.8.
If the same amplifier has a distortion of 5 % the distortion after feedback is connected will be
5 % / (1 + 280 x 0.03) = 0.53 %.
Now if the frequency response was 100 to 10,000 cycles, the new frequency response will be
100 / (1 + 280 x 0.03) = 10.6 cycles and
10,000 x (1 + 280 x 0.03) = 94,000 cycles.
The new frequency response is 10 to 94,000 cycles. If the output impedance is 8 ohms the new output impedance will be
8 / (1 + 280 x 0.03) = 0.85 ohms. That gives a damping factor of 8 / 0.85 = 9.4.
The damping factor = (1 + AB) = (1 + 280 x 0.03).
The noise from tube hiss and hum will be reduced by the same amount as the gain so the signal to noise ratio remains the same. Good thing! In all of these examples the amount of feedback is very close to 20 dB.

What is 20 dB of feedback?

Audio people talk in terms of dB of feedback. Decibels are a way of expressing a ratio of two voltages or two powers. The formula is
dB = 20 Log (V1 / V2). As it applies to feedback
dB = 20 Log (1 + AB). If you don't happen to have a scientific calculator Here is a quick way to evaluate dB.

Voltage Ratio = dB

0.00316 = -50
0.01 = -40
0.0316 = -30
0.1 = -20
0.316= -10
1.00 = 0
3.16 = 10
10.0 = 20
31.6 = 30
100 = 40
316 = 50

That should be enough to establish the trend. In the case of the examples above the value of (1 + AB) was 9.4 which is very close to 10. So that amplifier had about 20 dB of feedback.

This is a modest amount of feedback. But suppose the design engineer had done a better job. He could have used local feedback (around only one stage, likely requiring more stages) and let's say he got the distortion without overall feedback down to 1.0 %. Then when he applied 20 dB of overall feedback the distortion would have dropped to a very good (for tubes) 0.1 %.

The Right Way and the Wrong Way.

Back in the tube days there was a saying among audio engineers "There are two ways to design an amplifier, the right way and the wrong way". The right way goes like this. Select the best output transformer you can find for the desired power level or even have one made especially for your company. (If you are going to order several thousand units you can do that). Don't just rely on tube manual data, set up the output tubes and adjust plate, screen and bias voltages for the lowest possible distortion. Design everything carefully for lowest distortion. Add a lot of local feedback to get the distortion even lower. After you have an amplifier which is very clean sounding even without overall feedback add a modest amount, say 20 or 30 dB, to make it even better.

The wrong way goes like this. Get the least expensive output transformer you can find, use what ever tubes you can get, slap a phase splitter together and then clean it up with as much feedback as you can cram on it.

What's Wrong with Transistor Amplifiers?

Answer: In my opinion, they were designed the wrong way. In the 1960s there was somewhat of a disconnect (generation gap) between the older tube engineers and the young transistor guys. (I came along just at the right time with just the right attitude and took in the knowledge from both groups). The standard transistor power amplifier circuit produces tremendous amounts of distortion 10 or 15 % with the feedback disconnected. The transistor engineers solved the problem, they thought, by cramming on the feedback. Add another stage to get more gain and pour on even more feedback. In Tube amplifiers the phase shift in the output transformer places a practical limit on how much feedback you can put on. There is no such problem with transistor amps. If you are familiar with transistor circuits you will remember that little inductor in the output lead. That's to do a phase correction caused by the transistors at ultrasonic frequencies so they can cram, jam, pack and load on the feedback, as much as 80 dB in some amplifiers I have seen.

What's Wrong with That?

Well, it's a matter of delay. To get all that gain they used quite a few transistors. Each transistor has a little time delay. (Tubes have it too). Say a quick transient comes along in the music such as a snare drum or a woodblock. The burst of signal goes through the amplifier and then is returned to the input by the feedback loop. By the time it gets back there part of the transient has already gone. The transient comes out distorted. The trouble with this type of distortion is there is no way to measure it in the laboratory. Distortion tests are made with steady state sine wave tones. Those modern transistor amps come out with distortion figures of 0.0007 % but to the ear they have a harsh sound.

Another part of the problem is that the basic circuit of a transistor power amplifier has not changed since the 1960s. I have a GE transistor manual on my book shelf which has the copyright date 1964. It has circuit diagrams of amplifiers ranging in power from 2.5 watts to 15 watts. The transistors have been improved since then, allowing higher power, but the circuit is essentially unchanged. The most prominent features are that the speaker is driven alternately from the emitter of the top transistor and the collector of the bottom one. That's got to cause a lot of distortion. The pre driver has a bootstrapped resistor in its collector. This is actually positive feedback and increases distortion.

By no stretch of the imagination can you say that transistor technology was mature in 1964. Better amplifier circuits could have been designed if any competent engineer had put his mind to it. I designed and built a 200 watt per channel amplifier in the first half of the 90s. I did it the right way using lots of local feedback. The distortion with no overall feedback (none around the complementary outputs) was 0.25 %. After adding 27 dB of feedback I got 0.015. It has the classic tube sound. Sue says I should call it the tubeless tube amplifier. If you are curious about the circuit, click here. But I digress.

Hold on a second, doesn't any amount of feedback have the delay problem?

The obvious answer is "yes" but it's a matter of degree. When feedback is used in moderation, the delay effect is not large enough to be audible. The enormous amounts of feedback used in transistor amps brings the problem up to the level where it is not only audible but objectionable.

Some updated information

Maybe my knowledge is a little out of date. That can happen with a retired guy like me. I received an email from a gentleman in Norway who provides this information.
I read the article about "What's Wrong with Transistor Amplifiers" and there was mentioned a 10 to 15 percent open loop distortion in transistor amplifiers. There a lot of good amplifiers with no feedback (Counterpoint got less then 0.04% THD). The main problem with adding feedback with transistors has been the performance of the power transistors. The bandwidth of the power transistors in the seventies was so bad and the result was all the problems you mentioned. By combining new quality transistors (Sanken) with moderate local and global feedback loops, new transistor amplifier design has got an excellent performance (Krell, Mark Levinson). The Ft of power transistors has improved from a few hundred khz to 50 - 80 Mhz and that revives the old negative feedback strategies.

Thanks for an interesting web site

Feedback In Tube Amplifiers.

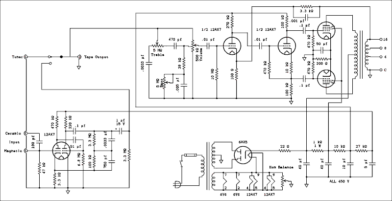
As I have already mentioned the phase shifts in the output transformer place an upper limit on the amount of feedback that can be put on a tube amplifier. That was, and still is, what saved it from the same problems that plague transistor amps. Here is the circuit of a very simple amplifier to show how negative feedback is applied.


 Schematic diagram.

For a verbal description click here.


This is that first High Fi amplifier I ever owned. It was designed the wrong way. Its distortion figure is in excess of 1 % at all power levels. The amount of feedback is really rather small being about 10 dB. (The measured open loop gain is 83 giving 10.7 dB of feedback.) This was an economy amplifier and the output transformer has a lot of phase shift at the high end. That limits the amount of feedback that can be applied before oscillation begins.

If you want to build a 6V6 amplifier use a better quality output transformer and bring up the feedback to at least 20 dB, more if you can get it. To get enough sensitivity you would need to add another stage outside the global feedback loop but after the volume control. Even with its high measured distortion this was not a bad sounding amplifier. I listened to it and to two copies of it, in stereo, for many years.

This amplifier is shown because it's the one I started this series with. Note how the power supply is connected to the various stages of the amplifier. The negative feedback goes from the 16 ohm tap on the output transformer back to the cathode of the tube right after the volume and tone controls. This is a mono amp so there is no balance control. The feedback always goes to the first tube after the last user control. Placing any control other than balance trimmers or bias adjustments inside the feedback loop is about the worst idea I can think of. The feedback would try to regulate out their effect. One interesting note, the Amplifier is a Model D-10 made by the Newcomb Audio Products Company, Hollywood Calf. There also is a notation of patents used which belong to AT&T and Western Electric. I guess negative feedback was still covered when this amp was made.

The phono preamp shown is not the one in the original amplifier. That is so bad I wouldn't wish it on anybody. The truth is that I used to have a Sam's photofact on this amp but I lost it somewhere along the line. It has a switch to select 6 different equalization settings. I'm just too lazy to trace out that switch.

What is shown in the schematic is the phono preamp used in a Harman Kardon model A-300. It's an excellent sounding preamp.

Well, I guess that's about it. If you are left with questions don't hesitate to email me.

The End.

Previous; Push-Pull Outputs.

Home.

Or use your "Back" button to return to where you were.


Thank you for visiting my page at Angelfire.
Please come back and visit again!

This site begun March 14, 2001

This page last updated March 20, 2005.