The power supply for this amplifier is no trivial matter. I have decided to use a single power supply for both channels. The schematic is shown below.
For a verbal description click here.
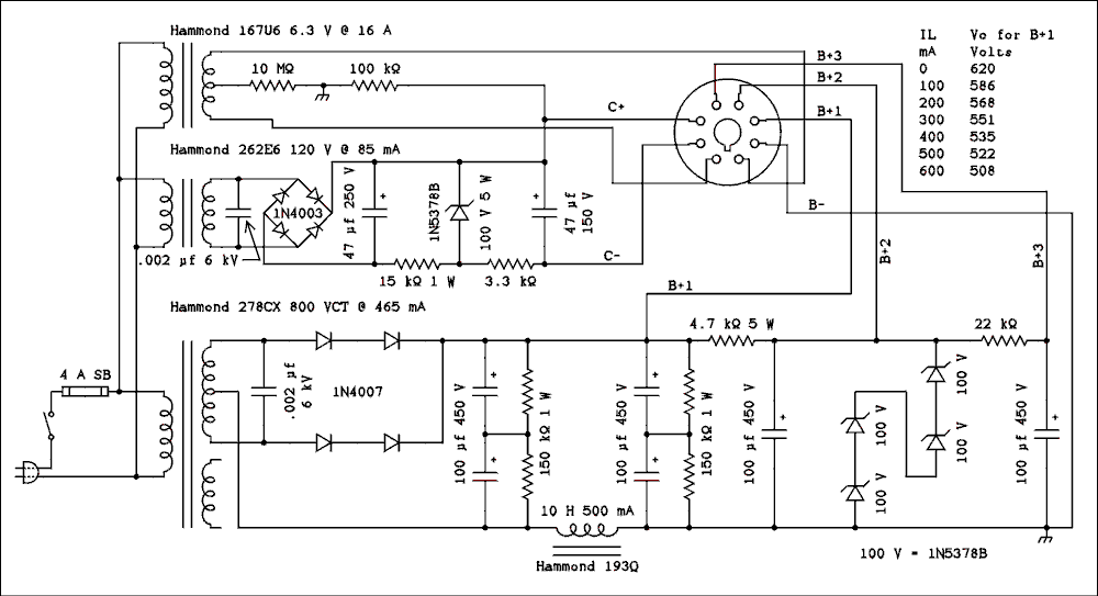
You are probably wondering about those 4 zener diodes from B+2 to ground so I'll get them out of the way first.
The original plan was to set the total zener voltage at about 440 volts to protect the capacitors from over voltage before the tubes warmed up. What I didn't count on was the large positive temperature coefficient of the zener, more correctly called avalanche, diodes.The string of zener diodes constitutes a voltage limiter. You will note that the voltage on the other side of the 4.7 k ohm resistor can be as high as 620 volts when the power is first turned on and before any of the tubes warm up and start to draw current. That could do serious damage to the 450 volt capacitors after the resistor. The zener diodes will prevent the voltage from going above 400 plus a little, volts. After the tubes start to draw current they will hold the voltage of B+2 under 400 volts where it belongs. Under normal operation the zener diodes should not be drawing any current. They are there to protect the capacitors against over voltage. If someone, such as me, fails to think and unplugs the 12AX7s and 6CG7s the zener diodes will still protect the capacitors. The vacuum diode shown in the earlier version would not provide any protection under this scenario.Note: The physical mechanism within a so-called zener diode for low voltages, below 6.2 volts, is zener breakdown. Above 6.2 volts the mechanism is avalanche breakdown. Zener breakdown has a negative temperature coefficient while avalanche breakdown has a positive one. The change-over from one to the other is not the flip of a switch but a gradual merging from one into the other. At the critical point, just a little less than 6.2 volts, the temperature coefficient is zero. Diodes that fall on this critical voltage are sold for 10 times the price as reference diodes.When the diodes were doing their job the heat generated caused the total voltage to rise to about 500 volts. The 56 and 82 volt diodes have been replaced by a single 100 volt diode. This should protect the capacitors but still have little effect on the power supply in normal operation.I estimated that the current draw from B+2 and B+3 would be 14 mA per channel for a total of 28 mA. The actual measured value is 15 mA or 30 for two channels. The output tubes have an idling current of 200 mA for a total of 400 for both. The chart shows a voltage of 535 volts for a current drain of 400 mA. Linear interpolation yields a voltage of 531 volts at a current of 430 mA. From this I arrived at the resistance of 4.7 k ohms for the resistor. A 5 watt resistor is required.
The transformer used is rated at a current of 465 mA. This doesn't seem to leave much leeway for increased plate current when the amplifier is working hard. However the heater winding is not being used which gives us an additional 50 watts to play with. I am aware that not all of those 50 watts can be transferred to the high voltage output but it does give some additional head room. I breadboarded up the circuit and tested it using my Load Box. Taking it all the way to 600 mA might seem to be a stretch and I think it is. I ran it at that current for half an hour on two separate occasions with no ill effects. Remembering that it takes a while for heat to soak out of a big transformer I checked it several times after terminating the test. It still got only warm to the touch. I'm sure no one would call it hot. When the amplifier is being tested at full power with a continuous sine wave the plate current of one channel is 300 mA. If I were you I wouldn't run a prolonged full power sine wave test with both channels driven as required by the old FTC (Federal Trade Commission) power amplifier rules. But that's a discussion for another page.
Some may find having the filter choke in the negative lead confusing. It doesn't make any difference since the choke is in series. Series is series and the order doesn't make any difference. This is a standard precaution to make sure there will never be a short from the choke winding to the core. Although the Hammond chokes are rated at 800 volts, why take chances if we don't have to?
There is nothing remarkable about the bias supply. It uses a zener diode so the bias won't be effected by changes in power line voltage.
Well, that was my other big mistake. Once again the large positive temperature coefficient came into play. The bias would start out low and go higher as the diode warmed up. That would cause the tube plate current to start out high and gradually fall. As I had adjusted the bias after a prolonged warm-up, the tubes were probably exceeding their maximum plate dissipation for the first several minutes of operation. Another problem was those line voltage changes I wrote of above. The plate voltage was, and is, not regulated but the bias voltage was. That meant the plate current went up and down with the line voltage. The line voltage changes more than you think. Measure the voltage in the early evening and again at 2 or 3 A. M. The solution to this problem is to let the bias voltage change along with the plate voltage.There is probably more filtering than necessary but it can't hurt. My goal in the overall design of this supply is not to hear even the slightest suggestion of hum with my ear right up to the speaker.Note: In the ultra linear connection the tubes are operating as triodes as far as DC is concerned. The screens are always at the same DC potential as the plates. In my pentode designs where the screen voltage is regulated the bias should also be regulated. The plate current is quite immune to changes in plate voltage due to the nature of the pentode.There is still a zener diode but it serves a similar function to the 4 diodes on B+2. It will limit the voltage when the power supply is operated without the amplifier being connected. The unloaded voltage at the anodes of the bridge rectifier is -195 volts.The 100 k ohm resistor from C+ to chassis is so the supply can be operated unplugged from the amplifier without the bias supply floating away into hyper-space. The 10 Meg ohm resistor does the same thing for the heater supply. A lower value would have upset the DC level placed on the heaters by a circuit in the main amplifier chassis.
- Introduction.
- Power Supply Schematic and Circuit Description. (You are here.)
- Amplifier Schematic and Circuit Description.
- Power supply chassis layout.
- Amplifier chassis layout.
- Initial tests and adjustments.
A foolish man dreams of wealth,
a wealthy man dreams of wisdom,
and a wise man dreams of tubes aglow all in a row.
Amplifier Smorgasbord.Or use your "Back" button to return to where you were.
This page last updated April 16, 2006.