Designing and Building
Audio Amplifiers.

Contest Winning Amplifier.

It began in the early fall of 2012 when someone on the Fun with Tubes email list suggested we have an amplifier building contest. As list moderator I should have taken control at that point and set the rules but I didn't. They just kind of grew. Some things I would have done differently but what happened has happened and we can't change the past. Below is the text of the official announcement of the contest which was sent by email on September 13, 2012.

OK. As list moderator it is my job to set the rules once and for all and debate over. Here they are.

Specification for Defining Guidelines for a Contest to Design a Tube-based two channel Hi-Fi Power Amplifier (PA) that Meets Minimum Performance and Budget Constraints.

Scope:

Develop a tube-based power amplifier (PA) that meets a minimum set of guidelines for both performance and cost. The design is for a tube-based two channel hi-fi PA and power supply only and does not include pre-amp or tone control functions. Public recognition will result from achieving this goal better than other participants.

Submissions must meet the following Specifications:

  1. The PA must drive a minimum of 25W into an 8 ohm resistive load while being driven by no more than 1V at the input.

  2. The total cost of all parts (power supply and two channels) must be $300 or less. If the power of 25 watts can not be achieved within budget the power should be reduced rather than going over budget.

  3. Frequency response should be -3dB or better from 35Hz to 20KHz.

  4. The signal path of the PA must contain only tubes, no solid-state components are allowed. An exception is for voltage regulators and rectifier diodes.

  5. THD (total harmonic distortion) must be less than 1% when measured at 25W into a resistive load of 8 ohms at a frequency of 1000 Hz.

  6. The power supply should be robust enough to supply power to two PA channels with both channels driven to full power.

  7. All parts must be obtained from on-line suppliers. All parts must be available in large quantities, no one of a kind surplus items will be accepted. After some consideration I have decided that this will not include shipping charges. This is to avoid putting persons who reside outside of the United States at a disadvantage.

  8. The amplifier must not present a hazard to the user when operated as intended.

    Submissions:

  9. A schematic of one channel of the PA and the power supply must be attached to a message posted to the list.

  10. A complete Bill of Materials (BOM) with components from commercial supplier(s) with part numbers and current single-unit prices must be a part of the message body.

  11. If you actually build the amplifier include test results, photos, spreadsheets, etc.

  12. If you don't construct include SPICE simulations showing compliance to the technical specs above.

  13. After the deadline a complete list of entrants will be posted to the list in a single message.

  14. After we know who the contestants are we can select the judges. I will hear (read) nominations and I will select 3 judges from the list of nominees.

    Deadline:

  15. The contest deadline for submissions is 15-Dec-12. A winner will probably not be selected until the Christmas and new-years holidays are over. Decision of the judges is final.

    Prize:

  16. The winner will receive the admiration of all FWT members and have exclusive bragging rights. The winner can also insist that the other members of FWT refer to them as the "Grand PABu" [Power Amp Builder] for not less than one year from receipt of this illustrious recognition.

Much of the above was taken from a message posted by John DiFilippo. Thanks john for the work you contributed.

Regards.

Max. K 4 O DS.

And the winner is:

Tim E. Smith.

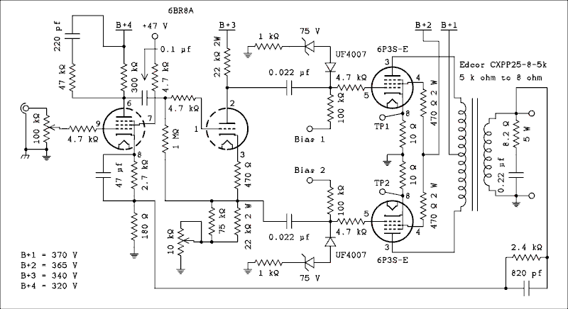
Tim built his amplifier and then shipped it to me for evaluation. He had wanted to use 7591A tubes as the outputs but that put him over budget. He used four 6P3S-E instead. Tim advises to anyone who wants to duplicate the amplifier not to use the less expensive 6P3S tubes which are not reliable.

I tuned up the cathode currents of the output tubes and the AC balance controls. Then I installed it in my main listening setup. I noticed right away that it sounded better than my EL34 amplifier that it replaced. The difference in sound was eventually attributed to the fact that I had not adjusted the EL34 for 7 years. That story has been added to the EL34 pages. Scroll down to the heading "Testing the Amplifier 7 years later. May, 2013" Near the bottom of the page.

I liked the sound of the amplifier so much that I asked Tim if I could buy it from him. He agreed so it is now mine.

Figure 1 Tim's Design, one channel shown.

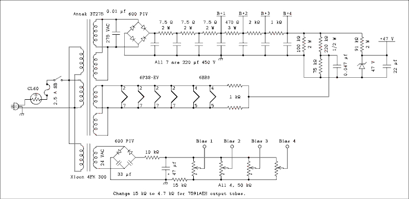
Figure 2 Power Supply.

Introduction, Circuit, and Specifications. (You are here)
Distortion Testing.
Changing Output Tubes.


Home

Or use your "Back" button to return to where you were.


This page last updated July 11, 2013.