Designing and Building
Audio Amplifiers.

50 Watt Monoblock Amplifier.

A quartet of 6L6s seems to be a good choice for a 50 watt (per channel) amplifier. The design of a two channel amplifier required separate power transformers for each channel. The reason is that Hammond doesn't make anything big enough to power two 50 watt channels. Building two independent amplifiers on the same chassis wasn't possible given the sizes of those available.

I settled on using two 13-1/2 by 5 by 2 for each amplifier. One for the power supply and the other for the amplifier. See the chassis layout below.

Preliminary Research.

I have this nice amplifier test bed so let's use it to see how 4 6L6s will behave. I set up the tubes with a Hammond 1650K Output transformer. This transformer has a primary impedance of 3400 ohms when the secondary is wired for 8 ohms and terminated in 8 ohms. I used the 6SN7 cathode follower to drive the grids of the 6L6s and the phase inverter/driver to drive the 6SN7. The 6L6s were connected in a conventional pentode configuration.

Three months after testing the amplifier with the Hammond output transformer I tried it with the product of a new player on the tube transformer stage, Edcor. You can't order from their web site but they do have a toll-free order number. This transformer also has a primary impedance of 3400 ohms.

In order to check for repeatability I fired up the same amplifier with the Hammond transformer and measured its distortion again. This time I got 1% at 50 watts and 1000 cycles. I had gotten 2% before but it isn't exactly the same circuit. When I tested the ultra linear configuration I had to connect 100 ohm resistors in series with each screen grid to suppress oscillation. I left them in when going back to the conventional pentode connection. Can 100 ohm resistors in series with each screen grid really cut the distortion in half? It is negative feedback. When the control grid is positive going, the plate and screen current both increase and the screen grid voltage will decrease slightly. The increase in plate current won't be as large as it would have been if the screen voltage had not changed.

The no-signal screen current is measured as 5 mA for all four tubes. At 50 watts the DC (average) current rises to 27.5 mA. From this and with the help of a program I wrote I calculate a peak current of 12 mA per tube. This amounts to a voltage drop of 1.2 volts across a 100 ohm resistor. Is this enough to introduce a significant amount of negative feedback? This looks like another side bar investigation. I really can't account for the difference in any other way. I am using the same transformer, the same tubes, the same inverter/driver circuit, and the same DC bias voltages and currents.

I'm not going to fudge the data. As you look over the table below you probably should mentally multiply the distortion figures for the Edcor transformer by 2.

Also, I cannot account for the ups and downs in the distortion using the Edcor transformer as opposed to the monotonic decrease observed with the Hammond.

I dropped 4 EL34s into the sockets and collected the data in the right hand column. Four may seem to be overkill but the tubes are operating well below their maximum ratings which can only increase tube life. Nothing about the EL34 data seems to jump out at me. If I had to make the choice right now I would still go with the 6L6s.

Distortion, Power, and Frequency.

Distortion at 1000 cps.

No feedback of any kind.

Power
(Watts)
% Distortion
Hammond 1650K
% Distortion
Edcor CXPP50-8-3.4K *
% Distortion
Edcor & EL34s
50 2.0 0.47 0.42
25 1.0 0.36 0.85
12 0.70 0.48 0.89
6 0.54 0.50 0.51
3 0.40 0.325 0.33
1 0.23 0.115 0.18


* The impedance the Edcor transformer presents to the tubes is about 15% high. I have had reports from others who have purchased transformers from this company that they also found the impedance to be high. But there is more to this than at first meets the eye.

Transformer impedance.

I connected a 3.3 k ohm resistor in series with the primary, loaded the secondary with 8 ohms and made the following measurements. Vp is the voltage across the primary, Vr is the voltage across the resistor, R is the measured resistance of the resistor, Ip is the calculated current in the primary, and Zp is the calculated impedance of the primary.

Vp = 3.20 v
Vr = 2.80 v
R = 3.41 k
Ip = Vr/R = 2.80 v / 3.41 k ohms = 0.8211 mA.
Zp = Vp / Ip = 3.20 v / 0.8211 mA = 3.90 k ohms.

Now when I measured the applied voltage to the primary and measured the unloaded voltage on the secondary to get the turns ratio I came very close to 20.6 which is the ideal turns ratio for a 3400 ohm primary. I also checked it the other way, exciting the secondary and measuring the voltage on the primary.

I performed the turns ratio and impedance test on the Hammond 1650K which is also a 3.4 k ohm 50 watt transformer. The turns ratio was right on but the impedance was 3.6 k ohms.

Because I am using a method which is not phase sensitive I am measuring the magnitude of the impedance but not the phase. I decided to look at the phase shift. I found current and voltage to be exactly in phase. So what's going on?

Obviously there are subtleties involved in transformer design that I know nothing about. I have no experience in this field so all I can talk about are outcomes. The outcomes appear to be inconsistent but I suppose an expert in transformer design could explain them.

Not to worry though. The impedance of a real speaker is all over the place and may not be 8 ohms resistive at any frequency. This unexpected development in the output transformers does make it a little harder to do meaningful laboratory tests.

In order to compensate for the higher impedance I had to increase the plate voltage to 450 volts. The increase in load impedance may account for the further reduction in distortion over the factor of two explained, or not explained above.

Frequency Response.

Power at detectable clipping on oscilloscope using lissajou pattern.
This method can detect about 1.5 % distortion.

Frequency
(cps)
Power
(Watts)
Hammond
Comments. Power
(Watts)
Edcor
Comments.
20 cps 28 Lots of hysteresis distortion. 40.5 Some hysteresis.
30 40 Less hysteresis. 40.5 Slight hysteresis.
40 42 Almost a good ellipse. 41.4 Slight phase shift.
50 42 -- 42.8 --
100 42 -- 45.1 --
1,000 45 -- 50 --
10,000 50 -- 46.1 A little phase shift.
20,000 45 -- 40.5 A little more phase shift.


I wanted to try using the Hammond transformer's 4 ohm secondaries to apply cathode loading to the amplifier. I needed to know if operating without the two in parallel would adversely effect the performance.

Same as above for the Hammond but with paralleled 4 ohm
secondary disconnected. As this model of the Edcor transformer
only has one secondary, this test does not apply to it.

20 cps, 28 Watts.
30 cps, 38 Watts.
40 cps, 40 Watts.
50 cps, 40 Watts.
100 cps, 43 Watts.
1,000 cps, 45 Watts.
10,000 cps, 40 Watts. Lissajou figure looks like an egg. At 2 %, 28 Watts.
20,000 cps, 25 Watts. Figure looks like a flat football. At 2 %, 1.6 Watts.

As you can see the upper end of the transformer's frequency response is very severely rolled off. As usual, the manufacturer knows what he is doing. You ignore his advice at your own risk.

Power at 2 percent distortion as measured with a
Heathkit 5258 Harmonic Distortion Analyzer.


Frequency
(cps)
Power
(Watts)
Hammond.
Comment. Power
(Watts)
Edcor.
20 5.1 -- 18.0
30 16 -- 45.1
40 28 -- 50
50 39 -- 50
100 51 -- 51.2
1000 55 Visible flat topping on sine wave.
55.1
10,000 55 -- 51.2
15,000 54 -- 48.8
17,000 51 -- 42.8
18,000 41 -- 33
19,000 31 -- 29.1
20,000 21 -- 26.6

Now for the real amplifier circuit.

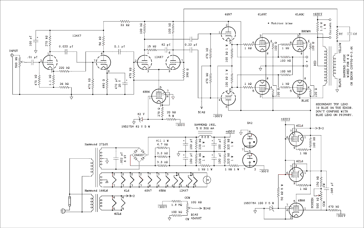
Here is the schematic diagram of the final version of the amplifier. I have not constructed it in a permanent form as yet but I have that in my plans. I didn't use a regulated power supply for the main B+ but the circuit shown. In effect I breadboarded the entire amplifier and tested it as a unit. The only part I didn't test with the amplifier was the optional 12AX7 gain block. The amplifier without this gain block requires 6.5 volts RMS to drive it to full power. If your pre-amp has enough output you can eliminate this stage. Mine is a little marginal so I decided to include it.

The values of the resistor Rf and capacitor Cf depend on which output transformer you are using.

Transformer Rf (ohms) Cf (microfarads)
Hammond 910 0.0022
Edcor 1200 0.0018

 Schematic diagram.

For a verbal description click here.

The amplifier begins with the low distortion gain block set to a gain of 6.67. Then the long tail pair with a 6BH6 current sink in the cathodes of the two triodes. Signal is fed to the left hand triode and negative feedback to the right hand one. Signal is coupled from the plates of the long tail pair to the 6SN7 cathode follower which is directly coupled to the grids of the 6L6s. The 1 k ohm resistors are to ensure that the 6L6s will not oscillate. The Hammond output transformer is wired for 8 ohms and although not shown is terminated with an 8 ohm 100 watt resistor for test purposes.

The power supply has a feature which should be there but a generational disconnect has caused the reason to be forgotten. When the power switch is turned off sometimes an inductive spike is generated which is several times the normal peak output of the secondary winding. Vacuum diodes were not troubled by this spike but solid state ones can be burned out. The capacitor across the secondary is meant to suppress this spike. I used a .002 uf 6 kV because I have some on hand. I would recommend use of a .005 uf 3 kV available from RF Parts. The price isn't out of line for vacuum tube parts these days.

I know this capacitor is necessary because I burned out a diode while testing the power supply on the breadboard. One of the times I pulled out the plug I heard a crack like a capacitor being discharged. The next time I plugged it in I heard an unusually loud hum and the fuse in my test line cord blew out. I tested the diodes and found one of them to be a dead short. I replaced both and added the capacitor. I didn't have anymore trouble.

The tube manual data for the 6L6 gives a maximum signal plate current of 132 mA for a pair in push-pull. For a quartet that will be 264 mA. In my tests the current was more like 275 mA at 50 watts. Now if you look up the power transformer you will see that its maximum current is 250 mA. We are not using the 5 volt winding but that only gives 20 watts to play with. That does give us an additional 50 mA at 400 volts DC output. But we are using 30 mA for the negative bias and reference supply. Most transformers will stand a 20 or 30 % overload for a short time. So if you want to do a lot of sine wave testing, do it for short periods with cool off times in between. As for music, its nature is to have peaks and valleys. Since no one wants to listen to overloaded music in their living room I don't think anyone is likely to burn it out by listening to music even at ear blasting levels. If you use it for a PA or musical instrument amplifier you do so at your own risk.

Test Results. (Circuit as shown above.)

Distortion at various power levels.
Frequency = 1000 cps.
Power
(Watts)
% Distortion
Hammond 1650K
% Distortion
Edcor CXPP50-8-3.4K *
50 0.12 0.09
25 0.06 0.04
12 0.05 0.07
6 0.04 0.06
3 0.03 0.04
1 0.02 0.04

Distortion at various frequencies.
Power = 25 watts.

Frequency
cps
% Distortion
Hammond
% Distortion
Edcor
20 2.8 0.405
30 0.4 0.32
40 0.15 0.275
50 0.12 0.235
100 0.07 0.135
300 0.05 0.045
1,000 0.05 0.035
3,000 0.055 0.050
10,000 0.11 0.205
15,000 0.16 0.38
20,000 0.21 0.76

Commercial amplifier marketers never publish this kind
of data because it would make their amplifiers look bad.

Frequency Response.

Hammond: -3dB from 6.9 cps to 150 kc
Edcor: -3dB from 5.9 cps to 129 kc

Physical Layout.

I settled on using two 13-1/2 by 5 by 2 inch chassis for each amplifier. One for the power supply and the other for the amplifier. See the drawing below. (The Edcor CXPP50-8-3.4K is the same size as the Hammond 1650K). Two of these monoblocks side by side will take up 20 by 13-1/2 inches. The space in my rack is 22-1/2 wide and 15 deep so it looks like a good fit. I plan to bolt the power supply and amplifier chassis together but you can keep them separate and even put them on different shelves if you want to.

The transformer drawn in magenta is the heater transformer for the two 6CL6s. It is mounted below the chassis on the side.

 Physical layout of chassis.

Initial Tests and Adjustments.

To properly adjust this amplifier you really need two DMMs. The measurement of bias requires a voltmeter with an input resistance of 10 meg ohms or higher. The plate current measurement requires a voltmeter that will accurately measure 0.176 volts. A VOM will not fit either condition. If you happen to have two VTVMs that's fine. Most will do pretty well with low voltages, having a 1 volt or 0.5 volt range. Failing that you may need to buy a second DMM. The low end ones cost about 30 dollars and if you can afford to buy the Hammond transformers for this project you have no credibility to plead poverty.

If you have wired the "bias" and "screen voltage" controls as indicated in the schematic you shouldn't have any trouble finding the proper starting point. Set both adjustment pots to their fully counter clockwise positions. Lets assume you have performed the usual resistance checks to make sure there aren't any short circuits. Terminate the output with an 8 ohm 50 watt resistor or failing that an 8 ohm speaker. Connect an AC voltmeter (a VOM may be used here) or oscilloscope across the speaker terminals. Connect one voltmeter to the bias terminals and set it so as to not go off scale at 30 volts. Connect the other voltmeter to the current terminals and set it to the 200 mV range.

WARNING! This meter will be at a potential of 400 volts. Make sure there are no exposed metal parts on the test leads such as screws that clamp the wire in place. Also be sure the case of the DMM is entirely plastic. Do not touch any part of the meter or leads while power is turned on.

Grit your teeth and turn on the power, Don't shut your eyes. The 0A2 tubes should begin to glow purple within a second or two. You should read about 30 volts on the bias meter. As the cathodes of the tubes warm up and begin to emit electrons you may see a small reading on the current meter. Millivolts = milliamps. Adjust the "bias" control for 22.5 volts. Even with the screen grid voltage at minimum you should still see some current. Adjust the "screen voltage" for a current of 176 milliamps. Look at the scope or AC meter to be sure the amplifier is not oscillating. Even if you have a speaker connected it is possible for a malfunction or wiring error to cause the amplifier to oscillate at an ultra sonic frequency that you can't hear. This can destroy the tweeter section of a speaker in very short order so turn it off quickly if this is happening and you are using a speaker.

When you change the screen grid voltage you are also changing the plate voltage of the cathode followers. This means after you adjust the screen voltage the bias voltage will have changed. Readjust the bias control for -22.5 volts and readjust the screen grid voltage for a plate current of 176 mA. Repeat until both are correct at the same time.

If all has gone well, let it operate for about 10 minutes and repeat the adjustments. If you are using an 8 ohm resistor try injecting a signal and run it up to 50 watts, that's 20 volts RMS across 8 ohms. I don't recommend this test if you are using a speaker. Few speakers will stand 50 watts of continuous sine wave power without being damaged. Not to mention what destruction might happen to your ear drums, your wife's, your dog's, your cat's, your grandchildren's or even your neighbor's.

Assuming you have gotten through all of these tests without mishap, connect it between your preamp and speaker, listen, and enjoy.

Listening Tests.

This was quite an education. I constructed a pentode, an ultra linear, and a triode amplifier all within the span of a few days. In the listening tests the pentode and ultra linear came out about the same in spite of the higher measured distortion in the UL circuit. I wish someone would make an ultra linear output transformer with enough iron in it to give really good performance down to 20 cycles. I would sure buy a couple of them. Someone has and I did. I haven't hooked up the ultra linear taps yet but that should happen in a few days. Look on the Ultra Linear Monoblock page for the results

When it comes right down to it listening is what it's all about. This amplifier really sounds good. There isn't the slightest hint of fuzz. Bass, mid-range, and highs are all as clean and clear as they can be. Exactly how I want it. It's very quiet and clean at low volume and if I'm in the mood to blast it still sounds clean. It sounded good even at a level that caused my wife to close the door to my shop and then close the door to her sewing room. I waited until she was out shopping to listen with the Edcor transformer. It sounded even better. As you can guess the bass had a more solid sound but was still tight with no booming.

I was right about the current operating within safe limits for the power transformer. When the level is set to just short of audible clipping the plate current meter was peaking at 250 mills. When I turned it up to where the meter was peaking at 300 mills the sound was clearly distorted. That was loud! If you are looking for a sweet sounding amplifier that won't blow your speakers or your budget I highly recommend this one.

Some Musings.

The best amplifier I have heard up to now was an Eico 50 watt monoblock using a pair of EL34s. I built a pair of them for a friend in the sixties. Yes, I got paid for it. If I had been in better financial condition I would have gone out and bought myself a pair but I was a poor college student on scholarship at the time. While I had the chance I dropped them in place of my 6V6 amplifier and did a lot of listening. I'll never forget how good they sounded. The Eicos had an excellent output transformer. I didn't have much test equipment at the time but I did have a lamp stabilized oscillator, home brew, and an oscilloscope good enough for audio. I loaded one of the amplifiers and looked at the lissajou figure on the scope. At 50 watts it held a perfect straight line from 20 to 20,000 cycles. The Hammonds don't come close to doing that well. I wish I could find a couple of those transformers or maybe the whole amplifiers.


If you would be happy for a day, get drunk.
If you would be happy for a week, change jobs.
If you would be happy for a month, get married.
But if you would be happy for a lifetime, listen only to tube amplifiers.


Amplifier Smorgasbord.

Home

Or use your "Back" button to return to where you were.


This page last updated December 13, 2005.